
De EPM7160EQC160-10 är en del av Intels Max 7000 -serie, gjord för att hantera grundläggande logikkontroll i elektroniska system.Det finns i ett 160-stifts PQFP-paket och använder EEPROM-teknik, så att du kan omprogrammera det efter behov utan krångel.Detta chip passar bra för enkla kontrolluppgifter eller mönster som behöver pålitlig, repeterbar logik.Det är litet, praktiskt och enkelt att arbeta med om du bygger något som behöver logikanpassning utan att gå överbord.
Letar du efter EPM7160EQC160-10?Kontakta oss för att kontrollera nuvarande lager, ledtid och prissättning.

Detta diagram visar den fysiska layouten för 160-stifts PQFP (plastfyrkantpaket) som används av EPM7160EQC160-10.Varje sida av fyrkantig chip har 40 stift, tydligt markerat i steg som stift 1, stift 41, stift 81 och stift 121. Stiftnumren hjälper till med orientering under placering på en PCB.Den kompakta fyrkantiga formen stöder ytmontering och används vanligtvis i inbäddade och programmerbara logiska applikationer.De märkta delnumren som listas i centrum bekräftar kompatibilitet med andra relaterade Max 7000 -serienheter.
EPM7160EQC160-10 ger dig 160 macroceller, vilket innebär att du har gott om utrymme att bygga och hantera olika logikfunktioner utan att ta slut på rummet.Detta hjälper om du arbetar med mönster som behöver lite mer flexibilitet.
Var och en av de tio logikblocken fungerar som ett litet team som hanterar specifika uppgifter inuti chipet.De hjälper till att hålla saker organiserade, så din design förblir hanterbar även när den blir mer komplex.
Du får 104 ingångs-/utgångsstift med detta chip, vilket ger dig många sätt att ansluta det till andra delar av ditt system.Oavsett om du tar in data eller skickar ut det gör detta chip det enkelt att hantera båda.
Med 3200 användbara grindar har EPM7160EQC160-10 rum att ta på sig ett brett spektrum av logiska operationer.Det passar bra för de tider då du vill ha kontroll men inte behöver ett enormt eller komplicerat system.
Chipet svarar i cirka 10 nanosekunder, vilket hjälper saker att röra sig snabbt.Om tidpunkten är viktig i din installation kan denna hastighet hålla allt att gå smidigt utan fördröjningar.
Detta chip körs på ett 5V -strömförsörjningsområde, som är vanligt och lätt att arbeta med.Du behöver inte oroa dig för speciella spänningsinställningar - bara ansluta den till de flesta standardsystem.
Den finns i ett 160-poligt plastfyratplattpaket (PQFP), storlek vid 28x28 mm.Detta ger dig massor av stift i ett litet område, så det tar inte för mycket utrymme på ditt bräde.
EPM7160EQC160-10 fungerar bäst mellan 0 ° C och 70 ° C.Detta sortiment passar de flesta inomhusuppsättningar, oavsett om du använder det vid ett skrivbord, i ett labb eller i ett produktionsutrymme.
Du kan montera detta chip direkt på ditt bräde utan att borra hål.Det är gjord för ytmontering, vilket hjälper till att spara utrymme och håller din design enkel.
| Produktattribut | Attributvärde |
| Tillverkare | Intel |
| Spänningsförsörjning - intern | 4.75V ~ 5.25V |
| Leverantörspaket | 160-PQFP (28x28) |
| Serie | Max® 7000 |
| Programmerbar typ | EE PLD |
| Förpackning / fodral | 160-bqfp |
| Paket | Bricka |
| Driftstemperatur | 0 ° C ~ 70 ° C (TA) |
| Antal makroceller | 160 |
| Antal logikelement/block | 10 |
| Antal I/O | 104 |
| Antal grindar | 3200 |
| Monteringstyp | Ytfäste |
| Fördröjningstid TPD (1) Max | 10 ns |
| Basproduktnummer | EPM7160 |

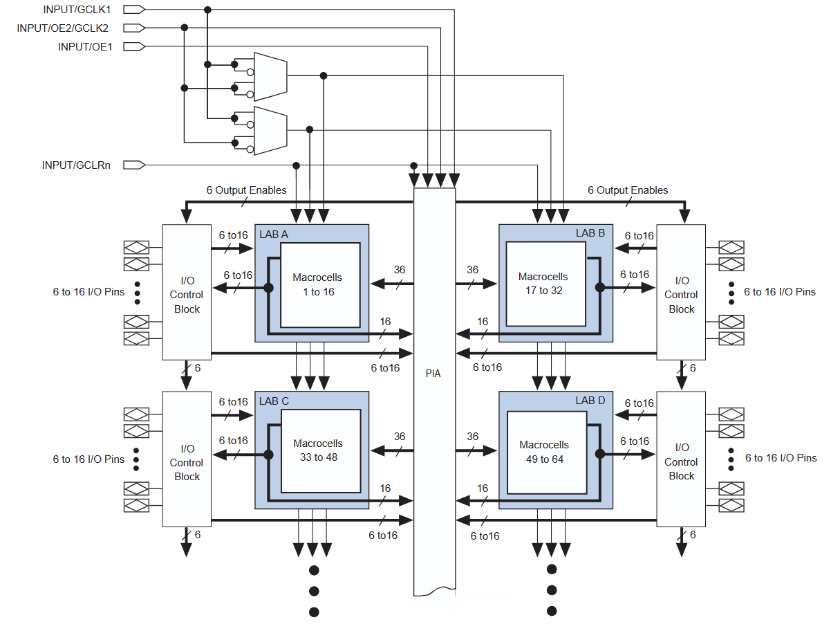
Detta diagram visar den inre strukturen för EPM7160EQC160-10.Den innehåller fyra logiska arrayblock märkta A till D, var och en innehåller 16 makroceller grupperade i uppsättningar som 1 till 16, 17 till 32, och så vidare.Dessa laboratorier är anslutna genom en central interconnect som kallas PIA, vilket möjliggör flexibel datarutning.Varje labb kommunicerar med närliggande I/O -kontrollblock, som hanterar 6 till 16 ingångs-/utgångsstift.Överst i diagrammet finns det flera ingångslinjer markerade som GCLK eller styrsignaler som matas in i global kontrolllogik.Denna logik riktar utgången möjliggör och ingångskontrollsignaler över alla block.

Detta diagram visar den interna layouten för en macrocell som används i Max 7000E och Max 7000S-enheter, inklusive EPM7160EQC160-10.Det börjar med att signaler kommer från den programmerbara interconnect -arrayen (PIA) och flyter genom en logikgrupp och expander produkttermer.Dessa termer väljs och bearbetas av en produkt-term Select Matrix, som sedan matar logikutgångar till en uppsättning grindar.Därifrån reser signalen till ett programmerbart register med alternativ för att kringgå eller möjliggöra snabb ingång.Makrocellen är också ansluten till globala tydliga och globala klocklinjer för tidskontroll.Utgångsalternativ inkluderar att skicka signalen till I/O -kontrollblocket eller dirigera det tillbaka till PIA.
Du kan använda EPM7160EQC160-10 i grundläggande kontrollsystem som finns i fabriker eller automatiseringsinställningar.Det hjälper till att hantera rutinmässiga operationer, som att byta, timing eller enkel logikkontroll, vilket gör det användbart för system som inte behöver alltför komplexa inställningar.
Detta chip passar bra i enheter som hanterar data eller signaler, som routrar eller telekomomkopplare.Det låter dig bygga anpassade logiska vägar för att hjälpa ditt system att prata med andra delar smidigt och förbli lyhörd.
Om du arbetar med prylar eller hemelektronik kan EPM7160EQC160-10 hjälpa till att leva dina idéer.Den hanterar kontrolllogik utan att behöva extra utrymme eller kraft, som fungerar bra i kompakt eller låg effektkonstruktioner.
I inbäddade system, där utrymme och enkelhet spelar roll, erbjuder detta chip precis rätt mängd flexibilitet.Du kan använda den för att köra små kontrolluppgifter eller för att hjälpa till att länka olika delar av ditt system tillsammans.
Om du underhåller äldre mönster som använde Max 7000-serien, låter EPM7160EQC160-10 dig fortsätta att fungera som det borde.Det är ett fast val när du behöver en direkt ersättning eller vill förlänga livslängden för en arvsinställning.
• Höghastighetslogik med 10 ns fördröjning
• Hög logisk densitet i en kompakt formfaktor
• Icke-flyktigt EEPROM-konfigurationsminne
• Stabil och förutsägbar prestanda
• Används allmänt för äldre produktstöd
• Begränsad till äldre 5V -logiksystem
• Inget stöd för modern lågspänning IO
• Produkten är livslängd, begränsad tillgänglighet
Intel är ett välkänt namn i teknikvärlden och erbjuder produkter som används i många vardagliga enheter.Under åren har det byggt ett starkt rykte för att göra pålitliga chips som hjälper till att driva ett brett utbud av system.Från Home Electronics till Business Tools är Intels delar utformade för att få saker att gå smidigt.Om du letar efter något som har testats och litar på olika branscher är Intel ett varumärke du kan räkna med.
EPM7160EQC160-10 är ett pålitligt val om du behöver ett programmerbart logikchip med bra prestanda och lättanvända funktioner.Det ger dig flexibilitet med 160 makroceller och 104 I/O -stift, allt i ett kompakt, omprogrammerbart format.Dess snabba responstid och kompatibilitet med vanliga system gör det till en praktisk roll för många projekt.Oavsett om du bygger något nytt eller uppdaterar en äldre installation, håller detta chip saker som går smidigt.Det passar bra i inbäddade system, kontrollenheter och till och med konsumentprodukter.Med långvarig stöd och solid design är det ett smart val för många logiska kontrollbehov.
Skicka en förfrågan, vi svarar omedelbart.
EPM7160EQC160-10 används vanligtvis i kontrollsystem, inbäddade applikationer och kommunikationsenheter där anpassad digital logik behövs.Det hjälper till att hantera signalflöde, kontrollfunktioner och inmatnings-/utgångsuppgifter utan att behöva en fullständig processor.Detta gör det användbart i fabriksautomation, konsumentelektronik och andra system som förlitar sig på programmerbar logik.
Ja, den använder EEPROM -teknik, så den kan omprogrammeras så många gånger som behövs.Detta gör att du kan uppdatera din logikdesign utan att ersätta chipet.Det är en fantastisk funktion när du fortfarande utvecklar ditt system eller behöver göra ändringar efter installationen.
EPM7160EQC160-10 fungerar inom ett matningsspänningsområde 4,75V till 5,25V.Detta är standard för många system och gör integrationen enkel.Du behöver inte speciella spänningsregulatorer eller justeringar om ditt system redan använder 5V -logik.
Detta chip ger 104 I/O -stift.Det ger dig mycket flexibilitet att ansluta den till olika enheter och kretsar.Du kan hantera datainmatningar, styrsignaler eller andra systemdelar med dessa stift utan att behöva externa expanders.
Medan EPM7160EQC160-10 betraktas som en äldre produkt och kanske inte är i full produktion, är den fortfarande tillgänglig genom olika distributörer.Du kan kontrollera med leverantörer för nuvarande lager, prissättning och ledtider, särskilt om du underhåller eller reparerar äldre system som är beroende av det.
på 2025/07/30
på 2025/07/29
på 8000/04/18 147758
på 2000/04/18 111950
på 1600/04/18 111349
på 0400/04/18 83722
på 1970/01/1 79508
på 1970/01/1 66920
på 1970/01/1 63077
på 1970/01/1 63012
på 1970/01/1 54081
på 1970/01/1 52146