De 2n6488 Transistor, som hålls inom ett TO-220 plastfodral, erkänns för sin pålitliga användning i kraftlinjära och lågfrekventa inställningar.Detta paket gynnas i branschen, sammanslagning av praktiska och effektivitet, lämpliga för olika situationer.Designen stöder effektiv värmeavledning, påverkar transistorernas hållbarhet och funktion.2N6488 trivs i kraftlinjära applikationer på grund av dess robusta bygg- och termiska kapacitet.Det säkerställer konsekvent ström- och spänningshantering för stabilitet i kretsar.Denna tillförlitlighet lyser i ljudförstärkare och reglerade strömförsörjning, där hantering av olika belastningar utan att förlora prestanda behövs.
I lågfrekvensuppgifterna visar 2N6488 imponerande anpassningsförmåga och prestanda.Dess förmåga att hantera signaler med minimal distorsion belyser dess styrka.Termisk utgångshantering är central när man arbetar med 2N6488.Att använda effektiva kylflänsar och termiska föreningar hjälper till att optimera värmeöverföringen.Dessa måste förhindra överhettning, vilket kan försämra funktionaliteten och minska komponentens livslängd.En ny vy inom fältet är att anpassa traditionella komponenter som 2N6488 för innovativa användningar.När tekniken går framåt är det att integrera dessa i hybrid, energieffektiva system.Denna metod utnyttjar 2N6488: s etablerade tillförlitlighet samtidigt som modern behov till hållbarhet och energieffektivitet.
• 2n60
• 2n600
• 2n6000
• 2N6001
• 2N6002
• 2N6491




Transistoren 2N6488 har en anmärkningsvärd likströmsförstärkning tillsammans med imponerande bandbredd.Dessa egenskaper höjer dess effektivitet i scenarier som kräver ljudförstärkning med hög trohet och smidig växlingsoperationer.Många glädjer ofta med att utnyttja dessa attribut för att minimera signalförvrängning i komplexa system, vilket säkerställer tydlighet och precision.
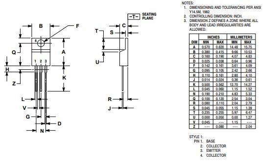
Innesluten i ett strömlinjeformat till-220-paketet, främjar 2N6488 termisk effektivitet och enkel installation.Dess struktur underlättar skickligt värmeavledning för att avvärja överhettning i högeffekt.Många föredrar detta paket för sin skickliga hantering av värme och kompakt form.
2N6488 överensstämmer med ROHS-standarderna, vilket belyser en design som hänsyn till miljöens välbefinnande genom att minimera skadliga ämnen.Med en växande betydelse för modern produktinnovation kompletterar denna anpassning globala ekologiska mål.
2N6488, som erbjuder en spänning med kollektoremitterande, står motståndskraftig i högspänningsinställningar.Denna karakteristik tjänar uppskattning när pålitlig prestanda under tryck är absolut nödvändig.Branschen väljer ofta sådana komponenter för deras kapacitet att uthärda betydande spänningsvariationer.
Transistoren 2N6488 sticker ut i ljudsystem där den spelar en roll i kraftförstärkning.Det ger anmärkningsvärd prestanda när du kör högtalare och ljudkomponenter genom att effektivt hantera ström- och spänningsnivåer.Detta säkerställer en ljudutgång som är både tydlig och fri från distorsion.Ljud gynnar ofta transistorer som 2N6488 för Crafting Class AB -förstärkarkretsar.De uppskattar dess förmåga att leverera konsekvent termisk stabilitet och spridas effektivt värme, vilket förbättrar ljudkvaliteten.
Att visa robusthet i lågfrekventa växlingsuppgifter, 2N6488: s mångsidighet blir uppenbar.Det används ofta i kretsar som kräver exakt kontroll, till exempel i motordrivare och andra elektromekaniska system.Många att välja transistorer som 2N6488 kan uppnå en stabil prestanda i miljöer där långsiktig tillförlitlighet är en primär övervägande.
|
Typ |
Parameter |
|
Livscykelstatus |
Föråldrad (senast uppdaterad: för 3 dagar sedan) |
|
Förpackning / fodral |
TO-220AB |
|
Leverantörspaket |
TO-220AB |
|
Current-Collector (IC) (MAX) |
15a |
|
Driftstemperatur |
-65 ° C till 150 ° C TJ |
|
Publicerad |
2007 |
|
Fuktkänslighetsnivå (MSL) |
1 (obegränsad) |
|
Min driftstemperatur |
-65 ° C |
|
Max Power Dispipation |
1.8W |
|
Basdelnummer |
2n6488 |
|
Elementkonfiguration |
Enda |
|
Få bandbreddprodukt |
5MHz |
|
Collector Emitter Spoltage (VCEO) |
3.5V |
|
DC Current Gain (HFE) (min) @ IC, VCE |
20 @ 5A 4V |
|
Vce mättnad (max) @ ib, ic |
3.5V @ 5A, 15A |
|
Frekvens - övergång |
5MHz |
|
Emitter basspänning (VEBO) |
5V |
|
Blyfri |
Innehåller bly |
|
Monteringstyp |
Genom hålet |
|
Antal stift |
3 |
|
Spänning i samlaremitterande |
80v |
|
hfe/min |
20 |
|
Förpackning |
Rör |
|
Delstatus |
Föråldrad |
|
Max driftstemperatur |
150 ° C |
|
Spännings - klassad DC |
80v |
|
Aktuellt betyg |
15a |
|
Polaritet |
Npn |
|
Power - Max |
1.8W |
|
Transistortyp |
Npn |
|
Max Collector Current |
15a |
|
Aktuell - Collector Cutoff (Max) |
1 mA |
|
Spänning - Collector Emitter Breakdown (MAX) |
80v |
|
Collector Base Voltage (VCBO) |
90V |
|
ROHS -status |
Icke-ROHS-kompatibel |
|
Del
Antal |
Tillverkare |
Paket |
Polaritet |
Uppdelning av samlare emitter
Spänning |
Spänning - samlaremitter
Uppdelning (max) |
Max Collector Current |
Frekvensövergång |
Samlare emittermättnad
Spänning |
hfe min |
|
2n6488 |
På halvledare |
TO-220-3 |
Npn |
80 V |
80v |
15 a |
5MHz |
3,5 v |
20 |
|
BD243B |
På halvledare |
TO-220-3 |
Npn |
80 V |
80v |
3 a |
3MHz |
1,2 v |
25 |
|
Tip31b |
På halvledare |
TO-220-3 |
Npn |
80 V |
80v |
6 a |
- |
1,5 v |
15 |
|
BDW42 |
På halvledare |
TO-220-3 |
Npn |
100 v |
- |
15 a |
4MHz |
- |
- |

På halvledare levererar lösningar som är både innovativa och medvetna om energianvändning och snider ut en ledande position inom elektronik.Dess omfattande räckvidd över hela världen stöder olika applikationer inklusive bil-, industri- och konsumentelektronik.Detta stora inflytande håller företaget i rodret för tekniska framsteg.När vi ser framåt är det spännande att fundera över hur på halvledare kan balansera pågående innovation med hållbarhet.Detta samspel av snabb teknisk tillväxt och miljömässig förvaltning utgör både hinder och nya vägar.Företagets förmåga att prognosera och anpassa sig till framtida branschtrender kommer att forma sin långsiktiga framgång.
Flera enheter 19/juni/2009.pdf
TIP31 (A, B, C), TIP32 (A, B, C) .pdf
Skicka en förfrågan, vi svarar omedelbart.
på 2024/10/29
på 2024/10/29
på 8000/04/18 147757
på 2000/04/18 111936
på 1600/04/18 111349
på 0400/04/18 83721
på 1970/01/1 79508
på 1970/01/1 66913
på 1970/01/1 63048
på 1970/01/1 63012
på 1970/01/1 54081
på 1970/01/1 52129