
En spärr är en typ av krets i digitala system som lagrar en bit information utan att behöva en klocksignal, till skillnad från andra kretsar.Det håller en datasatsstabil baserad på insignaler, vilket gör det till en huvuddel av digitalt minne.När flera spärrar arbetar tillsammans kan de hålla fler bitar som i en "4-bitars spärr" eller "8-bitars spärr", som lagrar fyra respektive åtta bitar.Spärrar är användbara i applikationer som att förhindra fel orsakade av studsning av mekaniska switchar och byggstenar för mer komplexa minnessystem.Det finns flera typer av spärrar, som SR -spärrar som ställer in och återställer utgångar med två ingångar, och D -spärrar som innehåller data med hjälp av en styrsignal.Att välja rätt spärre beror på vad du behöver för att göra och var den kommer att användas.
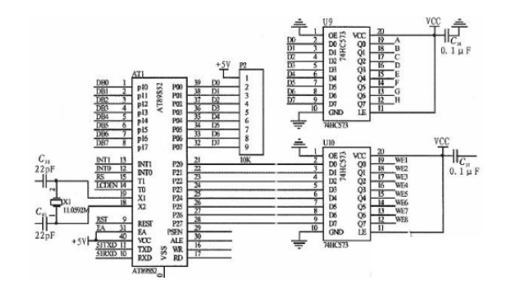
De 74HC573 är en högpresterande CMOS-enhet som innehåller åtta spärrar av D-typ, var och en med sina egna ingångar och tre-tillståndsutgångar.Du kan styra dessa spärrar med hjälp av spärr Aktivera (LE) och utgångsaktivering (OE) terminaler, vilket ger dig flexibilitet i olika operationer.Den här enheten används ofta vid datoranvändning för datalagring och bearbetning, i kommunikation för att möjliggöra informationsutbyte och i industriella kontrollsystem.När du använder 74HC573, tänk och överväg hur varje spärr påverkar hela systemet.I datoranvändning måste du till exempel balansera bearbetningshastigheten med lagringstillförlitlighet.Inom kommunikation ligger fokus på sömlös datautbyte som båda stöds av 74HC573: s arkitektur.I industriella miljöer säkerställer dess precision pålitlig prestanda under olika förhållanden.
CD4099: CD4099 är ett bra alternativ med unika funktioner.Även om det kan se liknande ut på ytan men testar visar skillnader i kraftanvändning och responstid.
SN74AHCT573DWR: SN74AHCT573DWR är ett annat lämpligt alternativ, känt för sin höghastighetsdrift och idealisk för tidskänsliga uppgifter.Att jämföra denna del med originalet kan hjälpa till att förbättra eller justera mönster, balansera hastighet, kraftanvändning och värmehantering.

• OE (utgångsaktivering)
Denna stift styr huruvida utgångsstiften (q) är aktiva.När den är på kan data strömma ut genom Q -stiften.Detta är användbart när flera enheter delar samma datalinje, vilket hjälper till att hantera dataflödet.
• le (spärr aktivera)
LE -stiftet styr när data från ingångsstiften (D) lagras i spärren.När den aktiveras låses den i data och håller utgången stabil tills stiftet är aktiverat igen.Detta hjälper till att stabilisera data i snabba digitala system.
• D0 ~ D7 (datainmatningsstift)
Dessa stift är där binära data kommer in i spärren och användningen för korrekt datatid i komplexa kretsar.
• Q0 ~ Q7 (Datautgångstift)
Dessa stift matar ut de spärrade data.De säkerställer att data släpps i tid som i mikroprocessorer.
• GND (markterminal)
Denna stift ansluts till marken och ger en referensspänning som håller kretsen stabil.
• VCC (leveransspänning)
Denna stift ger den kraft som behövs för att spärren ska fungera.Spänningen måste matcha enhetens krav för att den ska fungera korrekt.
74HC573-spärren består av totalt åtta 3-tråds stift, uppdelade i två distinkta 4-bitars portar.Varje port har sin egen uppsättning ingångs- och utgångsstift, vilket möjliggör effektiv hantering av 8-bitarsdata.En huvudfunktion är dess dubbelriktade ingångsport som främjar mångsidig och dynamisk datahantering.Dessutom lagrar ett internt åtta-bitars minne effektivt en komplett 8-bitars binär sekvens.
74HC573 är bra för att snabbt hantera data.Det fungerar bra med olika logiknivåer orsakar till dess TTL-kompatibla ingångar.Denna spärr kan hantera pulser upp till 25 MHz, effektiva för höghastighetsuppgifter som prestationstunga applikationer.Dess starka körkapacitet säkerställer tillförlitlig dataöverföring.
74HC573 är utmärkt för snabb datakonvertering.Det hanterar snabbt signaler, så du får uppdateringar utan fördröjning.Det har inbyggt skydd mot elektriska överspänningar, vilket innebär att det är mer pålitligt och varar längre i viktiga applikationer.
74HC573-spärren använder åtta transparenta spärrar av D-typ för att kontrollera dataflödet.Så här fungerar det:
• När det är aktiverat (g hög): Utgången (q) matchar direkt ingången (d) direkt.
• När inaktiverad (g låg): spärren håller fast vid det sista ingångsvärdet, "låsar" det på plats.
Denna spärr kan hålla data även när aktiveringssignalen ändras, viktigt för att hålla data stabila.Det fungerar självständigt, så det kan fånga nya data medan du fortfarande håller fast vid gamla data.Om du är ny på detta, tänk på varje spärr som en liten minnesenhet som antingen kan skicka data igenom omedelbart eller hålla fast vid den, beroende på en styrsignal som kallas aktiveringsinmatningen, märkt "G."När aktiveringssignalen är hög (g hög) är spärren "transparent", vilket innebär att det tillåter vad data som finns vid ingången (d) att passera direkt till utgången (q) utan dröjsmål som en öppen grind.Men när aktiveringssignalen är låg (g låg) stängs grinden och spärren slutar att skicka nya data.Istället låses den fast vid och håller den sista delen av data som var vid ingången innan grinden stängde, vilket bibehåller den utgången tills aktiveringssignalen går högt igen.Även om ingångsdata ändras förblir utgången stabil så länge aktiveringssignalen är låg, vilket säkerställer dataintegritet och gör att systemet kan bearbeta eller lagra information pålitligt.
Se först till att du ansluter ingångsstiften (D0-D7) till utgångsstiften för din CPU eller styrenhet säkert.Dessa anslutningar är behov av dataflöde, så använd korta kablar av hög kvalitet för att förhindra signalförlust.Anslut sedan utgångsstiften (Q0-Q7) till din sekundära enhet.Data förblir stabila tills du aktiverar utgången Enable (OE) -stiftet och låter dig överföra data exakt när du behöver dem.
CPU tar ansvar genom att skriva data till ingången (D0-D7), sedan manipulera utgången Enable (OE) och spärr aktivera (LE) -stift för att styra dataflödet.Detta säkerställer exakt spärr och snabb överföring.OE -stiftet styr huruvida de spärrade data är synliga på utgångsstiften;När den är låg är data närvarande på Q0-Q7, men när de är höga kommer utgångarna in i ett högtimpedansstillstånd, vilket effektivt isolerar spärren.Å andra sidan bestämmer LE-stiftet när ingångsdata är spärr: När de är höga, är ingångsdata kontinuerligt spärr, vilket återspeglar tillståndet för D0-D7, medan när de är låg, har spärren den sista ingångsdata,ger en stabil utgång.
För avancerade datauppgifter som involverar flera kringutrustning kan flera 74HC573 -chips kaskasas.Exakt tidpunkt för varje chips aktivering och styrsignaler krävs för att undvika konflikter och säkerställa sömlös datautbyte.Effektiv planering av kontrollsignaler upprätthåller signalintegritet över de kaskade chips.
Motstånd och kondensatorer filtrerar bort brus, stabiliserar strömförsörjningsledningar och minimerar signalreflektioner som kan störa dataflödet.Den nära placeringen av 74HC573 -spärren till CPU och perifera minimerar signalfördröjning och störningar, vilket förbättrar både transmissionshastighet och tillförlitlighet.Användningen av markplan och skärmade spår i PCB -designen ytterligare stärker signalintegritet, vilket säkerställer smidig och effektiv datahantering.
Innan du omfattar nya data, rensa de aktuella uppgifterna i 74HC573 -spärren.Implementera en återställningsrutin under initialiseringsfasen för att upprätthålla datanoggrannheten.Genom noggrant hantering, exakt konfiguration och stor uppmärksamhet på signalkvalitet och layout kan man uppnå toppprestanda vid dataöverföring och lagringsuppgifter.

74HC245 är en populär 8-bitars sändtagare med tre-tillståndsutgångar, designad för asynkron kommunikation.Det används ofta för att hantera dubbelriktad dataflöde mellan två bussar.Enheten har riktningskontroll, vilket gör att data kan röra sig i båda riktningarna flexibelt.74HC573, å andra sidan, är en Octal D-typ transparent spärr med tre-tillståndsutgångar.Det används för tillfällig datalagring och innehav av information tills det behövs.Latchfunktionen ger ett jämnt flöde av data när man hanterar asynkrona signaler.
74HC245 utmärker sig vid hantering av dataöverföringar effektivt mellan bussar genom att tillhandahålla riktningskontroll.Medan 74HC573 erbjuder ett stabilt sätt att spärra data, håller det tills systemet kräver att det är användning.Det distinkta fokuset på datalagring gör 74HC573 lämplig för applikationer där datakontinuitet är en prioritering.74HC245, med sina dubbelriktade funktioner, introducerar en dynamisk datahanteringsmetod.Till skillnad från 74HC573, som ger hållbarhet i att upprätthålla dataintegritet under bearbetningen, lutar 74HC245 mot flexibilitet i operativ dynamik.
När du ersätter 74HC573 med 74HC245 i kretskonstruktioner är det viktigt att notera deras skillnader.74HC245: s dubbelriktade datakontroll kan täcka vissa funktioner i 74HC573.Eftersom 74HC245 saknar en spärrfunktion kan den emellertid inte hålla data stabila på egen hand utan extra komponenter.Detta innebär att ersättning av 74HC573 med 74HC245 kan påverka kretsens förmåga att konsekvent behålla data.Å andra sidan, om fokus ligger på snabba datautbyten och smidig kommunikation mellan bussar, kan 74HC245 vara ett bättre val, vilket förbättrar systemets lyhördhet.
74HC573 är en 8-bitars D-typ transparent spärr med 3-tillståndsutgångar, med spärr Aktivera (LE) och utgångsaktivering (OE) ingångar.När LE är hög, kommer data vid ingångar in i spärrarna.Det spelar en viktig roll i scenarier som kräver lagring och iscensättning av datatatadata, vilket säkerställer reglerad och effektiv databussaktivitet.Denna komponent används vanligtvis i mikrokontrollersystem för buffringsdata och adressbussar.
74HC573 är en Octal D-typ transparent spärr, aktiverad av en hög LE-utgång.74HC574, å andra sidan, är en Octal D-typ flip-flop, aktiverad av den positiva kanten av dess LE-utgång.74HC573 tillåter data i realtid medan LE är hög, vilket underlättar informationsflödet efter behov.74HC574 fångar och håller data vid LE-övergången, vilket säkerställer stabil datamängden efter klockcykeln.Denna funktion är fördelaktig i synkroniserade dataöverföringsapplikationer.
Det typiska strömförsörjningsspänningsområdet för 74HC573 sträcker sig från 2,0V till 6,0V.Denna variation ger betydande flexibilitet, vilket gör det möjligt att integreras i 74HC573 i olika system med minimalt behov av justeringar av strömförsörjning.Sådan anpassningsförmåga visar sig vara fördelaktig när det gäller att optimera effekteffektiviteten mellan olika kretskonstruktioner, vilket gör det till ett föredraget val för kraftkänsliga applikationer.
74HC573 fungerar som en oktal transparent spärr med 3-tillståndsutgångar, som kan lagra och mata ut åtta bitar av data i digitala elektroniska kretsar.Dess roll som en mellanhanddatainnehavare är utmärkt när det gäller att hantera dataflödet mellan olika komponenter.Denna funktionalitet används i stor utsträckning i applikationer som kräver exakt kontroll över datatillgänglighet och fördröjningshantering.Spärrarna hjälper till att säkerställa datanoggrannhet och systemstabilitet.
Skicka en förfrågan, vi svarar omedelbart.
på 2024/09/24
på 2024/09/24
på 8000/04/18 147774
på 2000/04/18 112017
på 1600/04/18 111351
på 0400/04/18 83771
på 1970/01/1 79568
på 1970/01/1 66961
på 1970/01/1 63102
på 1970/01/1 63041
på 1970/01/1 54097
på 1970/01/1 52185