
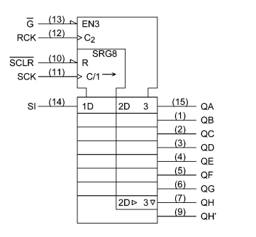
De 74HC595D är ett 8-bitars skiftregister/spärr som planeras noggrant med avancerad kiselport C2MOS-teknik.Denna sofistikerade design säkerställer att den fungerar med hastigheter som är liknande LSTTL -kretsar, och kombinerar effekteffektivitet som är typisk för CMOS -teknik.Dess kärnkomponenter inkluderar ett 8-bitars statiskt skiftregister och ett 8-bitars lagringsregister.När SCK -ingången genomgår en positiv övergång skiftar data smidigt genom registret.Vid en positiv övergång vid RCK -ingången överför denna data sömlöst till lagringsregistret.
Ett anmärkningsvärt drag i 74HC595D är uppdelningen av RCK- och SCK -signalerna, som signifikant stabiliserar och upprätthåller parallella utgångar under hela växlingsprocessen.Detta är särskilt fördelaktigt i sammanhang som behöver minimal datakorruption och hög utgångsintegritet.Enheten har 3-tillståndsparallella utgångar som möjliggör enkla anslutningar till en 8-bitars buss, vilket förbättrar dess användbarhet i olika serier-till-parallella konverteringsuppgifter.
Du kan ofta vända dig till 74HC595D för en mängd praktiska tillämpningar, mestadels i seriell till parallell konvertering och datamottagning.Konstruktionen innehåller skyddsmekanismer mot statisk urladdning och övergående spänningsspikar.Detta säkerställer pålitlig prestanda i olika miljöer.Vid kretsdesign och implementering beröms 74HC595D för sin effektivitet och robusthet, egenskaper som är eftertraktade för att minska strömförbrukningen samtidigt som höghastighetsdatabearbetningsfunktioner bibehålls.Denna aspekt är alltmer relevant inom modern elektronik där både energibesparingar och prestanda är mycket värderade.




|
Särdrag |
Beskrivning |
|
Höghastighet |
fmax = 55 MHz (typ.) Vid VCC = 5 V |
|
Låg effektavbrott |
ICC = 4,0 µA (max) vid TA = 25 ° C |
|
Balanserade förseningar |
TPLH ≈ TPHL |
|
Brett driftsspänningsområde |
VCC (OPR) = 2,0 V till 6,0 V |
|
Typ |
Parameter |
|
Fabriksledning |
12 veckor |
|
Monteringstyp |
Ytfäste |
|
Förpackning / fodral |
16-SOIC (0,154, 3,90 mm bredd) |
|
Antal element |
1 |
|
Driftstemperatur |
-40 ° C ~ 125 ° C |
|
Förpackning |
Cut Tape (CT) |
|
Serie |
74HC |
|
Delstatus |
Aktiv |
|
Fuktkänslighetsnivå (MSL) |
1 (obegränsad) |
|
Spänning - försörjning |
2V ~ 6V |
|
Fungera |
Serie till parallell |
|
Utgångstyp |
Tri-state |
|
Logisk typ |
Skiftregister |
|
Antal bitar per element |
8 |
|
ROHS -status |
ROHS -kompatibel |


|
Del |
Jämföra |
Tillverkare |
Kategori |
Beskrivning |
|
74HC595D |
Aktuell |
Nxp |
Skiftregister |
NXP 74HC595D Shift Register, HC Family, 74HC595, Serial
till parallell, serie till serie, 1Element, 8bit, Soic |
|
74HC595D, 118 |
74HC595D vs 74HC595D, 118 |
Nxp |
Skiftregister |
NXP 74HC595D, 118 skiftregister, HC -familj, 74HC595,
Seriell till parallell, serie till serie, 8element, 8bit, SOIC |
|
74HC595D-Q100,118
|
74HC595D vs 74HC595D-Q100,118 |
Nxp |
Skiftregister |
Ic shift register 8bit 16soic |
|
SN74HC595N |
74HC595D vs SN74HC595N |
Ti |
Skiftregister |
Skiftregister, HC -familj, 74HC595, serie till parallell,
1Element, 8bit, Dip, 16Pins |
74HC595D är idealiskt lämpad för att kontrollera LED -kort, särskilt när de har till uppgift att hantera ett stort antal lysdioder med en mikrokontroller.Detta skiftregister effektiviserar processen för multiplexering och minskar således avsevärt I/O -PIN -räkningen som krävs på mikrokontrollern.Till exempel, i komplexa visningssystem som resultattavlor eller dynamiska informationsbrädor, kan integrering av 74HC595D förenkla den övergripande kretsdesignen, vilket gör det mer effektivt och hanterbart.
74HC595D gränssnitt effektivt med LCD -skärmar genom att leverera de grundläggande databitarna och etablera en sömlös kommunikationskanal mellan mikrokontrollern och displayen.Den här funktionen tillåter jämnare uppdateringar av visningsinnehållet.Det är mest fördelaktigt i kontrollpaneler av industrimaskiner och konsumentelektronik, där tydlig och snabb informationsdisplay är aktiv.Denna integration uppmuntrar mer kompakta och kostnadseffektiva mönster.
74HC595D kan styra 5V-laster, såsom reläer, genom en 3,3V mikrokontroller, på grund av dess 3,15V högnivåspänningsförmåga.Detta attribut är huvudsakligen användbart i miljöer som kräver tillförlitliga växlingsmekanismer inom begränsade kraftsystem.Praktiska tillämpningar inkluderar hemautomationssystem och robotik, där hantering av högre spänningskomponenter från en lägre spänningslogikkrets är användbar för smidig och effektiva operationer.Att integrera 74HC595D säkerställer jämnare övergångar mellan olika spänningsdomäner och därmed bibehåller hela systemets integritet.
En anmärkningsvärd styrka hos 74HC595D är dess roll för att öka tillförlitligheten och skalbarheten för elektroniska kretsar.Erfarenheten visar att skiftregister som 74HC595D hjälper till att upprätthålla signalintegritet över längre avstånd, ett gemensamt krav i storskaliga LED-installationer som arkitektoniska belysningssystem eller omfattande offentliga informationsskärmar.De förenklar också designarkitekturen, vilket gör det enklare att utöka antalet kontrollerbara utgångar med minimala hårdvaruförändringar, vilket säkerställer att systemet förblir anpassningsbart till framtida behov.
Integrering av 74HC595D i kretskonstruktioner förbättrar den totala designeffektiviteten och krafthanteringen.Dess förmåga att centralisera kontroll underlättar organiserad kraftfördelning, vilket är avgörande i batteridrivna enheter där energibesparing är en prioritering.Denna fördel är i linje med samtida designfilosofier som betonar minimal kraftförbrukning samtidigt som man maximerar prestanda, som ses i bärbar teknik och bärbara medicinska apparater.
74HC595D används ofta i scenarier där data måste övergå från ett serieformat till ett parallellt format.Denna kapacitet är allvarlig i olika digitala applikationer som kräver effektiv datahantering och bearbetning.Mikrokontrollbaserade system står ofta inför utmaningen med begränsade GPIO-stift.Genom att utnyttja 74HC595D kan dessa system effektivt kontrollera ett större antal utgångar med färre ingångsstift, vilket optimerar de tillgängliga resurserna.
I praktiska applikationer kan du ofta använda denna IC för att driva LED -matriser eller hantera flera enheter, till exempel reläer eller visningssegment.Att skicka data seriellt och sedan utvidga dem till parallella utgångar förenklar ledningar och minskar det stiftantal som behövs för komplexa operationer.Användningen av 74HC595D har visats genom erfarenhet för att effektivisera hårdvarutesign, vilket resulterar i mer kompakta och effektiva kretskort.
En annan enastående tillämpning av 74HC595D är dess roll i Remote Control Holding -register, vilket mestadels är fördelaktigt i programmerbara logikkontroller (PLC) och andra industriella automatiseringssystem.Den här enheten kan lagra kontrollsignaler, även när de inte aktivt överförs.Du kan ofta upptäcka att att använda 74HC595D med fjärrkontrollsystem förbättrar tillförlitligheten och minskar frekvensen av manuella interventioner.Dessutom fungerar innehavsregistren som mellanbuffertar, vilket förbättrar dataintegritet över långdistanskommunikation.Att minska behovet av kontinuerlig dataöverföring leder indirekt till lägre strömförbrukning och ökar den totala systemeffektiviteten.

Toshiba Semiconductor & Storage presenterar en mängd olika teknologilösningar som ger ut originalutrustningstillverkare (OEM), originaldesigntillverkare (ODM), kontraktstillverkare (CMS) och fablmesse chipföretag.Dessa lösningar främjar utvecklingen av sofistikerade integrerade produkter på flera marknader, inklusive dator, nätverk, kommunikation, digital konsumentelektronik och bilapplikationer.
Toshibas behärskning av halvledare och lagringsteknik är tydlig i dess olika bidrag.Vid datoranvändning uppfyller deras mikroprocessorer och minneslösningar det växande behovet av mer potent och effektiva datorfunktioner.Inom nätverk och kommunikation säkerställer Toshibas komponenter pålitlig och höghastighetsdataöverföring, som används för modern infrastrukturs farliga applikationer.Den digitala konsumentmarknaden blomstrar med Toshibas innovationer och förbättrar dina erfarenheter genom överlägsen enhetens prestanda och energieffektivitet.Inom bilindustrin driver Toshibas halvledare övergången mot mer intelligenta och energieffektiva fordon.Deras teknik banar vägen för framsteg i elfordon (EVS), autonoma körsystem och underhållning i bilen.Praktiska erfarenheter visar att anställning av Toshibas optimerade krafthantering ICS och sensorer avsevärt utvidgar EV -intervallet och tillförlitligheten, vilket gör dem mer tilltalande för konsumenter och tillverkare.
Toshibas påverkan är särskilt djupgående i nätverk och kommunikation.Deras höghastighets- och låg-latenskomponenter är användbara för att skapa nästa gennätverk, mestadels i enheten mot 5G-teknik.De levererar också begagnade komponenter som säkerställer sömlös anslutning och hög dataöverföring.Branschåterkoppling betonar att integrering av Toshibas lösningar markant förbättrar nätverkseffektiviteten och tillförlitligheten och stöder olika applikationer från förbättrade mobila bredband till Internet of Things (IoT) -enheter.
Cylindriska batterilhållare.pdf
74HC595D är en integrerad krets som kombinerar ett 8-stegs seriellt skiftregister med ett lagringsregister och Tri-State-utgångar.Den använder separata klockor för skift- och lagringsregister, med data som övergår på den positiva kanten på Shift Register Clock Input (SHCP).Displayen av data från lagringsregistret inträffar när utgången Aktivera ingång (OE) är låg.
74HC595D fungerar med hjälp av ett seriellt-in-parallellt (SIPO) -protokoll.Mikrokontrollern skickar data seriellt till skiftregistret, därefter matas ut genom parallella stift.Varje chip tillhandahåller åtta ytterligare utgångsstift, vilket möjliggör utökad I/O -kapacitet när de används tillsammans.Flera 74HC595D-chips kan ansluta i en Daisy-Chain-konfiguration, vilket avsevärt ökar potentiella utgångsstift.Denna anpassningsförmåga är huvudsakligen fördelaktig i projekt som kräver många utgångssignaler, till exempel att driva flera lysdioder eller hantera komplexa digitala skärmar.Att förstå synkroniseringen mellan seriell datainmatning och klocksignaler är lämplig för tillförlitlig prestanda.I många inbäddade system säkerställer exakt tidpunkt dataintegritet under skift.
Den primära skillnaden ligger i varumärkes- och förpackningsdetaljer.74HC595D: s 'D' -suffix indikerar en specifik förpackning (liten dispositionsintegrerad krets - SOIC) eller driftstemperaturområde, lämpad för särskilda tillverkning eller miljöförhållanden.Medan 74HC595 fungerar som det generiska namnet, betecknar tillverkare som Texas Instruments deras version med "SN" -prefixet.Att välja lämplig förpackning, till exempel 74HC595D, kan förbättra systemets prestanda och livslängd, särskilt med tanke på designbegränsningar som utrymme eller driftsmiljö.Detta beslut utnyttjar ofta din erfarenhet och balanserar tekniska specifikationer med praktiska byggscenarier för de mest effektiva resultaten.
Skicka en förfrågan, vi svarar omedelbart.
på 2024/10/17
på 2024/10/17
på 8000/04/18 147757
på 2000/04/18 111937
på 1600/04/18 111349
på 0400/04/18 83721
på 1970/01/1 79508
på 1970/01/1 66913
på 1970/01/1 63051
på 1970/01/1 63012
på 1970/01/1 54081
på 1970/01/1 52130