
De 74LS08 Integrerad krets omfattar fyra separata och grindar, var och en med två ingångar, utnyttjar Schottky -transistorer för att underlätta snabba logiska operationer.Många väljer ofta 74LS08 för digitala system, där snabbt svar och effektivitet driver innovation.Dess design stöder logikfunktioner inom dator och kommunikation, vilket gör det möjligt att optimera prestanda över ett spektrum av kretskomplexiteter.Att integrera 74LS08 kräver nyanserad planering.Du måste se till att det passar väl med andra komponenter med tanke på element som signalintegritet och effekteffektivitet.Utmaningar belyser ofta dessa aspekter, med skicklig finjustering av sina tillvägagångssätt för att hantera dem effektivt.74LS08 berikar logikbearbetningen med sin hastighet och pålitliga funktionalitet.Dess tankeväckande integration kan lyfta kretsfunktioner, förkroppsligar i teknisk design.Insikter från relaterade modeller förbättrar ytterligare resultaten och visar sammankopplingen av dessa tekniker.
• 74LS73
• 74LS00
• 74LS02
• 74LS04
• 74LS138
• SN54LS08
• IC 7408
• Hef4081

|
Stiftnummer |
Beskrivning |
|
Och grind 1 |
|
|
1 |
A1-INPUT1 i GATE 1 |
|
2 |
B1-INPUT2 i GATE 1 |
|
3 |
Y1-utgång av GATE1 |
|
Och Gate 2 |
|
|
4 |
A2-INPUT1 av GATE 2 |
|
5 |
B2-INPUT2 i GATE 2 |
|
6 |
Y2-utgång av GATE2 |
|
Och Gate 3 |
|
|
9 |
A3-INPUT1 av GATE 3 |
|
10 |
B3-INPUT2 i GATE 3 |
|
8 |
Y3-utgång av GATE3 |
|
Och Gate 4 |
|
|
12 |
A4-INPUT1 av GATE 4 |
|
13 |
B4-INPUT2 i GATE 4 |
|
11 |
Y4-utgång av GATE4 |
|
Delade terminaler |
|
|
7 |
GND- Ansluten till marken |
|
14 |
VCC-anslutet till en positiv spänning för att ge kraft till
Alla fyra grindarna |


Tekniska specifikationer, attribut och parametrar för Signetics Corp 74LS08, inklusive delar med jämförbara specifikationer med 74LS08N.
|
Typ |
Parameter |
|
Ytfäste |
INGA |
|
HTS -kod |
8542.39.00.01 |
|
Terminalform |
Genomhål |
|
Leveransspänning |
5V |
|
Kvalifikationsstatus |
Inte kvalificerad |
|
Tillförselspänning-max (VSUP) |
5.25V |
|
Tillförselspänning-min (VSUP) |
4,75V |
|
Antal ingångar |
2 |
|
Förökningsfördröjning (TPD) |
20 ns |
|
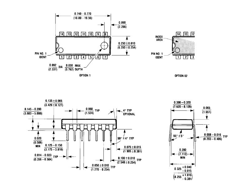
Antal terminaler |
14 |
|
Terminalposition |
DUBBEL |
|
Antal funktioner |
4 |
|
JESD-30-kod |
R-PDIP-T14 |
|
Driftstemperatur (max) |
70 ° C |
|
Temperaturgrad |
KOMMERSIELL |
|
Familj |
Ls |
|
Logik IC -typ |
Och grind |
74LS08 arbetar sömlöst på en 5V -utbud och drar minimal kraft.Denna egenskap förbättrar sin överklagande för batteridrivna mönster, där energibesparing är nyckeln till att förlänga enhetens livslängd.Dessutom hjälper de begränsade kraftdragningen att upprätthålla lägre temperaturer, fördelaktiga i kompakta kretsarrangemang.
Varje grind kan leverera upp till 8mA och tillräckligt driva olika TTL -logikkretsar.Denna nuvarande kapacitet säkerställer kompatibilitet med olika digitala komponenter.I systemdesign är det bra att hantera varje grind inom denna nuvarande tröskel för att undvika onödigt slitage och skydda IC: s hållbarhet.
Presenterar stigning och hösttider runt 18ns, 74LS08 -applikationer som behöver måttlig hastighet.Dessa tidpunkten har tillgodoser digitala projekt där snabba reaktionstider behövs utan att beskatta höghastighetsförmågan.Denna balans får uppskattning, eftersom den ger stabil funktionalitet utan att överbelasta andra delar.
IC är tillräckligt robust för att motstå lagringstemperaturer från -65 ° C till 150 ° C.Detta omfattande intervall betyder 74LS08: s motståndskraft under lagring och transitering i olika miljöer, vilket minskar risken för skador.Det gynnar tillverkare och distributörer som bedriver global logistik och underlättar lagringsutmaningar över olika klimat.
74LS08 befinner sig i hjärtat av digital kretsdesign, som ofta fungerar som en komponent i intrikata logiksystem.Dess konsekventa tillförlitlighet och hastighet gör den väl lämpad för applikationer som tidskretsar, flip-flops och olika logikportkonfigurationer.Denna pålitliga prestanda i praktiska scenarier förbättrar effektiviteten i kretsdesign och exekvering.
I servermiljöer spelar 74LS08 en roll i att styra dataflödet och hantera kontrollsignaler.Dess kunskaper i genomförande och logikoperationer underlättar sömlös bearbetning och kommunikation mellan komponenter, vilket belyser dess roll i att upprätthålla operativ integritet och systemmotståndskraft under tunga belastningar.
Inom minnesarkitekturer har 74LS08 i uppdrag att kontrollera åtkomst för att säkerställa datakonsistens.Dess robusta logikfunktioner hanterar läs-/skrivoperationer och bildar en stabil bas för minnesadressering och datavalidering.Dessa applikationer visar sin roll för att förbättra dataintegritet och systemeffektivitet.
I ALUS: s rike hjälper 74LS08 att utföra matematiska operationer och dataripulation.Med snabba växlingsfunktioner möjliggör det snabba logikoperationer, vilket bidrar till effektiv aritmetisk bearbetning.Dessa funktioner exemplifierar dess bidrag till att optimera beräkningsuppgifter och öka bearbetningshastigheten.
74LS08 används ofta för enkla och logiska uppgifter över olika elektroniska kretsar.Dess Schottky-design minimerar förseningar i växlingen, vilket gör den lämplig för höghastighetsapplikationer som kräver snabb logikbehandling.Denna mångsidighet visar sin anpassningsförmåga mellan olika elektroniska applikationer.
De omfattande tillämpningarna av 74LS08 IC belyser dess mångsidighet inom modern teknik.Genom att sömlöst integreras i olika system underlättar det effektiva och tillförlitliga operationer i flera sektorer.Dess bestående prestanda i olika miljöer återspeglar en djup förståelse av elektroniska designprinciper.

74LS08 IC spelar en roll i digitala logiksystem och utmärker sig vid utförning och operationer.Med en förmåga att driva flera grindar på en gång är det mycket värderat i inställningar där snabbt svar och pålitlighet resonerar djupt.Med hjälp av Schottky Transistor Technology lyser 74LS08 för att leverera snabb bearbetning, som är en kärna i moderna digitala kretsar.Schottky -transistorer ger en förbättring genom att minska fördröjningsfördröjningen.System som kräver snabba operationer trivs med denna design, eftersom det skickligt minskar latens som är typisk för traditionella logikgrindar.Detta snabba svar tilltalar applikationer som spänner över beräkningsuppgifter till databehandling.
74LS08 finner omfattande användning inom dator- och automatiseringssektorer.Det presenteras framträdande i dataruper och signalbehandlingsenheter, ett bevis på dess robusta karaktär.Många väljer denna IC när man skapar kretsar som trivs med stadig prestanda, vilket säkerställer effektivitet även när man hanterar krävande arbetsbelastningar.Den sömlösa integrationen av 74LS08 i intrikata kretsar belyser dess mångsidighet.Modulsystemen vinkar väsentligt när IC stöder expansion utan att dränera överdriven kraft.Denna anpassningsförmåga främjar innovativa kretslösningar, vilket gör att förändringar kan utforma specifikationer utan problem utan att behöva ersätta befintliga komponenter.
Ett väl genomtänkt tillvägagångssätt för att använda 74LS08 innebär att man factorerar i termiska hanteringsstrategier.Med tanke på värmeavledningen bunden till höghastighetsoperationer, införa lämpliga kylmekanismer för att upprätthålla långsiktig tillförlitlighet.Sådan framsyn i design förbättrar prestandan och förlänger systemets livslängd, anpassar till kretsvisdom.74LS08 och GATE skiljer sig i digital logikdesign med sin hastighet och anpassningsförmåga.Att ta tag i sin kapacitet förbättrar dess tillämpning, vilket gör det till ett föredraget val i många avancerade tekniska inställningar.

Grundades 1961 och började som Signetics, en trailblazer i den integrerade kretsrevolutionen, drivet av en oöverträffad strävan efter innovation.Denna djärva tillvägagångssätt utlöste deras förvärv av Philips och markerade en fas av dynamisk tillväxt.Integrering i Philips utvidgade sin tekniska räckvidd och förstärkte deras ställning som pionjärer i elektroniska framsteg, vilket gjorde att de kunde utforska nya horisonter.Företagets bidrag belyser den livliga utvecklingen av elektronikområdet.Deras innovativa framsteg har omfattande effekter i flera sektorer, vilket indikerar en framtid för teknik som är vävda med deras framsteg.Genom att främja en kultur med kontinuerlig förbättring anpassar de sig inte bara utan formar aktivt det föränderliga elektroniklandskapet.Detta varaktiga engagemang för framsteg fungerar som en katalysator för djupa branschförändringar.Omvandlingen från signetik till deras nuvarande form under NXP representerar en extraordinär odyssey av kreativitet och motståndskraft.
74LS08 fungerar som en digital och logisk grindprocessor och arbetar med två ingångstillstånd: hög (3-5V) och låg (0-2,6V).Det spelar en roll i att utföra logiska konjunktioner inom digitala kretsar och genomför smidigt logiska operationer i beräkningsuppgifter.Dess stadiga närvaro i digital elektronik visar en djupt sittande tillförlitlighet i situationer som kräver exakta logiska resultat.
Chipet har fyra 2-ingångar och grindar, drivna av en enda leverans, tillverkad för att hantera olika funktionaliteter.Denna struktur säkerställer sömlös anpassningsförmåga till olika kretsbehov, förenkla mönster och minska kraftanvändningen.Införandet av flera grindar i ett chip återspeglar en tankeväckande strategi för att effektivisera kretsskapande samtidigt som man undviker integrationshinder.
74LS00 -serien erbjuder förbättrad hastighet och förfinad effektivitet, även om den ger en lägre strömutgång jämfört med 7400 -serien.Denna skillnad spelar en roll i scenarier där kraftbevarande och prestandaförstärkning.De subtila men meningsfulla variationerna mellan dessa serier belyser de tankeväckande övervägandena för att välja lämpliga logikkomponenter för distinkta ändamål.
74LS08 använder TTL -logik med en stabil 5V -tillförsel, medan 74HC08 använder CMOS -teknik och rymmer ett spänningsområde på 2V till 6V.Denna skillnad i teknik tillgodoser en bredare utbud av applikationer och effektvillkor.Flexibiliteten i CMOS -tekniken i 74HC08 betonar dess användbarhet i situationer som kräver operationell mångsidighet utan att offra prestationseffektiviteten.
Skicka en förfrågan, vi svarar omedelbart.
på 2024/10/24
på 2024/10/24
på 8000/04/18 147757
på 2000/04/18 111934
på 1600/04/18 111349
på 0400/04/18 83719
på 1970/01/1 79508
på 1970/01/1 66898
på 1970/01/1 63010
på 1970/01/1 63007
på 1970/01/1 54081
på 1970/01/1 52118