

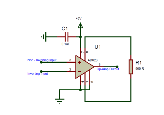
|
Stiftnummer |
Stiftnamn |
Beskrivning |
|
1 |
Förstärkning (-rg) |
Invertera förstärkningsterminal ansluten till motstånd för att ställa in förstärkning
värde |
|
2 |
Invertera ingång (in-) |
Den inverterande ingångsstiftet för op-amp |
|
3 |
Icke-inverterande ingång (i+) |
Förstärkarens icke-inverterande ingångsstift |
|
4 |
Power (-VS) |
Negativ försörjningsterminal |
|
5 |
Hänvisning |
Utgångsreferensingång.Normalt ansluten till vanliga |
|
6 |
Produktion |
Förstärkarutgångsstift |
|
7 |
Kraft (+vs) |
Positiv försörjningsterminal |
|
8 |
Förstärkning (+rg) |
Icke-inverterande förstärkningsterminal ansluten till motstånd till SET
vinstvärde |
|
Funktion/specifikation |
Information |
|
Typ |
Rail-to-Rail instrumenteringsförstärkare |
|
Leveransspänning |
Arbetar med enkel och dubbel matningsspänning |
|
Driftsström (max) |
550 µA |
|
Vinstområde |
1 till 1000 |
|
Bandbredd |
800 kHz |
|
Vinstinställning |
Ställ in förstärkning med bara ett motstånd |
|
Paketalternativ |
8-stifts PDIP, SOIC och VSSOP |
• Ina333
• LM4871
• AD620
• IC6283
• JRC4558
Ställa in AD623 är en relativt enkel process, främst involverar valet av ett motstånd för att definiera dess förstärkning.Denna enkelhet är en av de tilltalande aspekterna av AD623, vilket gör den till dig.En typisk konfiguration innebär att man ansluter IC till en enda +5V strömförsörjning medan du jordar stift 4. I scenarier som kräver dubbla tillförselkonfigurationer bör stift 4 ansluta till en negativ spänning och därmed utvidga intervallet för signalbehandlingsapplikationer.

Ingångssignalerna appliceras på den icke-inverterande (stift 2) och inverterande (stift 3) stift, medan referensstiftet (stift 5) ofta är jordad.Jordning Denna stift säkerställer att utgångsspänningen justerar korrekt när det inte finns någon skillnad mellan insignalerna, vilket minimerar potentiella fel vid signaltolkning.Denna praxis förkroppsligar en ultimat princip i kretsdesign: Att upprätthålla en stabil referenspunkt är dynamisk för exakta mätningar och pålitlig prestanda.
Justering av förstärkningen av AD623 uppnås genom att placera ett motstånd mellan stift 8 (RG) och stift 1. Till exempel med hjälp av ett 500-ohm-motstånd resulterar i en förstärkning på 100. Denna flexibilitet i förstärkning ger dig möjlighet att anpassa IC: s prestandaför att tillgodose specifika tillämpningsbehov.

Dessutom kan du beräkna förstärkning med ett tillhandahållet formel eller referensdiagram, tillmötesgående olika motståndsvärden.Sådan anpassningsförmåga visar sig mestadels fördelaktig i faktiska scenarier där signalnivåer kan variera avsevärt.
|
1% STD -tabellvärde på RG (ω) |
Beräknad förstärkning |
0,1% STD -tabellvärde på RG
(Ω) |
Beräknad förstärkning |
|
49,9 000 |
1.990 |
49,3K |
2.002 |
|
12,4K |
4.984 |
12,4K |
4.984 |
|
5.49K |
9.998 |
5.49K |
9.998 |
|
2,61K |
19.93 |
2,61K |
19.93 |
|
1,00 000 |
50.40 |
1,01K |
49.91 |
|
499 |
100 |
499 |
100,0 |
|
249 |
199.4 |
249 |
199.4 |
|
100 |
495 |
98.8 |
501.0 |
|
49.9 |
991 |
49.3 |
1,003 |
AD623 är exceptionellt väl lämpad för ett brett utbud av kraftkänsliga applikationer.Dess verktyg sträcker sig över kalibrering och testutrustning, medicinsk instrumentering med låg effekt, differentiella förstärkare, datainsamlingssystem och kontrollprocesssystem.Utformningen av AD623 betonar både effektivitet och precision, vilket gör det till ett gynnat alternativ i scenarier där dessa egenskaper påverkar prestandan betydligt.
Inom kalibrerings- och testmiljöer sticker AD623: s låga brusegenskaper och hög noggrannhet ut som allvarliga fördelar.Dessa funktioner möjliggör exakta mätningar som spelar en dynamisk roll för att bekräfta tillförlitligheten hos olika instrument.Under sensorkalibrering, till exempel, upprätthåller signalintegritet samtidigt som strömförbrukningen minimeras mer effektiva och hållbara testmetoder.Denna aspekt har särskild betydelse i laboratorier, där utrustning ofta används kontinuerligt, och energieffektivitet kan leda till betydande minskningar av driftskostnaderna.
Den medicinska sektorn söker i allt högre grad enheter som levererar exakta avläsningar samtidigt som de konsumerar minimal kraft.AD623 hanterar effektivt detta efterfrågan genom att tillhandahålla låg effektförbrukning utan att offra prestanda.I applikationer såsom bärbar diagnostisk utrustning och bärbara hälsoskärmar förbättrar förmågan att arbeta effektivt på begränsade kraftkällor patientens rörlighet och komfort.Dessutom kan integrationen av sådan teknik i rutinmässig hälsoövervakning avsevärt förbättra patientens resultat, eftersom konsekvent övervakning blir mer genomförbar och tillgänglig.
I scenarier som kräver mätning av små signaler mitt i brus spelar differentiella förstärkare en viktig roll.AD623 utmärker sig inom denna domän och erbjuder exceptionellt avstötning av vanligt läge och hög inmatningsimpedans.Dessa egenskaper säkerställer att förstärkaren exakt kan bearbeta signaler från olika källor, inklusive töjningsmätare och temperatursensorer, vanligtvis används i industriella och forskningssammanhang.Genom att integrera AD623 kan du utforma system som inte bara förbättrar tillförlitligheten utan också levererar exakta data i utmanande miljöer.
AD623 är grundläggande för datainsamlingssystem, vilket underlättar den exakta insamlingen och bearbetningen av analoga signaler.Dess effektiva drift vid låg effekt gör den mestadels lämplig för batteridrivna enheter, som allt vanligare i fjärrövervakningsapplikationer.Fusionen av sådana system med avancerad dataanalys kan ge mer informerade beslutsfattande, särskilt inom områden som miljöövervakning och smart jordbruk.De insikter som härrör från dessa system kan leda till innovationer och förbättringar i olika sektorer.
I kontrollprocesssystemen möjliggör egenskaperna hos AD623 lyhörd och korrekt processhantering.Denna kapacitet används särskilt i automatisering och industriella tillämpningar där nuvarande databehandling är dominerande.Förstärkarens låga effektförbrukning bidrar till den totala effektiviteten i styrsystemen, vilket möjliggör hållbar verksamhet.När branscherna fortsätter att anta automatisering kommer vikten av effektiva och exakta komponenter som AD623 att vara nyckeln till att driva framsteg och förbättra operativa kapaciteter.

Skicka en förfrågan, vi svarar omedelbart.
på 2024/12/26
på 2024/12/26
på 8000/04/18 147757
på 2000/04/18 111936
på 1600/04/18 111349
på 0400/04/18 83721
på 1970/01/1 79508
på 1970/01/1 66910
på 1970/01/1 63047
på 1970/01/1 63012
på 1970/01/1 54081
på 1970/01/1 52127