




De Atmega16u2 är en 8-bitars mikrokontroller känd för sin låga effektförbrukning och anpassningsförmåga på grund av AVR-förbättrad RISC-arkitektur.Denna design gör det möjligt att behandla komplexa instruktioner inom en enda klockcykel, vilket möjliggör imponerande prestanda som kan nå cirka 1 MIPS per MHz.Denna balans mellan effekteffektivitet och bearbetningshastighet underlättar olika applikationer, särskilt när minimering av energianvändning är en prioritering.
Genom att utforska arkitekturen vidare gör det möjligt för AVR: s kapacitet för exekvering av en cykelinstruktion att skriva mycket effektiv kod.Detta visar sig vara fördelaktigt i sammanhang som kräver snabb beslutsfattande, till exempel inbäddade bilsystem eller faktiska kontroller.Enkelheten i instruktionsuppsättningen ökar inte bara prestanda utan underlättar också programmeringsprocessen.Följaktligen kan du ofta uppleva en mer hanterbar inlärningskurva med ATMEGA16U2, som påskyndar tempo på innovation och skapande.
Här är tabellen som presenterar de tekniska specifikationerna, attributen och parametrarna för mikrochip -teknik Atmega16u2-au.
|
Typ |
Parameter |
|
Fabriksledning |
10 veckor |
|
Kontaktplätning |
Tenn |
|
Montera |
Ytfäste |
|
Monteringstyp |
Ytfäste |
|
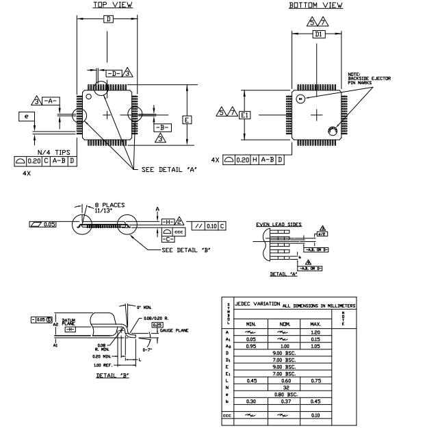
Förpackning / fodral |
32-TQFP |
|
Antal stift |
32 |
|
Antal I/OS |
22 |
|
Vakthundtider |
Ja |
|
Driftstemperatur |
-40 ° C ~ 85 ° C (TA) |
|
Förpackning |
Bricka |
|
Serie |
AVR® ATMEGA |
|
Publicerad |
2007 |
|
JESD-609 kod |
e3 |
|
Pbfree -kod |
Ja |
|
Delstatus |
Aktiv |
|
Fuktkänslighetsnivå (MSL) |
3 (168 timmar) |
|
Antal avslutningar |
32 |
|
Terminalposition |
Fyrhjuling |
|
Terminalform |
Gullvinge |
|
Toppens återflödetemperatur (° C) |
260 |
|
Leveransspänning |
5V |
|
Terminalhöjd |
0,8 mm |
|
Frekvens |
16MHz |
|
Time @ Peak Reflow Temp (er) |
40 |
|
Basdelnummer |
Atmega16u2 |
|
Kvalifikationsstatus |
Inte kvalificerad |
|
Gränssnitt |
Spi, serie, uart, USART, USB |
|
Minnesstorlek |
16 kb |
|
Oscillator |
Inre |
|
Ramstorlek |
512 x 8 |
|
Spänning - leverans (VCC/VDD) |
2.7V ~ 5.5V |
|
UPS/UCS/perifer ICS -typ |
Mikrokontroller, RISC |
|
Grundprocessor |
Avr |
|
Kringutrustning |
Brown-Out Detect/RESET, POR, PWM, WDT |
|
Programminnetyp |
FLASH |
|
Kärnstorlek |
8-bitars |
|
Programminnesstorlek |
16KB (8K x 16) |
|
Anslutning |
Spi, uart/uart, USB |
|
Bitstorlek |
8 |
|
Har ADC |
Inga |
|
DMA -kanaler |
Inga |
|
Databussbredd |
8b |
|
DAC -kanaler |
Inga |
|
Antal timers/räknare |
2 |
|
EEPROM -storlek |
512 x 8 |
|
Antal PWM -kanaler |
5 |
|
Antal SPI -kanaler |
1 |
|
Höjd |
1,05 mm |
|
Längd |
7mm |
|
Bredd |
7mm |
|
Nå SVHC |
Ingen SVHC |
|
ROHS -status |
ROHS3 -kompatibel |
|
Blyfri |
Blyfri |
|
Artikelnummer |
Atmega16u2-au |
AT90USB162-16AUR |
Atmega8u2-au |
Atmega8u2 |
|
Tillverkare |
Mikrochip -teknik |
Mikrochip -teknik |
Mikrochip -teknik |
Mikrochip -teknik |
|
Förpackning / fodral |
32-TQFP |
32-TQFP |
32-TQFP |
32-TQFP |
|
Antal stift |
32 |
32 |
32 |
32 |
|
Databussbredd |
8 b |
8 b |
8 b |
8 b |
|
Antal I/O |
22 |
22 |
22 |
22 |
|
Gränssnitt |
Spi, serie, uart, USART, USB |
Spi, uart, USART, USB |
EBI/EMI, SPI, UART, USART, USB |
EBI/EMI, SPI, UART, USART, USB |
|
Minnesstorlek |
16 kb |
8 kb |
16 kb |
8 kb |
|
Leveransspänning |
5 v |
5 v |
4,5 v |
- |
|
Kringutrustning |
Brown-Out Detect/RESET, Power-On RESET, programmerbar I/O |
Brown-Out Detect/RESET, Power-On RESET, programmerbar I/O |
Brown-Out Detect/RESET, Power-On RESET, programmerbar I/O |
Brown-Out Detect/RESET, Power-On RESET, programmerbar I/O |
|
Särdrag
Kategori |
Information |
|
Kärna
|
Hög prestanda, lågeffekt AVR® 8-bitars mikrokontroller |
|
Arkitektur |
Avancerad RISC -arkitektur |
|
- 125 Kraftfulla instruktioner - De flesta enda klockcykel
Utförande |
|
|
- 32 x 8 allmänna arbetsregister |
|
|
- helt statisk operation |
|
|
- Upp till 16 MIPS -genomströmning vid 16 MHz |
|
|
Minne |
-8K/16K/32K byte av självprogrammerbar blixt i systemet |
|
- 512/512/1024 EEPROM |
|
|
- 512/512/1024 Intern SRAM |
|
|
- Skriv/radera cykler: 10.000 flash/100.000 EEPROM |
|
|
- Datanhållning: 20 år vid 85 ° C / 100 år vid 25 ° C |
|
|
- Valfritt startkodsektion med oberoende låsbitar |
|
|
-In-System-programmering av startprogram på chip |
|
|
-True Read-While-Writ Operation |
|
|
- Programmeringslås för mjukvarusäkerhet |
|
|
USB -modul |
- USB 2.0 fullhastighetsenhetsmodul |
|
- följer fullt ut med universell seriell bussspecifikation
Rev 2.0 |
|
|
- 48 MHz PLL för fullhastighetsbussdrift (12 Mbit/s) |
|
|
- 176 byte USB DPRAM för tilldelning av slutpunktminnet |
|
|
- Endpoint 0 för kontrollöverföringar (8 till 64 byte) |
|
|
- 4 programmerbara slutpunkter |
|
|
- i eller ut vägbeskrivning |
|
|
- Bulk, avbrott och isokrona överföringar |
|
|
- Programmerbar maximal paketstorlek (8 till 64 byte) |
|
|
- Programmerbar enkel- eller dubbelbuffert |
|
|
- Stäng/återuppta avbrott |
|
|
- Återställning av mikrokontroller på USB -bussåterställning |
|
|
- USB -bussavkoppling på mikrokontrollerförfrågan |
|
|
Perifera funktioner |
- En 8-bitars timer/räknare med separat presskaler och
Jämför läge (två 8-bitars PWM-kanaler) |
|
- En 16-bitars timer/räknare med presskaler, jämför och
Capture Mode (tre 8-bitars PWM-kanaler) |
|
|
- USART med SPI-master-bara-läge och hårdvaruflöde
kontroll (RTS/CTS) |
|
|
- Master/Slave SPI Serial Interface |
|
|
- Programmerbar vakthundstimer med separat on-chip
Oscillator |
|
|
- On-Chip Analog Comparator |
|
|
- avbrott och väckning vid stiftbyte |
|
|
Felsökning |
On-Chip Debug Interface (Debugwire) |
|
Specialfunktioner |
-Power-On-återställning och programmerbar brown-out-upptäckt |
|
- Intern kalibrerad oscillator |
|
|
- Externa och interna avbrottskällor |
|
|
-Fem sömnlägen: ledig, power-spave, power-down,
Standby och utökad standby |
|
|
I/O och paket |
- 22 programmerbara I/O -linjer |
|
- QFN32 (5x5mm) / TQFP32 -paket |
|
|
Driftspänning |
2.7 - 5.5V |
|
Driftstemperatur |
Industriell (-40 ° C till +85 ° C) |
|
Maximal frekvens |
- 8 MHz vid 2,7V (Industrial Range) |
|
- 16 MHz vid 4,5V (Industrial Range) |

ATMEGA16U2 -mikrokontrollern sticker ut för sin anmärkningsvärda effekteffektivitet och levererar hög funktionalitet samtidigt som man konsumerar minimal energi.Denna kvalitet gör det exceptionellt lämpligt för bärbara och batteridrivna enheter, som serverar dem som värderar livslängd och bekvämlighet.Mikrokontrollern bygger på banbrytande minnesteknologi och syftar till optimal prestanda med tonvikt på att minska onödig kraftförlust.En sådan funktion är mestadels tilltalande för applikationer som kräver varaktig drift, vilket gör att enheter kan fungera under långa perioder utan besväret med ofta laddning eller byte av kraftkällor.
Stöd för samhällsdriven utveckling lägger till ytterligare ett övertygande lager till ATMEGA16U2: s fördelar.Systemet är utrustat med en robust bootloader och möjliggör sömlösa uppdateringar av applikationer, vilket säkerställer att pågående operationer inte störs.Ett livligt globalt samhälle driver ett omfattande ekosystem av mjukvarubibliotek och utvecklingsverktyg och påskyndar prototypprocessen och utrullning av innovativa lösningar.Denna samarbetsmiljö vårdar utbytet av kunskap och resurser och ger vardagliga uppfattningar som berikar och höjer applikationsutvecklingen.
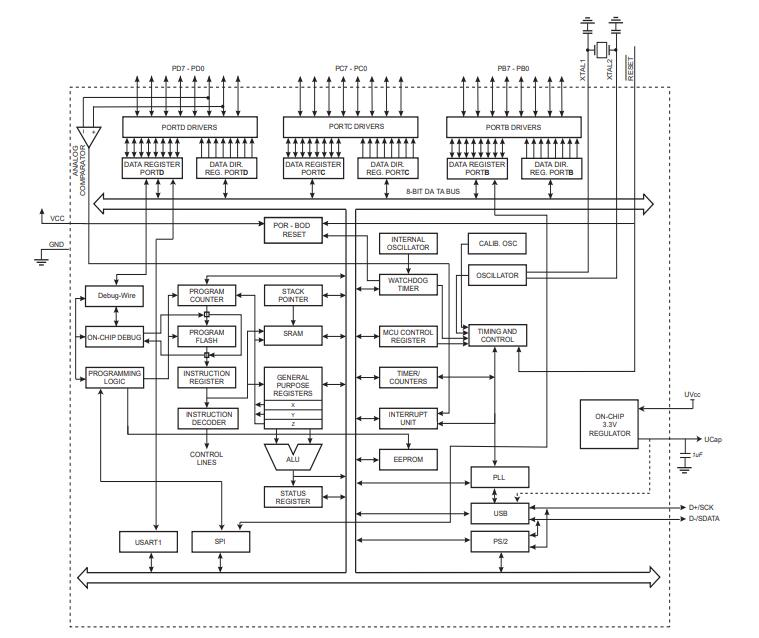
Kärnan i Atmega16U2 ligger en integrerad RISC -CPU tillsammans med ISP -flashminne, vilket ger det en oöverträffad mångsidighet som tillgodoser ett brett spektrum av inbäddade system.Denna integration ger mikrokontrollern att utföra komplexa datoruppgifter samtidigt som man säkerställer enkel programmering och exekvering.Arkitekturen är specifikt utformad för att hantera beräkningsmässigt krävande operationer och multitasking, som spelar en dynamisk roll i olika applikationer - spännande från konsumentelektronik som förbättrar dagliga upplevelser till industriell automatisering som driver effektivitet och produktivitet i arbetskraften.

Microchip Technology Inc. framträder som en framträdande kraft i inbäddade kontrolllösningar, vilket återspeglar ett engagemang för innovation som går utöver dess enorma urval av utvecklingsverktyg och erbjudanden.Organisationen har en robust infrastruktur utformad för strömlinjeformade designprocesser, vilket effektivt underlättar implementeringen av produkter i olika sektorer.Microchip, som verkar från sitt huvudkontor i Chandler, Arizona, tjänar stolt över 120 000 klienter globalt och belyser dess betydande inflytande och rykte i många branscher.
Landskapet med inbäddad kontroll har förvandlats intensivt, med innovativa företag som mikrochip som leder laddningen i dessa tekniska framsteg.Deras olika portfölj omfattar mikrokontroller samt ett omfattande urval av kringutrustning, alla syftar till att öka den övergripande systemfunktionen.Denna rika samling ger dig möjlighet att anpassa lösningar anpassade efter deras specifika behov och banar vägen för utvecklingen av applikationer som sträcker sig över ett brett spektrum - från konsumentelektronik till industriell automatisering.
ATMEGA8/16/32U2 sammanfattning.pdf
AT90USB82,162 sammanfattning.pdf
ATMEGA8/16/32U2 sammanfattning.pdf
Skicka en förfrågan, vi svarar omedelbart.
ATMEGA16U2 är en lågeffekt, 8-bitars CMOS-mikrokontroller byggd på AVR-förbättrad RISC-arkitektur.Denna design är exakt utformad för att maximera effekteffektiviteten och bearbetningshastigheten och uppnå nära 1 MIP per MHz.Dess arkitektur lämpar sig för mångsidiga applikationer över olika fält, från inbäddade system till IoT -enheter.Anmärkningsvärt spelar ATMEGA16U2: s effektiva kraftförbrukning en betydande roll för att förlänga livslängden för batteridrivna enheter.Samspelet mellan prestanda och effekteffektivitet speglar bredare trender inom mikrokontrollteknologi, där målet är att minska energianvändningen utan att kompromissa med hastigheten.Denna balans kan påverka moderna designmetoder, särskilt när det gäller hållbarhet.
Enheten har 32 stift som är dedikerade till ett brett spektrum av ingångs-/utgångsfunktioner.Dessa stift är aktiva gränssnitt för att länka mikrokontrollern till andra komponenter, inklusive sensorer och ställdon.Att ha en väl genomtänkt stiftkonfiguration kan förbättra utformningen av komplexa system, vilket kan leda till bättre driftseffektivitet.Till exempel möjliggör strategisk PIN -tilldelning sömlös multitasking och ökar den totala systemens lyhördhet.Erfarenheten visar att fokusering på PIN -tilldelningar tidigt i utvecklingsprocessen kan förhindra potentiella designbegränsningar, och betonar tankeväckande planering under projektutförandet.
ATMEGA16U2 stöds av en mångfaldig samling av utvecklingsverktyg, som inkluderar C-kompilatorer, felsökare, emulatorer i krets och utvärderingssatser som hjälper till i program- och systemutveckling.Att använda dessa resurser kan avsevärt påskynda utvecklingstidslinjen och öka produktiviteten, främja en iterativ designmetod.Anmärkningsvärt är den praktiska användningen av dessa verktyg vid felsökning och kodoptimering, en strategi som har visat sig använda för att hantera komplikationerna med inbäddad programmering.Synergin av programvaru- och hårdvaruresurser betonar en omfattande utvecklingsmetod, där användning av omfattande verktygssätt leder till innovativa och effektiva lösningar.Omfamning av sådana metoder kan fördjupa förståelsen för systemprestanda och bana väg för framtida framsteg inom teknikdesign.
på 2024/11/15
på 2024/11/15
på 8000/04/18 147757
på 2000/04/18 111934
på 1600/04/18 111349
på 0400/04/18 83719
på 1970/01/1 79508
på 1970/01/1 66897
på 1970/01/1 63010
på 1970/01/1 63006
på 1970/01/1 54081
på 1970/01/1 52118