
Funktionen för varje växelriktare i 74LS04 är att vända ingångssignalens logiktillstånd och växla den från högt till lågt eller lågt till högt.Denna operation spelar en dynamisk roll i elektronisk kretsdesign, vilket påverkar både analoga och digitala tillämpningar genom att möjliggöra mångsidig signalmanipulation och effektiv databehandling.
I elektroniska system, mestadels inom digitala kretsar, förstärker 74LS04 inverterare logiska operationer.Dessa inverterare används för att konstruera inte grindar, vilket underlättar implementeringen av intrikata logiska funktioner.Dessutom kan de konfigureras för att bilda avancerade logikgrindar som NAND och och inte heller utvidga beräkningskapaciteten.I analoga system bidrar 74LS04 betydligt till signalintegritet och brusformning.Genom att invertera signaler hjälper dessa komponenter att synkronisera och stimulera inom kommunikationskretsar.Denna interaktion minskar avvikelserna i tidpunkten och förbättrar signalens tydlighet och lyfter den totala prestandan.




|
Särdrag |
Specifikation |
|
Spänningsförsörjningsområde |
+4,75V till +5.25V |
|
Maximal levererad spänning |
+7v |
|
Maximal utgångsström per grind |
8 mA |
|
TTL -utgångar |
Blyfri |
|
Maximal stigningstid |
15ns |
|
Maximal hösttid |
15ns |
|
Driftstemperaturområde |
0 ° C till 70 ° C |

|
Parameter |
SN54S04 |
SN74S04 |
Enhet |
||||
|
Min nom |
Max |
Min nom |
Max |
||||
|
VCC -leveransspänning |
4.5 |
5 |
5.5 |
4.75 |
5 |
5.25 |
V |
|
VIH Högnivåinmatning
spänning |
2 |
2 |
V |
||||
|
VIL låg nivå ingång
spänning |
0,8 |
0,8 |
V |
||||
|
Ioh hög nivå
framström |
-1 |
-1 |
ma |
||||
|
IOL lågnivåutgång
nuvarande |
20 |
20 |
ma |
||||
|
TA -verksamhet
temperatur |
-55 |
125 |
0 |
70 |
° C |
||
|
Artikelnummer |
Beskrivning |
Tillverkare |
|
GD54LS04Logic |
Inverterare, LS-serien, 6-func, 1-ingång, TTL, PDIP14 |
Goldstar Electron Co Ltd |
|
SN74LS04NLOGIC |
Inverterare, LS-serien, 6-func, 1-ingång, TTL, PDIP14, 646-06 |
Motorola halvledarprodukter |
|
SN74LS04N-00Logic |
LS Series, Hex 1-Input Invert Gate, PDIP14, Package-14 |
Rochester Electronics LLC |
|
Sn74ls04jlogic |
Hexinverterare 14-cdip 0 till 70 |
Texas instrument |
|
M38510/30003Scalogic |
Inverterare, LS-serien, 6-func, 1-ingång, TTL, CDIP14,
Keramik, DIP-14 |
Betydelse |
|
74LS04Alogic |
IC LS Series, Hex 1-Input Invert Gate, PDIP14, GATE |
NXP Semiconductors |
|
GD74LS04Logic |
Inverterare, TTL, PDIP14 |
LG Semicon Co Ltd |
|
Gd74ls04jlogic |
Inverterare, LS-serien, 6-func, 1-ingång, TTL, CDIP14 |
Goldstar Electron Co Ltd |
|
HD74LS04PLOGIC |
Inverterare, LS-serien, 6-func, 1-input, TTL, PDIP14, DP-14 |
Hitachi Ltd |
|
M38510/30003Bcalogic |
Inverterare, LS-serien, 6-func, 1-ingång, TTL, CDIP14,
Keramik, DIP-14 |
Motorola halvledarprodukter |
Här är informationen som presenteras i ett tabellformat för Raytheon Semiconductor 74LS04N.
|
Typ |
Parameter |
|
JESD-609 kod |
e0 |
|
Terminal |
Tenn/bly (SN/PB) |
|
Toppens återflödetemperatur (° C) |
Inte specificerad |
|
Time @ Peak Reflow Temperatur (max) |
Inte specificerad |
|
ROHS -status |
Icke-ROHS-kompatibel |
74LS04, en hexomvandlare, hittar olika applikationer i logiska kretsar genom att tillhandahålla signalinversion.Det används för att skapa komplicerade logiska funktioner, vilket förbättrar flödet av operationer inom digitala kretsar.Du kan lita på den här komponenten för att hantera signalnivåer, säkerställa korrekt tidpunkt och sekvensering, som är användbara i praktiska tillämpningar.
I serverdesign används 74LS04 för signalkonditionering och modifiering, hantering av digitala signaler för att säkerställa smidig databehandling och reducerad latens.Denna komponent är värdefull för krafthanteringskretsar inom servrar, särskilt i datacenter med hög trafik där pålitlighet och effektivitet prioriteras.
I digitala instrument är 74LS04 värdefull för att stabilisera signalingångar och utgångar, vilket bidrar till exakta och pålitliga mätningar.Det spelar en betydande roll i enheter som kräver hög precision, som oscilloskop och multimetrar, vilket stöder deras konsekventa prestanda i faktiska situationer.
I nätverkssystem bidrar 74LS04 till signalförbättring och brusreducering.Det är integrerat i dataöverföringsprotokoll för att upprätthålla dataintegritet och effektivitet, vilket särskilt gynnar miljöer där maximering av genomströmning och minimering av fel är av stor oro.

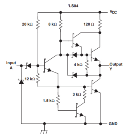
74LS04 innehåller sex separata grindar, var och en utför logiken invert -funktionen.Utgångssignalerna är direkt motsatta av deras respektive insignaler.Omformaren vänder ingångssignalens fas med 180 grader.Denna krets hittar sin tillämpning i olika analoga system, inklusive ljudförstärkare och klockoscillatorer.Inverterare används i stor utsträckning i elektronisk kretsdesign och formar funktionaliteten med precision och anpassningsförmåga.
Skicka en förfrågan, vi svarar omedelbart.
på 2024/10/24
på 2024/10/24
på 8000/04/18 147757
på 2000/04/18 111937
på 1600/04/18 111349
på 0400/04/18 83721
på 1970/01/1 79508
på 1970/01/1 66913
på 1970/01/1 63053
på 1970/01/1 63012
på 1970/01/1 54081
på 1970/01/1 52130