

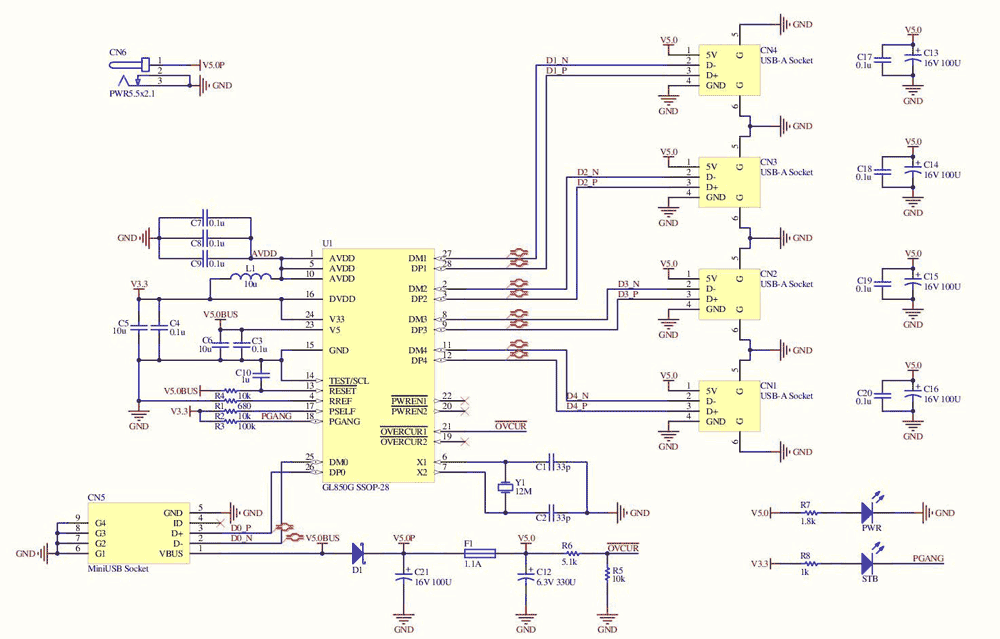
|
Stift |
Namn |
Fungera |
|
1 |
Avdd |
3.3V analog kraftingång för analoga kretsar |
|
2 |
Dm2 |
Nedströms 2 portdata - |
|
3 |
Dp2 |
Nedströms 2 portdata + |
|
4 |
Rref |
Anslut 680Ohms motstånd mellan RREF och AGND |
|
5 |
Avdd |
3.3V analog kraftingång för analoga kretsar |
|
6 |
X1 |
12MHz oscillatoringång |
|
7 |
X2 |
12MHz oscillatoringång |
|
8 |
Dm3 |
Nedströms 3 portdata - |
|
9 |
Dp3 |
Nedströms 3 portdata + |
|
10 |
Avdd |
3.3V analog kraftingång för analoga kretsar |
|
11 |
Dm4 |
Nedströms 4 portdata - |
|
12 |
Dp4 |
Nedströms 4 portdata + |
|
13 |
ÅTERSTÄLLA |
Aktiv låg extern återställning |
|
14 |
Test/scl |
Chip kommer att vara i testläge om den dras hög / i2c klocka
produktion |
|
15 |
Gard |
Jord |
|
16 |
Dvdd |
3.3V Digital kraftinmatning för digitala kretsar, logik
Nivå |
|
17 |
Själv |
0: GL850G är bussdriven, 1: GL850G är självdriven |
|
18 |
Pgang |
Individuellt / gängläge Välj |
|
19 |
Ovcur2 |
Aktiv låg över nuvarande indikator |
|
20 |
Pwren2 |
Aktiv låg effekt aktiverar utgång |
|
21 |
Ovcur1 |
Aktiv låg över nuvarande indikator |
|
22 |
Pwren1 |
Aktiv låg effekt aktiverar utgång |
|
23 |
V5 |
5V till 3.3V Regulatorinmatning |
|
24 |
V33 |
3.3V Regulatorutgång |
|
25 |
Dm0 |
Uppströms portdata - |
|
26 |
Dp0 |
Uppströms portdata + |
|
27 |
Dm1 |
Nedströms 1 portdata - |
|
28 |
Dp1 |
Nedströms 1 portdata + |
|
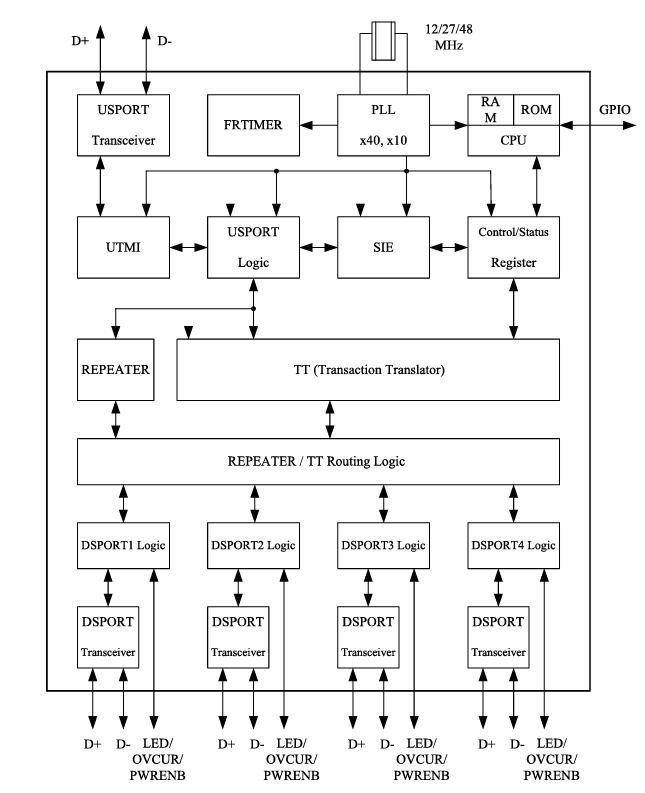
Särdrag |
Beskrivning |
|
USB -specifikation |
Överensstämmer med USB -specifikationsrevisionen 2.0;bakåt
Kompatibel med USB -specifikation 1.1. |
|
Uppströmshamn |
Stöder både höghastighet (HS) och fullhastighet (FS)
trafik. |
|
Nedströmshamnar |
Stöder HS, FS och låg hastighet (LS) trafik. |
|
Rör |
1 Kontrollrör (slutpunkt 0, 64-byte data för data);1
avbrottsrör (slutpunkt 1, 1-byte nyttolast). |
|
Mikroprocessor |
8-bitars mikroprocessor med RISC-liknande arkitektur
och USB-optimerad instruktionsuppsättning. |
|
Prestanda |
6 MIPS @ 12 MHz. |
|
Minne |
64-byte RAM och 4K MASK ROM. |
|
Anpassad PID/vid |
Stöds via extern EEPROM/SMBUS. |
|
Nedströms portkonfiguration |
Stöds via extern EEPROM/SMBUS. |
|
Single Transaction Translator (STT) |
Delar samma TT -kontrolllogik för alla nedströmsport
enheter (kostnadseffektiv lösning). |
|
Sändtagningsintegration |
Integrerar USB 2.0 -sändtagare. |
|
Produktionsförare |
Förbättrad med svängningsskontroll för EMI-reduktion. |
|
Krafthantering |
Inbyggd 5V till 3.3V-regulator. |
|
Detektion av kraftbrister |
Internt kraftfaildetektering för ESD-återhämtning. |
|
Pull-up/pull-down motstånd |
Inbyggd uppströms 1,5kΩ pull-up;Nedströms 15KΩ
neddrag. |
|
Poll |
Inbyggd PLL stöder extern 12 MHz Crystal/Oscillator
Klockingång. |
|
Seriemotstånd |
Inbäddat seriellt motstånd för USB -signaler. |
|
Lågkraftsstöd |
Stöder selektiv suspend, LPM L1 (via EEPROM). |
|
Smart Power Mode |
Stöder individuella och gängformer för krafthantering
och överströmsdetektering. |
|
Busskraft |
Överensstämmer med busskraftskraven;automatisk omkoppling
mellan självdrivna och bussdrivna lägen. |
|
Nedströms portkonfigurationsflexibilitet |
Konfigurerad via SMBUS/EEPROM. |
|
Sammansatt enhetsstöd |
Konfigurerbart med I/O -strappning, SMBUS eller EEPROM. |
|
Tillgängliga paket |
- 28-poliga QFN (5x5 mm) |
|
- 28-stifts SSOP (209 mil) |
|
|
- 24-stifts QFN (4x4 mm). |
• GL852G
• Fe1.1s
• PL2586


Förutom kristalloscillator- och USB -portarna, GL850G USB -navkontrollen kräver en utgångskondensator för att säkerställa korrekt filtrering och stabilitet i dess strömförsörjning.Dessutom är pull-up-motstånd användbara för konfigurationsstiften för att upprätthålla lämpliga spänningsnivåer och möjliggöra tillförlitlig drift.
GL850G visar anpassningsförmåga i ett brett spektrum av elektroniska enheter, inklusive fristående USB -nav, datorer, surfplattor, moderkort, dockningsstationer, spelkonsoler och LCD -skärmar.Dess exceptionella stöd för sofistikerade USB -funktioner berikar din upplevelse över olika aspekter.
Att integrera GL850G i USB -naven erbjuder dig utökad anslutning, säkerställer smidig dataöverföring och kraftleverans och catering till önskan om reducerad kabelrörning och förbättrad effektivitet i arbetsområdet.Integrering av sådan teknik i dagliga miljöer betyder ett steg mot mer ergonomiska och strömlinjeformade inställningar.
För datorer och surfplattor optimerar GL850G-chipet dataöverföringshastigheter, vilket förbättrar enhetens prestanda i krävande applikationer och datatunga uppgifter.En sådan integration vårdar potentialen för bättre multitasking och operativ effektivitet.Du kan ofta upptäcka att små förbättringar i dataöverföring i hög grad kan påverka deras upplevelse och tillfredsställelse.
När den appliceras på moderkort, har GL850G-chipset finjusteringskommunikation mellan komponenter, ökar systemets lyhördhet och effektivitet.Denna optimering stöder dig när du upprätthåller högpresterande operationer, vilket gynnar både personlig användning och professionella miljöer där pålitliga prestanda är mycket värderade.
I dockningsstationer spelar GL850G en aktiv roll för att utöka anslutningen och möjliggöra samtidiga perifera anslutningar.Denna innovation behandlar behovet av flexibla arbetsytor genom att effektivt länka bärbara enheter med omfattande skrivbordskonfigurationer.
Att använda chipset i spelkonsoler säkerställer flytande datautbyte och perifert stöd, berikar ditt engagemang.Detta fokus på prestanda överensstämmer med konsumenternas förväntningar på sömlösa speläventyr, där även små förbättringar kan ha en anmärkningsvärd inverkan.
GL850G: s integration i LCD -övervakare underlättar effektiv drift av USB -portar, främjar renare inställningar och tar bort nödvändigheten för extra adaptrar.Dessa framsteg överensstämmer med en djupare medvetenhet om hur visuell tydlighet och anslutning ökar produktiviteten och tillfredsställelsen.

Skicka en förfrågan, vi svarar omedelbart.
på 2024/12/17
på 2024/12/17
på 8000/04/18 147757
på 2000/04/18 111934
på 1600/04/18 111349
på 0400/04/18 83719
på 1970/01/1 79508
på 1970/01/1 66897
på 1970/01/1 63010
på 1970/01/1 63006
på 1970/01/1 54081
på 1970/01/1 52118