
De AD8130AR är en höghastighetsdifferentialmottagarförstärkare utformad för precisionssignalöverföring över tvinnade parkablar.Som en del av familjen AD8129/AD8130, utmärker den sig i att konvertera differentiella signaler till enstaka utgångar med utmärkt signalfidelitet.Med en bred -3 dB bandbredd på 270 MHz och en exceptionell svänghastighet på 1090 V/μs är den idealisk för att överföra analog eller digital video- och höghastighetsdata.AD8130AR tillhandahåller superb common-code-avstötning uppmätt vid 94 dB vid låga frekvenser och 70 dB vid 10 MHz, vilket gör att den kan fungera effektivt även över lågkostnad, oskärmad kabling.Den stöder ett brett strömförsörjningsområde, från en enda +4,5 V till dubbla ± 12,6 V -skenor, vilket möjliggör användning över olika systemspänningar utan behov av isoleringstransformatorer.AD8130 är enhetsförstärkning av enhet och är bäst lämpad för applikationer med hög bandbredd.
Om du letar efter tillförlitliga, högpresterande mottagarförstärkare är AD8130AR ett utmärkt val.Placera din bulkorder med oss idag för att hålla dina höghastighetssystem smidigt med konsekvent, lågbrushantering.

|
Stiftnummer |
Stiftnamn |
Beskrivning |
|
1 |
+I |
Icke-inverterande ingång (positiv differentiell ingång) |
|
2 |
-MOT |
Negativ strömförsörjningsspänning |
|
3 |
Pd̅ |
Kontroll av nedlägg (aktiv låg) |
|
4 |
Domare |
Referensspänningsingång (sätter utgång Common Mode) |
|
5 |
Fb |
Återkopplingsstift (för att ställa in förstärkning eller stabilitet) |
|
6 |
UT |
Förstärkares utgång |
|
7 |
+Vs |
Positiv strömförsörjningsspänning |
|
8 |
-I |
Invertera ingång (negativ differentiell ingång) |

AD8130AR -symbol

AD8130AR FODPRINT

AD8130AR 3D -modell
Högbandbredd: AD8130AR stöder en -3 dB bandbredd på 270 MHz vid enhetsförstärkning, vilket gör att den kan hantera snabba analoga och digitala signaler med minimal förlust eller fördröjning.Detta gör det lämpligt för högfrekventa applikationer som videoöverföring och höghastighetsdatalänkar.
Snabb Slew Rate: Med en mycket hög svängningshastighet på 1090 volt per mikrosekund kan förstärkaren snabbt svara på snabba förändringar i insignalen, vilket säkerställer skarpa signalövergångar och minskar distorsionen i snabbt föränderliga vågformer.
Utmärkt avslag på vanligt läge (CMRR): AD8130AR uppnår 94 dB CMRR från DC till 100 kHz, 80 dB vid 2 MHz och 70 dB vid 10 MHz.Detta gör att det kan avvisa oönskat brus eller störningar som förekommer lika på båda ingångarna, även vid höga frekvenser för användning med oskärmade tvinnade parkablar.
Hög ingångsimpedans: Dess höga ingångsimpedans säkerställer minimal belastning på signalkällan, bevarar signalintegritet och gör det lättare att gränssnitt med andra kretsar.
Bred ingångsspänningsområdet för vanlig läge: Det breda vanliga läget innebär att förstärkaren kan acceptera ingångsspänningar som svänger långt över eller under marken utan distorsion, även utan användning av transformatorer.
Låg inmatningsbrus: AD8130AR upprätthåller ett lågt brusgolv, vilket gör det lämpligt för precisionsapplikationer som instrumentering och medicintekniska produkter.
Lågförvrängning: Förstärkaren erbjuder mycket låg total harmonisk distorsion, mätt vid -79 DBC för en 1 V P-P-signal vid 5 MHz.Detta säkerställer korrekt signalreproduktion i applikationer såsom video- eller RF -basbandöverföring.
Bred strömförsörjningsområde : Det kan fungera från en enda leverans som börjar vid +4,5 V eller från dubbla leveranser upp till ± 12,6 V, vilket erbjuder kompatibilitet med ett brett utbud av systemspänningar och förbättring av designanpassningsförmåga.
Avstängningsfunktion: Den integrerade avstängningsstiftet gör det möjligt att inaktivera enheten när den inte behövs, vilket bevarar effekt i batteridrivna eller energikänsliga applikationer.

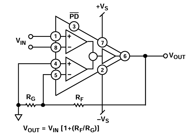
Blockdiagrammet illustrerar den interna strukturen för AD8130 och dess variant AD8130AR, som båda fungerar som differentiell mottagarförstärkare.I kärnan i enheten finns två interna differentiella förstärkare arrangerade för att bearbeta en enkel-sluten insignal (V_IN) och producera en differentiell utgång.Signalen kommer in vid stift 1 (icke-inverterande ingång) och flyter genom två matchade interna förstärkare som upprätthåller utmärkt avstötning av vanligt läge och signalfidelitet.Pin 5 är jordad genom motståndet RG, medan återkopplingsmotståndet RF ansluter utgången till inverteringsvägen och ställer in förstärkningen enligt formeln:

Detta återkopplingsarrangemang säkerställer stabilitet och exakt förstärkningskontroll.Ström levereras till enheten via stift 2 och 7, som är anslutna till de negativa respektive positiva tillförselskenorna (-vs respektive +VS).Stift 6 matar ut den slutliga förstärkta signalen, och stift 3 (PD) möjliggör avstängningskontroll för att spara ström när enheten inte används.Den interna differentiella arkitekturen minimerar distorsion och extern interferens, vilket gör AD8130-serien lämplig för att kräva höghastighetsapplikationer såsom precisionsvideosignalfördelning över vridna parlinjer.
|
Typ |
Parameter |
|
Tillverkare |
Analog Devices Inc. |
|
Förpackning |
Rör |
|
Delstatus |
Föråldrad |
|
Förstärkningstyp |
Differentiell |
|
Antal kretsar |
1 |
|
Svängt |
1100 V/µs |
|
-3dB bandbredd |
290 MHz |
|
Aktuell - ingångsförspänning |
500 na |
|
Spänning - ingångsförskjutning |
400 µV |
|
Aktuell utbud |
13 MA |
|
Aktuell - utgång / kanal |
40 MA |
|
Spänningsspänning (min) |
4,5 v |
|
Spänningsspänning (max) |
25,2 v |
|
Driftstemperatur |
-40 ° C ~ 85 ° C |
|
Monteringstyp |
Ytfäste |
|
Förpackning / fodral |
8-SOIC (0,154 ", 3,90 mm bredd) |
|
Leverantörspaket |
8-SOIC |
|
Basproduktnummer |
AD8130 |
Höghastighetsdifferentiallinje mottagare
AD8130AR är specialbyggd för att få högfrekventa differentiella signaler som överförs över tvinnade parkablar.Dess utmärkta avstötning av vanligt läge och bred bandbredd säkerställer att signalen förblir ren och korrekt även när externt elektriskt brus finns.Detta gör det idealiskt för användning i industriell automatisering, kommunikationslänkar eller miljöer där EMI och övergång är oro.
Omvandling
I många system överförs signaler i differentiell form för brusimmunitet men måste omvandlas till enskilda signaler för vidare bearbetning.AD8130AR hanterar denna omvandling med minimal distorsion och brett spänningsstöd, vilket möjliggör ren och effektiv gränssnitt mellan differentiella utgångar och enstaka ADC: er, DSP: er eller analoga system.
Höghastighetsinstrumentförstärkare
Tack vare sin höga inmatningsimpedans, lågt brus och exceptionell linearitet är AD8130Ar väl lämpad för instrumenteringsapplikationer.Det tillåter exakta differentiella mätningar och amplifiering utan att lägga till systembrus, vilket gör det värdefullt i vetenskapliga, medicinska eller industriella sensorgränssnitt.
Nivåförskjutande applikationer
AD8130AR rymmer ett brett ingångsspänningsområde för vanligt läge, vilket gör att den kan växla spänningsnivåer mellan system med olika markpotentialer.Detta är användbart i system som sträcker sig över långa avstånd eller ansluter olika kraftdomäner utan att kräva isoleringstransformatorer eller ytterligare hårdvara.
Analog och digital videosignalöverföring
Med sin breda bandbredd och låg distorsion är AD8130AR idealisk för att överföra analoga eller digitala videosignaler över tvinnade parkablar.Det bevarar bildens tydlighet och timingintegritet, vilket gör den lämplig för videoövervakningssystem, sändningsutrustning eller maskinvisionsinställningar som kräver långdistansöverföring.
Höghastighetsdataöverföringssystem
I datakommunikationssystem är signalnedbrytning över avstånd ett stort problem.AD8130AR mildrar detta genom att bibehålla hög signalfidelitet även över utökade kabellängder, vilket säkerställer att snabba digitala signaler anländer intakt.Det är ett utmärkt val för system som Ethernet över tvinnat par, datainsamlingsenheter eller digitala kontroller.
AD8130Arz-Rel är funktionellt identisk med AD8130AR, med samma 270 MHz bandbredd, 1090 V/μs Slew-hastighet och hög CMRR.Den viktigaste skillnaden ligger i förpackningsformatet, den här versionen finns i en blyfri, ROHS-kompatibel rulle som är lämplig för automatiserad SMT (Surface Mount Technology).Det är idealiskt för tillverkningsmiljöer med hög volym som söker miljööverensstämmelse och effektiva produktionsprocesser.
Denna variant, AD8130Armz-Rel, delar alla kärnelektriska egenskaper hos AD8130AR men kommer i ett mini litet dispositionspaket (MSOP-8) snarare än standard SOIC.MSOP-formatet erbjuder ett mindre fotavtryck, vilket gör det idealiskt för kompakt eller rymdbegränsade PCB-konstruktioner utan att kompromissa med prestanda.Det är ett toppval för bärbara eller täta inbäddade system.
AD8130Armz-Reel7 är samma enhet som ARMZ-väcke-versionen men levereras i ett 7-tums band-och-hjulsformat optimerat för specifika pick-and-place-system.Den upprätthåller samma höghastighetsegenskaper med låg distorsion och erbjuder bekvämlighet för monteringslinjer som kräver stramare rulltoleranser eller mindre satskörningar.
Aktiv feedbackarkitektur
Till skillnad från traditionella op-amps använder AD8130AR en aktiv feedback-design som skiljer inmatnings- och återkopplingsvägarna.Detta minskar interaktionen mellan signal och feedback, förbättrar stabiliteten och minimerar distorsion.Det förbättrar också enhetens förmåga att avvisa brus med vanligt läge, vilket gör det mer lämpligt för differentiell signalbehandling över långa avstånd.
Hög bandbredd och svalfrekvens
Förstärkaren erbjuder en bandbredd på 270 MHz och en blixt-snabb Slew-hastighet på 1090 V/µs.Dessa egenskaper gör det möjligt för det att hantera snabba kanter och högfrekventa innehåll med minimal fördröjning eller signalförlust, vilket gör det idealiskt för applikationer som videoöverföring, RF-basband eller digitala kommunikationssystem.
Låg distorsion och brus
Med en ingångsbrusnivå på bara 12,5 NV/√Hz och harmonisk distorsion så låg som −79 DBC vid 5 MHz, säkerställer AD8130Ar ren, hög trovärdighetssignalamplifiering.Detta gör det idealiskt för känslig instrumentering och förvärv av precisionsdata.
|
Parameter |
Dimension (mm) |
|
Kroppsbredd |
3,80 - 4,00 |
|
Kroppslängd |
4,80 - 5,00 |
|
Övergripande bredd (med leads) |
5.80 - 6.20 |
|
Kroppshöjd |
1,35 - 1,75 |
|
Blyhöjd (stiftavstånd) |
1.27 (BSC) |
|
Ledningsbredd |
0,25 - 0,50 |
|
Blyttjocklek |
0,17 - 0,25 |
|
Leadlängd (från paketet) |
0,40 - 1,27 |
|
Avståndshöjd |
0,10 - 0,25 |
|
Coplanaritet |
0,10 (max) |
|
Blyböjvinkel |
0 ° - 8 ° |

AD8130AR tillverkas av Analog Devices Inc. (ADI), ett globalt känt halvledarföretag som är erkänt för sitt ledarskap inom högpresterande analog, blandad signal och digital signalbehandlingsteknik.Grundades 1965 och med huvudkontor i Wilmington, Massachusetts, har ADI byggt ett starkt rykte för att leverera precisionskomponenter som driver allt från industriell automatisering och instrumentering till kommunikationsinfrastruktur och avancerad konsumentelektronik.Analoga enheter betonar kvalitet, innovation och långsiktig tillförlitlighet, vilket gör dess komponenter, inklusive AD8130AR-tillförlitliga lösningar i krävande tekniska miljöer.Med omfattande designstöd, robust dokumentation och beprövad tillverkning av excellens ser ADI att AD8130AR uppfyller stränga standarder för signalens trohet och systemprestanda.
AD8130AR är ett smart val när du behöver en pålitlig förstärkare som håller signaler rena, även över långa kablar eller på bullriga platser.Den har ett brett utbud av användningsområden från videosystem och höghastighetsdata för att testa utrustning och sensorer.Det fungerar bra med olika strömförsörjningar och finns i flera pakettyper för att passa olika mönster.Dess starka prestanda, låga brus och pålitliga kvalitet från analoga enheter gör det bra för alla som bygger snabb och exakt elektronik.
EOL Lead (PB) -bärande 07/OCT/2016.PDF
Skicka en förfrågan, vi svarar omedelbart.
Ja, dess höga avslag på vanligt läge (upp till 94 dB) gör det utmärkt för oskärmade vridna kablar, vilket bibehåller ren signalkvalitet även i bullriga miljöer.
Nej, tack vare dess breda ingångsspänningsområde och hög CMRR kan den fungera effektivt utan behov av isoleringstransformatorer, förenkla kretsdesign och minska kostnaderna.
Med en total harmonisk distorsion så låg som −79 DBC vid 5 MHz och en 270 MHz bandbredd garanterar den ren signalbehandling även i högfrekventa applikationer som video eller RF.
Ja, den är utformad för att hantera både analoga och digitala signaler, vilket gör det mångsidigt för applikationer som sträcker sig från videobearbetning till höghastighetsdatainsamlingssystem.
Dess höga CMRR- och differentiella arkitektur hjälper till att undertrycka elektromagnetisk störning, vilket möjliggör ren signalomvandling även i elektriskt bullriga industriella eller telekommiljöer.
på 2025/05/7
på 2025/05/6
på 8000/04/18 147765
på 2000/04/18 111994
på 1600/04/18 111351
på 0400/04/18 83753
på 1970/01/1 79548
på 1970/01/1 66949
på 1970/01/1 63094
på 1970/01/1 63028
på 1970/01/1 54094
på 1970/01/1 52175