
Den AD8542AR är en dubbel operationsförstärkare byggd för lågeffektdrift och rail-to-rail in- och utgångsprestanda.Den drivs från en enda strömkälla och stöder lågspänningssystem där effektiv signalhantering krävs.Enheten ger stabil förstärkning för små analoga signaler samtidigt som den bibehåller ett konsekvent beteende över hela driftsområdet.Dess dubbla kanaldesign stöder kompakta kretslayouter och minskar antalet komponenter.Vanliga användningsområden inkluderar sensorsignalkonditionering, batteridrivna instrument, bärbara mätenheter och grundläggande analoga behandlingssteg.Delen balanserar noggrannhet och energieffektivitet för vardagliga analoga funktioner.Letar du efter AD8542AR?Kontakta oss för att kontrollera aktuellt lager, ledtid och pris.

| Pinnummer | Pinnamn | Beskrivning |
| 1 | UT A | Förstärkare A-utgång |
| 2 | −IN A | Förstärkare En inverterande ingång |
| 3 | +IN A | Förstärkare En icke-inverterande ingång |
| 4 | V− | Negativ tillförsel eller jord |
| 5 | +IN B | Förstärkare B icke-inverterande ingång |
| 6 | −IN B | Förstärkare B inverterande ingång |
| 7 | UT B | Förstärkare B-utgång |
| 8 | V+ | Positivt utbud |



AD8542AR innehåller två oberoende förstärkarkanaler inom en enhet.Detta gör att en enda komponent kan hantera parade analoga signaler, vilket hjälper till att minska kortutrymmet och förenklar kretslayouten.Båda kanalerna fungerar med matchat elektriskt beteende, vilket stöder balanserad och konsekvent signalbehandling.
Ingångar och utgångar kan svänga nära båda matningsnivåerna.Detta möjliggör bättre användning av det tillgängliga spänningsområdet, särskilt i lågspänningssystem.Signaler kan behandlas med minimal förlust av dynamiskt omfång när de drivs från en enda källa.
Enheten drar mycket lite matningsström under normal drift.Detta stöder längre batteritid och lägre totala energibehov.Den är väl lämpad för system som förblir aktiva under längre perioder.
En liten ingångsoffsetspänning hjälper till att bibehålla noggrannheten vid förstärkning av lågnivåsignaler.Detta minskar oönskade spänningsfel vid utgången.Stabilt offsetbeteende stöder repeterbara mätningar.
Ingångssteget drar endast en mycket liten mängd ström.Detta minimerar interaktion med signalkällor med hög impedans.Det hjälper till att bevara signalintegriteten i känsliga ingångsvägar.
Förstärkningsbandbredden stöder vanliga analoga signalfrekvenser som används i avkännings- och styrkretsar.Den ger stadig förstärkning utan överdriven signalförvrängning.Detta gör enheten lämplig för ett brett utbud av vardagliga analoga uppgifter.
Svänghastigheten tillåter mjuka utgångsövergångar när insignalen ändras.Detta stöder stabil signalspårning utan abrupta kanter.Det hjälper till att upprätthålla förutsägbar tidsrespons.
Slutsteget kan generera och sänka måttliga strömnivåer.Detta möjliggör direkt anslutning till laster som filter eller omvandlare.I många konstruktioner krävs inget extra buffertsteg.
Förstärkaren fungerar över ett brett utbud av matningsspänningar.Detta möjliggör kompatibilitet med olika systemeffektnivåer.Den stöder flexibel integrering i blandade spänningskonstruktioner.
Enheten är specificerad för att fungera över ett brett temperaturområde.Elektrisk prestanda förblir stabil under varierande termiska förhållanden.Detta stöder användning i industri- och utomhusmiljöer.
| Produktattribut | Attributvärde |
| Tillverkare | Analog Devices, Inc. |
| Spänning - Spännvidd (min) | 2,7 V |
| Spänning - Spännvidd (max) | 5,5 V |
| Spänning - Ingångsoffset | 1 mV |
| Få bandbreddsprodukt | 1 MHz |
| Svänghastighet | 0,92 V/µs |
| Utgångstyp | Rail-to-Rail |
| Aktuell - Försörjning | 45 µA (x2 kanaler) |
| Ström - Utgång / Kanal | 30 mA |
| Ström - Input Bias | 4 pA |
| Driftstemperatur | -40°C ~ 125°C |
| Antal kretsar | 2 |
| Monteringstyp | Ytmontering |
| Leverantörsenhetspaket | 8-SOIC |
| Paket/fodral | 8-SOIC (0,154", 3,90 mm bredd) |
| Paket | Rör |
| Basproduktnummer | AD8542 |

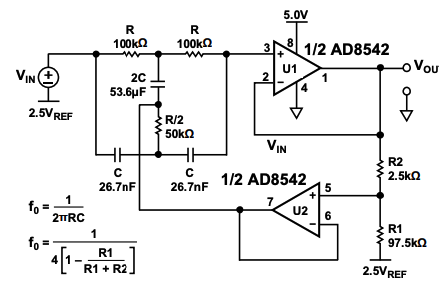
Aktivt dubbel-T-notch-filter konfigurerat för att avvisa 60 Hz-störningar genom att använda båda kanalerna på AD8542 dubbla operationsförstärkare under drift med en strömkälla.Kretsen kombinerar ett passivt twin-T-nätverk av matchade motstånd och kondensatorer med ett aktivt förstärkarsteg för att öka skårdjupet och kontrollera kvalitetsfaktorn, som är inställd på 10 genom ett definierat motståndsförhållande.En 5,0 V-matning används med en 2,5 V-referens för att förspänna signalvägen, vilket möjliggör korrekt drift utan negativ skena.En förstärkarsektion behandlar den filtrerade signalen medan den andra buffrar mellanmatningsreferensen, vilket säkerställer stabil förspänning.Komponentvärden väljs för att fastställa notch-frekvensen i enlighet med standard RC-förhållandet, vilket gör konfigurationen lämplig för att undertrycka elledningsbrus i lågfrekventa analoga signalvägar.
AD8542AR används ofta i bärbar elektronik där låg matningsspänning och låg effektdrift krävs.Den stöder stabil signalförstärkning samtidigt som den drar minimal ström, vilket hjälper till att förlänga batteridriftstiden.Skäl till räls beteende gör att signaler kan behandlas exakt även när batterispänningen ändras.
I sensorbaserade system används AD8542AR för att förstärka, buffra eller skala lågnivåsignaler innan vidare bearbetning.Dess låga ingångsförspänningsström hjälper till att undvika belastning av känsliga sensorutgångar.Detta stöder renare signalöverföring från sensorer som temperatur-, tryck- eller ljusavkännande element.
Enheten passar bra i instrumentering som måste vara aktiv under långa perioder.Den ger stadig förstärkning samtidigt som energiförbrukningen hålls låg.Detta gör den lämplig för övervakning av utrustning där konsekvent signalbeteende och effektivitet krävs.
AD8542AR används i analoga frontend-steg för att förbereda signaler för konvertering eller kontrollblock.Det hjälper till att stabilisera spänningsnivåer och jämna signalövergångar.Detta förbättrar konsistensen i ljudvägar, användarinmatningskretsar och analoga låghastighetsgränssnitt.
I industriella system stöder förstärkaren signalkonditionering för styråterkoppling och övervakningsvägar.Dess breda driftstemperaturområde gör att den kan fungera tillförlitligt under föränderliga miljöförhållanden.Detta stöder förutsägbart systembeteende under långvarig drift.
AD8542AR väljs ofta för allmänna förstärkningsuppgifter inom inbyggda plattformar.Den kan buffra signaler mellan blandade analoga och digitala block.Denna flexibilitet gör att den kan stödja filtrerings-, skalnings- och isoleringsfunktioner i kompakta konstruktioner.

Kompakt ytmonteringspaket definierat av åtta ledningar arrangerade symmetriskt runt en smal rektangulär kropp, med dimensioner specificerade i millimeter och tumekvivalenter som referens.Layouten visar en kroppsbredd på cirka 3,80 till 4,00 mm och en total längd på cirka 4,80 till 5,00 mm, med en nominell blydelning på 1,27 mm.Blygeometrin inkluderar definierad ledningsbredd, tjocklek och avståndshöjd för att säkerställa korrekt lödning och samplanaritet, som specificeras till 0,10 mm.Ritningen identifierar sittplanets inriktning, ledningsvinklar och fasdetaljer, och noterar överensstämmelse med JEDEC-standarden MS-012-AA, vilket ger konsekvent mekanisk kompatibilitet för kretskortsmontering.
• Dubbelkanaldesign stöder kompakta kretslayouter
• Låg matningsström stödjer energieffektiv drift
• Rail to rail ingång och utgång möjliggör bättre användning av låga matningsspänningar
• Mycket låg ingångsförspänningsström passar signalkällor med hög impedans
• Brett driftstemperaturområde stöder varierande miljöer
• Stabilt beteende passar analog signalhantering för allmänna ändamål
• Begränsad förstärkningsbandbredd begränsar användningen av högre frekvenssignaler
• Måttlig svänghastighet begränsar svar på snabba signalförändringar
• Matningsspänningsområdet stöder inte system med högre spänning
• Allmän design kanske inte passar applikationer med ultralågt ljud
| Artikelnummer | Tillverkare | Nyckelfunktioner | Använd fall/anteckningar |
| AD8542ARM-REEL | Analog Devices, Inc. | Dubbel lågeffekt operationsförstärkare med rail-to-rail utgångsdrift, låg ingångsförspänningsström och stabil prestanda över ett brett temperaturområde.Levereras i tejp- och rulleförpackning för automatiserad montering. | Väl lämpad för batteridrivna och utrymmesbegränsade konstruktioner som förlitar sig på automatiserad ytmonterad produktion, inklusive bärbara instrument och sensorsignalkonditioneringskretsar. |
| AD8542AR-REEL7 | Analog Devices, Inc. | Dubbel driftförstärkare för allmänt bruk med rail-to-rail-utgångar, låg viloström och konsekventa elektriska egenskaper.Levereras i stor volym rulleförpackning. | Används vanligen vid tillverkning av stora volymer för analoga signalbehandlingsuppgifter som förstärkning, buffring och konditionering i kontroll- och övervakningssystem. |
| AD8542AR-REEL | Analog Devices, Inc. | Lågeffekt dubbel operationsförstärkare med rail-to-rail-utgångskapacitet, måttlig bandbredd och låg ingångsförspänningsström.Designad för ytmontering. | Lämplig för allmänna analoga kretsar där låg strömförbrukning och kompakt ytmonterad förpackning krävs, såsom hemelektronik och inbyggda system. |
Analog Devices, Inc. är ett teknikföretag fokuserat på design och produktion av analoga, blandade signaler och digitala signalkomponenter.Dess produktportfölj stöder signalmätning, konvertering, effektkontroll och datahantering över ett brett utbud av elektroniska system.Företaget betjänar marknader som industriutrustning, kommunikation, sjukvårdsutrustning och hemelektronik.Dess långa drifthistorik återspeglar fokus på stabil prestanda, jämn kvalitet och långsiktig produktsupport.Företagets komponenter används ofta i system som kräver pålitligt signalbeteende under varierande elektriska och miljömässiga förhållanden.
AD8542AR erbjuder en balanserad blandning av låg strömförbrukning, stabil prestanda och flexibel signalhantering.Du kan lita på dess dubbla kanaler för att spara utrymme och minska extra delar i din krets.Dess spår-till-skena-beteende hjälper dig att få ut mer av låga matningsspänningar utan komplex förspänning.Med låg ingångsförspänningsström och offsetspänning hanterar den små signaler rent.Enheten fungerar bra över ett brett temperaturområde, vilket gör den pålitlig i många miljöer.Sammantaget passar den bra in i vardagliga analoga konstruktioner där enkelhet och effektivitet spelar roll.
Skicka en förfrågan, vi svarar omedelbart.
AD8542AR är en dubbel operationsförstärkare för allmän användning designad för lågeffektsdrift med enkel strömförsörjning.
Ja, den är konstruerad för att arbeta från en enda matningsspänning och stöder in- och utsignal från räl till räl.
Du ser det ofta i sensorsignalbehandling, bärbar elektronik, instrumentering och grundläggande analoga bearbetningskretsar.
AD8542AR kommer i ett 8-ledar SOIC ytmonteringspaket med smal kropp.
Ja, dess mycket låga ingångsförspänningsström gör den lämplig för kretsar anslutna till signalkällor med hög impedans.
på 2026/01/13
på 2026/01/13
på 8000/04/18 147772
på 2000/04/18 112010
på 1600/04/18 111351
på 0400/04/18 83769
på 1970/01/1 79565
på 1970/01/1 66960
på 1970/01/1 63100
på 1970/01/1 63040
på 1970/01/1 54097
på 1970/01/1 52184