
De AD9361 står ut som en mångsidig RF Agile Transceiver, skräddarsydd för samtida 3G- och 4G -basstationsföretag.Täcker ett brett frekvensspektrum från 70 MHz till 6,0 GHz visar det dess mångsidighet och anpassning till olika trådlösa kommunikationskrav.Med integrationen av en RF -frontend tillsammans med flexibelt basband och frekvenssyntesiserare, strömlinjeformas, och presenterar ett digitalt gränssnitt för processorer.Detta effektiva paket, inneslutet i en 10 mm × 10 mm, 144-boll CSP_BGA, riktar sig till applikationer där utrymmet är till en premium.Genom att omfatta ett brett frekvensspektrum stöder AD9361 en mängd sändtagarapplikationer, inklusive basstationer och banbrytande trådlösa system.Dess programmerbara natur ger möjlighet att anpassa enheten till exakta specifikationer, förbättra utvecklingsprocessen och öka prestandan.
Kanalbandbredd sträcker sig från under 200 kHz till 56MHz, vilket gör AD9361 lämplig för ett brett spektrum av applikationer.Denna bandbreddflexibilitet möjliggör enkel anpassning till olika kommunikationsnormer, vilket främjar effektiv resurshantering.Fältprov betonar hur denna anpassningsförmåga möjliggör snabba och exakta reaktioner på dynamiska miljöer.AD9361: s kapacitet för digital gränssnitt med processorer lindrar konventionella utmaningar i RF -design.Genom att slå samman flera funktioner till en enda enhet minskar det behovet av extra komponenter och effektiviserar den totala systemdesignen.Denna strategi får ofta utmärkelser inom branschforum för sin förmåga att minimera kostnaderna och öka pålitligheten genom att minska felpunkter.



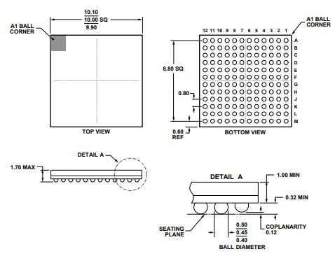
Tekniska specifikationer, attribut och parametrar för Analog Devices Inc. AD9361, tillsammans med delar som är jämförbara med Analog Devices Inc. AD9361BBCZ.
|
Typ |
Parameter |
|
Livscykelstatus |
Produktion (senast uppdaterad: 2 veckor sedan) |
|
Kontaktplätning |
Koppar, silver, tenn |
|
Monteringstyp |
Ytfäste |
|
Antal stift |
144 |
|
Förpackning |
Bricka |
|
Pbfree -kod |
inga |
|
Fuktkänslighetsnivå (MSL) |
3 (168 timmar) |
|
ECCN -kod |
5A991.B |
|
Terminal |
Tenn/silver/koppar (SN/AG/CU0.5) |
|
Terminalform |
BOLL |
|
Antal funktioner |
1 |
|
Terminalhöjd |
0,8 mm |
|
Frekvens |
70MHz - 6 GHz |
|
Basdelnummer |
AD9361 |
|
Driftsförsörjningsspänning |
1.3V |
|
Kraft - utgång |
0,8 mW |
|
Seriegränssnitt |
Spi |
|
Aktuell - sändning |
240 mA ~ 800mA |
|
Bullerfigur |
2,5 dB |
|
Längd |
10mm |
|
Nå SVHC |
Ingen SVHC |
|
Blyfri |
Innehåller bly |
|
Fabriksledning |
8 veckor |
|
Montera |
Ytfäste |
|
Förpackning / fodral |
144-LFBGA, CSPBGA |
|
Driftstemperatur |
-40 ° C ~ 85 ° C |
|
JESD-609 kod |
e1 |
|
Delstatus |
Aktiv |
|
Antal avslutningar |
144 |
|
Typ |
Endast TX-RX |
|
Terminalposition |
BOTTEN |
|
Toppens reflowtemperatur (CEL) |
260 |
|
Leveransspänning |
1.3V |
|
Djup |
10mm |
|
Time@Peak Reflow Temperatur-Max (er) |
Inte specificerad |
|
Räkning |
144 |
|
Protokoll |
Lte |
|
RF -familj/standard |
Cell- |
|
Nuvarande - mottagning |
175MA ~ 445MA |
|
Antal mottagare |
2 |
|
Höjd |
1 mm |
|
Bredd |
10mm |
|
ROHS -status |
ROHS -kompatibel |

Transceiver rymmer både Time Division Duplex (TDD) och frekvensdelningsduplex (FDD) -operationer, och erbjuder en mångsidig dubbelläge.Denna flexibilitet möjliggör sömlös integration i olika kommunikationssystem.Från telekommunikation till militära tillämpningar förbättrar denna anpassningsförmåga strategier i olika utmanande miljöer.
Kanalåterställbarhet sträcker sig från mindre än 200 kHz till 56 MHz, vilket erbjuder imponerande anpassningsbarhet.Detta möjliggör skräddarsydd prestanda över olika frekvensband: smalbandsapplikationer och bredbandsapplikationer.Teknologier som LTE och 5G använder effektivt denna inställbarhet för att optimera spektrumeffektiviteten och minimera störningar, vilket kraftigt förbättrar den operativa effektiviteten.
Hög mottagarkänslighet spelar en roll i pålitlig signaldetektering, särskilt under utmanande förhållanden.Denna funktion används i avlägsna områden och landsbygdsregioner.Sådan känslighet är fördelaktig för att upprätthålla starka förbindelser, särskilt bra för kommunikation inom sektorer som räddningstjänster eller avlägsna sjukvårdsövervakning.
AD9361 är en kärna i punkt-till-punkt-kommunikationssystem, firade för dess anmärkningsvärda anpassningsförmåga.Dess skicklighet vid hantering av ett spektrum av frekvenser och bandbredd gör det till ett optimalt val inom dessa system.Andra utnyttjar ofta sin integrationspotential för att skapa strömlinjeformade nätverk och förbättra både länkarnas tillförlitlighet och prestanda.Genom att på ett förnuftigt sätt optimera resurser kan du bevittna förbättringar i punkt-till-punkt-anslutning.
Inom basstationerna kännetecknas AD9361 av dess motståndskraft och enastående prestandametriker.Den integreras sömlöst med olika nätverksstandarder, vilket underlättar anmärkningsvärd skalbarhet och flexibilitet, två aspekter som modern telekommunikationsinfrastruktur beror på.Många har vinster i driftseffektivitet och en minskning av utplaceringsutgifterna genom att integrera AD9361 i sina ramar.
Enhetens mångsidighet lyser också i radiosystem för allmänt syfte, där efterfrågan på anpassning och anpassningsförmåga är hög.Andra värderar AD9361: s förmåga att hantera flera signalvägar samtidigt och banar vägen för innovativa radiolösningar.En sådan integration spelar en roll för att uppnå överlägsen signalens tydlighet och effektivitet i dagens hyperanslutna miljö.

AD9361-sändarmodellen integrerar sömlöst digital upp-konverterings-, analoga och RF-frontfilter för att stödja effektiv kommunikation över olika applikationer, vilket skapar en bro mellan tekniska och interaktionskrav.Digital Up-Conversion transformerar basbandssignaler till högre frekvenser som är nödvändiga för effektiv överföring.Denna process bevarar signalintegritet genom att minimera distorsion.Den kontinuerliga utvecklingen av digital signalbehandling drivs av industriella behov och strävar efter precision och tillförlitlighet i komplexa kommunikationssystem.Analoga och RF-frontfilter rena signaler genom att eliminera onödiga frekvenser och minska brus.De spelar en viktig roll för att säkerställa tydlig kommunikation över olika avstånd, deras effektivitet upprepade gånger bevisats i miljöer.Dessa element förbättrar signalens trohet och systemprestanda.
Icke -linjäritet och få obalanser utgör utmaningar vid signalöverföring.AD9361 -sändarmodellen använder sofistikerade algoritmer för att hantera dessa, vilket möjliggör toppprestanda.Innovativa strategier baserade på empirisk validering och rigorös fältprovning används för kontinuerliga parameterjusteringar.
Justerbar dämpning möjliggör exakt kontroll över signalkraftnivåer, vilket möjliggör skräddarsydda transmissionsegenskaper baserade på specifika behov.Denna anpassningsförmåga förhindrar dataförlust eller interferens, balansering av signalstyrka.Detta tillvägagångssätt, format av omfattande feedback, matchar samtida krav på motståndskraftiga och flexibla kommunikationssystem.Effektiv dämpningshantering över olika kommunikationsplattformar upprätthåller systemintegritet och effektivitet.Anpassningsbara inställningar är i linje med olika operativa förhållanden, medan fältförsök i dynamiska inställningar understryker rollen som justerbar dämpning i moderna system.

Arkitekturen för AD9361 -mottagaren resonerar med den för dess sändarens motsvarighet, med fokus på Adept bruskontroll och upprätthåller ett brett dynamiskt intervall.Denna harmoni innebär att tillämpa intrikata filtrerings- och dämpningstekniker, som syftar till att skydda signalrenhet.Att minska bruset förbättrar tydligheten i mottagna signaler.Användningen av avancerade filter hjälper till att skilja den önskade signalen från omgivande brus.Dessutom ger adaptiva filtreringsstrategier flexibilitet för on-the-fly-justeringar av förändrade brusmiljöer och därmed förbättrar stabiliteten.Att upprätthålla ett omfattande dynamiskt intervall är integrerat i mottagarens prestanda.Automatic Gain Control (AGC) -system gör det möjligt för mottagaren att anpassa sig till olika signalstyrkor och syftar till att minska distorsionen samtidigt som dataprecisionen förbättras.Andra implementerar vanligtvis AGC i komplicerade miljöer för att upprätthålla signalutmärkelse.

Analoga enheter har fått erkännande för sin expertis inom sammanslagning av analog och digital signalbehandling.Det erbjuder banbrytande lösningar som översätter komplexa fenomen till praktiska elektriska data och driver framåt elektroniska applikationer.Företagets engagemang för kvalitet och banbrytande teknik placerar det i framkant av branschutvecklingen, och framkallar både respekt och en känsla av beundran.Genom AD9361 belyser analoga enheter sin inflytelserika roll för att stärka tekniker som överskrider konventionella gränser.När branscher utvecklas kommer törsten efter anpassningsbara och effektiva signalbehandlingslösningar oundvikligen att stiga, med AD9361 som står som ett viktigt element för framtida innovation, främjar en känsla av förväntan och framtänkande utforskning.
AD9361 är utformad för att betjäna ett brett utbud av radiofrekvensbehov, vilket erbjuder starka kapacitet i både modulering och nätverksanpassningsbarhet.Med sin höga integration och utmärkta prestanda passar den sömlöst in i moderna kommunikationsramar.I praktiska termer hjälper chipet att konsolidera designprocesser genom att integrera olika funktioner i ett enda paket.Denna minskning av komplexiteten bidrar till förbättrad tillförlitlighet i enheter som mjukvarudefinierade radioapparater och MIMO-system.Dess flexibilitet blir särskilt inflytelserik i scenarier som kräver snabba justeringar av att utveckla nätverksstandarder.
En smidig sändtagare smälter samman en radiofrekvensfront med ett programmerbart basband, vilket underlättar designprocesserna för aktuella digitala processorer eller fältprogrammerbara grinduppsättningar (FPGA).Dessa sändtagare ger latitud när det gäller att skapa och distribuera kommunikationssystem, tack vare deras förmåga att genomgå dynamisk rekonfiguration för att möta kraven från olika kommunikationsprotokoll.Till exempel finner tillverkare av nätverksutrustning att de snabbt kan ta med produkter till marknaden och ekonomisera genom att ändra sändtagarfunktioner genom programuppdateringar istället för hårdvaruändringar.
AD9361 fungerar över ett brett frekvensområde, som sträcker sig från 70 MHz till 6 GHz, vilket skapar en strömlinjeformad metod för att skapa RF -sändtagare.Den innehåller ett basband med blandad signal med frekvenssyntesiserare, vilket gör att det kan täcka ett mångfaldigt spektrum av frekvensband.Denna konsolidering hjälper till att minska antalet externa delar som krävs, vilket främjar mer kompakta och energibesparande mönster.Med tanke på dess olika kapacitet tillämpas AD9361 inom olika områden, såsom mobila basstationer och flyg- och rymdteknik, där dynamisk och stadig trådlös kommunikation har värde.Många har noterat att det är skickligt att snabbt anpassa sig till förändringar i frekvens och samtidigt stödja flera kanaler, vilket presenterar anmärkningsvärda operativa fördelar i snabbt framsteg tekniska domäner.
Skicka en förfrågan, vi svarar omedelbart.
på 2024/10/29
på 2024/10/29
på 8000/04/18 147757
på 2000/04/18 111934
på 1600/04/18 111349
på 0400/04/18 83719
på 1970/01/1 79508
på 1970/01/1 66896
på 1970/01/1 63010
på 1970/01/1 63003
på 1970/01/1 54081
på 1970/01/1 52118