
De FDV301N är en noggrant utformad tre-terminal N-kanal MOSFET, skickligt skräddarsydd för överlägsen prestanda i lågspännings- och växlingssammanhang.Det som gör denna komponent mest tilltalande är dess minimala motstånd på tillstånd, vilket möjliggör en mångsidig substitution av olika transistorer i elektroniska kretsar.Som basiska komponenter inom elektronik är MOSFET: er-kända som metall-oxid-halvledarfälteffekttransistorer-kategoriserade i P-kanal- och N-kanalvarianter.Denna division påverkar djupt deras användning och prestandadrag.
N-kanal MOSFETS, såsom FDV301N, främst utnyttjar elektroner som laddningsbärare, vilket främjar förbättrad konduktivitet.Denna benägenhet för elektroner ger distinkta fördelar jämfört med P-kanal MOSFETS som använder hål för ledning.De inneboende egenskaperna hos elektroner, med deras växtrörelse, ger N-kanal MOSFETS med potential att leverera förhöjda prestandanivåer, mestadels i högeffektiva dimensioner.Snabbelektrontransit är dominerande för applikationer som kräver snabbomkopplingsfunktioner och effektiv krafthantering.

|
Stiftnummer |
Stiftnamn |
Beskrivning |
|
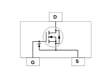
Stift 1 |
Dränera |
Dräneringsstiftet tillåter flödet av ström till enheten. |
|
Stift 2 |
Gate |
Baserat på den applicerade spänningen vid denna stift, denna MOSFET
blir påslagen och av.Så denna stift används för att förspänna transistorn. |
|
Stift 3 |
Källa |
Strömflödet går ut i hela denna stift.
Vanligtvis är denna stift ansluten till GND. |
|
Funktion/specifikation |
Information |
|
Typ |
N-kanal MOSFET |
|
Paket |
SOT-23 ytmonterad (plast/epoxi) |
|
Storlek |
Kompakt, lätt |
|
Pålitlighet |
Pålitlig och robust |
|
Kanaltyp |
N |
|
Stift |
3 |
|
Kanalläge |
Förbättring |
|
Transistorkonfiguration |
Enda |
|
Längd |
2,92 mm |
|
Bredd |
1,3 mm |
|
Material |
Kisel (SI) |
|
Tappa-till-källspänning (VDSS) |
25 v |
|
Grind-till-källspänning (VGSS) |
8 v |
|
Ingångsspänning (VIN) |
5 v |
|
Gate-to-källtröskelspänning (VGS-TH) |
0,85V, 1,06V, 70V |
|
Tappström (ID) |
22 a |
|
Power Dispipation (PD) |
35 w |
|
Ingångskapacitans (CISS) |
5 pf |
|
Utgångskapacitans (COSS) |
6 pf |
|
Korsningstemperatur (TJ) |
-55 ℃ till 150 ℃ |
|
Omgivande termisk motstånd |
357 ℃/w |
|
Motstånd mot tillstånd (RDS (ON)) |
4 till 5 Ω |
|
Stigningstid (TR) |
6 - 15 ns |
|
Total grindavgift (QG) |
49 till 0,7 NC |
|
Högcelltäthet |
Ja |
|
Teknologi |
DMOS |
|
Motståndsmotstånd på tillstånd |
Ja |
|
Gate-to-källspänning (VGS-TH) |
8 v |
Att förstå potentialen för FDV301N MOSFET kräver att man undersöker sin roll inom en grundläggande omkopplingskrets.Kärnkomponenterna i denna installation inkluderar FDV301N MOSFET, en LED som fungerar som last, två kraftkällor vid 3,3V och 5V och en switch.Denna konfiguration visar MOSFET: s funktion som en switch och hanterar överföring av ström för att belysa lysdioden.
I denna design aktiverar 5V kraftkällan lysdioden och säkerställer att den får tillräckligt med energi för att lysa starkt.Omvänt ansluter 3.3V -källan till MOSFET: s grind och accentuerar MOSFET: s lyhördhet för grindspänningsfluktuationer.Detta möjliggör kontroll av höga strömnivåer med minimal ingång, en attraktiv kvalitet för olika applikationer.Genom att använda denna dubbla källkodsinställning används energi mer effektivt, vilket leder till minskad strömförbrukning-aktivt för enheter som körs på batterier eller kräver portabilitet.
FDV301N MOSFET -omkopplingskrets

Kretsens switch styr operationen.När den är otryckt når ingen spänning grinden, vilket gör MOSFET icke -ledande och fungerar som en öppen krets när hela 5V appliceras.Denna enkelhet är användbar i applikationer som behöver okomplicerad kontroll, liknande grundläggande logikgrindar i digital elektronik.
Genom att trycka på brytaren introducerar 3,3V till grinden, vilket gör att MOSFET kan utföra och därmed driva lysdioden.Detta återspeglar kontrollmetoder som liknar dem i mer komplexa system som pulsbreddmodulering (PWM) som är vanliga vid mikrokontrolleranvändning, där exakt krafthantering är fördelaktig.LED tänds när omkopplaren är engagerad, vilket bevisar FDV301N MOSFETs mångsidiga funktionalitet som en omkopplare.Integrering av sådana MOSFET: er resulterar ofta i kretsar som är både kompakta och mångsidiga, anpassningsbara till många konfigurationer.
FDV301N MOSFET befinner sig i ett brett spektrum av applikationer och gräver i avancerade domäner såsom batterihanteringssystem och DC-DC-omvandlare.Displayförarkretsar utnyttjar sin precision för lågspänning och strömkontroll.I billandskapet påverkar det djupt elektronik med sin skickliga höghastighetsomkoppling och prestanda i inverterkretsar.MOSFET visar sig vara ovärderlig i servomotorstyrning, styrkraftsreglering och utföra exakta växlingsoperationer.Den integreras sömlöst i elektroniska styrenheter och fungerar som en effektiv relädrivare.Inom världen av elektriska fordon fungerar det som en allvarlig kraftomvandlare, vilket bidrar till förbättrad energieffektivitet.
I banbrytande bilsystem understödjer FDV301N MOSFET främjandet av intrikata elektroniska ramverk.Den hanterar kraftfördelning och optimerar elektronisk prestanda över fordon.Tillförlitlighet i sin omkopplare hjälper till en smidig drift av komponenter som infotainment -system och adaptiva belysningsinställningar.
Inom Power Electronics sticker MOSFET: s inverkan på inverterkretsdesign och prestanda ut.Dess snabba växlingsförmåga i kombination med minimal kraftfördelning är en betydande bidragare till effektivitetsförbättringar, mest för applikationer som kräver kompakta och robusta kraftlösningar.Denna innovation blir alltmer dynamisk när branscher driver mot hållbara och energieffektiva metoder.
När elektriska fordonsprevalens växer, står FDV301N MOSFET: s roll i energikonvertering alltmer relevant.Effektiv hantering av energipransformation stöder maximalt batteriutnyttjande och utökar fordonsresor.Sådana kapaciteter får fart genom kumulativ fordonsupplevelse som driver kontinuerlig design och tekniska förbättringar.
Med elektroniska kontrollenheter som antar dominerande roller över applikationer, lyser FDV301N MOSFET: s anpassningsförmåga i smarta och automatiserade system.Dess kompetens i hanteringen av varierade elektriska uppgifter samtidigt som man upprätthåller krafteffektiviteten betonar dess relevans för nuvarande och kommande framsteg.Praktisk tillämpning Insikter Öppna vägar för att höja smart teknik ytterligare.
Skicka en förfrågan, vi svarar omedelbart.
på 2024/12/10
på 2024/12/10
på 8000/04/18 147770
på 2000/04/18 111999
på 1600/04/18 111351
på 0400/04/18 83767
på 1970/01/1 79558
på 1970/01/1 66957
på 1970/01/1 63098
på 1970/01/1 63039
på 1970/01/1 54095
på 1970/01/1 52179