
De Bf245 används främst för att förstärka signaler inom VHF, UHF -band och ljudfrekvenser.Med hög förstärkning och låga brusattribut förstärker det adeptly små signaler samtidigt som brusinterferensen minimeras.
Serien, inklusive BF245, BF245A, BF245B och BF245C, visar distinkta elektriska egenskaper, mestadels i grindkällspänning och nollgrindspänningsström.Dessa skillnader tillgodoser specifika applikationer och erbjuder mångsidighet när det gäller att optimera kretskonstruktioner för olika signalförstärkningsbehov.Effektivitet i VHF- och UHF -band är anmärkningsvärd på grund av deras förmåga att hantera och förstärka svagare signaler, vilket förbättrar signalens tydlighet och styrka, grundläggande för sändningar och kommunikationssystem.
I ljudfrekvensapplikationer utmärker BF245 genom att bevara signalintegritet och minimera distorsion, som används i ljudutrustning med hög trohet.Dess förmåga att filtrera bort brus säkerställer renare ljudutgång.Jämfört med liknande transistorer gör BF245: s balans mellan hög förstärkning och lågt brus till ett populärt val.Du kan ofta föredra denna komponent för dess robusthet och tillförlitlighet i krävande miljöer.

|
STIFT |
SYMBOL |
BESKRIVNING |
|
1 |
g |
Gate |
|
2 |
s |
Källa |
|
3 |
d |
Dränera |



|
Särdrag |
Specifikation |
|
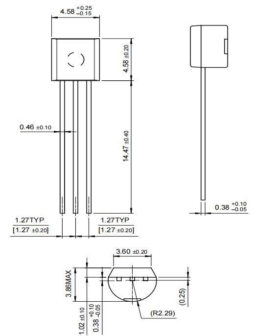
Pakettyp |
Till 92 |
|
Transistortyp |
N kanal jfet |
|
Dräneringskällspänning |
30V (maximalt) |
|
Dräneringspänning |
30V (maximalt) |
|
Spänningsspänning |
–30V (maximalt) |
|
Kontinuerlig dräneringsström |
25ma (maximalt) |
|
Grindskurningspänning |
-0,5V till -0V |
|
Maktförsläpp |
300MW (maximalt) |
|
Lagring och driftstemperatur |
-55 ° C till +150 ° C |
|
Ljudnivå och förstärkning |
Låg brus och hög förstärkning |
|
Driftsfrekvens |
Upp till 700 MHz |
|
Dränering och källutbytbarhet |
Ja |
Här är den tekniska specifikationstabellen för halvledaren Bf245b Jfet.
|
Typ |
Parameter |
|
Livscykelstatus |
Föråldrad |
|
Senaste transporter |
Senast uppdaterad: För 1 vecka sedan |
|
Montera |
Genom hålet |
|
Förpackning / fodral |
TO-226-3, TO-92-3 (TO-226AA) |
|
Antal stift |
3 |
|
Vikt |
200 mg |
|
Nedbrytningsspänning / v |
-30 v |
|
Antal element |
1 |
|
Förpackning |
Bulk |
|
Publicerad |
2009 |
|
JESD-609 kod |
e0 |
|
Pbfree -kod |
Inga |
|
Delstatus |
Föråldrad |
|
Fuktkänslighetsnivå (MSL) |
1 (obegränsad) |
|
Antal avslutningar |
3 |
|
ECCN -kod |
Örat99 |
|
Terminal |
Tenn/bly (SN/PB) |
|
Max driftstemperatur |
150 ° C |
|
Min driftstemperatur |
-55 ° C |
|
HTS -kod |
8541.21.00.75 |
|
Spännings - klassad DC |
30 v |
|
Current Rating (AMPS) |
100 ma |
|
Max Power Dispipation |
350 MW |
|
Terminalposition |
Botten |
|
Toppens återflödetemperatur (° C) |
240 |
|
Nå efterlevnadskod |
Inte kompatibel |
|
Aktuellt betyg |
10 ma |
|
Time@Peak Reflow Temp-Max (er) |
30 |
|
Basdelnummer |
Bf245 |
|
Räkning |
3 |
|
Kvalifikationsstatus |
Inte kvalificerad |
|
Elementkonfiguration |
Enda |
|
Driftsläge |
Utarmningsläge |
|
Maktförsläpp |
350 MW |
|
Transistorapplikation |
Förstärkare |
|
Tappa till källspänning (VDSS) |
15 v |
|
Transistortyp |
N-kanal JFET |
|
Kontinuerlig dräneringsström (ID) |
15 MA |
|
Grind till källspänning (VGS) |
-30 v |
|
Tappa strömmax (ABS) (ID) |
0,1 a |
|
Tappa till källens nedbrytningsspänning |
30 v |
|
FET -teknik |
Korsning |
|
Högsta frekvensband |
Ultra hög frekvens b |
|
Höjd |
4,58 mm |
|
Längd |
4,58 mm |
|
Bredd |
3,86 mm |
|
ROHS -status |
Icke-ROHS-kompatibel |
|
Blyfri |
Blyfri
|
• BF245C
• 2N5457
• 2sk117
• Mpf102
• 2n5458
• BF244A
• BF256A
• J113
• 2N3819
• 2N4416
• 2n5638
• 2sk162
BF245 finner omfattande användning vid förstärkning av VHF (mycket hög frekvens) och UHF (ultrahögfrekvens).Dessa frekvenser spelar en roll i radiokommunikation, tv -sändningar och trådlösa enheter, vilket kräver detaljerad förstärkning för att upprätthålla signalens tydlighet.Du kan utforska i sofistikerade konfigurationer för att förbättra prestanda och överväga utmaningar som signalförvrängning och brushantering.Denna strävan överensstämmer ofta med den känslomässiga tillfredsställelsen av att uppnå teknisk excellens.
Denna transistor spelar en roll i att skapa RF -oscillatorer, som genererar stabila och exakta frekvenssignaler.Dess låga brusfunktion berikar kvaliteten på utgångssignaler, en faktor som vårdas i telekommunikation och sändningscirklar.Du kan investera den känslomässiga och intellektuella ansträngningen för att minimera harmonisk distorsion samtidigt som du bevarar frekvensstabilitet och drar insikter från praktiska upplevelser för att justera kretsparametrar.
Inom området för ljudförstärkning ger BF245 pålitligt stöd för ljudsignaler med låg effekt.Dess roll i ljudkretsar säkerställer minimal distorsion, vilket gör den lämplig för ljudsystem med hög trohet.Konsten att balansera kraftförbrukning med prestanda blir en exakt uppgift, du kan njuta av raffinering för att förbättra lyssningsupplevelsen, informerad av praktisk expertis för att korrekt förspänna transistorn.
För signalbehandling på låg nivå, ofta sett i analytiska och mätinstrument, visar BF245 dess värde.Hantering av svaga signaler säkerställer skickligt dataintegritet.Att arbeta med denna transistor inom områden som miljöövervakning och biomedicinsk teknik blir en utforskning av anpassningskretsar för att tillgodose exakta mätbehov och njuta av det intellektuella engagemang som detta innebär.
BF245 förbättrar sensorkretsar genom att förstärka svaga signaler från olika sensorer.Oavsett om det är i temperatur, tryck eller fuktighetsavkänning ger denna transistor stabil förstärkning, vilket underlättar noggrann tolkning av sensordata.Du kan försöka förfina sensorkretsar, med fokus på att minimera responstider och förbättra känsligheten, samtidigt som du uppskattar BF245: s konsekventa prestanda över olika förhållanden.

På halvledare tjänar halvledarsektorn med en mängd olika produkter.Företaget är specialiserat på kraft- och signalhantering, logiska komponenter och diskreta och skräddarsydda enheter som fordon, kommunikation, dator, konsument, industriell, LED -belysning, medicinsk, militär/flyg- och kraftapplikationer.På halvledare driver ett omfattande nätverk i Nordamerika, Europa och Asien och Stilla havet.Företaget har sitt huvudkontor i den livliga staden Phoenix, Arizona, ett nav som driver sin innovativa anda.
Cylindriska batterilhållare.pdf
Skicka en förfrågan, vi svarar omedelbart.
på 2024/10/29
på 2024/10/29
på 8000/04/18 147757
på 2000/04/18 111934
på 1600/04/18 111349
på 0400/04/18 83719
på 1970/01/1 79508
på 1970/01/1 66896
på 1970/01/1 63010
på 1970/01/1 63003
på 1970/01/1 54081
på 1970/01/1 52118