

|
Stiftnamn |
Pin No. |
Typ |
Beskrivning |
|
Vdd |
16 |
Driva |
Matningsspänning (+3 till +15V) |
|
Gard |
8 |
Driva |
Mark (0V) |
|
D0-D7 |
1, 4, 5, 6, 7, 13, 14, 15 |
Input |
Parallella datainmatningsstift |
|
Q5, Q6, Q7 |
2, 3, 12 |
Produktion |
Buffrade utgångar från de senaste tre bitarna |
|
Pe |
9 |
Input |
Parallell aktivera |
|
Cp |
10 |
Input |
Klockstift för att synkronisera ingången |
|
Ds |
11 |
Input |
Seriell ingångsstift |
För att gå in på att använda 4014 IC, börja med att försiktigt ansluta VDD till din kraftkällas positiva terminal och GND till den negativa terminalen.Denna IC fungerar inom ett kraftintervall från 3V till 15V, men specifika modeller kan sträcka sig upp till 20V.Det är tillrådligt att undersöka databladet för exakta elektriska detaljer, skräddarsy kompatibilitet till din unika installation.Det valda spänningsområdet påverkar direkt enhetens operativa integritet och jämn funktionalitet.
Initiera parallell databelastning genom att växla parallella möjliga (PE) -stift i ett högt tillstånd.Anslut dina valda dataingångar över parallella datapinnar märkt D0 till D7.En stigande kantsignal som appliceras på CLK -stiftet fångar de avsedda uppgifterna i registret.Denna förberedande fasspeglar som sätter ett team på en välkoordinerad praxis, där roller och synkronisering är av största vikt.
Börja data som växlar genom att växla PE -stiftet till ett lågt tillstånd.Varje stigande CLK -puls förändras data stegvis.I detta läge tjänar DS -stiftet för seriell datainmatning, vilket underlättar flexibel databehandling.Denna funktion blir särskilt fördelaktig när vätskedataövergången behövs, vilket säkerställer effektiv organisation och kategorisering av digitala signaler.

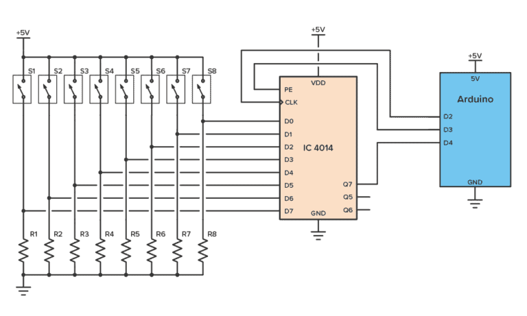
De CD4014 Shift Register är ett praktiskt verktyg för att läsa tillstånden på upp till åtta switchar med bara tre mikrokontrollstift, till exempel med en Arduino.Detta gör det idealiskt för projekt där PIN -tillgängligheten är begränsad, eftersom den effektivt utökar ingångskapacitet utan behov av extra hårdvara.Kretsen fungerar genom att fånga tillstånden för alla anslutna switchar och skicka dessa data till mikrokontrollern en bit åt gången.CD4014 använder parallell-till-seriell konvertering, så att du kan övervaka flera switchar samtidigt som du håller ledningen enkel och kompakt.
För att ställa in den, anslut Arduinos D3 -stift till CD4014: s parallella Enable (PE) -stift, D2 till klockan (CLK) PIN och D4 till Data Output (Q) Pin.D3 aktiverar spärren för att fånga switchtillstånd, D2 skickar klockpulser för att flytta tillstånden till utgången, och D4 läser data i följd.Varje klockpuls flyttar nästa switchtillstånd till utgångsstiftet, vilket gör att Arduino kan läsa alla åtta switchar en åt gången.Detta tillvägagångssätt är effektivt och sparar både utrymme och resurser.Genom att använda CD4014 kan du hantera flera ingångar med minimal I/O -användning, förenkla din design och minska ledningskomplexiteten.Det är en kompakt och pålitlig lösning för projekt som kräver exakt övervakning av switchtillstånd.
• NTE4014
• MC14014
• HCF4014
• HEF4014
• CD4014BE
• 74HC165
• 74HC166
• 74HC198
Cylindriska batterilhållare.pdf
Skicka en förfrågan, vi svarar omedelbart.
på 2024/12/9
på 2024/12/8
på 8000/04/18 147757
på 2000/04/18 111934
på 1600/04/18 111349
på 0400/04/18 83719
på 1970/01/1 79508
på 1970/01/1 66896
på 1970/01/1 63010
på 1970/01/1 63004
på 1970/01/1 54081
på 1970/01/1 52118