
De CD4052 , en integrerad krets rik på anpassningsförmåga, fungerar som både en 4-kanals multiplexer och en demultiplexer.Den fungerar skickligt som en 4: 1 -multiplexer, val av en enda utgång från fyra tillgängliga ingångar, eller som en 1: 4 -demultiplexer, som riktar en insignal till en av fyra möjliga utgångar.Dess harmoni med både analoga och digitala signaler gör den mångsidig över olika designlandskap, från att navigera i intrikata ljudsignalvägar till förädlingssystem.CD4052: s dubbla funktioner erbjuder sömlöst gränssnitt med analoga och digitala världar, vilket förbättrar dess användningsområde.Denna anpassningsförmåga uppskattas i miljöer som hanterar blandade signaler.

|
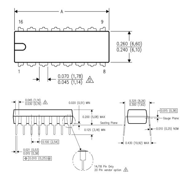
Stift
Inga. |
Stiftnamn |
Beskrivning |
|
16 |
Vdd |
Positiv effektinmatning, maximalt 20V |
|
7 |
Vå |
Negativ kraftskena, normalt ansluten till marken. |
|
8 |
VSS (mark) |
Ansluten till kretsens mark |
|
6 |
In |
Enable Pin - måste dras till marken för det normala
drift |
|
9,10 |
A, B |
Kanal Välj stift |
|
1,12 |
Y0, x0 |
Kanal 0 ingång / utgång |
|
5,14 |
Y1, x1 |
Kanal 1 ingång / utgång |
|
2,15 |
Y2, x2 |
Kanal 2 ingång / utgång |
|
4,11 |
Y3, x3 |
Kanal 3 ingång / utgång |
|
3,13 |
Y, x |
Vanlig utgång / ingång |
|
Särdrag |
Beskrivning |
|
4-kanals Mux och Demux |
Stöder 4 kanaler för multiplexering och demuxing. |
|
4: 1 multiplexer |
Fungerar som en 4-ingång till 1-utgångs multiplexer. |
|
1: 4 Demultiplexer |
Fungerar som en 1-ingång till 4-utgångs demultiplexer. |
|
Analog och digitalt stöd |
Hanterar både analoga och digitala signaler. |
|
Nominell spänning |
Fungerar på 5V, 10V eller 15V. |
|
Maxspänning |
Fungerar upp till 20V. |
|
Utbredningsfördröjning |
400ns vid 5V. |
|
Paketalternativ |
Finns i PDIP, CDIP, SOIC och TSSOP (16-stift). |
• 74HC4067
• 74HC157
• CD4016
• NTE4052
• 4017
CD4052 är känd för sin anpassningsförmåga inom både högspänningsmultiplexer- och demultiplexer-ramverk, vilket utnyttjar avancerad CMOS-teknik.Du kan ofta hitta det i konfigurationer där en 4: 1 multiplexer (mUX) eller en 1: 4 demultiplexer (DEMUX) spelar en roll, särskilt i programmerbara logikmiljöer.Enhetens förmåga att skickligt navigera i både analoga och digitala spänningar gör det till en bro mellan analog-till-digital och digital-till-analogövergångar.
En multiplexer, eller "mUX", är en enhet som används för att välja en av flera insignaler och överföra den till en enda utgång.Denna kapacitet styrs av urvalslinjer, som avgör vilken ingång som skickas till utgången.Multiplexerare är bra för att hantera data effektivt, särskilt i system som hanterar stora volymer information, till exempel telekommunikation och datornätverk.På telekommunikation tillåter multiplexer flera signaler som röst, video och data att dela en enda kommunikationskanal, vilket gör det bästa av tillgängliga bandbredd.På samma sätt hjälper de till att hantera dataruttning och växling, vilket säkerställer smidig och effektiv kommunikation mellan enheter.Multiplexerare spelar också en roll i digitala system, såsom mikrokontroller och logiska kretsar, genom att utöka funktionaliteten för begränsade hårdvarukomponenter och möjliggöra snabb databehandling och signalomkoppling.

|
En |
B |
Kanal vald |
|
0 |
0 |
Kanal 0 |
|
1 |
0 |
Kanal 1 |
|
0 |
1 |
Kanal 2 |
|
1 |
1 |
Kanal 3
|
Figuren och tabellen illustrerar tillsammans driften av CD4052 IC som en 4: 1 -multiplexer, vilket visar hur en ingångskanal väljs åt gången baserat på värdena på Select Pins A och B. I figuren finns det fyra ingångarKanaler (x0 - x3) anslutna till multiplexern, med de utvalda linjerna A och B som bestämmer vilken ingång som dirigeras till utgången (x).Till exempel visar figuren konfigurationen där a = 1 och b = 0, aktiverande kanal 1 (x1) och dess signal (binär 1) överförs till utgången.Tabellen kompletterar detta genom att tillhandahålla en tydlig mappning av Select Pin -tillstånd till motsvarande aktiva kanaler: A = 0 och B = 0 Väljer kanal 0 (x0), A = 1 och B = 0 Väljer kanal 1 (x1), a =0 och B = 1 väljer kanal 2 (x2) och a = 1 och b = 1 väljer kanal 3 (x3).Tillsammans illustrerar figuren och tabellen effektivt multiplexerens funktionalitet, där figuren visuellt implementerar kanalvalet definierat i tabellen.
En demultiplexer, eller "demux", utför motsatt funktion av en multiplexer.Den tar en enda insignal och distribuerar den till en av flera utgångslinjer baserat på en styrsignal.Detta är användbart i system som måste rikta data eller signaler till olika destinationer, till exempel i kommunikationssystem där en enda källa skickar data till flera mottagare.Demultiplexers används för att säkerställa korrekt datadistribution i system som hanterar flera informationsströmmar.Till exempel, i multimedia -applikationer, separerar demultiplexers kombinerade ljud, video och andra dataströmmar för uppspelning eller bearbetning.Vid datoranvändning används de i minnessystem för att dirigera data till specifika platser eller enheter.

Figuren visar driften av CD4052 IC som en 1: 4 -demultiplexer, där en enda insignal som appliceras på X- och Y -stiften dirigeras till ett av de fyra utgångspararna (X0Y0, X1Y1, X2Y2, X3Y3) baserat på tillståndav de utvalda stiften A och B. I diagrammet riktas ingångssignalen (binär 1) till det andra utgångsparet (x2 och y2) eftersom de utvalda stiften är konfigurerade som a = 0 och b = 1, matchar beskrivningen idet tillhandahållna innehållet.Denna routingskapacitet uppnås genom IC: s interna omkopplingsmekanism, vilket möjliggör exakt distribution av signaler till den önskade utgångskanalen.Sådan funktionalitet behövs i system som kräver dynamisk signalfördelning, såsom kommunikations- och signalbehandlingsinställningar, där förmågan att dirigera en signal till flera utgångar effektivt stöder komplexa operativa krav.
Fungerar som en multiplexer och demultiplexer.Aktiverar effektiv val och routing av flera signalingångar eller utgångar i elektroniska system.Används allmänt i kommunikations- och datahanteringsapplikationer.
Förbättrar precisions- och konverteringsgraden i analoga till digitala och digitala till analogsystem.Utmärkt för ljudbehandling och instrumentering som kräver korrekt signalomvandling.
Underlättar sömlös dataöverföring i nätverkssystem.Används i telekom och höghastighetsberäkning för effektiv växling och feldetektering.
Stöder anpassningsbara och snabba prototyplösningar i inbäddade system och IoT.Förbättrar anpassningsförmåga och utvecklingseffektivitet i programmerbara logikenheter.

Skicka en förfrågan, vi svarar omedelbart.
på 2024/12/19
på 2024/12/19
på 8000/04/18 147757
på 2000/04/18 111937
på 1600/04/18 111349
på 0400/04/18 83721
på 1970/01/1 79508
på 1970/01/1 66913
på 1970/01/1 63052
på 1970/01/1 63012
på 1970/01/1 54081
på 1970/01/1 52130