

|
Stiftnamn |
Pin No. |
Typ |
Beskrivning |
|
Vdd |
14 |
Driva |
Matningsspänning (+3 till +15V) |
|
Gard |
7 |
Driva |
Mark (0V) |
|
A1 till A3 |
1, 3, 13 |
Input |
Ingångar A av de tre och grindarna |
|
B1 till B3 |
2, 4, 12 |
Input |
Ingångar B av de tre och grindarna |
|
C1 till C3 |
5, 8, 11 |
Input |
Ingångar C av de tre och grindarna |
|
Q1 till Q3 |
6, 9, 10 |
Produktion |
Utgångar från de tre och grindarna |
En 3-ingång och grind ger en hög utgång endast när alla tre ingångarna, kallade A, B och C är inställda på höga.Att förstå detta kräver att man undersöker sanningstabellen, som erbjuder en detaljerad visning av ingångskombinationer som illustrerar det logiska flödet för att övervägande ge en låg utgång.Endast med alla ingångar som hög, genererar kretsen en hög utgång, som förkroppsligar den komplicerade kontrollen som behövs i scenarier som kräver strängt tillståndsuppfyllelse för att ett önskat resultat ska uppstå.

|
Input a |
Input B |
Input C |
Output q |
|
0 |
0 |
0 |
0 |
|
0 |
0 |
1 |
0 |
|
0 |
1 |
0 |
0 |
|
0 |
1 |
1 |
0 |
|
1 |
0 |
0 |
0 |
|
1 |
0 |
1 |
0 |
|
1 |
1 |
0 |
0 |
|
1 |
1 |
1 |
1 |
För att initiera utplaceringen av CD4073Börja med att ansluta VDD till en stabil och positiv spänningsförsörjning, samtidigt som du säkerställer att GND är säkert kopplad till marken.Detta steg fungerar som ryggraden för den integrerade kretsens korrekt funktion.Det är tillrådligt att dubbelkontrollera dessa anslutningar för att kringgå eventuella avvikelser som kan uppstå från maktproblem.
Ingångarna, märkt A, B och C, ska anslutas till digitala signaler som exakt återspeglar de förhållanden som undersöks.Valet av digitala signaler påverkar eftersom det förutsäger logiken och beteendet som behandlas av CD4073.Försummelse eller övervakning, såsom Stray -anslutningar eller brus, kan införa fel och komplicera de logiska operationerna.
Gate -utgångarna, vanligtvis representerade som Q, fungerar som de logiska skärningspunktsindikatorerna för ingångar A, B och C. Att integrera dessa utgångar i efterföljande kretsoperationer kan ge enormt värde.Strategisk integration styrs ofta av tidigare scenarier där optimering av kretseffektivitet ledde till anmärkningsvärda prestationsförbättringar.

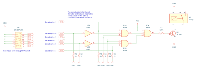
CD4073 Integrated Circuit är en viktig komponent för att bygga ett säkert kodlåssystem som verifierar en 6-bitars binär kod, såsom 101101. Detta system använder och grindarna inom CD4073 för att bekräfta inmatningskodens noggrannhet.Inte grindar från en IC som CD4069BE används för att justera logiknivåerna, vilket säkerställer att ingången tolkas korrekt av kretsen.Korrekt sekvensering och justering av ingångslogiken behövs för att systemet ska fungera pålitligt.
Flera komponenter är nyckeln till att montera kretsen.Ett relä används för att styra externa enheter, medan CD4073BE hanterar och grindoperationerna, och CD4069BE ger inte grindoperationer.En doppomkopplare på 6-positioner används för att mata in den binära koden, och motstånd ingår för att reglera strömflödet.En NPN -transistor, såsom BC547, används för att driva reläet och säkerställa korrekt drift.
Reläet aktiveras av transistorn, vilket förstärker den lilla strömmen från doppomkopplaren för att driva reläet.Detta gör att kretsen kan reglera externa enheter som säkerhetslarm eller dörrlås, vilket förbättrar den totala säkerheten.Rätt urval och förspänning av transistorn krävs för att undvika kretsfel.Detta visar vikten av att balansera digital logik med analog kontroll, eftersom deras noggranna interaktion avgör framgången eller misslyckandet med hårdvaruapplikationer.
• också märkt som NTE4073, MC14073, HCF4073, TC4073, Hef4073.
• Variationer som "CD4073BE"Ange tillverkare eller teknikskillnader.
• 74HC11: En annan trippel 3-ingång och grind IC.
Materialuppsättning 30/Mar/2017.pdf
Skicka en förfrågan, vi svarar omedelbart.
på 2024/12/7
på 2024/12/7
på 8000/04/18 147764
på 2000/04/18 111984
på 1600/04/18 111351
på 0400/04/18 83743
på 1970/01/1 79538
på 1970/01/1 66949
på 1970/01/1 63087
på 1970/01/1 63028
på 1970/01/1 54092
på 1970/01/1 52171