

|
OP16 -stift nr |
Essop10 Pin No |
Qfn16 stift nr |
Stiftnamn |
Stifttyp |
Stiftbeskrivning |
|
16 |
4 |
3 |
Vdd5 |
DRIVA |
Strömförsörjningsspänningen för kraftregulatorn
kräver en extern avkopplingskondensator |
|
15 |
7 |
1 |
Vio |
DRIVA |
I/O Port Power Input kräver en extern avkoppling
kondensator |
|
1 |
3,0 |
2,0 |
Gard |
DRIVA |
Jord |
|
4 |
10 |
6 |
V3 |
DRIVA |
Internt kraftregulatorutgång;kärn- och USB -kraftinmatning
Anslut till VDD5 när VDD5 <3,6V, anslut till avkopplingskondensator när
VDD5> 3.6V |
|
5 |
1 |
7 |
Ud+ |
USB |
Anslut till USB D+ signal direkt, inget externt motstånd |
|
6 |
2 |
8 |
Ud- |
USB |
Anslut till USB D-signal direkt, inget externt motstånd |
|
7 |
INGEN |
9 |
Vbus |
I |
VBUS -statusdetektering av USB -buss, integrerad
neddragningsmotstånd |
|
2 |
8 |
4 |
Txd |
UT |
Överföra asynkron dataproduktion, ledig tillstånd är hög
nivå |
|
3 |
9 |
5 |
Rxd |
I |
Ta emot asynkron datainmatning, integrerad pull-up
motstånd |
|
13 |
15 |
Cts |
I |
Modemingångssignalen är tydlig att skicka, aktiv låg |
|
|
6 |
Cts eller dtr |
Standard ingång, växla till utgång automatiskt |
Standard är modem ingångssignal, tydlig att skicka, aktiv låg.
När datorprogramvara ställer in DTR till giltigt byter automatiskt till modemet
Utgångssignal, dataprotad, aktiv låg |
||
|
12 |
INGEN |
14 |
Dsr |
I |
Modemingångssignalen, datauppsättningen klar, aktiv låg |
|
14 |
INGEN |
16 |
Ri |
I |
Modemingångssignalen, ringindikatorn, aktiv låg |
|
9 |
INGEN |
11 |
Dcd |
I |
Modemingångssignal, datatrafikdetektering, aktiv låg |
|
10 |
INGEN |
12 |
Dtr/tnow |
UT |
Modemutgångssignal, Data Terminal Ready, Active Low.Om
Ett externt neddragningsmotstånd detekteras under power-on, växlar till en
Statusindikering om serieporten som sänds pågår, aktiv hög |
|
11 |
5 |
13 |
RTS |
UT |
Modem utsignal, begär att skicka, aktiv låg |
|
8 |
INGEN |
10 |
AGERA# |
UT |
USB -konfiguration Avslutad tillståndsutgång, aktiv låg.Om
Ett externt neddragningsmotstånd detekteras under power-on, växlar till
Kommunikation Baud Rate Adaptive Mode.Programvara kan också använda detta läge |
|
Särdrag |
Beskrivning |
|
I/O oberoende strömförsörjning |
Stöder 5V, 3.3V, 2,5V och 1,8V strömförsörjning. |
|
Integrerad återställning och klocka |
Integrerad startåterställning och 12 MHz-klocka;ingen extern
Kristall krävs. |
|
Integrerad EEPROM |
Konfigurerar chip Vid, PID, maximalt nuvarande värde, leverantör
och produktinformationssträng etc. |
|
Unikt id |
Chip innehåller ett integrerat unikt ID (USB -serie
Antal). |
|
USB -kompatibilitet |
Helhastighets USB-enhetsgränssnitt, kompatibelt med USB 2.0. |
|
Inbyggd firmware |
Emulerar standard UART -gränssnitt för uppgradering av original
Seriella kringutrustning eller lägger till ytterligare Uarts via USB. |
|
Applikationskompatibilitet |
Helt kompatibel med originella seriella applikationer
utan modifiering. |
|
Förarstöd |
Stöder operativsystem med inbyggd CDC-drivrutin eller multifunktionell
Höghastighets VCP-leverantörsdrivrutin utan installation. |
|
Seriellt UART -gränssnitt |
Hårdvara full duplexgränssnitt med oberoende
buffertar för överföringsmottagning;stöder kommunikationsbaudhastigheter från 50 bps till
6 Mbps. |
|
Anpassning av dynamisk baudhastighet |
Identifierar och anpassar automatiskt till vanliga baudhastigheter
vid eller under 115200 bps. |
|
Data och paritetsalternativ
|
Stöder 5, 6, 7 eller 8 databitar;stöder udda, jämn,
utrymme, märke och ingen paritet. |
|
Modemgränssnittssignaler |
Stöder RTS, DTR, DCD, RI, DSR och CTS -signaler. |
|
Flödeskontroll |
Stöder CTS och RTS hårdvaru automatisk flödeskontroll. |
|
Halvduplexstöd |
Inkluderar att skicka status TNOW för Rs485 -omkoppling. |
|
RS232 Support |
Stöder RS232 -gränssnittet genom en extern spänning
konverteringschip. |
|
Strömförsörjningsalternativ |
Stöder USB -port 5V och 3.3V strömförsörjning. |
|
Paket och efterlevnad |
ROHS-kompatibel, tillgänglig i SOP-16, ESSOP-10 och QFN16
blyfria paket. |
Ch343 sticker ut som en aktiv komponent i elektronikvärlden, uteslutande utformad av wch.cn, vilket visar ett orubbligt engagemang för att upprätthålla höga standarder i sina produktionsprocesser.Denna enskilda tillverkningsväg erbjuder ett unikt scenario där högkvalitativ konsistens vårdas, eftersom den undviker komplikationerna som ofta uppstår när flera tillverkare producerar samma komponent, till exempel inkonsekvens i kvalitet eller tillförlitlighet.Inom elektronik främjar den förutsägbara och pålitliga naturen hos komponenter som dessa en miljö som är mogen för innovation.
Med hela produktionen av en enhet blir det mer enkelt att upprätthålla ett robust kvalitetskontrollsystem.WCH.CN har möjlighet att tillämpa pågående övervaknings- och förbättringsstrategier för att säkerställa att varje CH343 -bit är i linje med de stränga standarder som fastställts för branschen.Detta fokuserade tillvägagångssätt leder till en minskning av defekterna och belyser fördelarna med konsoliderad kvalitetshantering.I scenarier där flera företag producerar ett liknande objekt är fluktuationer i kvalitet inte ovanliga, vilket framgår av olika sektorer.

|
Paket |
Stift tonhöjd (mm) |
Stift tonhöjd (mil) |
Delar markering |
|
Sop16 |
1,27 mm |
50 mil |
CH343G |
|
Essop10 |
1,00 mm |
39 miljoner |
Ch343k |
|
Qfn16-3x3 |
0,5 mm |
19,7 miljoner |
CH343P |
När man undersöker ersättare för CH343 -integrerade kretsen finns olika jämförbara alternativ tillgängliga för att tillgodose olika kommunikationsbehov.Varje alternativ ger sina unika funktioner och fördelar och kräver noggrant övervägande mot bakgrund av specifika projektkrav.
• CH340
• MA112AS16
• FT230X
• CP2102
• PL2303341
• CH9102
• MCP2200
• CP2110
• Ft232

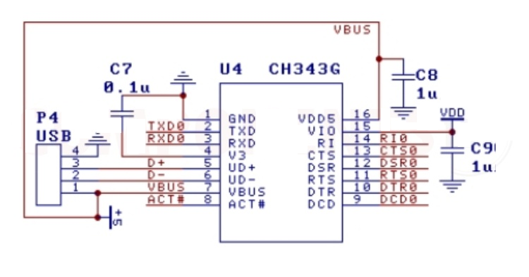
I typiska CH343-kretsar möjliggör den enkla anslutningen av USB-linjer till D+ och D-stiften smidiga kommunikationsprocesser.Effektiviteten hos denna layout vilar på dess förmåga att hantera differentiell signalering skickligt, vilket säkerställer optimal dataöverföring.För att garantera pålitlighet tas särskild hänsyn till att minska elektromagnetisk störning genom effektiva tekniker som skärmning och jordning, vilket ger en känsla av stabilitet för dina känslor.
Kondensatorer är nyckeln till att säkerställa slät effektflöde medan dämpning av ljudnivåer.Dessa komponenter fungerar som energireserver, vilket ger stabilitet över fluktuerande belastningsförhållanden.Genom att undvika plötsliga spänningsförändringar skyddar kondensatorerna inte bara kretskomponenterna utan bidrar också avsevärt till den robusta driften av CH343 -chipset.Att välja kondensatorer som matchar kretsens operativa kriterier återspeglar den känsliga balansen och framsyn som du investerar i under designstadiet.
Kommunikation mellan CH343 -chipset och alla mikrokontroller utförs genom TX- och RX -linjerna, vilket kräver exakta anslutningar - TX till RX och vice versa.Eventuell felanpassning kan leda till skadade data och potentiella kommunikationsfördelningar.Att förutse detta genom att bekräfta anslutningar under designstadiet kan avsevärt minska framtida felsökningsinsatser.Dessutom kan olika mikrokontrollinställningar kräva unika konfigurationer, vilket belyser behovet av flexibilitet och noggrann planering i design.
Börja med att granska alla anslutningar relaterade till dina CH343 USB-till-seriella omvandlare.Anslutningar måste vara fast och korrekt inriktade, eftersom felaktiga inställningar kan hindra effektiv kommunikation.Kontrollera dessutom att signalspänningsnivåerna är i linje med de anslutna enheterna, eftersom motstridiga spänningsnivåer kan störa signaler och försämra kommunikationsflödet.
Gräva in i det fysiska tillståndet för USB -kabeln, med tanke på dess påverkan på dataöverföringskvaliteten.Kontrollera kraftigt för slitage eller skador, eftersom komprometterade kablar kan leda till oberäknade anslutningar som undergräver stabil enhetsprestanda.
Se till att den valda baudhastighetsinställningen återspeglar de exakta specifikationerna som krävs av både CH343 och den anslutna apparaten.Misjaktade baudhastighetskonfigurationer förbises ofta, men de utlöser ofta problem med dataöverföring och en mängd kommunikationsupptagningar.
När man möter anslutningsproblem uppstår utförande av ett loopback -test som ett värdefullt tillvägagångssätt.Genom att ansluta TX- och RX -stiften på CH343 kan du bedöma den interna dataöverföringsvägen.Denna enkla diagnostiska process isolerar potentiella misslyckanden till CH343 när transmissionsfel uppstår.
Om datorn inte känner igen enheten, bekräfta att de senaste drivrutinerna har installerats framgångsrikt.Kontrollera enhetshanteraren för eventuella felmeddelanden, vilket kan leda till att man upptäcker förarens konflikter eller hårdvarukommunikationsbarriärer.Denna procedur avslöjar ofta dolda problem som hindrar enhetens erkännande, vilket ger snabb upplösning till frågan.
Strategiskt placering av USB -porten nära CH343 -integrerad krets tjänar till att säkerställa effektiv signalöverföring.Denna tankeväckande layout förkortar datalinjens längder, bromsning av potential signalförsvagning och yttre störningar.Direkt datalinje routing har företräde, sidesteping onödiga omvägar som kan introducera latens eller störa signalmiljön.Att följa allmänt respekterade branschpraxis innebär att skapa tydliga, obegränsade vägar, vilket är ett bevis på framgång inom elektronikdesign.
Att hantera antalet vias i PCB -design spelar en roll för att bevara signalintegritet och rätt impedans.Var och en via med risker att införa mindre förseningar och reflektioner, vilket kan hindra höghastighetsdatakommunikation.Att upprätthålla ett minimalt antal förbättrar signalintegriteten, vilket ekar den visdom som strömlinjeformade kretsvägar bidrar till ökad prestanda och operativ tillförlitlighet.
Placeringen av filterkondensatorer nära kraftstiften på CH343 hjälper måttliga spänningsvariationer och stabiliserar strömförsörjningen.Dessa kondensatorer utför en väsentlig funktion som buffertar mot plötsliga belastningsförändringar och främjar konsekvent enhetsfunktionalitet.Denna princip har utbredd tillämpning, stödd av fynd att även små spänningsskift kan påverka enhetens stabilitet djupt.
Att ordna komponenter på ett kompakt och organiserat sätt kan minska elektromagnetisk störning avsevärt samtidigt som man stödjer optimal signalintegritet.Att minska avståndet mellan komponenterna mildrar riskerna för tvärtal och ömsesidig störning.Denna metod stöds ofta som en dynamisk praxis för att bevara sammanhållningen av höghastighets elektroniska kretsar.
CH343 -chipet bidrar väsentligt till mikrokontrollerprojekt och erbjuder effektiva kommunikationskanaler som förenklar interaktioner mellan enheter.Dess mångsidighet i att ansluta till olika mikrokontroller underlättar strömlinjeformad utveckling, vilket förbättrar prototyp- och distributionsstadierna i olika applikationer.Genom att förbättra effektiviteten för dataöverföring och säkerställa harmoni med gemensamma mjukvaruresurser ökar chipet hastigheten och precisionen för mikrokontrollens ansträngningar.I praktisk tillämpning kan du använda denna förmåga att komprimera projekttidslinjer, vilket gör det särskilt fördelaktigt i snabba prototypinställningar där snabba framsteg prioriteras.
Vid diagnos och felsökning framträder CH343 som en omfattande lösning.Dess starka gränssnitt tillåter en djupgående analys och upplösning av elektroniska systemproblem utan att lägga till onödiga komplikationer.Chipens anpassningsförmåga över olika felsökningsprotokoll belyser dess breda användbarhet, vilket gör att du effektivt kan fastställa och ta itu med problem.Erfarenheter i fältet indikerar att denna anpassningsförmåga betydligt stärker systemets tillförlitlighet, eftersom det gör att du kan upptäcka fel och optimera programvaran med större precision.
Inom industriella kontrollramar underlättar CH343 -chipet stabila kommunikationslinjer, huvudsakliga för hantering och automatisering av intrikata processer.Dess motståndskraft i ogynnsamma förhållanden, i kombination med sin förmåga att hantera betydande dataöverföringshastigheter, placerar den som ett gynnsamt alternativ för industriella miljöer.Att integrera detta chip i industriella ramar kan leda till markanta förbättringar i operativ effektivitet och felbegränsning.Du kan ofta använda detta chip för att säkerställa systemets robusthet och optimal prestanda, vilket maximerar dess förmåga att upprätthålla operativ konsistens i krävande scenarier.
På sfären av DIY -elektronik har CH343 -chipet blivit oerhört inflytelserikt på grund av dess tillgänglighet.Du kan värdera dess flexibilitet och tillgänglighet, vilket ger dem möjlighet att förvandla uppfinningsrika koncept till realistiska prototyper med lätthet.Genom att tillgodose ett brett utbud av perifera enheter kan du utforska och förnya sig säkert tack vare CH343 som stöder de tekniska behoven i deras projekt.Denna tillgänglighet uppmuntrar ett utrymme för utforskning och utbildning, där praktiska färdigheter förfinas och geniala idéer kommer till liv.
Där nuvarande system korsar sig med äldre teknik är CH343 mestadels effektiv, vilket möjliggör enkel kommunikation med äldre enheter.Denna kompatibilitet säkerställer fortsatt användning av dessa enheter, en viktig aspekt för dig på daterad infrastruktur.Genom att upprätthålla operationell kontinuitet kan företag avbära dyra uppgraderingar och därmed förlänga funktionaliteten hos befintliga system.Denna pragmatiska flexibilitet tillåter företag att extrahera fortsatt värde från sina teknikinvesteringar medan de sömlöst integrerar moderna lösningar.
Precision och effektiva kommunikationsprotokoll behövs i automatisering och robotik, och CH343 -chipet erbjuder en övertygande lösning.Dess skickliga datahantering stöder dynamiska automatiseringsramar och smidiga robotapplikationer.Denna funktionalitet stöder utvecklingen av komplexa, mycket effektiva automatiserade miljöer.Chipens bidrag till sådana system belyser sin roll i att styra automatiseringens framtid, där effektiv integration med olika komponenter är ett måste.

Skicka en förfrågan, vi svarar omedelbart.
på 2024/12/19
på 2024/12/19
på 8000/04/19 147782
på 2000/04/19 112066
på 1600/04/19 111352
på 0400/04/19 83825
på 1970/01/1 79640
på 1970/01/1 67004
på 1970/01/1 63128
på 1970/01/1 63067
på 1970/01/1 54097
på 1970/01/1 52219