
En Triax (Triode för växelström) är en halvledaranordning som används för att styra kraft i AC (växlande ström) kretsar.Till skillnad från MOSFET: er eller IGBT: er, som främst används i DC -system och tillåter strömflöde i endast en riktning, kan en triac genomföra i båda riktningarna, vilket gör den idealisk för AC -applikationer.Den har tre terminaler: huvudterminal 1 (MT1), huvudterminal 2 (MT2) och en grind.Porten gör det möjligt att triggas med antingen en positiv eller negativ spänning, vilket möjliggör flexibel växling oavsett AC -polaritet.Internt funktioner som två tyristorer (SCR) är anslutna i motsatta riktningar, vilket minskar behovet av ytterligare komponenter i dubbelriktade kontrollsystem.

Bild 2. Symbol för triac
TRIAC -symbolen representerar visuellt dess dubbelriktade natur.Den har två motsatta pilar inom symbolen, vilket indikerar att ström kan flyta i båda riktningarna mellan MT1 och MT2.En vertikal linje ansluts till grindterminalen och illustrerar dess kontrollfunktion.Denna kompakta och effektiva design gör det möjligt att användas i stor utsträckning i AC -kraftkontrollapplikationer som lätta dimmer, motorhastighetskontroller, värmesystem och andra hushålls- eller industriella växelströmskretsar.

Bild 3. BT136 TRIAC
BT136 är en populär TRIAC -modell som används i både hushålls- och industriella växelströmsuppgifter.Den har en känslig grind, vilket innebär att den kan utlösas med en mycket liten ström.Detta gör det idealiskt för användning med lågeffektenheter som mikrokontroller och logik ICS.BT136 är byggd med plan passiveringsteknologi, vilket förbättrar dess långsiktiga tillförlitlighet och gör den mer motståndskraftig mot spänningsspikar.Det kan fungera i alla fyra AC -ledningskvadranter, så det fungerar bra även om grindsignalpolariteten varierar.Denna triac stöder en hög blockerande spänning, lämplig för 230V AC -system.Den har också en låg hållström, vilket hjälper till att hålla den påslagen även under lågbelastningsförhållanden.Dessa funktioner gör BT136 till ett fast val för applikationer som fläkthastighetskontroll, belysning av dimning och temperaturreglering i värmesystem.
• Låg grindströmkrav möjliggör direkt kontroll av mikrokontroller eller logikchips.
• Hög blockeringsspänning skyddar mot spänningsvågor i AC -linjer.
• Låg innehav ström säkerställer en jämn ledning under låg belastning.
• Fyra quadrant triggering ger flexibilitet i grindens drivkretsdesign.
• Planpassad design förbättrar stabilitet och elektrisk robusthet över tid.
• Ljusdimmer som justerar lampans ljusstyrka genom att kontrollera AC -ledning.
• Fläkthastighetsregulatorer i apparater som takfläktar och luftkonditioneringsapparater.
• Uppvärmningselementkontroller i enheter som elektriska ugnar och vattenvärmare.
• Smarta hemsystem som länkar mikrokontroller till högspänningsströmbelastningar.

Bild 4. BT139 triac
BT139 är en mer robust triac utformad för högre nuvarande applikationer.Den kan hantera upp till 9A, vilket gör det lämpligt för tyngre AC -laster som industriella motorer, kommersiella belysningssystem och värmeenheter.Liksom BT136 stöder den dubbelriktad ledning och kan utlösas i alla fyra kvadranter.Den har en robust design och tål spänningstransienter som vanligtvis finns i industriella miljöer.Detta gör det till ett tillförlitligt val för krävande förhållanden.
• Hög strömkapacitet (upp till 9A) för att kontrollera stora eller induktiva belastningar
• Fyra-kvadrantutlösning möjliggör flexibel kretsdesign.
• Hög blockeringsspänning hanterar standard AC -elnät och övergående förhållanden.
• Känslig grind kompatibel med lågeffektkontrollsignaler.
• Planpassivering säkerställer långvarig hållbarhet och spänningsolerans.
• Industriell fläkt eller pumphastighetskontroll där startströmmen är hög.
• Faskontrollerad dimning för kommersiella belysningssystem.
• Precisionsuppvärmningskontroll i HVAC -system och industriella ugnar.
• Smarta energisystem och programmerbara timers i storskalig automatisering.
• High-end bostadsapparater som tvättmaskiner och luftkonditioneringsapparater.

Bild 5. Arbetsdiagram över triac
TRIACS (triode för växelström) är halvledarenheter som är utformade för att styra kraft i AC -kretsar.Enheten är viktigt två SCR: er (kiselstyrda likriktare) anslutna i omvänd parallell med en delad grindterminal, vilket gör att den kan genomföra i båda riktningarna när den utlöses.I figur 5 ser vi symbolen för en triac tillsammans med dess motsvarande krets som visar två back-to-back tyristor som kontrolleras av en gemensam grind.Terminalerna är märkta som anod 1 (eller huvudterminal 1 - MT1), anod 2 (eller MT2) och grinden.Gate Terminal används för att initiera ledning genom TRIAC, vilket gör den idealisk för AC -strömbrytande applikationer.

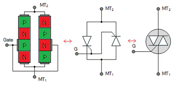
Bild 6. Fysisk konstruktion av triac (vänster), två transistoranalogi (mitten), Triac -symbol (höger)
Den inre strukturen hos en TRIAC, såsom visas i figur 6, inkluderar ett komplext arrangemang av växlande P- och N -lager som bildar fem halvledarregioner.Dessa tillåter triacen att genomföra i båda riktningarna, beroende på utlösande signal.Den centrala bilden i figur 6 representerar den förenklade kretsmodellen, och den högsta bilden är dess symboliska representation som används i kretsdiagram.Portsignalen styr spärrprocessen för interna transistorer, vilket möjliggör strömflöde mellan MT1 och MT2.Denna dubbelriktade karaktär hos triac gör dem användbara i dimmeromkopplare, motorhastighetskontroller och uppvärmningsreglering där AC -strömriktningen kontinuerligt växlar.
Spänningsströmmen (V-I) som är karakteristisk för en triac är uppdelad i fyra kvadranter, baserat på polariteten hos den huvudsakliga terminalen MT2 med avseende på MT1 och grindsignalens polaritet.Denna uppdelning är viktig för att förstå hur triacen uppför sig under olika utlösande förhållanden och behövs vid utformning av kretsar som kräver kontrollerad omkoppling.

Figur 7. Spänning kontra strömegenskaper för en triac
Se V-I-karakteristiska kurvan i diagrammet ovan, där:
• Den horisontella axeln representerar spänningen över MT1 och MT2.
• Den vertikala axeln representerar strömmen genom triac.
• De positiva och negativa halvorna av varje axel visar Triacs förmåga att utföra i båda riktningarna, vilket gör den lämplig för växelströmsapplikationer.
Detta driftsläge anses vara det mest känsliga och effektivt för att utlösa en triac.I kvadrant I är både huvudterminalen 2 (MT2) och grinden positiva med avseende på huvudterminalen 1 (MT1).Under dessa förhållanden är triacen lätt att aktivera.På grund av den höga känsligheten i denna kvadrant krävs endast en liten grindström för att initiera ledning.Detta gör kvadranten jag är mycket önskvärd för kontrollapplikationer, särskilt i växelströmskontroll, där minimering av grinddrivningskraven kan minska komplexiteten och kostnaden.
TRIAC kommer snabbt in i "ON" eller ledande tillstånd i detta läge, vilket gör att strömmen kan flyta mellan MT2 och MT1.Som sådan används denna kvadrant i stor utsträckning i praktisk växelströmskoppling och faskontrollkretsar, såsom lätta dimmer, motorhastighetskontroller och värmare regulatorer.I grafiska representationer av triac-utlösande egenskaper visas kvadrant I i den övre högra delen av kurvan, där både spännings- och grindströmpolariteter är positiva.
I denna driftskvadrant hålls huvudterminalen 2 (MT2) vid en positiv spänning med avseende på huvudterminalen 1 (MT1), medan grindterminalen är negativ med avseende på MT1.Denna konfiguration tillåter fortfarande enheten som en SCR eller TRIAC att utlösas, men den är särskilt mindre känslig jämfört med drift i kvadrant I.
Den minskade känsligheten beror på att grindströmmen flyter i motsatsen till den för MT2 -strömmen.Denna motsatta polaritet mellan grinden och MT2 resulterar i en mindre effektiv injektion av bärare i enhetens struktur, vilket i sin tur kräver en högre grindström för att uppnå utlösning.Följaktligen behövs mer ansträngning (när det gäller grinddrivning) för att slå på enheten i detta läge.
Detta driftssätt illustreras i den övre vänstra kvadranten i V-I-karakteristiska kurvan.Trots den minskade känsligheten är utlösningen i kvadrant II fortfarande livskraftig och används vanligtvis i praktiska tillämpningar, särskilt vid växelströmsbrytare där båda polariteterna uppstår.
I denna driftsregion är både huvudterminalen 2 (MT2) och grinden negativ potential relativt den viktigaste terminalen 1 (MT1).Detta läge är funktionellt lik kvadrant I, där båda terminalerna är positiva, men det fungerar i motsatt polaritet.Även om känsligheten i kvadrant III är något lägre än i kvadrant I, anses det fortfarande vara ett känsligt driftsmetoder.Porten kräver endast en blygsam ström för att utlösa ledning, vilket gör denna kvadrant till ett genomförbart alternativ för applikationer där kontrollsignaler med låg effekt används.
Kvadrant III -drift är användbar i system som hanterar negativa insignaler, såsom de som finns i växlingsströmskonkretsar eller specifika typer av dubbelriktad växling där polariteten hos signaler varierar dynamiskt.Detta läge representeras grafiskt i den nedre vänstra kvadranten i den fyra-kvadrant som utlöser karakteristiska diagram, motsvarande den negativa negativa kombinationen av grind- och MT2-spänningar.
Trots dess något reducerade känslighet jämfört med kvadrant I, erbjuder kvadrant III fortfarande pålitligt och lyhörd utlösande beteende, vilket gör det till ett praktiskt val i många dubbelriktade eller symmetriska växlingsapplikationer, där utlösande från båda polariteterna krävs.
Denna kvadrant representerar ett av de mindre känsliga operativa lägena för tyristorn, ungefär som kvadrant II.I denna konfiguration är huvudterminalen 2 (MT2) negativ med avseende på huvudterminalen 1 (MT1), medan grinden får en positiv ström.På grund av detta polaritetsarrangemang kräver utlösning av enheten en högre grindström jämfört med de mer känsliga lägena som finns i kvadranter I och III.
På V-I-karakteristiska kurvan är kvadrant IV belägen i den nedre högra avsnittet, där den applicerade spänningen är negativ och grindströmmen riktas positivt.Ledningen i detta läge är relativt ineffektivt, vilket gör det till det minst gynnsamma när det gäller grindkänslighet och energianvändning.Många undviker att använda denna kvadrant för att utlösa när hög effektivitet eller låg grinddrivning krävs.Att förstå dess beteende är emellertid fortfarande viktigt för att helt karakterisera prestandabegränsningarna för tyristorn och säkerställa säker drift under alla möjliga förhållanden.
|
Särdrag |
SCR (kisel kontrollerad
Likriktare) |
Triac (triode för
Växelström) |
|
Familj |
Tyristor |
Tyristor |
|
Ledningsriktning |
Enkelriktad (endast en riktning) |
Dubbelriktad (båda riktningarna) |
|
Portutlösande |
Kräver en positiv grindpuls |
Kan utlösas av antingen positiv eller negativ grind
puls |
|
Utlösande komponent |
Ofta utlöses med en UJT |
Ofta utlöses med en diac |
|
Håller nuvarande beteende |
Förblir på tills nuvarande sjunker under hållnivån |
Samma, men i båda riktningarna |
|
Ansökningsfokus |
Bäst för DC eller envägs växelströmskontroll |
Idealisk för AC -kontroll (båda riktningarna) |
|
Krafthantering |
Högspänning och hög strömförmåga |
Måttlig spänning och aktuell hantering |
|
Termisk ledning |
Kräver kylflänsar |
Behöver vanligtvis bara en kylfläns |
|
Driftslägen |
Fungerar i ett enda läge |
Stöder fyra driftsätt |
|
V-I-egenskaper |
Arbetar i en kvadrant |
Arbetar i två kvadranter |
|
Pålitlighet |
Mer pålitlig |
Mindre pålitlig än SCR |
|
Särdrag |
Diac |
Triax |
|
Strukturera |
Tvåterminal |
Tre terminal enhet (MT1, MT2, GATE) |
|
Utlösningsmetod |
Slås på när spänningen överskrider en viss tröskel (nej
extern trigger) |
Kan utlösas genom att applicera en grindpuls |
|
Portterminal |
Ingen grindterminal |
Har en grindterminal för utlösning |
|
Kontrollera |
Spänningsstyrd;okontrollerad omkopplare |
Grindstyrd;tillåter exakt växling |
|
Polaritetskänslighet |
Dubbelledning |
Dubbelledning |
|
Vanlig användning |
Används för att utlösa triacs i kontrollkretsar |
Används för att byta och kontrollera i växelkretsar |
|
Applikationsexempel |
En del av lätta dimmer, motoriska mjuka stjärnor (som en trigger
för triac) |
Faskontroll, motorhastighetskontroll, dimmer, växelströmsbrytare |
|
Funktion i parning |
Hjälper till att säkerställa smidig och konsekvent triac -utlösning |
Huvudomkopplings-/kontrollkomponent, utlösad av DIAC i
några kretsar |
1. Bidriktad strömledning
En av fördelarna med en triac (triode för växelström) är dess förmåga att utföra ström i båda riktningarna.Till skillnad från standard SCR: er (kiselstyrda likriktare), som bara tillåter strömflöde i en riktning, kan TRIAC styra växelström utan att behöva ytterligare komponenter för att hantera omvänd strömflöde.Denna dubbelriktade kapacitet gör dem användbara vid AC -omkopplingsapplikationer.
2. Gate Triggering med positiva eller negativa signaler
Trics kan utlösas till ledning genom att applicera antingen en positiv eller negativ spänning på grindterminalen.Denna flexibilitet möjliggör större lätthet i kretsdesign, eftersom utlösningsmekanismen inte är begränsad till en polaritet.Detta är användbart när man utformar kretsar för att arbeta med båda halvorna av AC -vågformen.
3. Förenklar kretskonstruktion jämfört med dubbla SCR: er
Eftersom en enda triac kan kontrollera strömflödet i båda riktningarna kan den ofta ersätta två SCR: er arrangerade i anti-parallell.Detta minskar det övergripande komponentantalet, vilket förenklar kretslayouten, minskar rymdkraven och minskar potentiella felpunkter i systemet.
4. kräver bara en kylfläns och en säkring
Att använda en triac istället för ett par SCR förenklar termisk hantering och skydd.Eftersom det bara finns en kraftutsläppskomponent är en enda kylfläns tillräckligt.På liknande sätt kan en enda säkring användas för skydd, förenkla designen och potentiellt minska kostnaderna.
5. Kompakt och kostnadseffektivt för låga till medelstora effektapplikationer
TRIACS används allmänt i hushålls- och lätta industriella enheter som dimmeromkopplare, motorhastighetskontroller och värmare regulatorer.De är kompakta, billiga och enkla att integrera i kretsar, vilket gör dem idealiska för applikationer där hanteringen av hög effekt inte är ett primärt problem.
1. Minskad tillförlitlighet i miljöer med hög kraft eller högbru
Trics är i allmänhet mindre robusta än SCR när de används i högeffekt eller elektriskt bullriga miljöer.De är mer mottagliga för falsk utlösning på grund av elektriskt brus, vilket begränsar deras användning i tunga industriella tillämpningar där sådana förhållanden är vanliga.
2. Känslig för DV/DT (spänningshastighet)
Trics är mer känsliga för snabba spänningsförändringar, kända som DV/DT.En plötslig spik i spänningen kan oavsiktligt utlösa enheten till ledning, även utan en grindsignal.För att motverka detta krävs ofta ytterligare snubberkretsar, vilket kan komplicera designen.
3. Lägre spänning och strömbetyg jämfört med SCR
Även om de är lämpliga för många konsument- och lätta industriella tillämpningar, har TRIACS lägre ström- och spänningshanteringsfunktioner än SCR.För system med hög effekt, särskilt de som arbetar vid höga spänningar, är SCR vanligtvis det föredragna valet.
4. Kvadrantkänslighet kan leda till oavsiktlig ledning
Trics kan utlösas i olika "kvadranter" beroende på polariteten hos grindsignalen och huvudterminalerna.Vissa kvadranter är mer känsliga än andra, och om inte korrekt redovisas i designen kan detta leda till oavsiktlig ledning eller opålitlig drift.Du måste noggrant överväga gate -drivförhållanden för att säkerställa tillförlitlig prestanda.
Trics är elektroniska komponenter som används för att kontrollera flödet av AC (växelström) elektricitet.De finns i många enheter som behöver byta eller justera ström.Här är några vanliga applikationer:
TRIACS spelar en central roll i ljusdimmerkretsar genom att möjliggöra faskontroll av växelström.Genom att kontrollera punkten under varje växelströmscykel vid vilken triacen slår på begränsar den effektivt hur mycket spänning når lampan.Denna teknik, kallad fasvinkelkontroll, minskar den genomsnittliga kraften som levereras, dimmer ljuset utan att orsaka flimring.Trics är kompakta och effektiva, vilket gör dem idealiska för att passa in i väggomkopplare och belysningsarmaturer.Dessutom fungerar triac-baserade dimmer bra med resistiva laster som glödlampor.Moderna Triac Dimmers är emellertid också utformade för att hantera nyare belysningsteknologier, inklusive vissa dimbara lysdioder och CFL: er.
I hushållsapparater som takfläktar, avgasfläktar och vissa ventilationssystem används Trics vanligtvis för att reglera motorvarvtalet.Genom att justera ledningsvinkeln för AC -cykeln kontrollerar TRIAC: erna mängden spänning som når fläktmotorn, vilket i sin tur ändrar hastigheten.Detta ger smidig, kontinuerlig kontroll i motsats till fast hastighetsnivåer.TRIAC-baserade fläktkontroller är mer effektiva och tystare än äldre mekaniska metoder.De tillåter också mer kompakta mönster utan rörliga delar.Detta gör TRIACS till ett utmärkt val för energieffektivt, lågbrusstyrning i både bostads- och kommersiella miljöer.
TRIACS används allmänt i elektriska värmare, ugnar och termostatiskt kontrollerade apparater för att hantera temperaturnivåer.TRIAC fungerar som en switch och slår av och stänger av värmeelementet snabbt för att upprätthålla en konstant temperatur.Denna snabba växling styrs ofta av en termostat eller en mikrokontroller, som övervakar temperaturen med sensorer.Eftersom triacs inte har några rörliga delar är de mer pålitliga och hållbara än mekaniska reläer.De möjliggör också mer exakt kontroll, vilket bidrar till att minska energiförbrukningen.I köksugnar, rumsvärmare och vattenpannor hjälper triac-baserade styrsystem att uppnå konsekvent prestanda och förbättrad energieffektivitet.
I smarta hemapplikationer möjliggör TRIACS automatisering av högspänningsapparater med hjälp av lågspänningskontrollsignaler.Till exempel kan en smart ljusströmbrytare eller termostat använda en TRIAC för att slå en 230V AC -applikation på eller av baserat på kommandon eller miljösensorer.Trics tillåter mikrokontroller och trådlösa moduler att styra enheter som ljus, fläktar och värmare utan att behöva stora reläer eller fysiska switchar.Detta leder till mer kompakta och effektiva smarta hemenheter.Den tysta operationen, låg kraftförbrukning och tillförlitlighet hos TRIAC gör dem väl lämpade för integration i smarta hemsystem som kontrolleras av appar eller röstassistenter.
I industriella miljöer är TRIAC: er viktiga för att kontrollera maskiner och motordrivna system.De används för att reglera strömförsörjningen till elektriska motorer, pumpar och kompressorer genom att justera AC -spänningen.Detta hjälper till att hantera hastighet, vridmoment och total energieffektivitet.TRIACS används också i reläer för fast tillstånd för att byta tunga belastningar utan mekaniskt slitage, vilket gör dem mer pålitliga för kontinuerliga industriella operationer.Dessa applikationer drar nytta av TRIAC: s snabba växlingsfunktioner, låga underhållsbehov och kompakt design.Vid tillverknings- och bearbetningsanläggningar bidrar TRICS till automatisering, kostnadsminskning och förbättrad kontroll över komplexa elektriska system.
Två allmänt använda TRIAC -modeller är BT136 och BT139.BT136 är lämplig för applikationer med låg till medelstor, hantering av upp till 4 ampere och används ofta i hushållsenheter som dimmer, timers och lågeffektkontroller.BT139 stöder å andra sidan högre strömbelastningar upp till 16 ampere och är bättre lämpad för industriellt eller tyngre hushållsbruk.Båda modellerna är vanligtvis parade med mikrokontroller eller optoisolatorer för att möjliggöra exakt växling och isolering från kontrollkretsar.
TRIACS är små men kraftfulla verktyg som hjälper till att kontrollera nätelektricitet i många vardagliga enheter.De är fantastiska för att slå på och stänga av saker eller ändra hur mycket kraft något blir, som att dimma ett ljus eller bromsa en fläkt.Eftersom de arbetar i båda riktningarna sparar de utrymme och minskar antalet delar som behövs i en krets.Trics finns i hem och fabriker och styrs ofta av små datorer som mikrokontroller.Den här guiden har förklarat hur triacs fungerar, vad de är gjorda av, hur man använder dem och var de är mest användbara.Med denna kunskap kommer du att vara redo att välja och använda rätt triac för dina egna projekt eller produkter.
Skicka en förfrågan, vi svarar omedelbart.
En triac är utformad för att arbeta med AC (växelström), inte DC.Den kan göra ström i båda riktningarna, vilket matchar hur AC växlar sin polaritet.Däremot fungerar Trics inte ordentligt med DC, eftersom de när den har slagits på en grindpuls, de stannar kvar och kommer inte att stänga av förrän strömmen är klippt, till skillnad från AC där strömmen naturligt sjunker till noll varje halvcykel, vilket gör att TIAC kommer att återställa.
För att använda en TRIAC som AC -switch, anslut den i serie med AC -belastningen (som en lampa eller motor).Applicera en triggerpuls på grinden med hjälp av en styrkrets, detta slår på triacen och gör att AC -strömmen kan flyta genom lasten.Triac kommer att fortsätta under den halvcykeln och stängs av automatiskt när AC-strömmen går till noll.För exakt kontroll, till exempel att slå på den i en specifik fasvinkel, kan du använda en DIAC eller mikrokontrollerkrets för att få grindpulsen.
Nej, en triac är inte en likriktare.En likriktare, som en diod- eller bridge -likriktare, konverterar AC till DC genom att låta strömmen flyta i endast en riktning.En triac är en dubbelriktad switch, som styr effekten i växelströmskretsar men inte ändrar AC till DC.Istället för att korrigera strömmen slår den på eller av vid specifika punkter i AC -vågformen.
En triac är en fast tillståndsanordning, medan en relä är en elektromekanisk switch.En triac växlar ac elektroniskt, tyst och snabbt.Det är mer kompakt, har inga rörliga delar och kan utlösas av lågspänningssignaler.Ett relä använder en spole och fysiska kontakter för att öppna eller stänga kretsen.Det gör ett klickande ljud och kan växla både AC- och DC -laster men är långsammare och sliter ut över tiden.Använd en triac för snabb, ljudlös och långlivad växelström och ett relä när du behöver isolera kretsar eller växla både AC- och DC-belastningar.
En triac styr AC-motorhastighet genom att försena ledningspunkten inom varje AC-halvcykel.Denna metod kallas fasvinkelstyrning.Genom att slå på triacen senare i varje cykel ger den mindre kraft till motorn och minskar hastigheten.Tidpunkten styrs av en grind trigger -krets, ofta med en DIAC eller mikrokontroller.Denna metod används ofta i universella motorer, som de i fläktar, blandare eller borrar.
För att testa en triac med en multimeter, koppla bort den först från vilken krets som helst och ställ in din analoga multimeter på området med låg motstånd (OHM).Placera den svarta sonden på MT1 och den röda på MT2 - det borde inte vara någon läsning.Anslut sedan ett 1kΩ -motstånd mellan grinden och MT1 och knacka kort på porten med den röda sonden medan du håller den svarta på MT1 och röd på MT2;Om triacen fungerar kommer mätaren nu att visa ett lågt motstånd.Vänd sonderna på MT1 och MT2 och upprepa grindpulsen - igen, den ska utföra.När grindsignalen har tagits bort och kraften sjunker bör avläsningen gå tillbaka till högt motstånd.Detta bekräftar triac -switcharna och håller korrekt.För mer exakta resultat kan ett levande test med en AC -belastning och tryckknapp användas.
på 2025/04/21
på 2025/04/18
på 8000/04/18 147757
på 2000/04/18 111934
på 1600/04/18 111349
på 0400/04/18 83719
på 1970/01/1 79508
på 1970/01/1 66900
på 1970/01/1 63017
på 1970/01/1 63010
på 1970/01/1 54081
på 1970/01/1 52120