
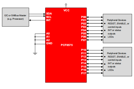
De PCF8575 Tjänar som en mångsidig fjärrkontroll I/O -expander, vilket möjliggör sömlös kommunikation mellan mikrokontroller via I2C -protokollet.Genom att använda SCL (seriell klocklinje) och SDA (seriell datalinje) för dataöverföring, förenklar kretskonstruktionen genom att tillåta högströmsdrivna utgångar, såsom lysdioder, utan att kräva ytterligare datariktningssignaler.Vid initialisering är alla I/O -stift standard till ett högt tillstånd, aktivering av en intern strömkälla kopplad till VCC.Denna funktion effektiviserar inte bara verksamheten utan minimerar också behovet av hjälpkomponenter, vilket gör PCF8575 till en värdefull tillgång för olika elektroniska applikationer.
En av de framstående funktionerna i PCF8575 är dess stöd för både 3,3V och 5V -system, som uppnås genom en integrerad nivåomvandlare.Detta breddar sin kompatibilitet med olika mikrokontrollerarkitekturer, vilket ger dig större flexibilitet och frihet i systemdesign.Möjligheten att arbeta över olika spänningsstandarder eliminerar en vanlig utmaning i multikomponentsystem, vilket gör att du kan fokusera på kreativa implementeringar utan oro över spänningskompatibilitet.
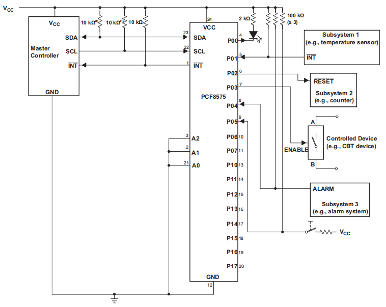
En viktig aspekt av PCF8575 är dess konfigurerbara I2C -gränssnitt, som förbättrar anslutningsförmågan och enhetens adresserbarhet i komplexa inställningar.Med lödhoppare kan du justera I2C -adressen från en bas på 0x20, vilket möjliggör effektiv kommunikation över flera enheter.Denna anpassningsförmåga är användbar för att undvika att hantera konflikter i intrikata system, en detalj som ofta betonas av dig.Dessutom kan enheten drivas genom antingen VDD eller VCC, catering till olika krav på logiknivå.Denna flexibilitet förenklar integrationen med system som arbetar vid 3,3V eller 5V, vilket säkerställer stabilitet och tillförlitlighet i olika applikationer.

|
STIFT |
TYP |
BESKRIVNING |
||
|
NAMN |
DB, DBQ, DGV, DW och PW |
Rge |
||
|
A0 |
21 |
18 |
Jag |
Adressingång 0. Anslut direkt till Vcc eller mark.
Pull-up-motstånd behövs inte. |
|
A1 |
2 |
23 |
Jag |
Adressingång 1. Anslut direkt till Vcc eller mark.
Pull-up-motstånd behövs inte. |
|
A2 |
3 |
24 |
Jag |
Adressingång 2. Anslut direkt till Vcc eller mark.
Pull-up-motstånd behövs inte. |
|
Int |
1 |
22 |
O |
Avbrottsutdata.Anslut till Vcc genom en pull-up
motstånd. |
|
P00 |
4 |
1 |
I/O |
P-port ingång/utgång.Push-pull designstruktur. |
|
P01 |
5 |
2 |
I/O |
P-port ingång/utgång.Push-pull designstruktur. |
|
P02 |
6 |
3 |
I/O |
P-port ingång/utgång.Push-pull designstruktur. |
|
P03 |
7 |
4 |
I/O |
P-port ingång/utgång.Push-pull designstruktur. |
|
P04 |
8 |
5 |
I/O |
P-port ingång/utgång.Push-pull designstruktur. |
|
P05 |
9 |
6 |
I/O |
P-port ingång/utgång.Push-pull designstruktur. |
|
P06 |
10 |
7 |
I/O |
P-port ingång/utgång.Push-pull designstruktur. |
|
P07 |
11 |
8 |
I/O |
P-port ingång/utgång.Push-pull designstruktur. |
|
Gard |
12 |
9 |
- |
Jord |
|
P10 |
13 |
10 |
I/O |
P-port ingång/utgång.Push-pull designstruktur. |
|
P11 |
14 |
11 |
I/O |
P-port ingång/utgång.Push-pull designstruktur. |
|
P12 |
15 |
12 |
I/O |
P-port ingång/utgång.Push-pull designstruktur. |
|
P13 |
16 |
13 |
I/O |
P-port ingång/utgång.Push-pull designstruktur. |
|
P14 |
17 |
14 |
I/O |
P-port ingång/utgång.Push-pull designstruktur. |
|
P15 |
18 |
15 |
I/O |
P-port ingång/utgång.Push-pull designstruktur. |
|
P16 |
19 |
16 |
I/O
|
P-port ingång/utgång.Push-pull designstruktur. |
|
P17 |
20 |
17 |
I/O |
P-port ingång/utgång.Push-pull designstruktur. |
|
SCL |
22 |
19 |
Jag |
Seriell klocklinje.Anslut till Vcc genom en pull-up
motstånd. |
|
SDA |
23 |
20 |
I/O |
Seriell datalinje.Anslut till Vcc genom en pull-up
motstånd. |
|
Vcc |
24 |
21 |
- |
Leveransspänning |


|
Särdrag |
Beskrivning |
|
Konsumtion med låg standby |
10 µA max |
|
I²c till parallellportutvidgare |
Möjliggör enkel expansion av I/O -stift via I²C -gränssnittet. |
|
Open Drain avbrottsutdata |
Möjliggör extern avbrottsgenerering för
Mikrokontroller. |
|
Mikrokontrollerkompatibilitet |
Kompatibel med de flesta mikrokontroller. |
|
I²C busshastighet |
400-kHz snabb I²C-buss. |
|
Adressering |
Adresserbar av tre hårdvaruadressstift, vilket tillåter upp
till åtta enheter. |
|
Spärrade utgångar |
Högströms drivkraft för direkt körning lysdioder. |
|
Aktuell källa |
Ger aktuell till VCC för att aktivt köra en hög på
utgången. |
|
Spärrprestanda |
Överstiger 100 mA per JESD 78, klass II. |
|
Arbetsspänning |
2,5 - 5,5 V DC. |
|
Arbetsström |
100 mA (max). |
|
I²C -adress |
Standardadress: 0x20, modifierbar via lödning A1 och A2
urvalsdyna. |
|
Adresserbara stift |
16 Individuellt adresserbara stift. |
|
Stiftkonfiguration |
Varje stift konfigurerbar som ingång eller utgång;stöder input
ändra avbrott. |
|
Arduinobibliotek |
Kompatibel med Arduino Library: PCF8575. |
|
Ansökan |
Lämplig för Arduino Uno R3 och andra MCU för
Styrande reläer, summer, knappar och lysdioder. |
|
ESD -skydd |
Följer JESD 22: 2000-V mänsklig kroppsmodell (A114-A),
200-V maskinmodell (A115-A), 1000-V laddad enhetsmodell (C101). |
Denna tabell ger en tydlig och kortfattad representation av De tekniska specifikationerna och attributen för Texas -instrumenten PCF8575PW.
|
Typ |
Parameter |
|
Livscykelstatus |
Aktiv (senast uppdaterad: 5 dagar sedan) |
|
Fabriksledning |
6 veckor |
|
Monteringstyp |
Ytfäste |
|
Förpackning / fodral |
24-TSOP (0,173, 4,40 mm bredd) |
|
Ytfäste |
JA |
|
Antal stift |
24 |
|
Vikt |
89.499445MG |
|
Antal I/OS |
16 |
|
Driftstemperatur |
-40 ° C ~ 85 ° C |
|
Förpackning |
Rör |
|
JESD-609 kod |
e4 |
|
Pbfree -kod |
Ja |
|
Delstatus |
Aktiv |
|
Fuktkänslighetsnivå (MSL) |
1 (obegränsad) |
|
Antal avslutningar |
24 |
|
ECCN -kod |
Örat99 |
|
Terminal |
Nickel/palladium/guld (Ni/PD/AU) |
|
HTS -kod |
8542.39.00.01 |
|
Spänning - försörjning |
4.5V ~ 5.5V |
|
Terminalposition |
DUBBEL |
|
Terminalform |
Gullvinge |
|
Toppens återflödetemperatur (° C) |
260 |
|
Leveransspänning |
3.3V |
|
Terminalhöjd |
0,65 mm |
|
Basdelnummer |
PCF8575 |
|
Räkning |
24 |
|
Antal utgångar |
16 |
|
Utgångstyp |
Push-pull |
|
Driftsförsörjningsspänning |
5.5V |
|
Strömförsörjning |
3/5V |
|
Gränssnitt |
I2C, smbus |
|
Antal portar |
2 |
|
Antal bitar |
16 |
|
Klockfrekvens |
400 kHz |
|
Leverantör |
0,2 mA |
|
Avbrottsutdata |
Ja |
|
Aktuell - utgångskälla/handfat |
10mA / 25MA |
|
Drag |
Por |
|
Höjd |
1,2 mm |
|
Längd |
7,8 mm |
|
Bredd |
4,4 mm |
|
Tjocklek |
1 mm |
|
Strålning härdning |
Inga |
|
ROHS -status |
ROHS3 -kompatibel |
|
Blyfri |
Blyfri |




PCF8575, en mångsidig I/O -expander, påverkar avsevärt olika tekniska arenor.Dess olika applikationer sträcker sig över telekommunikation, personlig datoranvändning och därefter, visar dess kompetens i att hantera flera perifera anslutningar effektivt.
Inom telekommunikationssektorn förbättrar PCF8575 utrustning som filterenheter genom att utöka GPIO -kapaciteter, vilket möjliggör mer exakt kontroll och precision i komplicerade signalbehandlingsmiljöer.Dess anpassningsförmåga fungerar som en pålitlig partner för att du strävar efter att förfina system, vilket säkerställer stabil anslutning och exakt signalhantering.
Denna komponent underlättar strömlinjeformade operationer inom serverinfrastrukturer och erbjuder anpassningsbara anslutningar som är aktiva för inställningar med hög efterfrågan.Det ger dig latitud för att optimera serverkonstruktioner med flexibilitet och skalbarhet, tillmötesgående utvecklande krav med minimala hårdvaruändringar.
PCF8575 spelar en stödjande roll i nätverksrutrar genom att utöka enhetens programmerbarhet och anslutning.Genom att hjälpa utvecklingen av routrar med fokus på robusthet och anpassningsförmåga hjälper det att skapa sofistikerade lösningar som effektivt hanterar ökande datatrafik.
I världen av personlig datoranvändning erbjuder detta I/O Expander dig flexibilitet att förnya kringutrustning och förbättringar utan att vara alltför begränsade av systemarkitekturgränser.Det uppmuntrar kreativitet i hårdvarutesign och främjar tillgänglig teknik till marknaden med effektivitet.
På den snabba marknaden för konsumentelektronik utvidgar PCF8575 enhetsfunktioner utan bördan av stora omformningar.Denna kapacitet gör det möjligt för företag att introducera toppmoderna funktioner i kompakta mönster, vilket hjälper till att upprätthålla en konkurrens närvaro i en ständigt utvecklande bransch.
PCF8575 är avgörande för industriell automatisering, vilket underlättar exceptionell processkontroll och övervakning.Genom att erbjuda farlig anslutning stöder den sofistikerad driftshantering, förbättrar effektiviteten och minskar driftstopp i tillverkningsinställningar.
För enheter begränsade av knappa GPIO -tillgänglighet presenterar PCF8575 en revolutionerande lösning genom att utöka portarna, vilket möjliggör förbättrad gränssnitt med perifera enheter.Denna flexibilitet ger ditt kreativa rum för att utveckla innovativa lösningar anpassade efter specifika användarbehov.

Texas Instruments (TI), med huvudkontor i Dallas, Texas, har gjort anmärkningsvärda bidrag som en trailblazer i halvledarindustrin, främst i integrerade kretsar.TI, som är känd globalt för sin innovativa anda, har påverkat många tekniska framsteg djupt genom sina genombrott i analog och inbäddad bearbetning.Med tiden har företaget utökat sin omfattande patentsamling och säkrat en stark marknadsnärvaro, vilket återspeglar dess ständiga drivkraft för excellens och innovation.Händelser inom utbildning och teknik har formats av TI: s olika produktuppställning, inklusive enheter som kalkylatorer, mikrokontroller och multikärnprocessorer.
Skicka en förfrågan, vi svarar omedelbart.
på 2024/11/22
på 2024/11/22
på 8000/04/17 147711
på 2000/04/17 111659
på 1600/04/17 111314
på 0400/04/17 83579
på 1970/01/1 79219
på 1970/01/1 66746
på 1970/01/1 62925
på 1970/01/1 62793
på 1970/01/1 54020
på 1970/01/1 51937