
De SS34 Schottky Diode är känd för sin kompakta, ytmonterade design som betonar förvånansvärt snabba växlingshastigheter, minimal framåtspänningsfall och förmåga att hantera betydande framåtström.Kärnan i dess konstruktion är ett metall-semitor-gränssnitt som förstärkts av en skyddsring, utformad för att motstå mekaniska spänningar med poise.Den klämbundna benkonfigurationen för dioden minskar elektrisk motstånd och förbättrar termisk hantering, främjar höga överspänningsströmmöjligheter och ökar den totala driftseffektiviteten.Dessa egenskaper gör SS34 -dioden till ett gynnat alternativ för sekundär korrigering, omvänd polaritetsskydd, frihjul och användning i DC/DC -omvandlare.
Ett anmärkningsvärt drag för SS34 -dioden är dess imponerande växlingshastighet jämfört med standarddioder.Denna inneboende karakteristik visar sig särskilt fördelaktigt i högfrekventa växlingskretsar.Du kan ofta ta hänsyn till inte bara fördelen med låg spänningsspänning, utan också hur växlingshastigheten korrelerar med prestandautfallet, särskilt i kraftförsörjningsenheter där effektiviteten har en nyckelroll.
För att strategiskt integrera SS34 -dioden enligt tillämpningsbehovet är ett starkt grepp om dess operativa principer fördelaktigt.Du kan inse en anmärkningsvärd framgång med dioden i situationer där ökad effektivitet och oöverträffande tillförlitlighet är dominerande.Ett illustrativt exempel är dess användning i omvänd polaritetsskydd, vilket visar diodens förmåga att uthärda övergående tillstånd utan skador och därmed bevara dynamiska komponenter.

|
Stiftnummer |
Stiftnamn |
Beskrivning |
|
Stift 1 |
Anod |
Denna stift tillåter flödet av ström. |
|
Stift 2 |
Katod |
Flödet av strömutgångar genom denna stift. |
|
Attribut |
Specifikation |
|
Typ |
Power Schottky Barrier Diode |
|
Terminaler |
2 |
|
Pakettyper |
DO-214AA, SMC DO-214AB |
|
Tillverkare |
Onsemi |
|
Framåtström (if) |
3A |
|
Omvänd ström (IR) |
0,5 mA |
|
Maximal spänning (VF) |
0,5V vid 3A |
|
DC -blockeringsspänning (max) |
40V |
|
Omvänd spänning (max) |
40V |
|
Rms spänning (max) |
28V |
|
Framspänningsfall |
22V |
|
Peak Surge Current |
100a |
|
Driftstemperatur |
-65 ° C till +150 ° C |
|
Vaktring |
Används för överspänningsskydd |
|
Kraftförlust |
Låg |
|
Effektivitet |
Hög |
|
Framspänningsfall |
Låg |
|
Övergångskapacitet |
Hög |
|
Topp framåt överspänningsström |
100a |
|
Spänningshastighet (DV/DT) |
10.000V/μs |
• 1N5822
• SS33
• 1N5822
• SS32
• SS35
• 1N4733A
• 1N4148
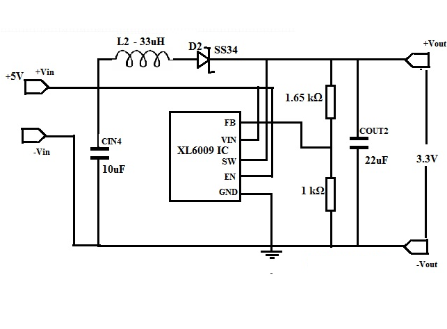
Moderna elektroniska enheter som sensorer och integrerade kretsar trivs ofta på en 3,3 V DC -tillförsel.Integrering av dessa i system med en 5V eller högre leverans kräver en avvecklad eller ökad omvandlare för att blanda sömlöst.Här utforskar vi skapandet av en 5V till 3,3V DC-DC Boost-omvandlare med XL6009-switchregulatorn, vilket förbättrar kompatibiliteten i mångsidiga system.
För att konstruera denna omvandlare behöver du:
• XL6009 integrerad krets
• 33UH -induktor
• SS34 Schottky Diode
• Kondensatorer med 22UF och 10UF -betyg
• Två motstånd på 1,65 kΩ och 1 kΩ för återkopplingsslingan
Dessa komponenter, när de arrangeras enligt schemat, säkerställer effektiv spänningsomvandling.


|
Stiftnummer |
Stiftnamn |
Beskrivning |
|
1 |
Gard |
Det är en markstift. |
|
2 |
Sv |
Aktivera stift: När det är lågt stängs enheten av;När det är högt,
enheten slås på. |
|
3 |
Sw |
Strömbrytare utgångsstift. |
|
4 |
Vin |
Tillförselspänningsstift. |
|
5 |
Fb |
Feedback Pin: upptäcker utspänningen och justerar den
via ett externt motståndsavdelningsnätverk. |
Boost -omvandlare som XL6009, som används i denna installation, är en välkomnande gateway för dem som kommer in i kraftelektronikdomänen.Omvandlarens inre metallflik ansluter säkert till växlingstiftet och främjar operationell pålitlighet.XL6009 fungerar i ett 5V till 32V ingångsområde, växlar vid 400 kHz frekvens och kan leverera utgångsströmmar upp till 4A.Elegansen i dess design förbättras av SS34 Schottky Diode, som ger en anmärkningsvärd effektivitet och snabbt svar, tillskrivet Schottky -likriktarnas naturliga egenskaper.Denna diod säkerställer en minimal framåtspänningsfall, effektivt hanterar ström upp till 3A med bara en 0,5V droppe.
Återkopplingsslingan, utformad med motstånd R5 och R6, måste vara sakkunnig för toppkonverteringsfunktion.Utgångsspänningen, betecknad som VO, kan härledas från ekvationen VO = 1,25 (1+R5/R6).Genom att fixera R6 vid 1 kΩ är R5 inställd på 1,65 kΩ.Denna exakta konfiguration stöder robust termiskt skydd och bevarar omvandlarens imponerande 94% effektivitet, vilket belyser nödvändigheten av exakt komponentval och avstämning för överlägsen prestanda i DC-DC-spänningsomvandlingsuppgifter.
SS34 Schottky Diode får uppskattning inom elektronik för dess anmärkningsvärda effektivitet och snabba växlingsfunktioner.I högfrekventa scenarier bidrar dessa egenskaper till minskade effektförluster och därigenom ökar den totala kretsens prestanda.Dess enkel implementering hjälper till att förenkla kretsdesign.Dessutom erbjuder diodens robusta överspänningsströmskapacitet en pålitlig reaktion på övergående spänningsspikar.Dessa funktioner visar sig vara fördelaktiga i att skapa kompakta och pålitliga mönster, demonstrerade genom praktiska exempel i kraftförsörjningsmoduler, där effektiviteten blir en avgörande faktor.
Den överspänningsströmskapaciteten för SS34 Schottky -dioden visar dess värde i miljöer som är benägna att plötsliga spänningar, som de som finns i bilelektronik.Erfarenheter avslöjar att skicklig överspänningshantering kan förlänga livslängden för elektroniska komponenter, vilket därefter sänker underhållskostnaderna och ökar tillförlitligheten.Du kan ofta betona hur implementering av överspänningsskyddsmetoder kring Schottky -dioder kan avvärja potentiella kretsskador.
Trots dess fördelar är SS34 Schottky Diode inte utan dess utmaningar.En framträdande fråga uppstår från den större omvänd ström och potentiellt läckage under omvända spänningsförhållanden.Detta härstammar från metall-Semiconductor-korsningen, vilket potentiellt minskar precisionen i kretsar på grund av effektivitetsförluster.Vanliga lösningar fokuserar på att integrera ytterligare komponenter, såsom resistiva nätverk, för effektiv spridning av läckströmmar.Dessutom kräver diodens lägre maximala omvända spänning en grundlig applikationsspecifik val för att undvika omvända nedbrytningssituationer.
Du kan ofta förespråka för en grundlig bedömning av applikationsmiljöer när du väljer SS34 Schottky Diode och väger både sina fördelar och begränsningar.Genom att anpassa sina funktioner med de specifika kraven från en krets kan prestandan optimeras samtidigt som potentiella nackdelar minimeras.Denna sofistikerade insikt återspeglar bredare branschkompetens, där val av strategisk komponent spelar en dynamisk roll i att skapa effektiva och pålitliga system.
SS34 Schottky -dioder spelar en spännande roll över olika tekniska domäner.Dessa komponenter höjer kretsskyddet genom att förhindra omvänd polaritet och adeptly hantera strömflöde med anmärkningsvärd effektivitet.Deras utbredda distribution i högfrekventa inverterare betonar deras underlättande av snabb växling, tack vare deras minimala framåtspänningsfall och snabb återhämtning.När det gäller sekundär korrigering, polaritetsskydd och frihjul, utmärker dessa dioder med sin kraftförlustminskning, vilket förbättrar energimedvetna systemkonstruktioner.
SS34 Schottky-dioder har en betydande plats i lågspänning med högfrekventa växelriktare och DC-DC-omvandlare.De tillhandahåller smidiga spänningsövergångar, vilket säkerställer effektiv kraftomvandling.Genom att ersätta traditionella kiseldioder i buck/boost -kretsar ger Schottky -dioder märkbara fördelar, såsom lägre spänningsfall och ökad systemeffektivitet.Dessa egenskaper är mestadels förtjusande för kompakta och bärbara enhetsdesign, där kontroll av värmeproduktion och sparande energi har företräde.
Schottky -dioder stärker avsevärt prestandan för enheter inom Switch Mode Power Supplies (SMP), adaptrar och belysningsvärlden.Deras kapacitet att hantera stora strömmar samtidigt som en låg framspänning har förbättrar enhetens tillförlitlighet och effektivitet - kvaliteter som resonerar inom både konsumentelektronik och industriella sammanhang.I LED-belysningslösningar stöder till exempel Schottky-dioder konsekvent ljusutgång och minskad termisk påverkan, och betonar deras roll för att upprätthålla nuvarande reglering och långsiktig hållbarhet.
Skicka en förfrågan, vi svarar omedelbart.
på 2024/12/16
på 2024/12/16
på 8000/04/18 147758
på 2000/04/18 111958
på 1600/04/18 111349
på 0400/04/18 83725
på 1970/01/1 79510
på 1970/01/1 66922
på 1970/01/1 63078
på 1970/01/1 63017
på 1970/01/1 54086
på 1970/01/1 52153