
De EPM3064ATC44-10 Från Intels Max® 3000A -serie representerar en kraftfull komplex programmerbar logikenhet (CPLD) utformad för ett brett utbud av digitala applikationer.Med 64 makroceller är den här enheten optimerad för snabbt svar med en maximal förökningsfördröjning på 10 nanosekunder, vilket säkerställer effektiv prestanda.Den fungerar på ett 3,3V matningsspänning, inrymt i ett 44-stifts tunn quad-platt-paket (TQFP), lämpligt för kommersiella tillämpningar inom ett temperaturintervall från 0 ° C till 70 ° C.Artikelnumret EPM3064ATC44-10 sammanfattar dess design och funktionalitet: Epm För Max® -serien med CPLD, 3064 indikerar den specifika modellen med 64 makroceller, En För den avancerade 3.3V -tekniken, T för TQFP -paketet och C44 Bekräfta PIN -räkningen och temperaturspecifikationerna.Suffixet-10 betecknar sin snabbhastighetsgrad med minimal försening.Denna enhet är en perfekt lösning för att integrera SSI-, MSI- och LSI -logikfunktioner, kompatibla med 100% TTL -emulering.Det stöder en sömlös integration av olika enheter som sträcker sig från kamrater, gals och 22V10 till Mach- och PLSI -enheter, vilket gör den extremt mångsidig.MAX® 3000A -serien erbjuder designflexibilitet i flera paketalternativ som PLCC, PQFP och TQFP och erbjuder designflexibilitet över olika applikationer.
Om du vill uppgradera dina digitala system med pålitliga och effektiva logiska enheter är investeringar i EPM3064Atc44-10 i bulk ett smart drag.Det är ett beslut som säkerställer både stark prestanda och solid lönsamhet.

EPM3064ATC44-10 fotavtryck

EPM3064ATC44-10 3D-modell
• 64 Macroceller: Denna CPLD innehåller 64 konfigurerbara logikenheter som kallas macroceller.Varje macrocell kan programmeras individuellt för att utföra komplexa logiska operationer, vilket gör att enheten kan hantera en mängd digitala funktioner och processer.
• Användbara grindar: Enheten erbjuder cirka 1 250 användbara grindar.Detta mått på komplexitet indikerar mängden logisk integration som är möjlig inom CPLD, vilket gör att den kan stödja både enkla och komplexa digitala kretsar effektivt.
• Maximal driftsfrekvens: EPM3064ATC44-10 kan fungera med en maximal frekvens på 222,2 MHz.Denna högfrekvens underlättar snabbare bearbetningshastigheter, vilket gör den idealisk för applikationer som kräver snabba responstider och höghastighetsdataoperationer.
• Förökningsfördröjning: Med en låg förökningsfördröjning på så lite som 4,5 nanosekunder minimerar denna CPLD tidsfördröjningen i signalöverföring från ingång till utgång, vilket förbättrar den totala systemets prestanda och lyhördhet.
• Matningsspänning: Den fungerar på en 3,3V matningsspänning, med ett tillåtet intervall från 3,0V till 3,6V.Detta spänningsområde ger flexibilitet i strömförsörjningskraven, vilket gör den kompatibel med en mängd digitala system.
• I/O -stift: Enheten innehåller 34 ingångs-/utgångsstift, vilket möjliggör omfattande anslutning med andra komponenter i ett digitalt system.Dessa stift underlättar överföring av data till och ut ur CPLD, vilket stödjer ett brett utbud av gränssnittsfunktioner.
• Pakettyp: EPM30atc444444-10 ligger i en 44-stifts tunn quad-platt-förpackning (TQFP) och erbjuder en kompakt formfaktor som är fördelaktig för applikationer där utrymmet är till en premium, utan att kompromissa med antalet I/O-alternativ.
• Driftstemperaturområde: Denna CPLD är utformad för att arbeta inom ett kommersiellt temperaturområde från 0 ° C till 70 ° C, och är lämplig för ett brett spektrum av miljöer, vilket säkerställer tillförlitlig prestanda under typiska industriella förhållanden.

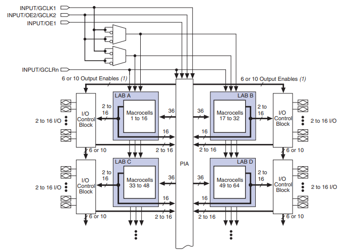
Blockdiagrammet för EPM3064ATC44-10 ger en visuell representation av dess interna arkitektur och belyser de funktionella komponenterna och deras sammankopplingar.Kärnan i designen finns fyra logikuppsättningsblock (LAB) märkta A, B, C och D, var och en innehåller 16 makroceller för totalt 64 makroceller.Dessa laboratorier är anslutna till en central programmerbar interconnect -array (PIA), vilket underlättar dirigering av signaler mellan laboratorierna och I/O -kontrollblocken.PIA säkerställer att ingångarna, utgångarna och intern logik kan kommunicera effektivt och flexibelt.Varje laboratorium är vidare ansluten till dess respektive I/O -kontrollblock, som hanterar upp till 16 I/O -stift.Dessa I/O -block hanterar interaktionen mellan externa signaler och den interna logiken och erbjuder funktioner som dubbelriktad drift och programmerbar utgång möjliggör.Diagrammet visar styrsignaler som Global Clocks (GCLK1 och GCLK2), utgångsaktiveringssignaler (OE1 och OE2) och Global Clear (GCLRN) som orkestrerar driften av macrocellerna och I/O -block, säkerställer synkronisering och möjliggör specifika funktionaliteter vid behov.

Grafen illustrerar den typiska aktiva tillförselströmförbrukningen (ICC) kontra frekvens för EPM3064ATC44-10 under en matningsspänning på 3,3V vid rumstemperatur.Två operativa lägen markeras: Höghastighet och Låga kraft.I läget med hög hastighet ökar den nuvarande konsumtionen linjärt med driftsfrekvensen, börjar med cirka 50 mA för lägre frekvenser och når cirka 70 mA vid en frekvens av 222,2 MHz.Detta läge är utformat för applikationer som kräver maximal prestanda och snabbare bearbetningshastigheter.Omvänt visar lågeffektläget lägre strömförbrukning, börjar vid cirka 20 mA vid lägre frekvenser och stiger till cirka 30 mA vid 125 MHz.Detta läge är optimerat för energieffektiv drift, vilket gör det lämpligt för konstruktioner som prioriterar lägre effektanvändning över hastighet.
|
Typ |
Parameter |
|
Tillverkare |
Altera/intel |
|
Serie |
Max® 3000A |
|
Förpackning |
Bricka |
|
Delstatus |
Föråldrad |
|
Programmerbar typ |
I systemprogrammerbar |
|
Fördröjningstid TPD (1) Max |
10 ns |
|
Spänningsförsörjning - intern |
3V ~ 3,6V |
|
Antal logikelement/block |
4 |
|
Antal makroceller |
64 |
|
Antal grindar |
1250 |
|
Antal I/O |
34 |
|
Driftstemperatur |
0 ° C ~ 70 ° C (TA) |
|
Monteringstyp |
Ytfäste |
|
Förpackning / fodral |
44-TQFP |
|
Leverantörspaket |
44-TQFP (10x10) |
|
Basproduktnummer |
EPM3064 |
1. Ange ISP: Detta inledande steg övergår ingången/utgången (I/O) -stiften från det normala användarläget till ISP -läget.Det är ett förberedningssteg som säkerställer att enheten är redo för programmering, vilket kräver att bara 1 millisekund slutföras.
2. Kontrollera ID: Innan man startar någon programmering eller verifiering kontrolleras enhetens kisel -ID för att bekräfta dess identitet och säkerställa kompatibilitet med programmeringskommandona.Detta steg är snabbt och tar upp en minimal del av den totala programmeringstiden.
3. Bulkrader: För att rensa tidigare data från enheten utförs en bulkrader.Detta innebär att du laddar raderingskommandon i enheten och applicerar en 100-millisekund puls för att radera EEPROM (elektriskt raderbara programmerbara skrivskyddade minne) celler.Detta steg förbereder enheten för ny data.
4. Program: Under detta steg programmeras nya data i enheten.Detta innebär att ladda varje EEPROM -adress med de nya data och tillämpa en programmeringspuls för att skriva data i EEPROM -cellerna.Denna process upprepas adress efter adress tills alla avsedda data är programmerade i enheten.
5. Verifiera: Efter programmering verifieras enhetens data för att säkerställa att den har skrivits korrekt.Detta innebär att läsa data från varje EEPROM -adress och jämföra dem med den avsedda data.Detta steg säkerställer programmeringsnoggrannheten och upprepas för varje adress.
6. EXIT ISP: Det sista steget övergår I/O -stiften från ISP -läge tillbaka till användarläge.Liksom Enter ISP -steget är detta steg också snabbt och kräver endast 1 millisekund.Det markerar slutförandet av programmeringsprocessen, vilket gör att enheten kan återuppta normala operationer.
Denna CPLD är idealisk för inbäddade systemapplikationer där anpassad logik krävs för att öka funktionaliteterna hos mikrokontroller.Det kan utföra uppgifter som gränssnitt, kontrollsignalbehandling och hantering av hårdvara kringutrustning, förbättra kapaciteten och effektiviteten hos inbäddade mönster.
Inom telekommunikationssektorn spelar EPM3064ATC44-10 en roll i protokollhantering, signalintegritetshantering och datarrutning.Dess höghastighetslogikbearbetningsförmågor gör det lämpligt för applikationer som digital signalbehandling, nätverksomkopplare och gränssnittskonvertering, vilket hjälper till att upprätthålla effektivt dataflödes- och kommunikation tillförlitlighet.
Enheten används i stor utsträckning i test- och mätutrustning på grund av dess omprogrammerbara natur och snabb drift.Det kan hantera komplexa logiska operationer som krävs i datainsamlingssystem, signalgeneratorer och analysverktyg, vilket ger exakt kontroll och anpassningsbar funktionalitet som behövs i vetenskapliga och industriella testmiljöer.
Som en programmerbar logikstyrenhet (PLC) finns EPM3064ATC44-10 i olika automatiserings- och processkontrollapplikationer.Det erbjuder nödvändiga logikfunktioner för att styra maskiner, processsignaler och utföra säkerhetskontroller, allt medan du arbetar effektivt under industriella förhållanden och inom bredtemperaturintervall.
Inom konsumentelektronik hjälper denna CPLD att driva innovation i enheter som smarta hemsystem, bärbara spelenheter och avancerad ljud/visuell utrustning.Det stöder komplexa logiklösningar som förbättrar enhetsfunktioner, förbättrar gränssnitten och möjliggör integration av nästa generations funktioner i konsumentprodukter.
När man överväger köpet av EPM3064ATC44-10 finns det flera aspekter att komma ihåg att säkerställa att det passar dina projektkrav.Först och främst, var medveten om att denna komponent är föråldrad, även om vi fortfarande erbjuder begränsat lager.Se till att de tekniska specifikationerna matchar dina behov.EPM3064ATC44-10 har 64 makroceller, fungerar med en maximal frekvens på 222,2 MHz och är designad för en 3,3V strömförsörjning inom ett 44-stifts TQFP-paket.Det behövs för att granska databladet och applikationsanteckningarna för att fullt ut förstå integrationen och driftskraven i denna komponent.Med tanke på komponentens föråldrade status, utvärdera också alternativa alternativ som ger liknande funktionalitet och stöds aktivt.Detta steg är viktigt för att upprätthålla livslängden och stödbarheten för ditt projekt.
Denna enhet kan arbeta med en hög maximal frekvens på 222,2 MHz, vilket möjliggör snabb behandling av data och uppgifter.Den låga förökningsförseningen på bara 4,5 nanosekunder minimerar den tid det tar för signaler att resa genom enheten, vilket förbättrar den totala systemens lyhördhet och prestanda i tidskänsliga applikationer.
EPM3064atc444444444-10 är designad för effektivitet och fungerar på en 3,3V matningsspänning, vilket hjälper till att minska den totala kraftförbrukningen för systemet den är en del av.Denna funktion är fördelaktig i bärbara och batteridrivna enheter där effekteffektivitet krävs.
Den omprogrammerbara karaktären av denna CPLD möjliggör flera iterationer och uppdateringar i designfasen och efter utplacering, stöd för kontinuerlig förbättring och anpassning till förändrade tekniska behov utan att kräva fullständiga hårdvaruutformningar.
Med 34 I/O-stift stöder EPM3064ATC44-10 omfattande gränssnittsalternativ, vilket gör det enkelt att ansluta till ett brett utbud av andra digitala komponenter.Denna flexibilitet är utmärkt för komplexa system som kräver många anslutningar mellan olika typer av enheter.
Byggt med en robust, icke-flyktig, blixtbaserad arkitektur, upprätthåller denna CPLD programintegritet och funktionalitet över tid, vilket säkerställer konsekvent prestanda och tillförlitlighet även med ofta kraftcykler eller i hårda driftsförhållanden.
EPM3064ATC44-10 kan enkelt ersätta flera äldre typer av logikenheter som kamrater och GAL: er, minska systemkomplexiteten och förbättra effektiviteten.Denna kapacitet gör det till ett idealiskt val för att uppgradera befintliga system eller konsolidera flera funktioner till en enda enhet.
Denna enhet är lämplig för kommersiella applikationer och fungerar pålitligt inom ett temperaturintervall från 0 ° C till 70 ° C.Denna robusthet möjliggör distribution i olika miljöer, från kontorsinställningar till industriella platser, utan prestandaförstöring.

EPM3064ATC44-10-paketets pin-out-diagram representerar det fysiska arrangemanget för stiften för enheten.Det ger detaljer om funktioner och tilldelningar för varje stift i 44-stiftspaketet.Varje stift är märkt med sin angivna funktionalitet, såsom I/O (ingång/utgång), strömförsörjning (VCC), mark (GND) eller specifika operativa signaler som TDI, TDO, TMS och TCK, som används för JTAGprogrammering och felsökning.Diagrammet använder en top-down-vy av chipet, med tydliga indikationer på PIN-numrering för att hjälpa till att identifiera stiftpositioner relativt det fysiska paketet.
PIN -tilldelningarna inkluderar flera I/O -stift, som erbjuder flexibilitet för att gränssnitt enheten med andra komponenter i en krets.Specifika stift som ingång/GCLK och ingång/OE markeras, vilket visar sin dubbla roll för att tillhandahålla klocksignaler eller fungerar som allmänna ingångsstift.Dessa multifunktionella stift är bra för att optimera användningen av enheten i programmerbara logiska applikationer.Diagrammet identifierar också kraft- och markstift som distribueras över paketet, vilket säkerställer tillförlitlig kraftleverans och signalintegritet.Med hörnmarkören som indikerar stift 1 hjälper diagrammet korrekt att orientera chipet under montering och minska risken för fel.
Alta var känd för sina FPGA- och CPLD -produktlinjer, som Max och Stratix -serien.EPM3064ATC44-10, en del av Max 3000A-serien, var en av Alteras populära CPLD: er.Efter förvärv har Intel fokuserat på att främja FPGA-teknik och integrera den med Xeon-processorer för uppgifter i AI och databehandling.Intels FPGA -sortiment inkluderar nu Agilex och Stratix 10 -serien och tillgodoser behoven i 5G och molnberäkning.Intel har avbrutit några äldre alteraprodukter som EPM3064ATC44-10 som en del av övergången till nyare teknik.Intel fortsätter att leda i programmerbar logik och betonar AI -acceleration och rekonfigurerbar datoranvändning med innovationer i ONEAPI- och FPGA -kort.
EPM3064ATC44-10 är ett utmärkt val för att skapa eller förbättra digitala enheter.Det är snabbt, effektivt och kan ansluta till många andra komponenter, vilket gör det användbart för olika elektroniska applikationer.Den här guiden täckte sina huvudfunktioner, hur den kan användas i olika enheter och dess fördelar, vilket visar hur den kan hjälpa till att göra mer avancerade och pålitliga elektroniska system.Oavsett om du uppdaterar gammal utrustning eller bygger något nytt, är EPM3064ATC44-10 en viktig del som hjälper till att allt fungerar bättre.
Skicka en förfrågan, vi svarar omedelbart.
EPM3064ATC44-10 är utformad med robusta krafthanteringsfunktioner.Det är emellertid tillrådligt att implementera lämpliga krafthanterings- och överspänningsskyddsmekanismer i din kretskonstruktion för att förbättra hållbarheten och förhindra skador under fluktuerande effektförhållanden.
EPM3064ATC44-10, när de drivs inom sina angivna förhållanden, erbjuder en pålitlig operativ livslängd i överensstämmelse med andra CPLD: er av hög kvalitet.Livslängd kan förlängas med korrekt termisk hantering och vidhäftning till spänningsspecifikationer.
Medan EPM3064ATC44-10 levererar robust prestanda för många applikationer, kan nyare CPLD-modeller erbjuda bättre energieffektivitet och förbättrade prestandafunktioner som högre logikdensitet, snabbare hastigheter och lägre kraftförbrukning.
EPM3064ATC44-10 innehåller säkerhetsfunktioner som förhindrar obehörig åtkomst och konfiguration, inklusive en säkerhetsbit som inaktiverar JTAG-programmering när den är inställd, vilket hjälper till att skydda enheten från manipulering.
På telekommunikation utmärker EPM3064Atc44-10 vid hantering av signalintegritet och bearbetning av höghastighetsdata, tack vare dess låga förökningsfördröjning och hög driftsfrekvens.Dessa funktioner säkerställer minimal signalförvrängning och robust datahantering i nätverksomkopplare och gränssnittskonvertering.
på 2025/02/6
på 2025/02/5
på 8000/04/18 147770
på 2000/04/18 111999
på 1600/04/18 111351
på 0400/04/18 83767
på 1970/01/1 79560
på 1970/01/1 66957
på 1970/01/1 63098
på 1970/01/1 63039
på 1970/01/1 54095
på 1970/01/1 52179