
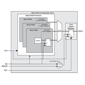
Block Ram (Bram) är en viktig komponent i moderna FPGA: er, särskilt i Xilinx SP3 -serie.SP3 FPGA tillhandahåller två typer av RAM: Block RAM och distribuerad RAM, var och en designad för specifika datahanteringsuppgifter.Det erbjuder upp till 1,87 Mbit block RAM, som används för uppgifter som datacachning, FIFO-strukturer och buffring i högpresterande system.Varje block RAM-enhet har 18 kbit kapacitet och stöder verklig funktionalitet med dubbla portar.Detta innebär att det innehåller två oberoende 36-bitars databussar för samtidig läs- och skrivoperationer, maximerar effektiviteten.Du kan konfigurera den som en-port-RAM med upp till 72-bitars bandbredd eller dubbelport RAM med 36-bitars bandbredd, vilket möjliggör flexibilitet för olika datatillgångsbehov.
Block RAM -enheter kan också kaskas upp till 104 enheter kan ansluta sömlöst för att utöka minneskapaciteten och stödja mer komplexa bearbetningsuppgifter.Denna funktion gör det möjligt att bygga mångsidiga minnessystem med anpassade bildförhållanden och omvandlingar av databandbredd.I praktiken förbättrar Block RAM prestanda i applikationer som kräver snabb datatillgång, till exempel Digital Signal Processing (DSP).Dess förmåga att utföra snabba läs-/skrivoperationer förbättrar genomströmningen och minskar latensen, medan paritetsoperationer säkerställer datatillförlitlighet.Den dubbla portdesignen och kaskadförmågan gör att blockera RAM till ett kraftfullt verktyg för att skapa effektiva minnesarkitekturer.När efterfrågan på höghastighetsdatabehandling växer är förståelse och utnyttjande av block Rams potential blir allt viktigare i FPGA-baserad systemdesign.
Block RAM kräver fullt utnyttjande inom en enda instans, vilket innebär att om mindre minne behövs än vad en block RAM -enhet tillhandahåller, blir den oanvända delen inte tillgänglig för andra ändamål.Detta kan resultera i ineffektivitet och bortkastade resurser, särskilt i system med dynamiska eller fluktuerande minneskrav.Däremot erbjuder distribuerad RAM större flexibilitet genom att tillåta exakt fördelning av endast det nödvändiga minnet, vilket gör det idealiskt för applikationer med förändrade krav, till exempel tidsdatabehandling.Dessa arkitektoniska skillnader påverkar designstrategier, med distribuerad RAM som ofta möjliggör effektivare resurshantering, minskar kraftförbrukningen och förbättrar systemprestanda.Att välja mellan Block RAM och distribuerad RAM beror på den specifika applikationen, balansering av skalbarhet, prestanda och kostnadseffektivitet.
Skicka en förfrågan, vi svarar omedelbart.
på 2024/12/30
på 2024/12/30
på 8000/04/18 147772
på 2000/04/18 112009
på 1600/04/18 111351
på 0400/04/18 83768
på 1970/01/1 79565
på 1970/01/1 66960
på 1970/01/1 63100
på 1970/01/1 63040
på 1970/01/1 54097
på 1970/01/1 52184