
De 74HC02 är en integrerad krets som har fyra distinkta 2-ingångar eller grindar.Varje grind är utrustad med inmatningsklämmdioder, som arbetar hand i hand med strömbegränsande motstånd för att hantera instanser när ingångsvärden överskrider VCC.I landskapet med digitala kretsar står NOR -grinden som ett initialt logiskt element.Dess enkelhet lyser genom sin drift: den matar ut en hög signal enbart när båda ingångarna är låga.Därför blir 74HC02 en nödvändig del av att skapa olika logiska funktioner.
I praktiska termer kan 74HC02 ofta effektivisera kretskonstruktioner genom att minska komponentantalet som behövs för komplexa logikuppgifter.NOR -grinden lyser när två eller flera villkor uteslutande måste uppfyllas för att generera en utgång.Konsumentelektronik fungerar som ett illustrativt exempel.Du kan ofta vända dig till denna IC för att navigera i kontroller som endast bör utlösa under specifika förhållanden - som de automatiska standby -lägena som ses i tv -apparater.
Anpassningsförmågan hos 74HC02 grenar ut från elementära applikationer och hittar sin plats i intrikata system.Det fungerar som ett viktigt element i att bygga flip-flops och spärrar.Dessa komponenter används i timingkretsar som finns i minneschips och processorer.Dessutom visar sig 74HC02 vara en subtil katalysator för innovation inom felsökning och reparation, där att greppa logikflödena banar vägen för effektivare diagnostik.
|
Särdrag |
Beskrivning |
|
Driftsspänningsområde |
Ett brett intervall på 2,0 V till 6,0 V |
|
Maktförsläpp |
Låg effektförbrukning med CMOS -teknik |
|
Bullerimmunitet |
Hög brusimmunitet |
|
Spärrprestanda |
Robust spärrprestanda som överstiger 100 mA (JESD 78
Klass II -nivå B) |
|
Inmatningsnivåer |
- 74HC02: CMOS -nivå |
|
- 74HCT02: TTL -nivå |
|
|
Efterlevnad av JEDEC -standarder |
- JESD8C: 2,7 V till 3,6 V |
|
- JESD7A: 2,0 V till 6,0 V |
|
|
ESD -skydd |
- HBM JESD22-A114F: överstiger 2000 V |
|
-MM JESD22-A115-A: överstiger 200 V |
|
|
Paketalternativ |
Olika paketalternativ tillgängliga |
|
Specifikationer för temperaturområde |
Föreskrivs för -40 ° C till +85 ° C och -40 ° C till +125 ° C |
|
Typ |
Parameter |
|
Max Power Dispipation |
500 mw |
|
Utbredningsfördröjning |
15 ns |
|
Lugn ström |
2μA |
|
Slå på fördröjningstiden |
7 ns |
|
Logiknivå - låg |
0,5V ~ 1,8V |
|
Logiknivå - hög |
1.5V ~ 4.2V |
|
Ström - utgång hög, låg |
5.2MA, 5.2MA |
|
Framström |
25 mA |
|
Antal funktioner |
4 |
74HC02 har fyra separata eller grindar, var och en anpassad för sofistikerade logiska operationer.Dessa grindar avger unikt en hög signal endast när varje ingång registreras så låga, vilket illustreras av dess sanningstabell.Denna karakteristiska ger eller grindar ger initiala element i skapandet av digital krets och understödjer komplexa logikfunktioner.Genom att strategiskt konfigurera dem emulerar dessa grindar skickligt andra logiska grindar som och, eller, och inte.

I världen av digitala system, eller grindar som exemplifieras av 74HC02 erbjuder expansiva möjligheter för att utveckla anpassningsbara och robusta logiska kretsar.De gör det möjligt för dig att integrera grundläggande funktioner och styra element i beräkningsenheter.Genom effektiva kombinationer utför dessa grindar negation och konjunktion, som är kärnfasetter av beräkningsprocesser.Du kan ofta bero på deras förmåga att effektivisera kretsarkitekturen, vilket förbättrar den totala operativa effektiviteten och systemets pålitlighet.
•Minne och lagring: Utbredd tillämpning av NOR -grindar kan observeras i minnes- och lagringsteknologier.Som grundläggande komponenter vid konstruktion av minnesceller underlättar de datahanteringsprocesser i både flyktiga och icke-flyktiga minnen.Deras roll är mestadels anmärkningsvärd i flashminnesinnovationer, där deras införlivande stöder datalagring med hög kapacitet med minskade kraftkrav.Sådana framsteg betonar eller Gates anmärkningsvärda bidrag till att utveckla vardagliga elektroniska minnesteknologier.
Inte heller grindar i 74HC02 stärker avsevärt säkerhetsfunktionerna för digitala konfigurationer.Mästerlig tillämpning av dessa grindar möjliggör genomförandet av komplicerade säkerhetsprotokoll.Logiska konfigurationer, såsom de som används i krypteringsalgoritmer, utnyttjar dessa grindar för att skydda känsliga data från obehörig exponering.Följaktligen är styrkan hos NOR -grindarna nyckeln till att bilda säkra systemarkitekturer som är användbara för att upprätthålla dataintegritet och skydda din konfidentialitet.
Dessutom utövar 74HC02 inflytande över kontrollsignalhantering i många elektroniska system.Inte heller är grindarna instrumentella i att styra signalvägar, underlätta korrekt kontroll över tidpunkten och den sekventiella exekveringen av uppgifter hos mikrokontroller och processorer.Denna kontrollnivå är aktiv för att maximera systemprestanda och säkerställa synkroni bland olika komponenter inom en digital ram.
74HC02 Integrated Circuit har en anmärkningsvärd betydelse inom den expansiva 7400 -serien och bjuder in tankeväckande reflektion över dess funktionella specifikationer och tänkbara användningsområden.Det spelar en roll i system som parlay-kreativitet och problemlösande önskningar till innovativa kretsdesign.

Kretsen kräver stabilitet i sin kraftkälla, i drift inom ett VCC -spektrum av 2V till 6V.Sådan anpassningsförmåga ger möjligheter för sin integration över ett stort antal system och stöder ett komplett utbud av kraftkrav.Att säkra kraftstiften med förtroende säkerställer operativ stabilitet och undviker oönskade störningar.
Bestående av fyra separata eller grindar kräver 74HC02 -chipet minimal ingång, och fungerar som en ultimat komponent för att utveckla mer intrikata logiska kretsar.Du kan ofta använda dessa grindar i digital logikdesign.
Utgångsströmgränser, toppar vid 4 mA per grind när du arbetar vid 5V, ramar applikationens gränser.Denna faktor uppmuntrar noggranna belastningsbedömningar för att förhindra överbelastningsutgångar och uppnå en harmoni av tillförlitlighet.Du kan infusera buffertgrindar i kretsar, skickligt hantera strömmar för att skydda och förlänga IC: s livskraft.
Inte heller Gates fungerar som typiska element i världen av digital elektronik.Genom att konfigurera dem på lämpligt sätt kan man skapa alla booleska funktioner och understryka deras exceptionella flexibilitet.Du kan gräva i mångsidiga applikationer för dessa grindar, till exempel att konstruera spärrar och oscillatorer, visa upp chipets anpassningspotential för att uppfylla de komplicerade behoven hos unika och kreativa mönster.
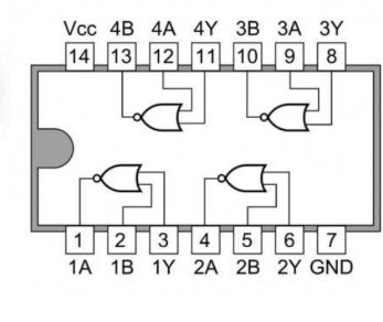
74HC02 Integrated Circuit har totalt 14 stift och innehåller fyra grundläggande eller grindar, noggrant organiserade som visas i det bifogade pinout -diagrammet för optimal tydlighet och funktionalitet.

|
Pin No. |
Stiftnamn |
Typ |
Beskrivning |
|
1 |
1y |
Produktion
|
Utgång från den första eller grinden. |
|
2 |
1A |
Input |
Inmatning till den första eller grinden. |
|
3 |
1B |
Input |
Inmatning till den första eller grinden. |
|
4 |
2y |
Produktion |
Utgång från den andra eller grinden. |
|
5 |
2A |
Input |
Inmatning till den andra eller grinden. |
|
6 |
2B |
Input |
Inmatning till den andra eller grinden. |
|
7 |
Gard |
Driva |
Anslut till marken. |
|
8 |
3A |
Input |
Inmatning till den tredje eller grinden. |
|
9 |
3B |
Input |
Inmatning till den tredje eller grinden. |
|
10 |
3y |
Produktion |
Utgång från den tredje eller grinden. |
|
11 |
4A |
Input |
Inmatning till den fjärde eller porten. |
|
12 |
4B |
Input |
Inmatning till den fjärde eller porten. |
|
13 |
4y |
Produktion |
Utgång från den fjärde eller porten. |
|
14 |
Vcc |
Driva |
Positiv strömförsörjning.Anslut till +5V -effekt. |





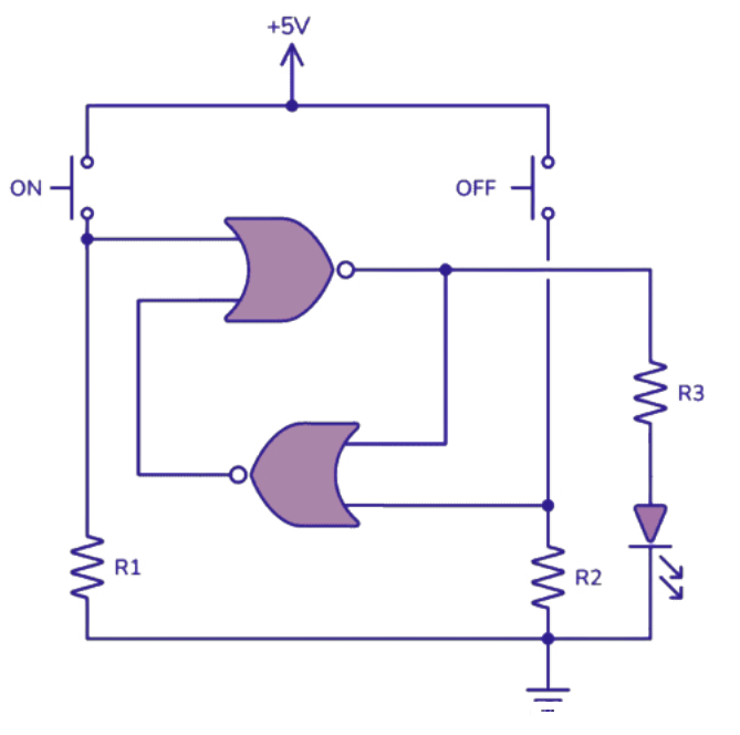
74HC02 IC är en mångsidig komponent som vanligtvis används i enkla men ändå viktiga elektronikprojekt.Ett praktiskt exempel är att konstruera en SR (inställning) spärr, en krets som gör att du kan styra en LED med IC: s eller grindar.Denna design visar "minnes" -funktionen för en SR -spärr - där lysdioden förblir tänd även efter att den första knapptryckningen släpps.

För att bygga denna krets, samla följande:
• 1 x 74HC02 IC: Huvudkomponenten, tillhandahåller nor -grindarna.
• 1 x LED (L1): Visar utgångstillståndet (på eller av).
• 2 x 10 kΩ motstånd (R1, R2): Reglera spänningsnivåerna för stabil drift av kretsen.
• 1 x 1 kΩ motstånd (R3): skyddar ledningen genom att begränsa strömmen som passerar genom den.
• 2 x tryckknappar (S1, S2): Låt dig växla lysdioden (slå på eller av).
74HC02 IC erbjuder en rad variationer, var och en bibehåller sina kärnfunktioner medan de uppvisar skillnader i spännings- och aktuella hanteringsförmågor.Flera anmärkningsvärda alternativ inkluderar:
• 74HCT02
• 74LS02
• 74LVC02
• 74AC02
• 74ALS02
• 74F02
• 74C02
|
Symbol |
Parameter |
Värde |
Enhet |
|
Vcc |
DC -tillförselspänning (refereras till GND) |
- 0,5 till +7,0 |
V |
|
Vin |
DC ingångsspänning (refereras till GND) |
- 0,5 till VCC + 0,5 |
V |
|
Vout |
DC utgångsspänning (refereras till GND) |
- 0,5 till VCC + 0,5 |
V |
|
lin |
DC ingångsström, per stift |
± 20 |
ma |
|
Edo |
DC utgångsström, per stift |
± 25 |
ma |
|
ICC |
DC Supply Current, VCC och GND -stift |
± 50 |
ma |
|
Pd |
Power Dissipation i stillastående: |
||
|
- SOIC -paket |
500 |
mw |
|
|
- TSSOP -paket |
450 |
mw |
|
|
Tstg |
Lagringstemperatur |
- 65 till +150 |
℃ |
|
Tl |
Ledtemperatur, 1 mm från fallet i 10 sekunder: |
||
|
- SOIC- eller TSSOP -paket |
260 |
℃ |
|
Symbol |
Parameter |
Min |
Max |
Enhet |
|
Vcc |
DC -tillförselspänning (refereras till GND) |
2 |
6 |
V |
|
Vin, Vout |
DC ingångsspänning, utgångsspänning (hänvisas till GND) |
0 |
Vcc |
V |
|
Ta |
Driftstemperatur, alla pakettyper |
-55 |
125 |
℃ |
|
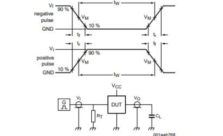
tr, tf |
Ingångsökning och falltid (74HC02 Vågformer Figur) |
ns |
||
|
- VCC = 2,0 V |
0 |
1000 |
||
|
- VCC = 4,5 V |
0 |
500 |
||
|
- VCC = 6,0 V |
0 |
400 |

Skicka en förfrågan, vi svarar omedelbart.
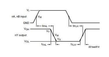
En eller grind kombinerar funktionerna hos en eller grind och en inverterare.Det producerar en verklig utgång endast när båda ingångarna är falska.Denna egenskap är aktiv för att förenkla digitala logikkretsar, eftersom det ger både negation och konjunktion.Att använda NOR -grindar förbättrar både tillförlitligheten och effektiviteten hos olika tillämpningar genom att minska kretskomplexiteten.
74HC02 IC fungerar inom ett spänningsområde från 2,7 V till 3,6 V. Detta intervall är mestadels fördelaktigt inom digital elektronik, vilket möjliggör enkel integration med olika digitala system samtidigt som låg effektförbrukning bibehålls.Detta attribut är särskilt viktigt i batteridrivna enheter och möjliggör integration av olika logikfamiljer i miljöer med blandade spänningar.
Inte heller grindar är kompakta och kostnadseffektiva, vilket gör dem till ett utmärkt val för att minska materialkostnaderna.Deras enkla design underlättar snabb utveckling och prototyper, vilket gör att du kan fokusera på att förbättra andra aspekter av deras system.Att införliva eller grindar i kretskonstruktioner kan förenkla systemet, vilket potentiellt kan förbättra hållbarheten och prestanda.
Att välja mellan NOR och NAND -grindar beror på specifika behov som hastighet, strömförbrukning, kostnad och kretsdesignkomplexitet.Inte heller grindar föredras ofta i applikationer som kräver snabb prestanda och låg effektanvändning.Å andra sidan är NAND-grindarna enklare, vilket kan leda till kostnadsbesparingar och enkel design i storskaliga integration (VLSI) kretsar.Beslutet bör baseras på en noggrann utvärdering av dessa faktorer i förhållande till applikationens krav.
på 2024/11/28
på 2024/11/28
på 8000/04/18 147757
på 2000/04/18 111936
på 1600/04/18 111349
på 0400/04/18 83721
på 1970/01/1 79508
på 1970/01/1 66910
på 1970/01/1 63047
på 1970/01/1 63012
på 1970/01/1 54081
på 1970/01/1 52127