
De 8255 Mikroprocessor, även kallad ett PPI -chip (programmerbart perifert gränssnitt), spelar en roll för att underlätta dataöverföring i olika miljöer.Dess stöd för både enkla och avbrottsdrivna I/O-operationer gör det mycket tilltalande för olika applikationer.Denna mikroprocessor möjliggör fluidinteraktioner mellan CPU och externa enheter såsom analoga till digitala omvandlare (ADC), digital-till-analogkonverterare (DAC) och tangentbord.Dess sofistikerade men ändå ekonomiskt livskraftiga arkitektur säkerställer kompatibilitet med ett brett utbud av mikroprocessorer och externa komponenter.Den levereras med tre 8-bitars dubbelriktade I/O-portar, programmerbara per applikationsbehov.8255 -mikroprocessorn hittar sin plats i en mängd branscher, vilket bevisar dess mångsidighet inom både industriell automatisering och konsumentelektronik.I en automatiserad tillverkningsmiljö fungerar 8255 som en kärna i datainsamlingssystem som gränssnitt med sensorer och ställdon.
8255 -mikroprocessorn utmärker sig som ett programmerbart perifert gränssnitt (PPI) -enhet, med tre programmerbara I/O -portar.Dessa portar underlättar anslutningen till olika enheter, fungerar i tre operativa lägen: läge 0 (enkel I/O), läge 1 (stroberad I/O) och läge 2 (dubbelriktad stroberad I/O).
De tre programmerbara I/O -portarna erbjuder olika anslutningsalternativ.Denna flexibilitet hjälper till att kontrollera och samordna flera perifera enheter, berikande systemmodularitet och skalbarhet.
Läge 0 Aktiverar direkta ingångs- och utgångsoperationer.Dess enkelhet och hastighet gör det mycket pålitligt för uppgifter där enkel funktionalitet behövs.
Läge 1, eller stroberad I/O, använder handskakningssignaler för att säkerställa korrekt timing och synkronisering av dataöverföring.Detta läge bidrar till dataintegritet, vilket minskar risken för fel under överföringen.
Mode 2 stöder dubbelriktad kommunikation, vilket förbättrar effektiviteten i datautbyten.Denna dubbelflödesförmåga är bra i system som kräver dynamisk och pålitlig dataöverföring.
Mikroprocessorns fulla kompatibilitet med Intel-processorer garanterar sömlös integration och exceptionellt samarbete inom Intel-baserade system.Dess TTL -kompatibilitet underlättar enkel interaktion med vanliga logikfamiljer, och effektiviserar utformningen och implementeringen av elektroniska system.
En funktion i 8255 är dess direkta bituppsättning/återställningsfunktionalitet.Detta möjliggör manipulation av enskilda bitar inom hamnarna och erbjuder exakt kontroll över perifera operationer.Andra använder denna förmåga för att öka systemets prestanda och lyhördhet.
8255 tillhandahåller totalt 24 programmerbara I/O-stift, arrangerade i 8-bitars och 4-bitars portar.Denna konfiguration ger betydande flexibilitet vid utformningen av perifera gränssnitt, som serverar både enkla och intrikata inställningar.Dessa programmerbara stift gör det möjligt för utövare att skapa skräddarsydda lösningar anpassade efter specifika applikationsbehov.8255: s anpassningsbarhet och programmerbarhet visar sig vara mycket fördelaktigt.I bilkontrollsystem som hanterar flera sensorer och ställdon garanterar till exempel mikroprocessorns förmåga att hantera olika ingångs-/utgångsoperationer tillförlitliga och effektiva systemprestanda.

8255 -mikroprocessorn sticker ut som ett sofistikerat programmerbart perifert gränssnitt, tillverkat med 40 stift, var och en spelar distinkta roller för sin funktion.En dissektion av dessa stift avslöjar deras respektive funktioner och olika tillämpningar.
PA0-PA7- och PB0-PB7-stiften fungerar som de primära datautbyteskanalerna för port A respektive port B.Dessa portar underlättar sömlös kommunikation mellan mikroprocessorn och perifera enheter.De används ofta i parallell kommunikation med input/utgångsenheter, vilket säkerställer effektiv databehandling.Hantera dessa linjer effektivt i scenarier som kräver parallell bearbetning och dataöverföring, vilket förbättrar den totala systemens lyhördhet.
Port C-stiften, PC0-PC7, är uppdelade i den övre (PC4-PC7) och nedre (PC0-PC3) halvorna.Denna segmentering tillåter flexibla konfigurationer för olika operativa lägen.Port C: s dubbla natur kan fungera som individuella kontrolllinjer eller som en kollektiv grupp för handskakning.Sådan mångsidighet visar sig vara ovärderlig i komplexa gränssnittskretsar där exakt kontroll och statusåterkoppling är nödvändig, vilket underlättar komplicerade systemoperationer.
D0-D7-stiften utgör kärndatabussen, vilket möjliggör dubbelriktad dataflöde mellan mikroprocessorn och kringutrustning.Dessa rader spelar en roll i att överföra data, kommandon och statusinformation.Att förstå tidpunkten och synkroniseringen av databusstransaktioner för att optimera den övergripande systemprestanda, säkerställa smidiga datautbyten och driftseffektivitet.
Pins A0 och A1 är integrerade i att välja lämplig port för dataöverföring eller kontrollregister.Dessa adresslinjer gör det möjligt för mikroprocessorn att exakt rikta in sig på specifika register och regissera operationer med precision.Att behärska användningen av dessa stift är bra för att konfigurera mikroprocessorn för olika uppgifter, till exempel lägesinställning och avbrottshantering, skräddarsy den för att uppfylla olika driftskrav.
CS -stiftet aktiverar 8255 -mikroprocessorn.När denna stift är låg väljs mikroprocessorn för efterföljande läs- eller skrivoperationer.Korrekt implementering av denna stift är viktigt för systemstabilitet och förhindrar felaktiga datautbyten, vilket säkerställer tillförlitlig drift.
RD: s stift initierar läsoperationer från mikroprocessorn.Denna signal används för att hämta data från enheten.Effektiv samordning av lässignaler med perifer anordningens tidpunkt hjälper till att förvärva sömlös data, vilket förbättrar dataintegriteten.
WR: s stift utlöser skriver, vilket gör att data kan skickas till perifera enheter.Korrekt synkronisering av skrivkommandon behövs för att säkerställa dataintegritet och förhindra dataförlust under överföring, vilket upprätthåller systemets tillförlitlighet.
Återställningstiftet återiniterar mikroprocessorn.Denna åtgärd rensar data och inställningar, vilket säkerställer att systemet kan startas om och föras till ett känt tillstånd.Detta är viktigt efter att ha stött på behandlingsfel eller under startsekvenser, bibehållit systemkonsistens.
GND- och VCC -stift tillhandahåller strömförsörjningen till mikroprocessorn.GND fungerar som referensplats, medan VCC levererar en stabil 5V.Korrigera ledningar av dessa stift för att undvika kraftfluktuationer som kan kompromissa med mikroprocessorprestanda och övergripande systemtillförlitlighet.
Att arbeta med 8255-mikroprocessorn avslöjar en intressant aspekt: optimering av dess multifunktionella stift för olika operativa lägen.Att använda dessa stannar i avbrottsdrivna applikationer förbättrar effektiviteten genom att låta mikroprocessorn svara på händelser när de inträffar, utan att ständigt polla perifera enheter.Detta tillvägagångssätt förbättrar systemprestanda, vilket gör det mer anpassningsbart och lyhörd för eventuella händelser.
8255 -mikroprocessorns PIN -konfiguration är basen för dess flexibilitet och effektivitet vid perifer gränssnitt.Att förstå varje stifts roll och tillämpa bästa praxis i deras användning kan förbättra mikroprocessorns prestanda kraftigt i intrikata system.

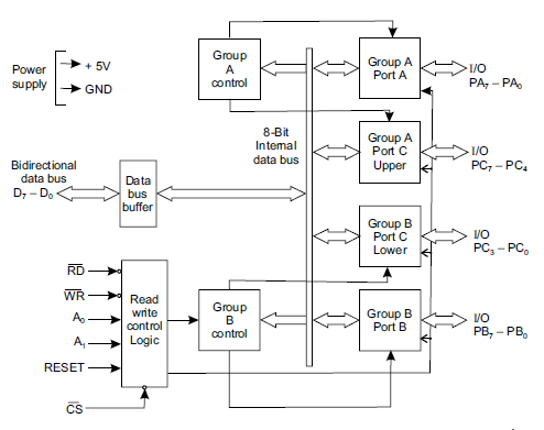
Arkitekturen för 8255 -mikroprocessorn är komplex och omfattar flera komponenter som säkerställer vätske -CPU -operationer.Ett sofistikerat internt bussgränssnitt integrerar interna och systembussar som stöder sömlös CPU -läs- och skrivuppgifter, detta understödjer sin roll i mikroprocessorns övergripande funktionalitet.
Det interna bussgränssnittet fungerar som bron mellan mikroprocessorns interna mekanismer och externa systembussar.Detta dubbelriktade gränssnitt är bra för ett effektivt utförande av läs- och skrivoperationer.Till exempel används liknande system i samtida datoranvändning för att underlätta informationsutbyte mellan en central bearbetningsenhet och olika perifera enheter, vilket säkerställer smidig och effektiv prestanda.
Kontrolllogik är kärnan i 8255 -arkitekturen, orkestrerar interna operationer och hanterar dataöverföringar.Genom att förbättra samordningen optimerar kontrolllogiken bearbetningseffektivitet.Implementering av avancerade kontrollsystem, liknande de i moderna automatiserade produktionslinjer, kan öka prestanda och tillförlitlighet hos komplexa system.
Arkitekturen definierar kontrollgrupper A och B, som hanteras av CPU.Dessa grupper överför kommandon till tillhörande portar, liknande hur automatiserade system är indelade i kontrollerbara enheter för att förbättra hanterbarhet och effektivitet.Denna segmentering möjliggör enklare förfining och felsökning i komplexa scenarier.
Portar A och B har 8-bitars ingångsspärrar och utgångsbuffertar.Port A fungerar i tre unika lägen, medan Port B fungerar i två.Denna sort i konfigurationslägen möjliggör ett brett utbud av applikationer, precis som konfigurerbara nätverkssystem som kan anpassa sig till olika operativa behov.Flera lägen ger förbättrad flexibilitet och användbarhet.
Port C är uppdelat i övre och nedre sektioner för handskakning och statussignaloperationer.Denna segmentering säkerställer exakt och pålitlig kommunikation i både mikroprocessor och moderna nätverkskommunikationssystem.Till exempel visar handskakningsprotokoll som används i säkra datautbyten nödvändigheten av sådan segmenterad kontroll vid upprätthållande av integritet och effektivitet.
8255 -mikroprocessorns arkitektoniska sofistikering, präglad av dess omfattande kontrolllogik, mångsidiga portkonfigurationer och effektivt busgränssnitt, belyser värdet av detaljerad, modulär design för att uppnå optimerade och tillförlitliga prestanda inom olika tekniska domäner.
8255 fungerar i olika lägen, var och en erbjuder unika funktioner skräddarsydda för olika applikationer.Att förstå dessa lägen och välja lämplig kan ofta leda till förbättrad systemprestanda och effektivitet.
Bituppsättningsläget fokuserar på att kontrollera enskilda bitar i port C. Det erbjuder en praktisk lösning för scenarier som kräver finkornig manipulation av specifika stift, vilket möjliggör exakt kontroll utan att påverka hela porten.Till exempel är detta läge mycket fördelaktigt när man hanterar perifera enheter som lysdioder eller små motorer, som precision och minimal störning.Detta läge har visat sitt värde för att tillhandahålla kontroll över specifika komponenter, främja tillförlitliga och nyanserade operationer.
8255 innehåller tre distinkta I/O -lägen, var och en catering till olika operativa krav.
Läge 0 möjliggör enkel ingångs- och utgångsoperationer utan att involvera avbrott eller handskakning.Det underlättar direkt kommunikation mellan processorn och kringutrustning, vilket gör den lämplig för produktutveckling i tidigt skede och enkla inbäddade system.Detta läge lyser i applikationer där direkt interaktion med minimal komplexitet är önskvärt, vilket möjliggör funktionell verifiering utan tillsatsskikt av synkronisering.
Läge 1 introducerar handskakning för att säkerställa synkroniserad dataöverföring mellan processorn och perifera enheter, med hjälp av styrsignaler för att upprätthålla dataintegritet och timing.Detta läge visar sig vara fördelaktigt i kommunikationssystem och datainsamlingsenheter, vilket säkerställer tillförlitligt datakvitto där noggrannhet är stor.Med handskakningsmekanismer på plats förhindrar läge 1 dataförlust och kollisioner, vilket gör det till ett pålitligt alternativ för miljöer som kräver datautbyte.
Läge 2 stöder dubbelriktad I/O -operationer och använder grupp A -stift för en dubbelriktad databuss med lägre port C -bitar som hanterar I/O -kontroll.Detta läge är idealiskt lämpligt för avancerade kommunikationsprotokoll, effektiv datautbyte och intelligenta perifera enheter, såsom vissa minnesgränssnitt och smarta sensorer.Genom att utnyttja grupp A -stift och lägre port C -bitar erbjuder Mode 2 större mångsidighet och effektivitet, vilket underlättar komplex och lyhörd interaktion mellan enheter.
De olika driftslägen för 8255, inklusive den detaljerade manipulationen i bit-inställningsläge och olika I/O-konfigurationer, bygger en solid grund för att skapa sofistikerade och pålitliga digitala system.Att välja rätt läge baserat på specifika applikationsbehov kan optimera systemets prestanda och funktionalitet.
Funktionen för 8255-mikroprocessorn, en mångsidig programmerbar I/O-enhet, underlättar datautbyte mellan den centrala bearbetningsenheten (CPU) och flera perifera enheter, såsom tangentbord, analoga till digitala omvandlare (ADC) och digital-till--Analoga omvandlare (DAC).Denna enhet säkerställer en smidig hantering av ingångs- och utgångsoperationer, främjar felfri kommunikation och effektiv datautbyte.
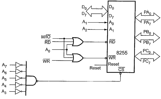
Vid gränssnitt 8255 med 8086 mikroprocessor är specifika styrstift, som ingångsläsning (RD) och skriv (WR) -stift, användbara i datatransaktioner.Under datahämtning aktiveras RD -stiftet, vilket gör att mikroprocessorn kan hämta data från en extern källa.Omvänt aktiveras WR -stiftet för att överföra data från mikroprocessorn till en extern enhet.Ett praktiskt exempel kan ses i automatiserade testsystem, där snabb datainhämtning och inspelning är viktiga.Den sömlösa driften av läs- och skrivdata mellan komponenter minimerar latens och optimerar därmed prestanda.
8255-mikroprocessorn använder en 8-bitars databuss för dataöverföring, vilket säkerställer bred kompatibilitet och anpassningsförmåga i olika applikationer.Adresslinjer A1 och A0 spelar en roll för att reglera de interna konfigurationerna och funktionella lägena för 8255 och diktera hur data hanteras och registreras.Adressering av linjer A1 och A0 kan jämföras med en bibliotekarisk som organiserar böcker i ett bibliotek, de identifierar var data ska läsas från eller skrivas till, upprätthålla systemordning och effektivitet.Denna organisation är bäst för system som kräver hög tillförlitlighet, till exempel medicinsk instrumentering där exakt datahantering är stor.
Att förstå interaktionen mellan RD- och WR -kontrollsignalerna för felsökning och optimering av systemprestanda krävs.I digitala kontrollsystem som används vid tillverkning kan till exempel säkerställa korrekt tidpunkt och aktivering av dessa signaler öka produktionsprocessernas precision och tillförlitlighet.
Det är uppenbart att 8255 -mikroprocessorns skicklighet vid hantering av dataöverföring och perifer kommunikation belyser dess betydelse i komplexa datorsystem.Den nyanserade manipulationen av adresslinjer och styrsignaler visar uppfinningsrikedom och driver teknik framåt.8255 -mikroprocessorn står som ett bevis på komplexiteten som är involverad i digital kommunikation och kontroll.Dess sömlösa integrationsfunktioner fortsätter att möjliggöra banbrytande utveckling över olika områden, från industriell automatisering till sjukvårdsteknik.

Till att börja med är 8255 -portarna inställda på inmatningsläge.Denna standardkonfiguration kräver noggrann justering i programvara för att matcha den önskade funktionaliteten.Konfigurera på lämpligt sätt för att säkerställa ett smidigt och pålitligt datautbyte i din installation.
Utgångsstift på 8255 -mikroprocessorn är inte utformade för att driva externa enheter direkt på grund av deras begränsade kapacitet.Att införa externa förstärkare eller transistorer blir en praktisk övervägande för att uppfylla högre nuvarande krav.Detta observeras ofta i scenarier där signalstyrkamplifiering är stor för att upprätthålla operativa standarder.
Vid gränssnitt med höga ström- eller spänningsanordningar behövs utnyttjande av korrekt amplifiering eller omkopplingsmekanismer.Att distribuera transistorer för växling kan hantera större strömmar utan att överbelasta 8255. Detta tillvägagångssätt återspeglar praktiska tillämpningar där lastdrivna switchar underlättar resurshantering effektivt och därmed skyddar mikroprocessorn från potentiella skador.
Gränssnitt med AC-driven enheter kräver att man använder reläer.Reläer fungerar som medlar, vilket säkerställer att energiförbrukningen hanteras säkert och isolering upprätthålls.Denna metod är viktig i många applikationer, vilket ger både elektrisk isolering och säker gränssnitt mellan AC-kretsar och digitala kretsar med låg effekt.
Port C: s beteende förändras i läge 1 eller läge 2 -operationer.Under dessa lägen kan den inte fungera som en standard I/O -port.Denna begränsning belyser nödvändigheten av grundlig planering vid utformning av system som kräver olika portfunktioner.Tillräcklig övervägande av operativa lägen inom systemets arkitektur hjälper till att undvika oförutsedda begränsningar.Genom att ta itu med dessa överväganden kan gränssnitt med 8255 mikroprocessor är finjusterade för att rymma olika applikationer, vilket säkerställer robust och pålitlig systemprestanda.
8255 -mikroprocessorn firas för en mängd fördelar, som stärker dess roll som en eftertraktad komponent över olika tekniska landskap.
8255 -mikroprocessorn utmärker sig i sin kompatibilitet med en omfattande mängd processorer, vilket underlättar dess inkludering i många system utan att behöva omfattande modifieringar.Denna sömlösa anslutning med olika mikrochips effektiviserar designfasen, vilket ofta minskar utvecklingstidslinjerna.
Visning av imponerande mångsidighet, 8255 -mikroprocessorn är anpassningsbar till en mängd funktioner inom tekniska ekosystem.Det är konfigurerbart i flera operativa lägen, vilket gör det möjligt att hantera uppgifter från datainsamling till styrsystemhantering.Sådan flexibilitet ser sin integration i en rad enheter, både enkla prylar och intrikata industrimaskiner.
Utformningen av 8255 -mikroprocessorn prioriterar optimal energianvändning, vilket gör den perfekt för applikationer som Power Conservation.Enheter som använder denna mikroprocessor har förlängda operativa livslängd och ökade tillförlitlighet, attribut i både elektronik och industriella miljöer.
Den breda acceptansen av 8255 -mikroprocessorn belyser dess konsekventa prestanda och tillförlitlighet.Det fungerar som en pålitlig komponent i utbildningsmiljöer för undervisning, forskningslabor för experimentellt arbete och kommersiella produkter för produktionssystem.Detta omfattande användning understryker sin hållbarhet och effektiva funktionalitet, tidstestad över olika applikationer.
Möjligheten att underlätta parallell dataöverföring sticker ut som ett uppskattat drag i 8255 -mikroprocessorn.Denna kapacitet är fördelaktig i system som kräver snabb kommunikation mellan mikroprocessorn och kringutrustning.Effektiv hantering av samtidiga dataströmmar med 8255 förbättrar hastigheten och prestandan för komplexa inställningar.
8255 -mikroprocessorn visar sig värdefull i inbäddade system och automatisering.Andra utnyttjar sin enkla integration och konfigurerbara karaktär för att förfina utvecklingsprocesser.I tillverkningsmiljöer synkroniserar till exempel 8255 operationer för sensorer och ställdon, vilket säkerställer både precision och effektivitet.8255 mikroprocessorens kompatibilitet, flexibilitet, energieffektivitet, utbredd användning och förmåga att hantera parallell dataöverföring höjer dess status i mikroelektronik.Att ta tag i sina praktiska tillämpningar erbjuder en djupare uppskattning av dess bidrag till teknisk utveckling.
8255-mikroprocessorn, en långvarig men ständigt relevant komponent, finner sin plats i en mängd specialiserade tillämpningar, vilket berikar både historiska och moderna tekniska landskap.Denna mångsidighet är grundad i sin skicklighet i att interagera med en mängd enheter och system.
När det gäller LED -kontrollapplikationer utmärker 8255 att hantera komplexa belysningssekvenser.Denna kapacitet är mycket värderad i display- och indikatorsystem, där exakt kontroll över multi-ledda matriser är viktig.Utnyttjande av portkonfigurationer, många hantverkssofistikerade inomhus- och utomhusskyltar som inte bara tjänar funktionella ändamål utan också fängslar sin visuella lockelse.
I relanskontrollen visar 8255 sin skicklighet inom automatiserings- och kontrollsystem.Det säkerställer exakt och pålitlig maskinverksamhet, en funktion som vårdas i industriella miljöer.Här spelar 8255 en roll i att underlätta manövrering, upprätthålla operativ integritet och säkerställa smidiga arbetsflödesövergångar.
Att använda 8255 för stegmotorstyrning innebär pulssekvenshantering, som används för att uppnå exakt motorisk positionering.Denna precision finner sitt stadium i CNC -maskiner, robotsystem och olika automatiseringslösningar.Workshops och tillverkningsenheter skördar betydande fördelar med sådan teknik, vilket i slutändan ökar produktiviteten och förbättrar precisionen.
8255 förenklar inmatningssignalbehandlingen i gränssnittet mellan tangentbordet och främjar pålitliga datainmatningssystem.Detta verktyg överbryggar både historiska datormiljöer och moderna inbäddade systemkonstruktioner.Processorns förmåga att anpassa sig och förbli relevant i olika tidpunkter visar dess varaktiga överklagande och funktionalitet.
Att distribuera 8255 i trafiksignalkontrollsystem höjer stadsinfrastrukturhantering.Implementationer avslöjar hur noggrant programmerade tidssekvenser optimerar trafikflödet och säkerheten.Således påverkar processorn de dagliga offentliga systemen och säkerställer smidigare och säkrare pendlar.
Vid hantering av lyftsystem visar 8255: s programmerbara natur den exakta driften av hissmekanik.Denna applikation är en kärna i bygghanteringsteknologier, där pålitliga mikroprocessorsystem säkerställer säker och effektiv vertikal transport.
8255: s flexibla I/O -portar är en bonus i moderna mikrokontrollersystem, vilket förbättrar perifer hantering.Praktisk integration förenklar systemutvidgningen och möjliggör anpassad perifer kontroll, vilket gör det till en go-to-lösning för att utveckla skräddarsydda tekniska tillämpningar i olika sektorer.Dess anpassningsbarhet underlättar en sömlös skapandeprocess för innovativa lösningar.
8255 överbryggar också klyftan mellan vintage hembyggda datorer och moderna kringutrustning.Många värnar om denna förmåga när den bevarar och återupplivar äldre system.Genom att möjliggöra interaktion med samtida apparater belyser 8255 dess anpassningsförmåga och fortsatt relevans i ett snabbt utvecklande tekniskt landskap.
8255 -mikroprocessorn står som ett bevis på robusthet och mångsidighet och stärker sin plats i både historiska och samtida miljöer.Det breda spektrumet av applikationer bekräftar sin varaktiga användbarhet och relevans i en ständigt föränderlig teknisk värld.
8255 gränssnitt med huvudprocessorn via en adressbuss och en databuss.Detta gränssnitt underlättar dubbelriktad dataöverföring, vilket möjliggör effektiv kommunikation och kontroll inom mikroprocessorbaserade system.I praktiska tillämpningar kartlägger andra ofta 8255: s portar till specifika adressintervall för att säkerställa sömlös datautbyte, vilket optimerar den övergripande systemprestanda.
8255 har tre distinkta driftsätt:
Läge 0 (grundläggande I/O): Tillåter enkel datainmatning och utgång, vilket gör det idealiskt för enkla uppgifter.
Läge 1 (kontrollerad I/O): Inkluderar handskakning för mer kontrollerade dataöverföringsprocesser, vilket förbättrar tillförlitligheten.
Läge 2 (dubbelriktad buss): stöder dubbelriktade dataflöden, lämpliga för komplexa kommunikationsbehov.
Moderna system emulerar ofta dessa lägen med uppdaterad hårdvara för bakåtkompatibilitet, vilket säkerställer att befintliga arbetsflöden och applikationer fortsätter att fungera sömlöst.
8255 hanterar avbryter genom att utlösa dem under specifika förhållanden och utföra fördefinierade avbrottstjänstrutiner.Denna mekanism prioriterar omedelbar uppmärksamhet på högprioriterade uppgifter, vilket möjliggör snabba svar på eventuella händelser.Ett praktiskt exempel inkluderar övervakning av en ingångsport för en extern signaländring och utlöser ett avbrott för att bearbeta den direkt.Vissa använder avbrottsvektorer för att definiera servicerutiner, vilket säkerställer exakta och snabba svar på sådana avbrott.
Under 1980 -talet användes 8255 allmänt för att tillhandahålla parallella I/O -kapaciteter inom datainsamling, processkontroll och industriell automatisering.Dessa applikationer gynnades av chipets förmåga att hantera flera I/O -operationer samtidigt.Till exempel användes 8255 i tidiga datorkontrollerade tillverkningssystem för att gränssnittssensorer och ställdon effektivt.Dess mångsidighet och tillförlitlighet gjorde det till en kärna i automatiseringen av olika branscher, vilket stödde en rad uppgifter från enkel datainsamling till komplexa kontrollprocesser.
8255 hanterar handskakningssignaler genom inbyggda funktioner som reglerar dataflödet mellan huvudprocessorn och 8255. Detta inkluderar att erkänna datamottagning och säkerställa korrekt sekvensering av kommunikation, vilket leder till förbättrad synkronisering mellan systemkomponenter.I praktiken säkerställer handskakning att en sensors data läses exakt innan de fortsätter till nästa processsteg, skyddssystemets noggrannhet och effektivitet.
8255-mikroprocessorn, även om den till stor del ersätts av avancerade perifera gränssnittschips såsom mikrokontroller och allmänt I/O-chips, används fortfarande ibland i äldre system där parallella I/O-kapaciteter behövs.Dessa system upprätthåller sin funktionalitet på grund av den robusta och väl förstådda designen av 8255. Till exempel fortsätter flera äldre industrimaskiner att förlita sig på 8255 för tillförlitlig och enkel I/O-hantering.Att förstå egenskaperna hos 8255 möjliggör effektivt underhåll och tillfällig integration i befintliga inställningar som kräver parallell databehandling.Denna bestående närvaro talar till chipets pålitliga prestanda även inför moderna alternativ.
Skicka en förfrågan, vi svarar omedelbart.
på 2024/10/8
på 2024/10/7
på 8000/04/18 147757
på 2000/04/18 111936
på 1600/04/18 111349
på 0400/04/18 83721
på 1970/01/1 79508
på 1970/01/1 66910
på 1970/01/1 63046
på 1970/01/1 63012
på 1970/01/1 54081
på 1970/01/1 52127