




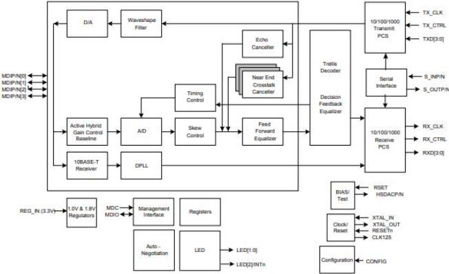
De 88E1512 är en mycket anpassningsbar Gigabit Ethernet -sändtagare.Den stöder de allmänt använda 1000BASE-T, 100BASE-TX och 10BASE-T-standarderna, vilket säkerställer effektiv dataöverföring.Denna mångfald i standarder gör det möjligt att uppfylla kraven från moderna nätverkssystem och erbjuder tillförlitlighet över olika gränssnitt.
Med anslutningar tillgängliga genom både GMII och RGMII -gränssnitt, underlättar sändtagaren smidig integration i olika nätverksinfrastrukturer.Denna dubbla kompatibilitet tillgodoser olika nätverksarkitekturer och ger dig den flexibilitet som behövs för att förbättra systemets prestanda sömlöst.Enkelheten av införlivande i befintliga system värderas ofta, vilket ökar både skalbarhet och effektivitet.SGMII -format och SGMII -format är 88E1512 beredd att anpassa sig till en rad nätverksscenarier.I miljöer där nätverkskrav fluktuerar kan denna kapacitet mestadels vara fördelaktig.Transceiver's Automatic Media Type Detection minskar installationskomplexiteten och effektiviserar nätverkshantering.
Integrerade MDI -termineringsmotstånd är en del av 88E1512: s effektiva design, förenklande kretslayouter och sänkning av kostnader relaterade till material och tillverkning.Denna tankeväckande design överensstämmer med IEEE -standarderna och säkerställer konsekvent prestanda.Sådana effektivitet hjälper till att leverera system som är pålitliga men ändå enkla att distribuera.Balansen mellan precision och kostnadshantering som erbjuds av 88E1512 söks ofta.Genom att leverera kvalitetslösningar som respekterar budgetbegränsningar kan projekt uppnå både hållbarhet och skalbarhet.Denna jämvikt observeras vanligtvis i framgångsrika implementeringar, vilket driver långsiktigt nätverksfrämjande.
|
Särdrag |
Beskrivning |
|
IEEE -efterlevnad |
10/100/1000BASE-T IEEE 802.3 Komplibel |
|
Flera driftslägen |
- rgmii till koppar |
|
- SGMII till koppar (88E1512/88E1514) |
|
|
- rgmii till fiber/sgmii (endast 88E1512) |
|
|
- rgmii till koppar/fiber/sgmii med auto-media detekter
(Endast 88E1512) |
|
|
- Koppar till fiber (1000 base-x) (88E1512/88E1514) |
|
|
RGMII -tidslägen |
Fyra RGMII -tidslägen med integrerade förseningar,
Eliminera behovet av förseningar av PCB -spår |
|
Fibergränssnittsstöd |
Stöder 1000Base-X och 100Base-FX med SGMII (88E1512
endast) |
|
RGMII LVCMOS -standarder |
Stöder lvcmos/0 på RGMII |
|
Energieffektivt Ethernet (EEE) |
IEEE 802.3AZ-2010-kompatibel, med EEE-buffring för
Legacy Mac -datorer |
|
Krafteffektivitet |
Ultra-låg kraft, med integrerad MDI-avslutning
motstånd |
|
Spänningsregulatorer |
Integrerad omkopplingsspänningsregulatorer |
|
Grönt Ethernet -stöd |
- Aktivt Power Save -läge |
|
- Energidetektering och energidetektering+ lågeffektlägen |
|
|
IEEE1588 V2 |
Tidsstämpelstöd |
|
Synkron Ethernet (Synce) |
Klockåterhämtning |
|
Loopback -lägen |
Tre diagnostiska loopback -lägen |
|
Nedväxlingsläge |
Stöd för tvåpar kabelinstallationer
|
|
Adaptiva utjämnare |
Helt integrerade digitala adaptiva utjämnare, Echo
avbrytare och övergångar avbryggare |
|
Baslinjekorrigering |
Avancerad digital baslinjekorrigering |
|
Mdi/mdix |
Automatisk MDI/MDIX -crossover vid alla hastigheter |
|
Polaritetskorrigering |
Automatisk polaritetskorrigering |
|
Automatiskt förhandling |
IEEE 802.3 Komplaterande |
|
LED -lägen |
Programvaruprogrammerbara LED -lägen, inklusive LED -testning |
|
Ledargränssnitt |
MDC/XMDIO Management Interface |
|
Diagnostiska verktyg |
CRC -checker, paketräknare, paketgenerering |
|
Vakna på LAN (WOL) |
Evenemangsdetekteringsförmåga |
|
Virtual Cable Tester (VCT) |
Avancerad virtuell kabeltestare för diagnostik |
|
Autokalibrering |
För MAC -gränssnittsutgångar |
|
Temperatursensor |
Integrerad |
|
Spänningsförsörjning |
Singel 3.3V -tillförsel med intern omkopplingsregulator
stöd |
|
I/O -spänningsalternativ |
1.8V, 2,5V eller 3,3V för I/O -kuddar |
|
Betygsalternativ |
Kommersiella och industriella betyg (88E1510 och 88E1512
endast) |
|
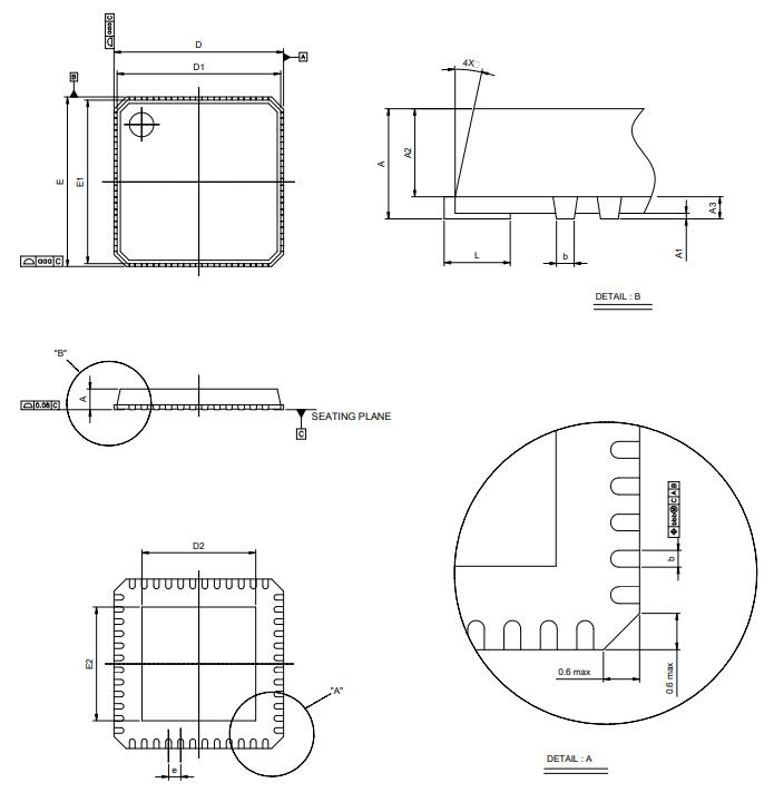
Paket |
- 48-stift QFN 7mm x 7mm grön med EPAD (88E1510 och
88E1518) |
|
- 56-stift QFN 8mm x 8mm grön med EPAD (88E1512/88E1514) |
88E1512 Ethernet PHY erbjuder en flexibel grund för snabba framsteg i digitala landskap.Denna komponent driver gigabit -system över olika sektorer, såsom företag, inbäddade lösningar, konsumentelektronik och metro/servicenätverk.
• Förbättrande nätverksinfrastruktur: I företagsnätverk förstärker 88E1512 anslutningen och ökar dataöverföringshastigheterna.Det trivs i miljöer som kräver snabb och sömlös datautbyte, som datacenter och företagsnätverk.
• Integration av datacenter: Datacenter drar nytta av 88E1512: s stabila prestanda och höghastighetsfunktioner, vilket säkerställer ett smidigt dataflöde som är nödvändigt för lagring och bearbetning.Det har en harmonisk balans mellan hastighet och tillförlitlighet och blir ett viktigt inslag i modern datacenterdesign.
I inbäddade system möjliggör komponenten kompakta och effektiva layouter allvarliga för IoT och automatisering.Denna integration främjar smartare och mer lyhörda applikationer och driver innovationer inom smarta hemteknologier och industriell automatisering.
88E1512 möter den ökande efterfrågan på höghastighetsinternet i konsumentenheter.Smart TV -apparater och spelkonsoler utnyttjar till exempel deras kapacitet för överlägsna streaming- och spelupplevelser, vilket förbättrar din tillfredsställelse och konkurrensfördel.
• Underhåll av anslutning: I tunnelbananätverk och bland tjänsteleverantörer säkerställer 88E1512 stabila och konsekventa anslutningar.Dess distribution gör det möjligt för tjänsteleverantörer att leverera kvalitetsinternet med minimala avbrott, vilket gynnar både företag och hem.
• Förbättra nätverksryggraden: Dess roll i Metro Networks stöder tillförlitlig infrastruktur, underlättar effektiva kommunikationskanaler och tillgodoser höga datalaster.Det är huvudsakligen att upprätthålla stadskommunikationsnätverk, säkerställa deras effektivitet och motståndskraft.
• 88E1512-A0-NNP2I000
• 88E1512-A0-NNP-2I000
• 88E1512-A0NNP2I000
• 88E1512A0NNP2I000


Marvell, känd för att driva kuvertet i digital lagring, bryter konsekvent ny mark över olika sektorer.Deras avancerade halvledarlösningar spelar en viktig roll för att definiera framtiden för datalagring och har långtgående effekter på företags-, moln-, fordons-, industri- och konsumentmarknader.Denna holistiska strategi avslöjar deras engagemang för att öka effektiviteten och skalbarheten för datahantering.
I både företags- och molninställningar förbättrar Marvell dataflöde och lagringseffektivitet.Den växande betoningen på molnberäkning kräver robusta, skalbara innovationer.Genom att utnyttja avancerade algoritmer tillsammans med krafteffektiva mönster, hanterar Marvell latensutmaningar och ger sömlös datatillgång för att uppfylla de hastighetskrav som krävs för moderna företag.För bil- och industriellt bruk levererar Marvell hållbara lösningar som är utformade för att uthärda tuffa förhållanden.Deras halvledare erbjuder tillförlitlig, databehandling - aktivt för smarta fordons utveckling och tillverkningsautomation.Att integrera AI-kapacitet stöder intelligent beslutsfattande och förutsägbart underhåll, båda som används för dessa sektorernas omvandlingar.
Här är bordet för Marvell Semiconductor, Inc. 88E1512-A0-NNP2I000 Tekniska specifikationer och attribut.
|
Typ |
Parameter |
|
Fabriksledning |
16 veckor |
|
Montera |
Ytfäste |
|
Monteringstyp |
Ytfäste |
|
Förpackning / fodral |
56-vfqfn exponerad pad |
|
Användningsnivå |
Industriell klass |
|
Driftstemperatur |
-40 ° C ~ 85 ° C (TA) |
|
Serie |
Alaska® |
|
Publicerad |
2011 |
|
Delstatus |
Aktiv |
|
Fuktkänslighetsnivå (MSL) |
3 (168 timmar) |
|
Antal avslutningar |
56 |
|
Typ |
Transceiver |
|
Spänning - försörjning |
1,71V ~ 1,89V, 2,38V ~ 2,62V, 3,14V ~ 3,46V |
|
Terminalposition |
Fyrhjuling |
|
Terminalform |
Ingen ledning |
|
Antal funktioner |
1 |
|
Leveransspänning |
3.3V |
|
JESD-30-kod |
S-XQCC-N56 |
|
Antal kanaler |
4 |
|
Gränssnitt |
Eternet |
|
Datafrekvens |
10 Mbps, 100 Mbps, 1 Gbps |
|
Protokoll |
IEEE 802.3, IEEE 1588 |
|
Antal drivrutiner/mottagare |
4-april |
|
Duplex |
Halva, halv |
|
Antal sändtagare |
1 |
|
Simplex/duplex |
Duplex |
|
Max korsningstemperatur (TJ) |
125 ° C |
|
Omgivningstemperaturintervall högt |
85 ° C |
|
Höjd |
1 mm |
|
ROHS -status |
ROHS -kompatibel |
88E1512 -sändaren är Designad för mångsidiga nätverksinställningar, som stöder fem driftslägen som passar specifika behov.Rgmii som förbättrar digital kommunikation Mellan Mac och PHY, effektiviserar dataöverföring och reducerande design Komplexitet är idealisk för kopparanslutningar i olika installationer.Sgmii är ett kompakt protokoll med differentiella par för hög signalintegritet och lågt stiftantal, som stödjer koppar- och fiberanslutningar, används allmänt för dess låg effekt och anpassningsförmåga.Rgmii till sgmii övergångserbjudanden Flexibel anslutning genom att möjliggöra RGMII-till-SGMII-övergångar med konfiguration Alternativ för att säkerställa kompatibilitet mellan olika inställningar.Koppar och fiber Stöd SGMII Stöd både koppar (hållbar, kostnadseffektiva) och fiber (höghastighet, långdistans) anslutningar, med Auto-detektion för förenklad installation.Fiberövergång (1000 base-x) underlättar sömlösa övergångar mellan koppar- och fiberlägen, anpassningsbara till bostäder och kommersiella miljöer baserade på latens och signalkrav.
Sändtagaren har en integrerad spänningsregulator som fungerar smidigt på en 3,3V strömförsörjning medan de stöder flera LVCMOS -spänningar: 1,8V, 2,5V och 3.3V.Denna anpassningsförmåga möjliggör sömlös integration i system med olika kraftramar.Ett avsiktligt val av spänningsstandarder påverkar direkt termisk hantering och krafteffektivitet och spelar en anmärkningsvärd roll i tekniska utmaningar.Genom att ta hand om dessa aspekter kan du stärka prestandans livslängd och hållbar enhet.
Inneslutet i ett kompakt 56-stifts QFN-paket är sändtagarens dimensioner 8 mm x 8 mm.Denna design används för att maximera utrymmet på täta kretskort, vilket gör den lämplig för applikationer med hög densitet.När elektronik fortsätter att trenda mot mindre storlekar blir det allt viktigare att välja kompakta komponenter utan att förlora funktionalitet.QFN -paketet förbättrar inte bara termisk prestanda utan minskar också fotavtrycket och påverkar produktens mångsidighet och marknadens lyhördhet direkt.
Skicka en förfrågan, vi svarar omedelbart.
på 2024/10/29
på 2024/10/29
på 8000/04/18 147758
på 2000/04/18 111949
på 1600/04/18 111349
på 0400/04/18 83722
på 1970/01/1 79508
på 1970/01/1 66920
på 1970/01/1 63077
på 1970/01/1 63012
på 1970/01/1 54081
på 1970/01/1 52145