
De NCP3066 är en sofistikerad monolitisk enhet utformad för att leverera en enhetlig ström för lysdioder med hög ljushet.Den har en särskilt låg återkopplingsspänning på 235 mV, vilket underlättar exakt hantering av typiska LED -strömmar.Den kan hantera ingångsspänningar upp till 40 V, den anpassar sig sömlöst till system som arbetar mellan 12 V till 36 V, ofta stött på belysning och laddningsbara kraftdomäner.Sådan mångsidighet betonar dess anpassningsförmåga i flera konfigurationer som Buck, Boost eller Invertering Topologies, vilket endast kräver ett minimalt antal externa komponenter.Dessa alternativ erbjuder design av design och effektiv införlivande i ett brett utbud av scenarier, så att du kan släppa ut deras kreativitet och möta olika tillämpningsbehov med lätthet.
Förbättrad med PWM-dimningskapacitet och en lågeffektavstängningsfunktion, är NCP3066 mestadels skicklig för fordons-, marina och bärbara belysningslösningar.Dessa applikationer trivs med sin kompetens att leverera upp till 1,5 ampere stabil ström, vilket gör NCP3066 till ett gynnat urval för att söka både tillförlitlighet och effektivitet.Till exempel, i fordonsbelysningssystem där hållbarhet sammanflätas med energibesparing, erbjuder regulatorns robusta konstruktion meningsfulla fördelar, lugnande av dess varaktiga prestanda.

|
Stiftnummer |
Stiftnamn |
Beskrivning |
|
Stift 1 |
Switch collector |
Intern Darlington Switch Collector Pin. |
|
Stift 2 |
Switch Emitter |
Intern Darlington Switch Emitter Pin. |
|
Stift 3 |
Tidskondensator |
Tidskondensator för oscillatorstiftet. |
|
Stift 4 |
Gard |
Markstift för alla inre kretsar. |
|
Stift 5 |
Inverterande stift av komparator |
Invertera ingångsstift för en komparator. |
|
Stift 6 |
Vcc |
Ingångsspänning för regulatorn. |
|
Stift 7 |
IPK -sinne |
Avkänningsstift för toppström. |
|
Stift 8 |
På/av |
On/Off Control Pin. |
|
Funktion/specifikation |
Information |
|
Typ |
Monolitisk konstant strömregulator ic |
|
Ingångsspänning (VIN) |
3V - 40V |
|
Integrerad switch |
1,5 ampere |
|
Låg återkopplingsspänning |
235 mV |
|
Hög driftsfrekvens |
Upp till 150 kHz |
|
Avstängningsförmåga |
Avstängning på logiknivå |
|
Dimningsalternativ |
Analog och PWM dimbar |
|
Pakettyper |
SOIC, DFN och 8-stifts dopp |
|
PWM dimningskapacitet |
Analog och digital |
|
ROHS -efterlevnad |
Pb-fri |
|
Termisk avstängning |
Intern termisk avstängning med hysteres |
|
Kontrollslingekompensation |
Inte krävs |
|
Justerbar frekvensoperation |
Upp till 250 kHz |
|
Aktbegränsning |
Cykel för cykel |
• LM5008
• XL6009
• LM3407
• A6211
• NCP3065
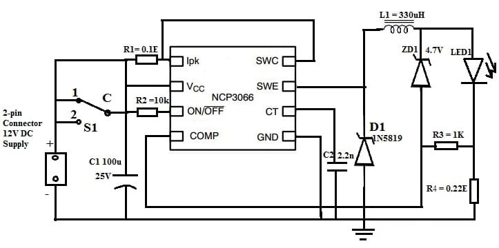
Scooter förvaringsfack utgör ofta besväret med otillräcklig belysning, vilket komplicerar deras användning under nattetimmar när synlighet är ett problem.En tankeväckande implementerad lösning involverar att använda NCP3066 -regulatorn för att automatisera aktiveringen av ett ljus när lagringsutrymmet öppnas.Denna tillämpning av automatisk belysning ökar avsevärt din bekvämlighet och förtroende för deras kvällsturer.
Kretsarrangemanget innehåller flera grundläggande komponenter:
• NCP3066 Regulator
• Schottky Diode
• Zener -diod
• Vit LED
• Motstånd
• Kondensatorer
• induktor
• Begränsningsomkopplare
• DC kraftkälla
I samarbete harmoniskt bidrar dessa komponenter var och en till systemets effektivitet och pålitlighet.Gränsomkopplaren erbjuder till exempel en elegant lösning genom att styra ljusets beteende baserat enbart på fackets öppna eller stängda tillstånd, vilket lägger till ett lager av intuitiv kontroll.

Inom en buck topologi fungerar NCP3066 -regulatorn som en konstant strömförare.Denna installation reglerar inte bara kraftanvändning med precision utan säkerställer också konsekvent ljuseffekt, aktiv för att bibehålla tydlig synlighet.Det avsiktliga urvalet av komponenter, särskilt förarens förmåga att tillhandahålla konstant ström, belyser ett metodiskt tillvägagångssätt som maximerar energieffektiviteten samtidigt som hög belysningsstandarder upprätthålls.Dessutom exemplifierar införandet av en Zener -diod en teknisk framsyn som prioriterar felskydd, vilket drar från omfattande erfarenhet av mönster som kräver hållbarhet och anpassningsbarhet mot fluktuerande förhållanden.
NCP3066 visar upp en anmärkningsvärd talang när det gäller att reglera nuvarande, som kan fungera vid frekvenser upp till 250 kHz och erbjuder bekvämligheten med avstängningsalternativ.Dess noggrant balanserade nuvarande reglering och förenklade struktur förbättrar operativa resultat.Dessutom ökar de inbyggda skyddselementen avsevärt säkerheten, vilket säkerställer kraftanvändningen förblir under 100 µA, en aspekt som hjälper till att sänka operativa faror.
Kombinationen av NCP3066: s effektiva drift, kompakta storlek och kostnadseffektiva konstruktion tillgodoser de moderna elektronikens utvecklande behov.Införandet av små och billiga förnuftmotstånd spelar en nyckelroll, vilket gör att chipet kan anpassa sig till olika kretskrav.Du kan skickligt använda dessa egenskaper i faktiska scenarier för att finjustera kretsstorlek och budget samtidigt som du upprätthåller robust prestanda.
I praktiska miljöer blir betydelsen av dessa egenskaper otänkbar.Du kan ofta kämpa med begränsningar för utrymme och termisk hantering.NCP3066: s effektivitet i kombination med ett minimalt enhetsavtryck ger en tydlig fördel.Dessutom är dess låga energiförbrukning under inaktiva faser huvudsakligen värdefull för batteridrivna enheter, vilket förlänger deras livslängd och tillförlitlighet.Från praktisk erfarenhet möjliggör synergin i dess snygga design och skyddsfunktioner smidig integration i komplexa system.
NCP3066 utmärker sig för att upprätthålla stabila strömflöden genom lysdioder, med fokus på strömstabilisering snarare än spänningskontroll.Denna funktion höjer dess anpassningsförmåga mellan olika applikationer.
• Fordonsbelysning: Konsekvent belysning förbättrar både säkerhetsstandarder och estetisk överklagande.
• Utomhusbelysning och skyltning: Tillförlitlighet och hållbarhet i miljöutmaningar prioriteras.
• Industriella maskiner: förlitar sig på dess pålitliga nuvarande utbud, säkerställer smidig drift och minimerar driftstopp, i slutändan ökar produktiviteten och minskar underhållskostnaderna.
• Konsumentelektronik: Empowers DIY Aficionados att skapa anpassade belysningslösningar.Det erbjuder stadig nuvarande ledning.Dess olika applikationer sträcker sig till strömförsörjningsdesign och batteriladdningssystem, vilket garanterar långvarig livslängd och effektivitet.
• Trädgårds- och akvariumbelysning: levererar en konstant utgång, främjar växt- och akvatiskt liv genom att kontrollera ljusintensiteten.
Motstånd väljs ofta för sin enkelhet och kostnadseffektivitet när det gäller att kontrollera strömmen i LED-kretsar.Ändå saknar de i sig den finjusterade precisionen och flexibel justering som erbjuds av enheter som NCP3066.Motstånd hanterar väl under fasta förhållanden men kämpar för att justera sömlöst till skift i spänning eller miljöfaktorer.Detta underskott kan resultera i anmärkningsvärda nuvarande variationer, vilket påverkar både prestanda och livslängd för lysdioder.
NCP3066 erbjuder en exceptionell lösning för konsekvent nuvarande reglering.Dess förmåga att svara på förändringar i spänningen säkerställer ett jämnt flöde av ström, vilket hjälper till att upprätthålla LED -effektivitet och lysande konsistens över tid.Denna egenskap är särskilt fördelaktig i scenarier där konsekvent prestanda och stabilitet är mycket önskvärda.Vid hantering av känsliga elektroniska delar blir exakt nuvarande leverans allvarlig för att förhindra tidiga fel eller ojämn drift.
I många fall kan motstånd generera betydande värme, vilket leder till ineffektivitet i kretsen.Sådan värmeproduktion kan förvärras av spänningsförändringar, inkonsekvenser i tillverkningen och temperaturvariationer.Dessa element kan bidra till instabil LED -prestanda och fluktuerande ljusstyrka.Å andra sidan, att använda NCP3066 mildrar termiska utmaningar genom att erbjuda effektivare och exakt nuvarande kontroll, vilket förbättrar hållbarheten och tillförlitligheten för LED -matriser.
Skicka en förfrågan, vi svarar omedelbart.
på 2024/12/11
på 2024/12/11
på 8000/04/17 147711
på 2000/04/17 111662
på 1600/04/17 111314
på 0400/04/17 83579
på 1970/01/1 79219
på 1970/01/1 66749
på 1970/01/1 62925
på 1970/01/1 62794
på 1970/01/1 54020
på 1970/01/1 51937