




De TL084CNSom en del av TL08X operationell förstärkarfamilj innehåller en JFET -ingång som höjer urvalskvaliteten och förbättrar den totala prestandan jämfört med tidigare förstärkarmodeller.Denna integration av högspänning JFET-teknik tillsammans med bipolära transistorer inom en enda integrerad krets uppnår optimal matchning för olika applikationer.Detta sofistikerade arrangemang gör det möjligt att använda förstärkaren i situationer där precision och stabilitet värderas djupt.
Implementering av ett JFET -ingångssteg i TL084CN ger anmärkningsvärda fördelar, inklusive ökad ingångsimpedans och reducerad ingångsförskjutning ström i förhållande till traditionella BJT -ingångar.Dessa attribut minimerar signalförvrängning och stärk signal trohet, aspekter som mest omhuldade i ljudapplikationer och instrumenteringsdesign.Praktiskt taget innebär detta att man upprätthåller integriteten hos insignaler även inom komplexa kretsar eller mitt i betydande brus.
Amalgamationen av JFET- och bipolära transistorer inom TL084CN resulterar i exceptionell prestanda och pålitlighet.Detta designbeslut förbättrar svängningshastigheterna och breddar bandbredder, vilket gör förstärkaren Adept för höghastighetssignalbehandlingsuppgifter.Till exempel kan du mode Precision Audio Equipment som kan utnyttja dessa attribut för att uppnå överlägsen tydlighet och minimera latens i ljudåtergivning, vilket är användbart för professionella ljudsystem med hög kaliber.

|
Typ |
Parameter |
|
Livscykelstatus |
Aktiv (senast uppdaterad: 4 dagar sedan) |
|
Fabriksledning |
12 veckor |
|
Kontaktplätning |
Guld |
|
Monteringstyp |
Genom hålet |
|
Förpackning / fodral |
14-dip (0,300, 7,62 mm) |
|
Ytfäste |
INGA |
|
Antal stift |
14 |
|
Driftstemperatur |
0 ° C ~ 70 ° C |
|
Förpackning |
Rör |
|
JESD-609 kod |
e4 |
|
Delstatus |
Aktiv |
|
Fuktkänslighetsnivå (MSL) |
1 (obegränsad) |
|
Antal avslutningar |
14 |
|
ECCN -kod |
Örat99 |
|
Max Power Dispipation |
680mw |
|
Terminalposition |
DUBBEL |
|
Antal funktioner |
4 |
|
Leveransspänning |
15V |
|
Basdelnummer |
Tl084 |
|
Räkning |
14 |
|
Strömförsörjning |
± 15V |
|
Antal kanaler |
4 |
|
Driftsström |
1,4 mA |
|
Nominell leverantör |
11.2mA |
|
Svängt |
13V/μs |
|
Arkitektur |
Spänningsfoder |
|
Förstärkningstyp |
J-go |
|
Common Mode avstötningsförhållande |
70 dB |
|
Aktuell - ingångsförspänning |
30pa |
|
Spänning - Tillförsel, singel/dual (±) |
7V ~ 36V ± 3,5V ~ 18V |
|
Ingångsförskjutningsspänning (VOS) |
15 mV |
|
Neg Supply Voltage-Nom (VSUP) |
-15V |
|
Enhetsförstärkning bw-nom |
3000 kHz |
|
Spänningsförstärkning |
106.02db |
|
Genomsnittlig förspänning nuvarande max (IIB) |
0,01μA |
|
Låg- |
INGA |
|
Frekvenskompensation |
JA |
|
Leveransspänningsgränsen |
18V |
|
Spänning - ingångsförskjutning |
3 mV |
|
Lågskoft |
JA |
|
Mikropower |
INGA |
|
Programmerbar kraft |
INGA |
|
Dubbelförsörjningsspänning |
9V |
|
Neg Supply Voltage-Max (VSUP) |
-18V |
|
Nominell förstärkning av bandbreddprodukten |
3MHz |
|
Max I/O -spänning |
15 mV |
|
Input Offset Current-Max (IIO) |
0,002μA |
|
Höjd |
5,08 mm |
|
Längd |
19,3 mm |
|
Bredd |
6.35 mm |
|
Tjocklek |
3,9 mm |
|
Nå SVHC |
Ingen SVHC |
|
Strålning härdning |
Inga |
|
ROHS -status |
ROHS3 -kompatibel |
|
Blyfri |
Blyfri |
|
Artikelnummer |
Tillverkare |
Förpackning / fodral |
Antal stift
|
Svängt |
Ingångsutdelningsspänning |
Common Mode avstötningsförhållande |
Leveransspänning |
Driftsström |
Spänningsförstärkning |
|
TL084CN |
Texas instrument |
14-dip (0,300, 7,62 mm) |
14 |
13 V/µs |
15 mV |
70 dB |
15 v |
1,4 mA |
106.02 dB |
|
TL074CN |
Texas instrument |
14-dip (0,300, 7,62 mm) |
14 |
13 V/µs |
10 mV |
70 dB |
15 v |
1,4 mA |
106.02 dB |
|
Tl074in |
Texas instrument |
14-dip (0,300, 7,62 mm) |
14 |
13 V/µs |
6 MV |
70 dB |
15 v |
1,4 mA |
106.02 dB |
|
TL084CNE4 |
Texas instrument |
Pdip |
14 |
13 V/µs |
15 mV |
70 dB |
15 v |
1,4 mA |
106.02 dB |
|
Särdrag |
Beskrivning |
|
Låg effektförbrukning |
Minskar den totala energianvändningen i kretsar |
|
Bred vanligt läge och differentiella spänningsområden |
Stöder ett brett utbud av spänningsingångar |
|
Låg ingångsförspänning och offsetströmmar |
Minimerar ingångsströmvariationer och offsetfel |
|
Output kortslutningsskydd |
Skyddar utgången från potentiella skador på grund av kort
krets |
|
Låg total harmonisk distorsion |
0,003% typisk, idealisk för ljudapplikationer |
|
Hög ingångsimpedans |
JFET-input-scenen för förbättrad impedans |
|
Spärrfri drift |
Säkerställer tillförlitlig och stabil drift |
|
Högbäddsfrekvens |
13 V/µs typisk för snabb signalrespons |
|
Ingångsspänningsområdet för vanlig läge inkluderar VCC+ |
Gör att ingångsspänningen överskrider positiv matningsspänning |
• TL074CN
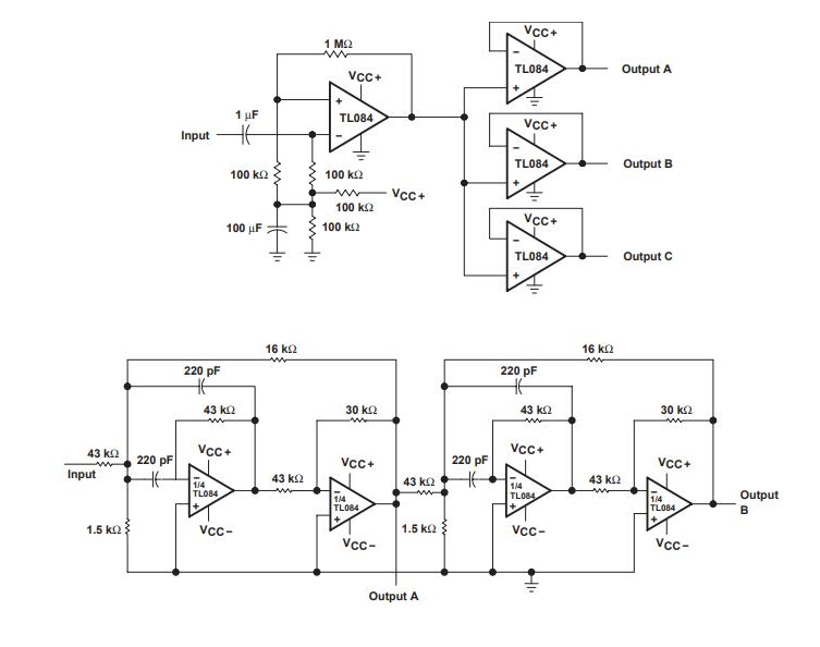
TL084CN-operationell förstärkare skiljer sig själv genom att omfatta fyra diskreta op-ampar inom ett paket.Varje op-amp drar nytta av den avancerade integrationen av högspänning JFET och bipolär transistorteknologi.Denna kombination resulterar i hög inmatningsimpedans och låg förspänningsström, vilket effektivt minskar bruset och minimerar harmonisk distorsion.Dessa funktioner gör TL084CN mestadels lämpad för ljudinställningar med hög trohet, särskilt som en aktiv komponent i ljudförförstärkare där precision och tydlighet måste upprätthållas.
I världen av ljudteknik spelar införandet av TL084CN en grundläggande roll.Det fungerar som en betydande byggsten i skapandet av ljudförförstärkare.Op-AMP: s höga inmatningsimpedans underlättar ett brett frekvenssvar, vilket säkerställer att känsliga ljudsignaler förstärks utan att offra detaljer.I praktiken kan du gravitera mot TL084CN för dess roll för att uppnå premiumljudåtergivning.Dess design gör det möjligt att hantera ett brett spektrum av signalamplituder utan distorsion, ett bevis på dess JFET och bipolär teknik.
En anmärkningsvärd användning av TL084CN visas i precisionsljudutrustning.Här kan du utnyttja dess låga förspänningsström för att bevara ljudsignalintegritet, som används för insatser på låg nivå där andra komponenter kan introducera brus.Denna nivå av exakt signalhantering möjliggör kvarhållning av ännu subtila ljudskillnader, som tilltalar dig som prioriterar överlägsen ljudkvalitet.Utanför ljudvärlden visar TL084CN anpassningsförmåga över en rad elektroniska system.Dess attribut, såsom höghastighetsrespons och låg effektförbrukning, gör det till ett passande val för kretsar som kräver snabb och exakt signalbehandling.Det finns ofta inom olika områden, inklusive telekommunikation och instrumentering, där op-ampens robusta egenskaper bidrar till förbättrad systemtillförlitlighet och prestanda.
TL084CN erbjuder en unik mängd fyra operativa förstärkare (OP-AMP), med samma PIN-konfiguration som LM324.Till skillnad från den vanliga 5V för många op-amp-enheter som LM324, körs den här enheten specifikt på en lägre spänningsgräns på 7V.För att utnyttja den fulla potentialen för denna quad op-amp-enhet, se till att matningsspänningen i enkelförsörjningsläge möter eller överskrider 7V.
7V -kravet ger en viss stabilitet som påverkar kretskonstruktionen, vilket antyder vikten av att redovisa variationer i spänningsförsörjningen.Variationer kan kompromissa med prestanda, vilket möjligen orsakar kretsavbrott.En kontinuerlig och stabil spänning förbättrar kretsens motståndskraft, ett anmärkningsvärt drag av TL084CN som stöder utvecklingen av system där högre spänningsflexibilitet ökar tillförlitligheten.
Utifrån tillämpningarna av LM324 kan TL084CN enkelt hitta sin plats i nuvarande kretsramar.Dess delade egenskaper gör det möjligt för dig att titta på etablerade LM324 -kretskonstruktioner och mer smidigt överföra dessa insikter i nya implementationer.Befintlig LM324 Circuit Schematics fungerar som en vägledande resurs vid anpassning och integrering av TL084CN.


Sedan starten 1958 har Texas Instruments konsekvent varit i framkant inom halvledartekniken och fångat en unik plats i branschens landskap.Genom att anställa över 30 000 begåvade individer över hela världen känns företagets anda av innovation påtagligt i sina ständiga framsteg inom analoga och inbäddade bearbetningslösningar.
Texas Instruments (TI) är vävt in i strukturen för teknisk utveckling genom sina banbrytande bidrag.TI erkänns för uppfinningen av den integrerade kretsen och har kontinuerligt prioriterat forskning och utveckling och etablerat sig som en dynamisk del av elektroniksektorn.Den integrerade kretsen står som ett bevis på Tis banbrytande ande, förvandlar datorvärlden och fungerar som en katalysator för den digitala revolutionen.Rippeleffekterna av denna innovation har känt sig över många domäner inklusive telekommunikation och bilteknik.
Skicka en förfrågan, vi svarar omedelbart.
TL084CN är en komplicerad 14-stifts dopp JFET-ingångsförstärkare, noggrant utformad för att smälta högspänning JFET och bipolära transistorer till en enhetlig monolitisk IC.Bland dess anmärkningsvärda egenskaper är dess snabba svängningshastigheter och den låga förspänningen och offsetspänningen.Dessa egenskaper gör det till en flexibel tillgång i världen av elektronisk design.Synergin av JFET- och bipolära element berikar både bandbredd och dynamiskt intervall, aspekter uppskattade i utformningen av precisionskretsar.
Operativa förstärkare spelar en nyckelroll i elektroniska kretsar på grund av deras förmåga att förbättra svaga signaler.De omfattar två ingångsstift och en enkel utgångsstift, främst till uppgift att förstora spänningsskillnader.Denna inneboende funktion finner användbarhet i olika applikationer som ljudbehandling och sensorsignalförstärkning.Du kan ofta förbättra kretsar som integrerar op-amper för att maximera funktionella prestanda och dra enormt gynna deras pålitliga och linjära beteende.
TL084CN -operationell förstärkare utmärker sig i situationer där höga svängningshastigheter minimal ingångsförspänning och offsetspänningar används.Dess mångsidighet lyser i roller som spänningsföljare, aktiva för impedansmatchning;AC till DC -omvandlingar;Ökning av signalrättningsprecision;och tillmötesgående höghastighetsintegratorer.Att engagera sig praktiskt taget med dessa överlägsna op-ampar innebär att utföra den delikata handlingen att balansera prestationsparametrar, såsom Slew Rate, med termisk hantering för att säkerställa kretsens pålitlighet och livslängd.
Slew -hastigheten avser hastigheten vid vilken en elektrisk mängd, såsom spänning eller ström, förändringar med tiden.Detta uttrycks vanligtvis i volt per sekund eller mindre underavdelningar som mikrosekunder (μs) eller nanosekunder (NS).Att ta tag i begreppet svängt hastighet är en springbrett mot att uppnå tillräcklig takt och noggrannhet i signalbehandlingsutövningar.En insiktsfull förståelse av avvägningen mellan hastighet och stabilitet i kretsar kan bana väg för mer avancerade och robusta systemkonstruktioner.När tekniska gränser inom halvledardesign expanderar fortsätter den intrikata handlingen att optimera svängningsfrekvensen utan att avstå från stabilitet att utmana och inspirera framsteg inom högteknologisk elektronikdesign.
på 2024/11/5
på 2024/11/5
på 8000/04/18 147758
på 2000/04/18 111958
på 1600/04/18 111349
på 0400/04/18 83725
på 1970/01/1 79510
på 1970/01/1 66922
på 1970/01/1 63078
på 1970/01/1 63017
på 1970/01/1 54086
på 1970/01/1 52153