
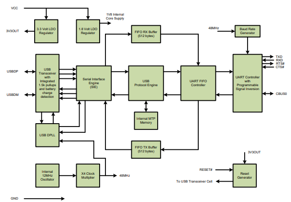
De Ft234xd-r Syftar till att förenkla USB till seriellt UART-gränssnitt, kännetecknat av dess imponerande kompakthet i ett 3mm x 3mm 12-stifts DFN-paket, vilket är fördelaktigt för täta PCB-layouter.I överensstämmelse med USB 2.0-specifikationen har den här enheten tjänat USB-IF Test-ID (TID) 40001465 (Rev D), vilket visar sin anslutning till stränga industristandarder.FT234XD-R, som är ledare i sin kategori, erbjuder högpresterande i kombination med låg effektförbrukning.Stöd för de senaste kommunikationsprotokollen.Tillförlitlig dataöverföring över olika hårdvarumiljöer.
I praktiken visar FT234XD-R ovärderlig i scenarier som kräver effektiv USB till UART-konvertering.Dess kompakta design möjliggör sömlös införlivande i många enheter, vilket förbättrar funktionaliteten utan kompromisser.Faktiska applikationer omfattar industriella kontrollsystem, konsumentelektronik och utvecklingsverktyg.Dess integration gynnar miljöer som kräver oöverträffad tillförlitlighet och rymdeffektivitet.När du integrerar FT234XD-R i deras mönster måste du överväga PCB-layout, termisk hantering och signalintegritet.

|
Pin No. |
Namn |
Typ |
Beskrivning |
|
4 |
Vcc |
DRIVA
Input |
5 v
(eller 3.3V) leverans till IC |
|
9 |
Vccio |
DRIVA
Input |
1.8V
- 3.3V -tillförsel för IO -cellerna |
|
3 |
3.3Vout |
DRIVA
Produktion |
3.3V
utgång vid 50 mA.Kan användas för att driva VCCIO.När VCC är 3.3V;Pin 3 är en
ingångsstift och ska anslutas till stift 4. |
|
5,
13 |
Gard |
DRIVA
Input |
0v
Markingång. |
|
1 |
Usbdm |
Ingång/utgång |
USB
Datasignal minus. |
|
12 |
USBDP |
Ingång/utgång |
USB
Data Signal Plus. |
|
2 |
ÅTERSTÄLLA# |
INPUT |
Återställa
ingång (aktiv låg). |
|
7 |
Txd |
Produktion |
Överföra
Asynkron datautgång. |
|
10 |
Rxd |
Input |
Mottagande
Asynkron datainmatning. |
|
8 |
RTS# |
Produktion |
Begäran
Så här skickar du kontrollutgång / handskakningssignal. |
|
11 |
CTS# |
Input |
Rensa
Så här skickar du kontrollinmatning / handskakningssignal. |
|
6 |
Cbuso |
I/O |
Konfigurerbar
CBUS I/O -stift.Funktionen för denna stift är konfigurerad i enhetens MTP -minne. |




FT234XD-R finner stor användning vid transformering av USB till Rs232, RS422 eller RS485-format, vilket överbryggar klyftan mellan äldre system och moderna USB-gränssnitt.Det gör det möjligt för äldre system att engagera sig enkelt med modern USB -teknik.
Genom att integrera USB-anslutning i äldre kringutrustning andas FT234XD-R nytt liv i dessa enheter.Det ökar inte bara deras funktionalitet utan höjer också användbarhet och sparar behovet av omfattande översyner.
Vid utformning av modulsystem ger FT234XD-R flexibilitet och skalbarhet i ekvationen.Denna funktion blir nödvändig i utvecklingsscenarier, där snabb prototyper och rigorös testning banar vägen för innovation.
FT234XD-R spelar en aktiv roll i telekommunikationsenheter, från cellulära till trådlösa telefoner.Dess förmåga att hantera effektiva USB -dataöverföringar stöder både utveckling och applikationer och främjar framsteg inom kommunikationsteknologi.
Inkorporering av FT234XD-R i mikrokontrollenheter (MCU), programmerbara logikenheter (PLD) eller fältprogrammerbara grinduppsättningar (FPGA) förenklar datautbytesprocessen.Denna integration minskar designkomplexiteten och förbättrar den totala systemeffektiviteten.
För applikationer som behöver exakt överföring av ljuddata, till exempel digitala ljudgränssnitt, erbjuder FT234XD-R tillförlitliga USB-baserade lösningar.Det stöder också videodata med låg bandbredd, lämplig för enkla videoströmningskrav.
FT234XD-R stöder USB-smartkortläsare, väsentliga för säkra datatransaktioner och robusta åtkomstkontrollsystem.Detta lägger till ett betydande säkerhetsskikt till olika applikationer.
FT234XD-R tjänar som ett gränssnitt för USB-instrumentering.Denna funktionalitet är ovärderlig i teknisk och vetenskaplig forskning, vilket ger exakt och pålitlig datahantering.
Du kan utnyttja FT234XD-R: s komplexa förmågor för att driva gränserna för effektivitet och innovation i deras design och applikationer.Det fungerar som en katalysator och förvandlar idéer till funktionella, strömlinjeformade lösningar.

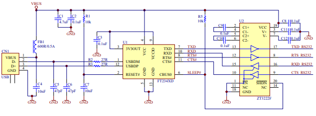
Ett illustrativt exempel, som visas i den medföljande figuren, visar användningen av FT234XD som en USB till Rs232 -omvandlare.I denna installation används en 3v3 TTL till Rs232 -nivåomvandlare IC för att överföra FT234XD: s 3V3 -logiknivåer till RS232 -standarden.Olika enheter, såsom Zywyns linjedrivare, kan effektivt hantera denna nivåskiftning genom att använda SHDN# -stiftet för att minimera strömförbrukningen under USB -upphängningsläget.Noterbart stöder Zywyn ZT3222F, som är kompatibel med denna konfiguration, RS232 -kommunikation till datahastigheter upp till 1000K Baud.
Implementering av FT234XD-R möjliggör sömlös omvandling mellan USB och RS232-gränssnitt och erbjuder flera fördelar i elektroniska mönster.Genom att integrera en 3v3 TTL till Rs232 -nivåomvandlare IC, såsom den som tillhandahålls av Zywyn, kan mönster upprätthålla kompatibilitet med ett brett utbud av Rs232 -enheter.Dessutom kräver moderna kretskonstruktioner ofta energieffektiva komponenter;SHDN# PIN -funktionen i Zywyn Line -drivrutiner krävs för att tillgodose dessa behov.Detta bidrar avsevärt till att minska den totala strömförbrukningen, mestadels när enheten går in i USB -upphängningsläget och därmed förlänger batteritiden i bärbara applikationer.

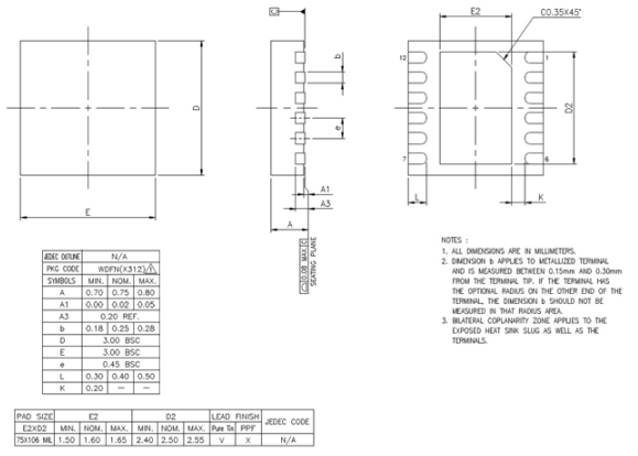
Här är en välstrukturerad tabell för FTDI (Future Technology Devices International Ltd) FT234XD-R med sina tekniska specifikationer, attribut och parametrar, tillsammans med liknande delar.
|
Typ |
Parameter |
|
Fabrik
Ledtid |
11
Veckor |
|
Montera |
Yta
Montera |
|
Paket
/ Fall |
12-VFDFN
Exponerad |
|
Antal
stift |
12 |
|
Drifts-
Temperatur |
-40 ° C
till 85 ° C |
|
Förpackning |
Tejpa
& Rulle (TR) |
|
Publicerad |
2006 |
|
Del
Status |
Aktiv |
|
Fukt
Känslighetsnivå (MSL) |
3
(168 timmar) |
|
Antal
av uppsägningar |
12 |
|
Spänning
- leverans |
2.97V
till 5,5V |
|
Terminal
Placera |
Dubbel |
|
Terminal
Form |
Inga
Leda |
|
Topp
Reflowtemperatur (° C) |
260 ° C |
|
Förse
Spänning |
5V |
|
Terminal
Tonhöjd |
0,45 mm |
|
Tid
@ Peak Reflow Temp-Max (er) |
40 |
|
Fungera |
Bro,
USB till Uart |
|
Kompetens
Status |
Inte
Kvalificerad |
|
Drifts-
Leveransspänning |
5V |
|
Gränssnitt |
Uart |
|
Drifts-
Leverantör |
8 mA |
|
Antal
hamnar |
1 |
|
Nominell
Leverantör |
8 mA |
|
µps/µCS/periferal
ICS -typ |
BUSS
Controller, universell seriebuss |
|
Data
Hastighet |
3
Mbps |
|
Protokoll |
USB |
|
USB
Standard |
USB
2.0 |
|
Buss
Kompatibilitet |
I2c |
|
Omgivande
Temperaturområdet högt |
85 ° C |
|
Höjd |
800 um |
|
Längd |
3mm |
|
Bredd |
3mm |
|
NÅ
Svhc |
Inga
Svhc |
|
Rohs
Status |
Rohs
Kompatibel |
|
Blyfri |
Blyfri |
Skicka en förfrågan, vi svarar omedelbart.
på 2024/10/15
på 2024/10/15
på 8000/04/17 147712
på 2000/04/17 111688
på 1600/04/17 111315
på 0400/04/17 83585
på 1970/01/1 79235
på 1970/01/1 66754
på 1970/01/1 62929
på 1970/01/1 62803
på 1970/01/1 54024
på 1970/01/1 51954