
En tvåvägsbrytare Låter dig styra en enda ljus eller elektrisk belastning från två olika platser.Den använder två SPDT (enkelpolar dubbelkast) switchar kopplade samman i en enda krets.Varje switch har tre terminaler: L1, L2och Com (gemensam).Genom att vända antingen switch kan du slutföra eller bryta kretsen, så att ljuset kan tändas eller av från endera platsen.

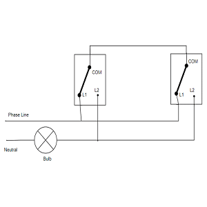
Bild 2. Tvåvägsbrytare med terminaler
På bilden visar baksidan av omkopplaren de tre viktiga terminalerna: L1 och L2 (används för att ansluta resenärens ledningar) och COM (som ansluter till levande tråd eller last).När omkopplarna är kopplade korrekt ändrar du antingen en av strömmen för strömmen och kontrollerar ljuset från båda ändarna.Även om smarta belysningssystem blir alltmer populära, förblir tvåvägsbrytare allmänt använda.De är enkla, pålitliga och kräver ingen programvara eller anslutning.
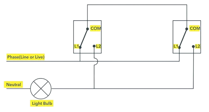
Ett tvåvägs switch-system låter dig styra ett ljus från två platser.Varje omkopplare har tre terminaler: en vanlig (COM) och två resenärer (L1 och L2).De två omkopplarna är anslutna med resenärtrådarna (L1 till L1, L2 till L2).Den levande (fas) tråden ansluts till den gemensamma terminalen på switch 1, och den gemensamma terminalen för switch 2 ansluter till lampan.Lampans andra sida går till neutral.Ljuset tänds när båda omkopplarna ansluter till samma resenärtråd (L1 - L1 eller L2 - L2) och slutför kretsen.Det stängs av när omkopplarna ansluter till olika resenärer och bryter kretsen.Detta innebär att antingen brytare kan slå på eller stänga av ljuset, oavsett den andras läge.

Bild 3: Tvåvägs switchdiagram
Denna installation fungerar som en XOR -grind: Ljus tänds när brytare skiljer sig åt, av när de matchar.Det är helt mekaniskt, ingen elektronik eller programvara som behövs.Det är enkelt, pålitligt och används allmänt på platser som trappor och korridorer.Diagrammet visar den fas som är ansluten till switch 1: s vanliga, resenärer kopplade mellan switchar och utgången från Switch 2: s vanliga som går till lampan.Neutral kompletterar kretsen från andra sidan lampan.
Det finns två huvudsakliga sätt att koppla en tvåvägs omkopplare: 3-trådsmetoden och den äldre 2-trådsmetoden.
Detta är den föredragna ledningsmetoden för nya installationer.I denna installation ansluts fasen (levande) tråden till den vanliga (COM) terminalen på den första omkopplaren, medan den gemensamma terminalen för den andra switchen ansluter till glödlampa.Den neutrala tråden ansluts direkt från kraftkällan till andra sidan lampan.De två omkopplarna är länkade av två resenärtrådar, som ansluter L1 till L1 och L2 till L2 på båda omkopplarna.
Denna metod håller alla ledare på samma krets, vilket säkerställer konsekvent spänning och säkrare drift.Det följer också moderna elektriska koder och minskar störningar.Eftersom ledningslayouten är ren och logisk underlättar det framtida underhåll och uppgraderingar som att installera smarta switchar.
Diagrammet visar en modern 3-tråds installation.Live Wire kommer in i Switch 1: s COM, två resenärtrådar kör mellan L1 och L2 på båda omkopplarna, och utgången från Switch 2: s COM går till ljuset.Den neutrala tråden går direkt till den andra sidan av glödlampan.När båda switcharna är i linje, slutförs kretsen och ljuset tänder;Ändra antingen switch avbryter eller återställer flödet.

Bild 4. Modern 3-trådsmetod
Legacy 2-Wire-metoden är en äldre ledningsstil som fortfarande finns i många äldre hem.I denna installation är resenärterminalerna (L1 och L2) anslutna mellan de två omkopplarna, precis som i den moderna metoden.De vanliga terminalerna är emellertid kopplade på olika sätt: en ansluts till den levande (fas) tråden, och den andra ansluts till lasten (glödlampa).
Denna metod fungerar densamma när det gäller växling: ljuset slår på eller av beroende på omkopplarens läge.Men eftersom kraften och belastningen kan komma från olika kretsar kan denna installation införa säkerhetsrisker.Det kan skapa slingströmmar, obalanser av spänningar eller störningar särskilt farliga under underhåll eller uppgraderingar.Att diagnostisera fel är också svårare eftersom ledningarna inte är en del av en enhetlig krets.
I diagrammet ansluter levande ledningen till den första växelns gemensamma terminal, medan den gemensamma terminalen på den andra switchen ansluter till ljuset.De två resenärtrådarna körs mellan L1 och L2 på båda switcharna.Den neutrala tråden går direkt från kraftkällan till lampan.Även om denna layout kan spara tråd ökar den komplexitet och säkerhetsproblem.

Bild 5: Legacy 2-Wire Method
En tvåvägs-omkopplare är en kompakt version av en SPDT-switch, som ofta används i modulära väggplattor.Den har tre terminaler: com (vanligt), L1 och L2.Internt växlar det anslutningen mellan COM och antingen L1 eller L2.
När den är parad med en annan SPDT-switch fungerar den på samma sätt som en standard tvåvägskrets.Det används ofta i trånga utrymmen, till exempel lägenheter eller eftermontering av installationer, där monteringstrummet är begränsat.Strömbrytaren kan också fungera i en enkelriktad installation genom att bara använda två terminaler (COM och L1).
Installationen måste göras noggrant.Felaktig terminalanvändning kan förhindra att omkopplaren fungerar korrekt eller till och med orsaka kortkretsar.Trots sin lilla storlek erbjuder denna switch full tvåvägskontroll samtidigt som man tillåter modularitet och enkel panelintegration.

Figur 6. Engångs tvåvägsomkopplare
När belysningen måste kontrolleras från mer än två platser, kommer flervägsomkopplare in i spelet.Detta system lägger till en eller flera mellanliggande switchar mellan de två huvudsakliga SPDT -switcharna.
Mellanområden är vanligtvis DPDT -typer (dubbelpolar dubbelkast).Dessa switchar korsar eller underhåller resenärens trådvägar, beroende på deras position.Det fullständiga systemet skapar en väg som förblir stängd eller öppnar baserat på anpassningen av alla inblandade switchar.
Detta tillvägagångssätt är vanligt i stora utrymmen som lager, långa korridorer eller rum med flera ingångar.Även om det är mer komplicerat att tråd, erbjuder den flexibel kontroll från vilken punkt som helst.Exakta kopplingsdiagram och tydlig märkning behövs, eftersom ett misstag när som helst kan hindra systemet från att fungera helt.

Figur 7. Flervägsbrytning
|
Särdrag |
Envägsbrytare |
Tvåvägsbrytare |
|
Kontrollpunkter |
Styr ett ljus från en enda plats |
Styr ett ljus från två olika platser |
|
Omkopplare |
SPST (Single Pole Single Throw) |
SPDT (Single Pole Double Throw) |
|
Antal terminaler |
2 |
3 (com, l1, l2) |
|
Kretskonfiguration |
Enkel;En enda linje ansluter eller kopplar bort strömmen till
belastningen |
Resenärtrådar bildar en slinga;Båda omkopplarna påverkar
krets |
|
Ledningskomplexitet |
Låg;Färre ledningar och direkta anslutningar |
Högre;kräver mer ledningar och planering mellan
switch |
|
Switch Position Beteende |
Fixat på/av -position enkelt identifieras |
Ingen fixerad eller av;beror på tillståndet hos den andra
växla |
|
Installationskostnad |
Lägre;färre komponenter och mindre arbetskraft
|
Högre;Mer material och installationstid |
|
Installationstid |
Snabb att installera;minimala steg krävs |
Mer tidskrävande på grund av extra ledningar |
|
Rymdkrav |
Minimal;Standard Switch Box Fits |
Kan behöva dirigering för resenärtrådar mellan platser |
|
Elektrisk lastkontroll |
Kontrollerar en last från en punkt |
Kontrollerar en belastning från två separata punkter |
|
Användarvänlighet |
Väldigt enkelt;vänd upp är på, vänd ner är av (eller vice
versa) |
Fortfarande lätt att använda, men på/av kan variera beroende på båda
Switch -positioner |
|
Felpoäng |
Färre;Enkel design minskar ledningsfel |
Mer komplex;missförbundsresande ledningar eller terminaler kan
störande funktion |
|
Flexibilitet och skalbarhet |
Begränsad;kan inte utvidgas till mer än en punkt av
kontrollera |
Flexibel;kan expandera till 3 eller fler kontrollpunkter med
mellanbrytare |
Tvåvägsomkopplare ger flexibel belysningskontroll från två olika platser, vilket gör dem idealiska i både bostads- och kommersiella miljöer.Vanliga exempel inkluderar:
Trappor är en av de bästa platserna att använda tvåvägs switchar.Om du har trappor hemma, vet du att det kan vara irriterande och till och med farligt att gå upp eller ner i mörkret.Med en tvåvägsbrytare kan du slå på ljuset längst ner på trappan innan du går upp och sedan stänga av den på toppen.Eller, om du kommer ner kan du slå på ljuset längst upp och stänga av det längst ner.Detta gör det mycket säkrare att gå på trappan, särskilt på natten när huset är mörkt.
I hotellrum gör tvåvägsbrytare saker mycket enklare för gästerna.En switch är vanligtvis vid dörren när du går in, och den andra är nära sängen.Det betyder att du kan tända lamporna när du kommer in i rummet och sedan stänger av dem utan att komma ur sängen.Detta är verkligen bra när du är trött eller redo att sova.Det ger också rummet en mer bekväm och tankeväckande design, vilket gör att gästerna känner sig mer hemma.
Öppna hus har stora utrymmen där köket, matsalarna och vardagsrummen är anslutna.Dessa rum har ofta mer än en ingång, så det är bra att kunna styra lamporna från olika platser.Till exempel kan du slå på lamporna från korridoren och sedan stänga av dem nära köket.Tvåvägsomkopplare gör det enkelt att hantera belysning oavsett vilket sätt du kommer in eller går ut.Detta lägger till mycket komfort och kan till och med hjälpa dig att spara el, eftersom du inte behöver lämna lamporna när du inte använder dem.
Garage och workshops är upptagna platser där människor lagrar verktyg, arbetar med projekt eller parkerar sina bilar.De har ofta mer än en dörr, som en inifrån huset och en som öppnar mot gården.Tvåvägsomkopplare gör det enkelt att tända ljuset från endera ingången.Detta är mycket användbart om dina händer är fulla eller om utrymmet är mörkt och svårt att röra sig säkert.För dem som använder sitt garage eller verkstad ofta kan denna typ av belysningskontroll göra sitt arbete enklare och mycket säkrare.
Utomhusområden som gångvägar, trädgårdsvägar och uppfart behöver bra belysning på natten för säkerhet och säkerhet.Med tvåvägsomkopplare kan du styra dessa lampor från både huset och en annan plats som en grind eller garage.Till exempel kan du slå på banlamporna innan du lämnar huset och sedan stänga av dem när du är ute.Eller, om du kommer hem på natten kan du slå på lamporna vid grinden och stänga av dem när du kommer in.Detta hjälper dig att undvika att gå i mörkret och håller också ditt hem säkrare genom att se till att utanför områdena är väl upplysta.
För att installera ett tvåvägs switch-system säkert:
1. Samla alla verktyg och material
Innan du börjar, se till att du har allt du behöver.Du kommer att behöva två SPDT (enkelpolar dubbelkast) switchar, en ljusarmatur, en längd på tre-kärnkabel (detta inkluderar levande, neutrala och jordtrådar, plus de två resenärtrådarna) och grundläggande säkerhetsutrustning som isolerade handskar och säkerhetsglas.Att ha allt ditt material redo hjälper dig att hålla dig fokuserad och undvika onödiga misstag eller förseningar.
2. Stäng av huvudströmmen vid brytaren
Börja alltid med att stänga av elen från huvudkraftkällan.Detta är det viktigaste säkerhetssteget.Att arbeta med levande ledningar är farligt och kan leda till allvarliga skador.Se till att kretsen du kommer att arbeta med är helt avstängd vid brytare och använd en spänningstestare för att dubbelkontrollera att ingen ström flyter.
3. Anslut den live (heta) tråden till den första switchens vanliga terminal
Ta levande tråd från strömkällan och anslut den till Common Terminal (COM) på den första switchen.Den vanliga terminalen är markerad eller färgad annorlunda än de andra två terminalerna (L1 och L2).Detta är tråden som transporterar kraft in i systemet, och den måste vara säkert ansluten för att säkerställa en arbetskrets.
4. Kör två resenärledningar mellan L1- och L2 -terminalerna på båda switcharna
Ta nu två ledningar som ofta kallas resenärtrådar och anslut L1 -terminalen på den första omkopplaren till L1 -terminalen på den andra switchen och gör samma sak för L2 -terminalerna.Dessa ledningar bildar den väg som gör att de två switcharna kan "prata" med varandra och kontrollera ljuset från båda ändarna.Se till att dessa anslutningar är fasta och att det inte finns några lösa trådsträngar.
5. Anslut den gemensamma terminalen på den andra switchen till Light Fixturens liveingång
Anslut sedan den gemensamma terminalen på den andra switchen till den levande terminalen på ljusarmaturen.Denna tråd bär kraften till ljuset när antingen switch slutför kretsen.Utan denna anslutning får ljuset inte någon el, även om resenärens ledningar är korrekt installerade.
6. Anslut ljusarmaturens neutrala tråd direkt till kraftkällans neutrala
Kör en neutral tråd från den neutrala terminalen i ljusarmaturen tillbaka till den neutrala tråden från kraftkällan.Detta slutför kretsen genom att ge elen en returväg.En fungerande ljuskrets behöver alltid både en levande och en neutral tråd.
7. Mark alla metalllådor och switchskydd med jorden (mark) tråd
För säkerhet är det viktigt att markera alla metallomkopplare och lock med jordtråden.Jordningen skyddar dig i händelse av ett elektriskt fel genom att ge Stray Electricity en säker väg att gå ut.Det hjälper också till att förhindra elektriska stötar och potentiella brandrisker.Var noga med att ansluta jordtråden säkert till jordskruvar eller terminaler som finns i lådorna.
8. Använd en multimeter för att kontrollera för kontinuitet innan du återställer strömmen
Innan du slår på elektriciteten, använd en multimeter för att testa kontinuiteten i din ledning.Detta innebär att kontrollera om el kan flyta ordentligt genom kretsen.Du vill se till att det inte finns några pauser eller felaktiga anslutningar.Detta steg kan fånga ledningsfel som annars kan leda till ett icke-arbetande ljus eller värre, en kortslutning.
9. Testa switcharna från båda platserna för att bekräfta korrekt drift
När du är säker på att allt är kopplat korrekt, slå på strömmen igen vid brytaren.Testa sedan de två omkopplarna genom att stänga av och stänga av ljuset från båda platserna.Ljuset ska slå på eller av oavsett vilken omkopplare du använder.Detta bekräftar att ditt tvåvägssystem fungerar som det borde.
10. Dubbelkontrollera resande trådanslutningar om ljuset inte fungerar korrekt
Om ljuset inte fungerar som förväntat som att bara slås på från en switch eller inte slå på alls, gå tillbaka och dubbelkontrollera resenärens trådanslutningar.Dessa är de vanligaste felpunkterna i en tvåvägsomkopplare.Se till att L1 ansluter till L1 och L2 till L2 över båda omkopplarna.Se också till att Commons är korrekt kopplade till kraftkällan och ljuset.Att märka varje tråd under installationen kan hjälpa till att förhindra misstag och göra det lättare att felsöka om något går fel.
Tvåvägsomkopplare kan verka som en liten funktion, men de erbjuder många praktiska fördelar.
• Bekväm belysningskontroll: Tvåvägsomkopplare låter dig styra ett ljus från två olika platser.Detta underlättar vardagen, särskilt på platser som trappor, korridorer och stora rum.Du kan tända ljuset när du kommer in och när du lämnar en annan plats utan att gå tillbaka till den första switchen.
• Energibesparing: Genom att låta lamporna stängas av från mer än en plats, hjälper tvåvägsomkopplare att minska bortkastad elektricitet.Det är mindre troligt att du lämnar ett ljus på bara för att brytaren är långt borta, vilket är användbart i hem med flera våningar eller långa korridorer.
• Perfekt för stora utrymmen: Dessa switchar är perfekta för stora hem, kontor och offentliga byggnader.I utrymmen med mer än en ingång eller utgång ger det bekvämligheten för alla som använder utrymmet.
• Enkel och pålitlig teknik: Tvåvägsomkopplare är mekaniska, inte digitala.Det betyder att de inte är beroende av programvara, appar eller internetanslutningar för att fungera.De är mycket pålitliga och misslyckas sällan, vilket gör dem till en långvarig lösning med lite underhåll som behövs.
• Fungerar med smarta system: Även om det är enkla enheter kan tvåvägsbrytare fortfarande användas tillsammans med moderna smarta hemsystem.De kan arbeta med rörelsessensorer, timers eller automatiseringsmoduler, vilket ger dig mer flexibilitet om du uppgraderar ditt hem i framtiden.
• Låg kostnad, högt värde: Tvåvägsomkopplare är överkomliga och enkla att installera, men de lägger mycket till din belysningsinställning.För en så liten investering ger de bättre belysningskontroll, förbättrar säkerheten och stödjer energibesparande vanor över tid.
Medan tvåvägsomkopplare erbjuder många fördelar, finns det några nackdelar och utmaningar att överväga.
• Kräver mer ledningar: Tvåvägs switchinställningar behöver extra ledningar jämfört med enstaka switchar.Detta kan vara ett problem i äldre hem där elektriska lådor och ledningar inte var utformade för att hålla ytterligare ledningar.I vissa fall kan väggar behöva öppnas för att installera nya kablar, vilket kan öka kostnaden och arbetet.
• Inte alltid kompatibel med smarta switchar: Många smarta switchar behöver en neutral tråd för att fungera korrekt.Äldre tvåvägs switchinställningar har ofta inte den här tråden, vilket gör det svårare att installera smarta enheter utan att koppla om.Detta kan begränsa dina uppgraderingsalternativ om du inte är beredd på mer komplext elektriskt arbete.
• Kan vara svårt i äldre eller anpassade installationer: I äldre byggnader eller system med anpassade ledningar kanske den befintliga layouten inte följer moderna standarder.Detta kan göra installation eller uppgradering av tvåvägsomkopplare mer komplicerade.
• Regionala kodskillnader: Elektriska koder och inspektionsregler kan variera beroende på land eller till och med efter stad.En installation som är laglig i ett område kanske inte passerar inspektion i ett annat.Detta lägger till komplexitet, särskilt i kommersiella projekt eller när du säljer ett hem, där allt måste uppfylla officiella standarder.
• Felsökning tar mer tid: När något går fel i ett tvåvägssystem kan det vara svårare att ta reda på problemet.Det beror på att båda switcharna påverkar hur ljuset beter sig.Att diagnostisera ett problem kräver ofta att du kontrollerar båda switcharna, resenärtrådarna och använder verktyg som en multimeter för att testa anslutningar.
• Behöver noggrann planering och märkning : Eftersom ledningarna är mer involverade är det lätt att göra misstag under installationen om ledningar inte tydligt är märkta eller stegen inte följs korrekt.Dålig planering kan leda till förvirring eller till och med säkerhetsrisker, så att ta tid att kartlägga systemet är mycket viktigt.
Tvåvägsomkopplare gör det enklare och säkrare att styra lampor från mer än en plats.De är fantastiska för platser som trappor, långa korridorer eller rum med mer än en ingång.Du kan tända ljuset när du kommer in och när du lämnar utan att gå tillbaka.De är enkla, billiga och behöver inte appar eller Wi-Fi.Medan de behöver lite mer ledningar och noggrann installation, fungerar de bra för både vanliga hem och smarta hem.Planera bara ledningarna tydligt, följ säkerhetsstegen och kontrollera allt med en testare innan du slår på strömmen igen.
Skicka en förfrågan, vi svarar omedelbart.
En enda switch styr en ljus eller enhet endast från en plats.Du kan slå på eller stänga av den med en switch, vilket är bra för små rum som badrum eller garderober.En tvåvägsbrytare låter dig dock styra samma ljus från två olika platser.Detta är användbart i trappor, korridorer eller stora rum med flera dörrar.Den använder två omkopplare anslutna tillsammans så att antingen antingen kan slå på eller stänga av ljuset.Den största skillnaden är att en enda switch ger kontroll från en plats, medan en tvåvägsbrytare ger kontroll från båda ändarna.
För att kontrollera om en switch är en tvåvägs (3-vägs i Nordamerika), titta på baksidan för terminalskruvar.En tvåvägsbrytare har tre terminaler: en vanlig och två resenärer.Om du ser tre skruvar (exklusive marken) är det troligtvis en tvåvägs- eller 3-vägs switch.Om det finns fyra terminaler är det en mellanliggande eller 4-vägs switch, som används i system med mer än två kontrollpunkter.Du kan också spåra ledningarna: Tvåvägsomkopplare ansluter till varandra med två resenärtrådar och ha en gemensam på varje switch.Om det är en del av en multi-switch-inställning och har fyra terminaler, är det inte en tvåvägs.
Om en tvåvägsbrytare är kopplad felaktigt kanske ljuset inte fungerar som förväntat.Det kan stanna kvar hela tiden, inte slå på alls eller bara svara på en av omkopplarna.Det vanligaste misstaget är att blanda resenärtrådarna eller ansluta kraften eller lätta tråden till fel terminal.Detta stör växlingslogiken och bryter kretsflödet.I vissa fall kan det också skapa en kortslutning eller orsaka flimring om kraftslingor skapas.För att undvika detta, följ alltid rätt terminalmarkeringar (COM, L1, L2) och bekräfta kontinuitet innan du startar.
För att koppla en 12V tvåvägsbrytare börjar du med att ansluta den positiva tråden från 12V-strömförsörjningen till den gemensamma terminalen på den första SPDT-switchen.Kör sedan två ledningar från L1 och L2 på den första omkopplaren till L1 och L2 på den andra switchen.Anslut sedan den gemensamma terminalen på den andra switchen till den positiva sidan av 12V -enheten, som en LED.Slutligen, anslut enhetens negativa terminal tillbaka till den negativa sidan av strömförsörjningen.Den här installationen låter dig slå på eller stänga av enheten från endera omkopplaren, precis som i AC-ledningar men med hjälp av lågspännings DC-ström.
Den vanliga tråden på en tvåvägsbrytare är terminalen som antingen får ström eller skickar den till ljuset, beroende på omkopplarens position i installationen.På den första switchen är det vanliga anslutet till levande tråden från kraftkällan.På den andra switchen ansluts den gemensamma till ljusets levande ingång.Resenärens ledningar (L1 och L2) ansluter helt enkelt de två omkopplarna.Om det vanliga är felaktigt, fungerar systemet inte ordentligt antingen att ljuset inte tänds eller bara en switch fungerar.Korrekt ledning av de vanliga terminalerna är viktigt för ett funktionellt tvåvägssystem.
på 2025/06/3
på 2025/06/2
på 8000/04/18 147757
på 2000/04/18 111936
på 1600/04/18 111349
på 0400/04/18 83721
på 1970/01/1 79508
på 1970/01/1 66911
på 1970/01/1 63047
på 1970/01/1 63012
på 1970/01/1 54081
på 1970/01/1 52127