
De AT24C256 EEPROM är en multifunktionell och pålitlig 8-stifts minneskomponent med en imponerande lagringskapacitet på 32 kbyte.Den behåller effektivt data och bevarar information även när strömmen går förlorad, liknande funktionen för en USB -enhet.Denna egenskap säkerställer säker datalagring, vilket ger en konstant referenspunkt oavsett kraftavbrott.Dess förmåga att stödja datauppdatering och återhämtning gör det lämpligt för olika applikationer, särskilt i miljöer som kräver ofta datamodifieringar.
AT24C256 harmoniserar inom en spänningsfäste till 1,7V till 5,5V, AT24C256 med både 3.3V- och 5V -system, vilket berikar dess användning över olika tekniska landskap.Denna anpassningsförmåga underlättar dess smidiga införlivande i olika elektroniska miljöer, från hushållsgadgets till industriella regleringssystem, där sådan flexibilitet kan öka enhetens effektivitet.Till exempel kan du ofta hitta värde i detta drag eftersom det hjälper till att skapa strömlinjeformade produkter utan nödvändigheten av flera varianter av komponenter.
AT24C256 EEPROM tillåter att ansluta upp till 8 liknande EEPROMs i serie, vilket ger utvidgad lagring för att hantera större datasätt eller öka din efterfrågan.Denna utbyggbarhet visar sig vara exceptionellt fördelaktigt inom områden som dataloggning inom vetenskapliga undersökningar eller omfattande parameterlagring i telekommunikation.I praktiska situationer kan du dra nytta av denna kapacitet för att uppnå hög datakraft utan att offra systemprestanda eller fysiskt fotavtryck.

|
Stift nr |
Stiftnamn |
Beskrivning |
|
1 |
A0 |
Användarkonfigurerbar chip Välj |
|
2 |
A1 |
Användarkonfigurerbar chip Välj |
|
3 |
Nc |
Ingen anslutning |
|
4 |
Gard |
Markstift |
|
5 |
SDA |
Seriell datalin |
|
6 |
SCL |
Serieklocka |
|
7 |
Wp |
Skriv Protect Pin |
|
8 |
Vcc |
Strömförsörjningsstift |


Mikrochip -teknik AT24C256B-PU specifikationer och attribut.
|
Typ |
Parameter |
|
Montera |
Genom hålet |
|
Monteringstyp |
Genom hålet |
|
Förpackning / fodral |
8-dip (0,300, 7,62 mm) |
|
Antal stift |
8 |
|
Leverantörspaket |
8-PDIP |
|
Minnetyper |
Icke-flyktig |
|
Driftstemperatur |
-40 ° C ~ 85 ° C TA |
|
Förpackning |
Rör |
|
Publicerad |
1997 |
|
Delstatus |
Föråldrad |
|
Fuktkänslighetsnivå (MSL) |
1 (obegränsad) |
|
Max driftstemperatur |
85 ° C |
|
Min driftstemperatur |
-40 ° C |
|
Spänning - försörjning |
1.8V ~ 5.5V |
|
Frekvens |
1MHz |
|
Basdelnummer |
AT24C256 |
|
Gränssnitt |
2-tråd, i2c, serie |
|
Max matningsspänning |
5.5V |
|
Min matningsspänning |
1.8V |
|
Minnesstorlek |
256KB (32K x 8) |
|
Nominell leverantör |
3mA |
|
Klockfrekvens |
1MHz |
|
Åtkomsttid |
550NS |
|
Minnesformat |
Eeprom |
|
Minnesgränssnitt |
I2c |
|
Skriv cykeltid - ord, sida |
5ms |
|
Densitet |
256 kb |
|
Maxfrekvens |
400 kHz |
|
Nå SVHC |
Ingen SVHC |
|
Strålning härdning |
Inga |
|
ROHS -status |
ROHS3 -kompatibel |
|
Särdrag |
Beskrivning |
|
Spänningsdrift |
Lågspännings- och standardspänningsoperation: 1.8V (VCC = 1,8V till 5,5V) |
|
Organisation |
Internt organiserad som 32 768 x 8 |
|
Gränssnitt |
Tvåtrådsgränssnitt |
|
Bullerundertryckning |
Schmitt trigger med filtrerade ingångar för brus undertryckande |
|
Dataöverföringsprotokoll |
Bidirectional dataöverföringsprotokoll |
|
Hastighetskompatibilitet |
1 MHz (5,0V, 2,7V, 2,5V), 400 kHz (1,8V) |
|
Skrivskydd |
Skriv Protect Pin för hårdvaru- och mjukvarodata skydd |
|
Sidans skrivläge |
64-byte-sidskrivningsläge (delvis sid skriver tillåtet) |
|
Skriv cykeltid |
Självtimad skrivcykel (5 ms max) |
|
Pålitlighet |
Uthållighet: En miljon skrivcykler |
|
Retention: 40 år |
|
|
Miljööverensstämmelse |
Blyfria/halogenfria enheter tillgängliga |
|
Paketalternativ |
8-Lead JEDEC PDIP, JEDEC SOIC, EIAJ SOIC, Ultra-tunn Litet arraypaket (SAP), TSSOP och DBGA2 |
|
Die försäljning |
Wafer -form, våfflapaket och stötte skivor |
AT24C256 EEPROM ser ofta användning i system för datavoggning, vilket ger robust lagring där datatillförlitlighet inte kan komprometteras.Med sin icke-flyktiga karakteristik förblir data intakta mitt i kraftstörningar, vilket visar sig vara ovärderliga när man dokumenterar tidskänsliga miljöförhållanden som temperatur och luftfuktighet.Du kan eftertänksamt konstruera inställningar för att regelbundet fånga och säkra sensorinformation och visa upp AEPROM: s anpassningsbarhet och motståndskraft i praktiska tillämpningar.
Inom ljudenheter - inklusive digitala ljudspelare och hörapparater - spelar AT24C256 EEPROM en viktig roll för att behålla konfigurationsspecifikationer och preferenser.Dess förmåga att upprätthålla data utan el säkerställer dessa prylar som bevarar personliga inställningar och erbjuder sömlös interaktion även efter kraftcykler.Firmware har varit skickligt finjusterad, förbättrat både effektiviteten i läs- och skrivoperationer och stödjer långvarig enhetsprestanda.
När den används som en sekundär lagringsresurs är AT24C256 EEPROM ett praktiskt, kompakt alternativ för enheter som behöver måttlig minnesutvidgning.Denna applikation hjälper mikrokontrollerdrivna system att hantera icke-kritiska data och reservera primärminnet för mer intensiva processer.Du kan utforma dessa system med ett starkt fokus på minnesåtkomstmönster, utnyttja effektiv lagringshantering för att utöka livslängden på minnesresurserna.
AT24C256 EEPROM, som involverar avancerad dataanalys, mestadels i bärbara eller kantenheter.Dess enkla gränssnitt förenklar införlivandet i analytiska ramar, vilket möjliggör snabb algoritmdistribution, som används för åtkomst till lagrade koefficienter eller historiska poster.Du kan observera dess transformativa effekt när du ökar beräkningseffektiviteten och ibland låser upp anmärkningsvärda framsteg.
I scenarier där systemarkitektur kräver utvidgat minnet för att öka funktionaliteten, presenterar AT24C256 EEPROM en prisvärd väg.Det är mest fördelaktigt för inbäddade system med trånga kortutrymmen eller begränsade budgetar för dyrare alternativ.Du kan ofta använda denna EEPROM för att förbättra kapaciteten utan större omformningar, vilket återspeglar dess praktiska användbarhet vid navigering av designkomplexiteter och främjar teknisk skicklighet.Dessa strategier accentuerar EEPROM: s framträdande bidrag till modern elektronikutveckling.
• 24LC512
• 24C04
• 24LC1026
• 25LC040
• 24C32
Konfigurera I2C -kommunikation
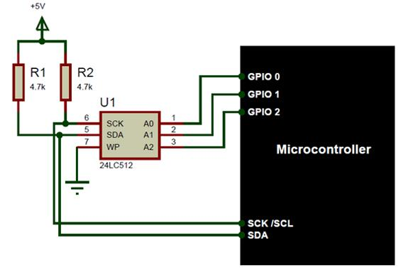
Att använda AT24C256 EEPROM till fullo innebär att initialisera en pålitlig I2C -kommunikationskanal.Anslutningsdiagram fungerar som grundläggande guider och riktar de exakta ledningarna för SCK- och SDA -stiften till din mikrokontroller.Integrering av lämpliga pull-up-motstånd förbättrar dessa linjernas pålitlighet och motståndskraft, vilket hjälper till att undvika dataproblem på grund av störningar.Processen med tweaking motståndsvärden för att matcha kretsbehov kan väsentligt stärka signalintegritet och främja ett säkert dataflöde.
Adressera flera EEPROM
Uppgiften att ta itu med får betydelse när man samordnar många EEPROM -enheter.Genom att konfigurera adressstiften A0, A1 och A2 får varje enhet en unik identitet, vilket gör att mikrokontrollern kan navigera på flera enheter smidigt och undvika kommunikationskonflikter.Strategiskt planering av adressinställningen under hårdvarudesignfasen kan underlätta framtida utvidgningar, minska utmaningar för skalbarhet och underlätta systemuppgraderingar.
Upprätthålla säkerhet och dataintegritet
Skrivskyddsfunktionen i AT24C256 skyddar känslig information mot obehöriga förändringar.Att aktivera denna kontroll säkerställer allvarliga data, främst i scenarier där dataintegritet är en betydande övervägande.Att initiera dessa säkerhetsfunktioner tidigt under designfaser kan lindra potentiella risker, vilket förstärker systemets robusthet.Dessutom avslöjar applikationer att kombination av hårdvaruskydd med programvarusäkerhetsprotokoll formulerar ett robust försvar och säkerställer omfattande datasäkerhet.
Utföra dataöverföring effektivt
Precision vid programmering Registeradressen är nyckeln för smidig dataöverföringsoperationer, vilket möjliggör tillförlitlig läsning och skrivning samtidigt som fel minimeras.Att förstå enhetens adressering av ramverk i kombination med praktisk programmeringspraxis är aktiv för att maximera EEPROM: s kapacitet.Dessutom kan utbyte av insikter eller taktiker för att konfigurera dessa register leda till en förbättrad, sammanhängande design i teamorienterade projekt.

Anslut SCK- och SDA-linjerna i AT24C256 EEPROM till lämpliga mikrokontrollstift och se till att integrera lämpliga pull-up-motstånd.Dessa motstånd är avgörande för att upprätthålla I2C -busslinjerna i ett stabilt och standardhögtillstånd, minska brusinterferensen och förbättra signalintegriteten.I miljöer som är benägna att elektromagnetisk störning blir upprätthållandet av stabil kommunikation på dessa linjer användbar för pålitlig dataöverföring.
Adressstift A0, A1 och A2 påverkar signifikant valet av enskilda EEPROM -chips.I system som kräver flera EEPROM möjliggör dessa stift det unika valet av varje chip genom att ställa in distinkta adresskonfigurationer.Detta underlättar den sömlösa integrationen av flera enheter.Att undvika datafel i Dense Circuit -konstruktioner kräver unika adressuppdrag för att förhindra oavsiktlig åtkomst till felaktiga chips, ett problem som ofta observeras i komplexa systemkonstruktioner.

Skrivskyddsstiftet fungerar som en försiktighetsåtgärd för EEPROM.Att engagera denna stift kan säkert låsa data, blockera oavsiktliga skrivningar och skyddar lagrad information.Denna funktion visar sig vara särskilt fördelaktigt i system där att bevara dataintegriteten är allvarlig, eftersom oavsiktliga förändringar kan leda till betydande systemfel eller dataförlust.Att interagera med AT24C256 EEPROM innebär att du använder registeradresser för att adeptly hantera läs- eller skrivuppgifter en byte åt gången.Genom att metodiskt komma åt register kan du utföra effektiva dataoperationer.Professionell kretsdesign betonar denna strukturerade kommunikation för att säkerställa att enheter fungerar inom förväntade parametrar, vilket minimerar potentiella datahanteringsfel.

Microchip -tekniken är baserad i Chandler, Arizona, och är känd för sin expertis inom mikrokontroller och analoga lösningar.Med fokus på att tillhandahålla pålitliga produkter syftar företaget till att minska systemkostnaderna och påskynda marknadsinträde.Deras omfattande sortiment av produkter tjänar olika applikationer globalt, inklusive bilsystem, konsumentelektronik och industriella maskiner.Denna breda överklagande illustrerar Microchips förmåga att anpassa sig och uppfylla de komplicerade kraven på olika marknader.
Mikrochip -teknik lägger stark tonvikt på innovation och säkerställer kvalitet, vilket ger industrierna möjlighet att bedriva precision och funktionalitet.Genom att integrera avancerade säkerhetsåtgärder och anslutningsalternativ håller Microchips lösningar i takt med de ständigt föränderliga kraven från modern teknisk infrastruktur.Företagets engagemang för energieffektiva mönster främjar också hållbara metoder, i linje med branschens steg för att minimera miljöpåverkan inom elektronik.
Skicka en förfrågan, vi svarar omedelbart.
Tänk på 8-stiften AT24C256 EEPROM, det är inte bara ett verktyg utan en stadig datakvarare i spektrumet av ihållande lagring, ungefär som en kompakt flash-enhet i dess pålitlighet.Dess imponerande lagringskapacitet i kombination med effektiv drift utvidgar sin tillämpning till inbäddade system och småskalig dataloggning där oöverträffande datamängden är djupt värderad.Den milda slurk av energi som den kräver, i motsats till törsten efter flyktigt minne, gör det särskilt passande för batteridoende enheter, där varje joule räknas.
Med sitt beroende av icke-flyktig EEPROM-teknik lovar AT24C256 att när data är etsade i dess minne, tål den tills instruktionstrummorna för dess förändring eller radering.Denna motståndskraft gynnar mycket sektorer som industriell automatisering som kräver stadig dataintegritet även när makten är instabil.Att använda allmänt antagna I2C -kommunikation för åtkomst och skriva data utvidgar sin användbarhet, vilket gör att den harmoniskt blanda sig i olika systemarkitekturer och dansar enkelt med mikrokontroller, vilket förenklar datahanteringsuppgifterna.
Den inneboende icke-flyktiga sammansättningen av AT24C256 är en fyr för konstans för både program och data som behöver överleva genom avstängningar och strömavbrott.Denna oöverträffande datamängsel är en rädd nåd i domäner där oavbruten tillgång till data kan vara en livlinje, till exempel i bilsystem eller fjärravkänningsutrustning.Dessutom säkerställer dess robusta struktur inte bara långvarig användning utan banar också vägen för minskade underhållskrav, vilket stärker tillförlitligheten hos de system som den bebor.Att utforma med en sådan komponent manifesteras ofta som ett språng mot att förbättra stabiliteten och motståndskraften i tekniska landskap.
på 2024/11/16
på 2024/11/16
på 8000/04/19 147780
på 2000/04/19 112050
på 1600/04/19 111352
på 0400/04/19 83806
på 1970/01/1 79608
på 1970/01/1 66991
på 1970/01/1 63113
på 1970/01/1 63050
på 1970/01/1 54097
på 1970/01/1 52199