
HT12E RF -kodaren IC är en bra komponent inom området för RF och IR trådlösa kommunikationssystem.Dess primära funktion är att koda signaler i en 12-bitars struktur, vilket möjliggör säker och pålitlig dataöverföring.Denna kodningsprocess säkerställer att överförda data är organiserade i ett format som är både igenkännbart och bearbetas av de mottagande enheterna.HT12E arbetar sömlöst med sin motsvarighet, HT12D -avkodaren IC, vilket skapar en effektiv kommunikationslänk mellan sändnings- och mottagningsenheter.En av de viktigaste fördelarna med HT12E är dess förmåga att konvertera parallella datainmatningar till seriella utgångar, en funktion som förbättrar dataintegritet och säkerhet.Detta gör det värdefullt i applikationer som fjärrkontroller och larmsystem, där konsekvent och pålitlig signalöverföring krävs för korrekt funktionalitet.

|
Stiftnummer |
Stiftnamn |
Beskrivning |
|
1 till 8 |
A0, A1, A2, A3, A4, A5, A6, A7 |
Dessa är 8-bitars adressbitar som används för att skydda data.
Dessa bitar måste ställas in i samma mönster på kodaren och avkodare ics till
para dem. |
|
9 |
Mark/vss |
Ansluten till kretsens mark. |
|
10 till 13 |
AD0, AD1, AD2, AD3 |
Dessa fyra stift används för att skicka data.Data kodade
Här kommer att avkodas på HT12D IC som delar samma adressbitar. |
|
14 |
Transmission Enable (TE) |
Denna stift måste vara ansluten till marken (0V) för att aktivera
överföring. |
|
15 och 16 |
Oscillatorns stift 1 & 2 |
IC har en inbyggd oscillator.Anslut dessa två stift
genom ett 1m motstånd för att använda det. |
|
17 |
Produktion |
De kodade 12-bitars utgångsdata kan erhållas från detta
stift. |
|
18 |
VCC/VDD |
Denna stift driver IC, vanligtvis +5V används.Kan variera
från 2,4V till 12V. |
|
Särdrag |
Beskrivning |
|
12-bitars kodare ic |
Designad för att användas med HT12D för kodningsdata. |
|
Kodad data |
Består av 4 databitar och 8 adressbitar som bildar en total
av 12 bitar (8+4 = 12 bitar). |
|
Trådlös överföring |
Vanligtvis används för RF och IR -trådlös överföring
applikationer. |
|
Leveransspänning |
Arbetar med ett brett tillförselspänningsområde från 2,4V till
12V, vanligtvis 5V används. |
|
Låg standbyström |
Förbrukar en standby -ström på endast 0,1 uA vid VCC = 5V,
säkerställa energieffektivitet. |
|
Paketalternativ |
Finns i 16-stifts dopp och 20-stifts SOP-paket för
Flexibel integration i kretsar. |
• PT2262
• 74C922
HT12E IC används i stor utsträckning i säkra och pålitliga dataöverföringssystem, särskilt i RF och IR trådlös kommunikation och fjärrkontrollapplikationer.Den parar sig ihop med HT12D-avkodaren för att skapa en säker ram med en adressbaserad konfiguration för att förhindra obehörig åtkomst.Vanliga användningsområden inkluderar garageportar, hemautomation och belysningssystem, där dess enkla kodningsmetod säkerställer användarvänlighet och tillförlitlighet.Trots att det endast stöder 4-bitars dataöverföring är det idealiskt för kontrollsystem med kort räckvidd som prioriterar säkerhet och prestanda.Många anpassar ofta sina adressinställningar för att tillgodose specifika projektbehov, vilket gör HT12E till ett mångsidigt val för applikationer som kräver måttlig komplexitet och robust dataintegritet.
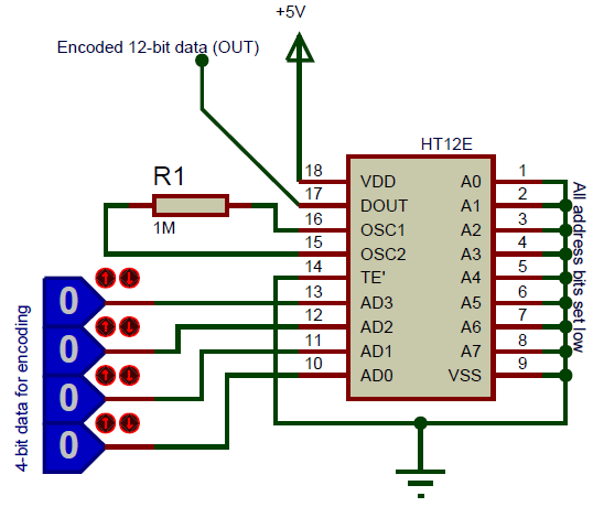
HT12E -kodaren IC är en viktig komponent för dataöverföring i fjärrkontrollsystem.För att använda den, anslut IC till en stabil 5V -kraftkälla och markera transmissionen gör det möjligt för PIN att aktivera dess dataöverföringsläge.Den inre oscillatorn kräver ett 1M -motstånd anslutet till OSC1- och OSC2 -stiften för att säkerställa exakt tidpunkt och stabil prestanda.För datainmatning, använd 4-bitars konfigurationen på stift AD0-AD3 och justera adressstiften (A0-A7) för att matcha avkodarens adress för att undvika kommunikationsfel.De kodade data matas sedan ut via datakinnet och kan överföras till en HT12D -avkodare via antingen en trådbunden anslutning eller trådlös teknik som RF eller IR.Medan trådbundna anslutningar är tillförlitliga för korta avstånd ger trådlösa metoder större flexibilitet och anpassningsbarhet, vilket gör dem idealiska för en mängd olika applikationer.

Anslutningsdiagram för HT12E ic
HT12E -kodaren används ofta i fjärrkontrollsystem som garageportöppnare för att förbättra effektiviteten.Den omvandlar parallella data till ett format som är lämpligt för RF -modulöverföring, vilket säkerställer exakt och tillförlitlig kommunikation mellan fjärrkontrollen och mottagaren.Jämfört med analoga system erbjuder HT12E snabbare och mer pålitlig prestanda.
Inom hemmautomation spelar HT12E en roll i att konvertera seriedata för effektiv systemintegration.Det möjliggör centraliserad kontroll av olika aktiviteter, till exempel att tända lamporna och hantera apparater på distans.Denna kodare förbättrar inte bara bekvämligheten utan främjar också energieffektivitet genom att tillåta exakt kontroll av hemsystem, tillgodose dina behov av komfort och hållbarhet.
HT12E förbättrar säkerhetssystemen, såsom inbrottstjuv och brandlarm, genom att säkerställa säker och korrekt dataöverföring.Dess pålitliga kodning säkerställer att nödsignaler, som intrångsvarningar eller brandvarningar, snabbt och korrekt överförs till övervakningsstationer eller akutmottagare.Detta förbättrar sådana systems övergripande säkerhet och lyhördhet i kritiska situationer.
Fältutvärderingar avslöjar att HT12E konsekvent levererar tillförlitlig prestanda, även i utmanande miljöer med elektromagnetisk störning.Dess motståndskraft och mångsidighet mellan olika applikationer gör det till en framstående lösning i trådlös kommunikation, inspirerande att utforska innovativa användningsområden och maximera dess potential.

Skicka en förfrågan, vi svarar omedelbart.
på 2024/12/20
på 2024/12/20
på 8000/04/18 147757
på 2000/04/18 111936
på 1600/04/18 111349
på 0400/04/18 83721
på 1970/01/1 79508
på 1970/01/1 66912
på 1970/01/1 63048
på 1970/01/1 63012
på 1970/01/1 54081
på 1970/01/1 52128