
De AD5535ABC är en 32-kanals, 14-bitars DAC med en inbyggd högspänningsutgångsförstärkare, utformad för optiska MEMS-applikationer.Det tillhandahåller ett programmerbart utgångsspänningsområde som styrs av Ref_In -stiftet - från 0 V till 50 V när Ref_In är 1 V, och upp till 200 V när Ref_In är 4 V. Varje kanal levererar 700 μA, vilket gör den idealisk för att kontrollera MEMS -spegelavböjning.
Med ett snabbt 3-tråds seriellt gränssnitt stöder det klockfrekvenser upp till 30 MHz, vilket säkerställer smidig kommunikation med DSP: er och mikrokontroller.Den fungerar med AVCC (4,75 V till 5,25 V), DVCC (2,7 V till 5,25 V), V− (−4,75 V till −5,25 V), V+ (4,75 V till 5,25 V) och VPP (210 V).
AD5535ABC är perfekt för kontrollsystem med hög precision.Bulkorder tillgängliga - kontakta oss för konkurrenskraftiga priser!

| Stiftnummer | Bollnamn | Beskrivning |
| A1 | Nc | Ingen anslutning |
| A2 | Vout1 | |
| A4 | Vout7 | |
| A6 | Vout11 | |
| A8 | Vout16 | |
| A10 | Vout20 | |
| A12 | Vout25 | |
| A14 | Nc | Ingen anslutning |
| B1 | Vout0 | |
| B3 | Vout4 | |
| B5 | Vout9 | |
| B7 | Vout13 | |
| B9 | Vout17 | |
| B11 | Vout21 | |
| B13 | Vout26 | |
| C2 | Vout3 | |
| C12 | Vout22 | |
| C14 | Vout29 | |
| D1 | Vout2 | |
| D13 | Vout23 | |
| E2 | Vout5 | |
| E4 | Vout8 | |
| E6 | Vout12 | |
| E8 | Vout15 | |
| E10 | Vout19 | |
| E12 | Vout24 | |
| E14 | Vout31 | |
| F3 | Vout6 | |
| F5 | Vout10 | |
| F7 | Vout14 | |
| F9 | Vout18 | |
| F13 | Vout30 | |
| G14 | Vout28 | |
| H1 | Vpp | |
| H2 | Vpp | |
| H4-h11 | Agnd | Analog mark |
| H13 | Vout27 | |
| J3-j12 | Agnd | Analog mark |
| K1 | V+ | |
| K2 | V+ | |
| K3-K14 | Agnd | Analog mark |
| L1 | V– | |
| L2 | V– | |
| L3-L13 | Agnd | Analog mark |
| L14 | DAC_GND | |
| M1-M12 | Agnd | Analog mark |
| M13 | Avcc | |
| M14 | Avcc | |
| N1 | Pgnd | |
| N2 | Pgnd | |
| N3 | KATOD | |
| N4 | ANOD | |
| N5-n14 | Agnd | Analog mark |
| P1 | Nc | Ingen anslutning |
| P2 | Ref_in | |
| P3 | DAC_GND | |
| P4 | ÅTERSTÄLLA | |
| P5 | Dvcc | |
| P6 | Dgnd | Digitala mark |
| P7 | TESTA | |
| P8 | DÅN | |
| P9 | Sudd | |
| P10 | SYNKRONISERA | |
| P11-p13 | Agnd | Analog mark |
| P14 | Nc | Ingen anslutning |
AD5535ABC är designad för applikationer som kräver flera högspänningsutgångar, med 32 oberoende 14-bitars DAC-kanaler.Detta möjliggör exakt spänningskontroll över olika utgångar, vilket gör den idealisk för optiska MEM och precisionsstyrda system.
Varje DAC-kanal har en integrerad högspänningsutgångsförstärkare, vilket eliminerar behovet av extern amplifiering.Utgångsspänningen kan programmeras från 50 V till 200 V, beroende på referensingången (ref_in), vilket ger flexibilitet för olika applikationer.
AD5535ABC är garanterat att vara monoton, vilket innebär att dess utgång alltid kommer att öka eller minska smidigt utan oväntade hopp.Detta säkerställer stabil och förutsägbar prestanda, vilket är avgörande för precisionsapplikationer som MEMS -spegelkontroll och elektrostatisk manövrering.
Med en 15 mm × 15 mm CSP_BGA (chip-skala-paket, kulnät Array), erbjuder AD5535ABC en kompakt formfaktor, vilket gör det enkelt att integrera i rymdbegränsade kretskort.Trots sin lilla storlek ger den hög kanaltäthet, vilket möjliggör flera högspänningsutgångar i ett enda paket.
Varje DAC-kanal har en drivförmåga på upp till 700 μA, vilket gör den idealisk för applikationer som kräver lågström, högspänningsutgångar.Detta gör det särskilt användbart för att köra MEMS-speglar, elektrooptiska enheter och andra precisionssystem där kontrollerad manövrering krävs.
För att säkerställa konsekvent prestanda inkluderar AD5535ABC en integrerad kiseldiod för temperaturövervakning.Detta möjliggör termisk hantering i realtid, vilket säkerställer att enheten fungerar inom säkra temperaturgränser och förbättrar långsiktig tillförlitlighet.
AD5535ABC stöder ett höghastighets seriellt gränssnitt med klockfrekvenser upp till 30 MHz, vilket gör det helt kompatibelt med DSP: er och mikrokontroller.Detta möjliggör snabb och effektiv datakommunikation, minskar latensen och förbättrar den totala systemets prestanda.
Med en 1,2 MHz -kanaluppdateringshastighet säkerställer AD5535ABC att varje DAC -kanal kan uppdateras snabbt, vilket ger snabba responstider.Denna funktion är särskilt användbar i applikationer som kräver snabbspänningsjusteringar, såsom optisk strålstyrning och adaptiv optik.
AD5535ABC har en asynkron återställningsfunktion, så att du kan återställa alla DAC -kanaler till ett känt tillstånd direkt.Detta säkerställer att systemet snabbt kan återhämta sig från oväntade förhållanden, förhindra fel och upprätthålla stabil drift.
AD5535ABC är utformat för att utföra pålitligt under olika miljöförhållanden och arbetar inom ett temperaturintervall av –10 ° C till +85 ° C.Detta gör det lämpligt för krävande applikationer, vilket säkerställer konsekvent prestanda inom industriell och precisionselektronik.
Tekniska specifikationer för analoga enheter, Inc., AD5535ABC.
| Produktattribut | Attributvärde |
| Tillverkare | Analog Devices, Inc. |
| Leverantörspaket | 124-CSPBGA (15x15) |
| Förpackning / fodral | 124-LBGA, CSPBGA |
| Paket | Bricka |
| Monteringstyp | Ytfäste |
| Basproduktnummer | AD5535 |
| Fuktkänslighetsnivå (MSL) | 3 (168 timmar) |
| Eccn | Örat99 |
| Htsus | 8542.39.0001 |

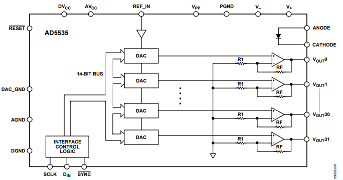
AD5535ABC -funktionella blockdiagrammet visar hur digitala signaler omvandlas till analoga utgångar.Strömanslutningar (DVCC, AVCC, REF_IN, VPP, PGND, V–, V+) levererar chipet, medan kontrollingångar (återställning, DAC_GND, AGND, DGND, SCLK, DIN, SYNC) Hanterar kommunikation.En 14-bitars buss matar flera DAC: er, som omvandlar digitala data till analoga spänningar.Varje DAC -utgång går igenom en förstärkarkrets med motstånd (R1 och RF) för att säkerställa stabila signaler innan VOUT0 till VOUT31.En intern diod (anod, katod) ingår för temperaturmätning, och gränssnittslogiken gör integrationen enkel.

AD5535ABC används i en MEMS-baserad optisk switch för att kontrollera små speglar som riktar ljus.En Ref198-spänningsreferens ger en stabil 4.096V-ingång, medan AD5535ABC genererar analoga utgångar med högspännings (0V till 200V) med hjälp av sina 14-bitars DAC.Dessa utgångar driver MEMS -spegelmanöverdon och justerar sin position.Systemet innehåller en sensor som övervakar speglarna, med antingen en 4-till-1 multiplexer (ADG739) eller en 32-till-1 multiplexer (ADG732) för att välja signaler.De bearbetade signalerna skickas sedan till en 8-kanals ADC (AD7856) eller en enkanal ADC (AD7671) för konvertering till digital data.En DSP (ADSP-21065L) hanterar hela operationen och säkerställer exakt kontroll av den optiska omkopplaren.
AD5535ABC används allmänt i optiska MEMS -enheter, där exakt spänningskontroll behövs för spegelpositionering och strålstyrning.Med sitt högspänningsutgångsområde och snabb uppdateringshastighet möjliggör det smidiga och exakta justeringar, vilket gör det till ett utmärkt val för applikationer som kräver dynamisk optisk justering.
I fiberoptiska kommunikationsnätverk spelar optiska crosspoint-switchar en nyckelroll i dirigeringssignaler.AD5535ABC tillhandahåller flera högspänningsutgångar, vilket möjliggör exakt elektrostatisk manövrering av MEMS-speglar i dessa omkopplare.Dess snabba responstid säkerställer att signaler växlas utan dröjsmål eller förlust av kvalitet, vilket förbättrar den totala systemets prestanda.
Piezoelektriska ställdon kräver exakt spänningskontroll för att uppnå hög noggrannhetspositionering i applikationer såsom mikroskopi, halvledartillverkning och precisionsrobotik.AD5535ABC levererar den stabila, justerbara spänningen som behövs för fin rörelsekontroll, vilket säkerställer att positionsjusteringar förblir smidiga och repeterbara.
Automotive Testing Systems förlitar sig på hög precisionspänningskontroll för att ställa in och kalibrera olika sensornivåer.AD5535ABC hjälper till genom att tillhandahålla programmerbara högspänningsutgångar, så att du kan simulera sensorförhållanden exakt under diagnostiska och kalibreringsprocesser.Dess flerkanalsförmåga gör den väl lämpad för att samtidigt kontrollera flera testpunkter, förbättra effektiviteten i fordonstestuppsättningar.

AD5535ABC -dispositionens dimensioner visar den fysiska storleken och layouten för chipets BGA -paket (Ball Grid Array).Toppvyen indikerar att chipet är 15 mm x 15 mm kvadrat.Den nedre vyen avslöjar bolllayouten, där varje stift är arrangerad i ett rutmönster märkt med rader A till P och kolumner 1 till 14. Ett litet märke i A1 -hörnet hjälper till med orientering under placering.Sidovyn (detalj A) ger mätningar för kulhöjd, coplanaritet och sittplan, vilket visar att kulstorleken är 0,46 mm i diameter, reducerad från det vanliga 0,60 mm.Paketet följer JEDEC-standarderna MO-192-AAE-1, med några få undantag präglade av en asterisk.Dessa detaljer hjälper till att säkerställa korrekt hantering och inriktning när du monterar chipet på ett kretskort.
| Artikelnummer | Tillverkare | Nyckelfunktioner | Använd fall/anteckningar |
| AD5532HSABCZ | Analog Devices Inc. | En 74-CSPBGA (12x12) förpackad enhet utformad för högprecision digital-till-analogkonvertering.Den har en ytmonterad design för kompakta applikationer. | Lämplig för precisionskontrollsystem, industriell automatisering och högpresterande analog signalbehandling. |
| AD5532ABCZ-5 | Analog Devices Inc. | DAC med hög noggrannhet i ett 74-CSPBGA (12x12) -paket, vilket ger tillförlitlig signalomvandling och stabilitet.Levereras i ett fackpaket för enkel hantering. | Idealisk för instrumentering, automatiserad testutrustning och signalbehandlingsapplikationer. |
| AD5532BBCZ-1 | Analog Devices Inc. | Kompakt 74-CSPBGA (12x12) ytmonterad DAC med konsekvent prestanda och effektiva signalbehandlingsfunktioner. | Vanligtvis används i kommunikationssystem, industriella kontrollenheter och precisionsmätenheter. |
Analog Devices, Inc. är ett ledande företag inom signalbehandling och högpresterande elektronik.Med decennier av erfarenhet fokuserar företaget på att utveckla avancerade halvledarlösningar som kraftindustrier som kommunikation, sjukvård, bil och industriell automatisering.Analoga enheter, som är kända för precision och tillförlitlighet, ger banbrytande komponenter som hjälper dig att bygga effektiva och högpresterande system.Oavsett om du arbetar med MEMS, datakonvertering eller krafthantering, är deras produkter utformade för att leverera konsekventa och exakta resultat i krävande applikationer.
AD5535ABC är en kraftfull 32-kanals DAC med högspänningsutgång, vilket gör det till ett utmärkt val för applikationer som MEMS-spegelkontroll och precisionspositionering.Det erbjuder flexibla spänningsområden, ett snabbt seriellt gränssnitt och inbyggda förstärkare, vilket säkerställer smidig och korrekt prestanda.Med sin kompakta design och pålitliga drift passar den väl in i avancerade elektroniska system som kräver exakt spänningskontroll.Om du letar efter en högpresterande DAC för ditt projekt är AD5535ABC ett fast alternativ.
Skicka en förfrågan, vi svarar omedelbart.
AD5535ABC är en 32-kanals DAC designad för applikationer som behöver Exakt högspänningsstyrning, såsom MEMS-spegelpositionering, optisk omkopplare och elektrostatisk aktivering.
Utgångsspänningsområdet beror på Ref_In -spänningen.När ref_in är 1V, utgången kan gå upp till 50V, och när ref_in är 4v, utgången kan nå 200V.
Den använder ett snabbt 3-tråds seriegränssnitt (SCLK, DIN och Sync) och stöder klockfrekvenser upp till 30 MHz, vilket möjliggör enkel kommunikation med Mikrokontroller och DSP: er.
Det fungerar med AVCC (4,75V till 5,25V), DVCC (2,7V till 5,25V), V+ (4,75V till 5.25V), V− (−4.75V till −5.25V) och VPP (upp till 210V) till makten högspänningsutgången.
Ja, den inkluderar en intern diod (anod och katod) för temperaturmätning, vilket hjälper till att upprätthålla stabil drift.
på 2025/03/7
på 2025/03/6
på 8000/04/17 147712
på 2000/04/17 111706
på 1600/04/17 111318
på 0400/04/17 83598
på 1970/01/1 79250
på 1970/01/1 66768
på 1970/01/1 62938
på 1970/01/1 62814
på 1970/01/1 54027
på 1970/01/1 51963