
Figur 1. Översikt över isolerad vs icke-isolerad strömomvandlare
En isolerad effektomvandlare är en typ av effektomvandlingskrets som överför energi mellan ingång och utgång utan direkt elektrisk anslutning.Dess primära syfte är att tillhandahålla elektrisk säkerhet och brusisolering genom att separera ingångs- och utgångsjordarna.Denna separation uppnås genom galvanisk isolering, som förhindrar ström från att flyta direkt mellan de två sidorna.Istället för en ledande bana överförs energi genom ett mellanliggande medium, vanligtvis med hjälp av magnetisk eller optisk koppling.Denna design hjälper till att skydda känsliga komponenter från spänningsspikar eller fel på ingångssidan.Isolerade effektomvandlare definieras av deras förmåga att bibehålla elektriskt oberoende mellan ingång och utgång samtidigt som de levererar kontrollerad effekt.
En icke-isolerad effektomvandlare är en effektomvandlingskrets där ingången och utgången delar en direkt elektrisk anslutning.Dess huvudsakliga syfte är att effektivt reglera spänningsnivåer inom system som inte kräver elektrisk separation.I denna design delar båda sidor vanligtvis en gemensam jord, vilket gör att ström kan flyta direkt mellan ingång och utgång.Denna delade referens förenklar kretsstrukturen och minskar antalet komponenter.Eftersom det inte finns någon galvanisk isolering är ingången och utgången elektriskt kopplade hela tiden.Icke-isolerade effektomvandlare definieras därför av deras kontinuerliga ledande bana och gemensamma jordning mellan källa och last.

Figur 2. Transformatorisoleringsdiagram
Isolerade omvandlare fungerar genom att överföra energi genom magnetisk koppling snarare än direkt elektrisk ledning.En omkopplingsanordning slår snabbt på och av inspänningen, vilket skapar en tidsvarierande ström i transformatorns primärlindning.Denna föränderliga ström genererar ett magnetfält inuti transformatorns kärna, som länkar till sekundärlindningen.Magnetfältet inducerar en spänning i sekundärsidan, vilket möjliggör energiöverföring över isoleringsbarriären.Eftersom det inte finns någon ledande bana mellan lindningarna, upprätthålls elektrisk separation under hela processen.Utgångssidan omvandlar sedan den inducerade signalen till en användbar DC-spänning med hjälp av grundläggande likriktnings- och filtreringssteg.Denna metod säkerställer kontrollerad energiöverföring samtidigt som galvanisk isolering mellan ingång och utgång bevaras.

Figur 3. Icke-isolerad kopplingskrets
Icke-isolerade omvandlare reglerar spänningen genom omkoppling inom en kontinuerlig elektrisk bana.En halvledaromkopplare slås snabbt på och av för att styra hur energi flödar från ingången till utgången.Under omkopplingen lagrar en induktor tillfälligt energi i sitt magnetfält och släpper sedan ut den till lasten.Kondensatorer används för att jämna ut utgången och bibehålla en stabil spänningsnivå.Eftersom ingången och utgången delar en gemensam jord, sker energiöverföring direkt genom kretskomponenterna.Omkopplingsprocessen justerar arbetscykeln för att reglera utspänningen enligt systemkraven.Detta tillvägagångssätt möjliggör effektiv spänningsomvandling utan behov av isoleringskomponenter.
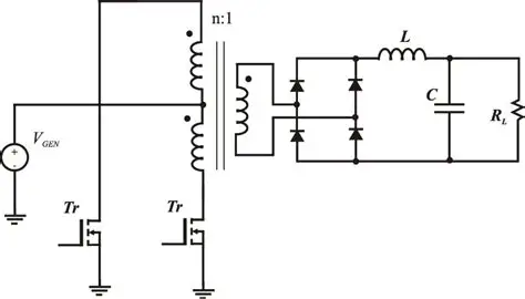
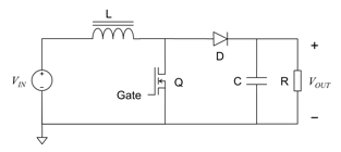
1. Flyback Converter

Figur 4. Flyback-omvandlarens kretsdiagram
En flyback-omvandlare är en enkel isolerad kraftomvandlare som lagrar energi i en transformator och levererar den till utgången.Den använder en transformator med primära och sekundära lindningar, där primärsidan styrs av en omkopplingsanordning.När omkopplaren fungerar lagras energin först i transformatorn och överförs sedan till sekundärsidan.Den sekundära kretsen inkluderar en diod och kondensator för att omvandla och jämna ut spänningen.Denna struktur tillåter både spänningsomvandling och isolering i en kompakt design.Den visade kretsen belyser det grundläggande arrangemanget för transformatorkoppling, kopplingsstyrning och utgångslikriktning.Flyback-omvandlare är allmänt kända för sin enkelhet och lämplighet i applikationer med låg till medelstor effekt.
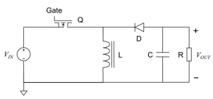
2. Forward Converter

Figur 5. Framåtriktarkretsdiagram
En framåtriktare är en isolerad effektomvandlare som överför energi direkt från ingång till utgång under omkopplingsperioden.Den använder en transformator där energi strömmar till sekundärsidan medan omkopplaren är aktiv.Kretsen inkluderar en styrd omkopplare på primärsidan och en likriktare med filterkomponenter på sekundärsidan.Till skillnad från energilagringsbaserade konstruktioner levererar transformatorn ström kontinuerligt under ledningsintervaller.Diagrammet illustrerar en tydlig väg för energiöverföring genom transformatorn till slutsteget.Denna struktur stöder stabil spänningsomvandling samtidigt som den elektriska isoleringen bibehålls.Framåtriktare används ofta där förbättrad effektivitet och kontrollerad kraftleverans krävs.
3. Push-Pull-omvandlare

Figur 6. Push-Pull-omvandlarens kretsdiagram
En push-pull-omvandlare är en isolerad kraftomvandlare som använder två omkopplingsenheter för att driva en transformator växelvis.Den har en transformatorns primärlindning med mittuttag, vilket gör att ström kan flyta i motsatta riktningar under varje kopplingscykel.Varje strömbrytare arbetar i sin tur och strömsätter ena halvan av transformatorn åt gången.Denna växelverkan förbättrar transformatorns utnyttjande och stödjer effektiv energiöverföring.Den sekundära sidan inkluderar likriktning och filtrering för att producera en stabil utspänning.Diagrammet återspeglar det symmetriska arrangemanget av omkopplare och transformatorlindningar.Push-pull-omvandlare används vanligtvis i medelkraftiga tillämpningar som kräver balanserad drift.
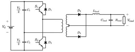
4. Halvbro-omvandlare

Figur 7. Halvbro-omvandlarkretsdiagram
En halvbryggomvandlare är en isolerad effektomvandlare som använder två omkopplare för att driva en transformator från en delad inspänning.Kretsen delar inmatningen i två halvor med hjälp av kondensatorer, vilket ger en mittpunktsreferens.Omkopplarna fungerar växelvis för att lägga spänning över transformatorns primärlindning.Denna konfiguration möjliggör kontrollerad energiöverföring samtidigt som spänningsspänningen på varje strömbrytare reduceras.Transformatorn levererar sedan energi till sekundärsidan, där den likriktas och filtreras.Diagrammet visar det balanserade arrangemanget av två omkopplare och transformatorgränssnittet.Halvbryggomvandlare används vanligtvis i system med måttlig till hög effekt med effektiv omkopplingskontroll.
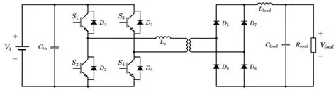
5. Fullbro-omvandlare

Figur 8. Kretsdiagram för fullbrygga omvandlare
En helbryggomvandlare är en isolerad kraftomvandlare som använder fyra omkopplingsenheter för att driva en transformator.Omkopplarna är anordnade i en H-bryggkonfiguration, vilket möjliggör fullt utnyttjande av inspänningen.Genom att alternera omkopplingsparen applicerar kretsen en dubbelriktad spänning över transformatorns primära.Detta möjliggör effektiv energiöverföring och stödjer drift med hög effekt.Den sekundära sidan inkluderar likriktning och filtrering för att producera en stabil DC-utgång.Diagrammet illustrerar arrangemanget med fyra brytare kopplat till transformatorn och slutsteget.Helbryggomvandlare används ofta i högeffektapplikationer som kräver robust och effektiv energiomvandling.
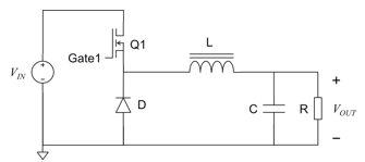
1. Buck Converter (steg ned)

Figur 9. Buck Converter kretsdiagram
En buck-omvandlare är en oisolerad DC-DC-omvandlare som reducerar en högre inspänning till en lägre utspänning.Den använder en omkopplingsenhet för att kontrollera hur mycket energi som levereras från källan till lasten, medan en induktor hjälper till att jämna ut strömflödet.En diod ger en strömbana när strömbrytaren är avstängd, och en kondensator hjälper till att upprätthålla en jämn utspänning.Denna grundläggande struktur gör buck-omvandlaren till en av de vanligaste step-down-effektomvandlartyperna i elektroniska system.Kretsarrangemanget inkluderar typiskt en omkopplare, diod, induktor och kondensator anslutna i en kompakt oisolerad layout.På grund av denna enkla topologi används buck-omvandlare i stor utsträckning överallt där effektiv spänningsreduktion behövs.Inom kraftelektronik är buck-omvandlaren värderad som en praktisk lösning för reglerad lågspänningsutgång från en högre DC-matning.
2. Boost Converter (Step-Up)

Figur 10. Kretsdiagram för boostomvandlare
En boost-omvandlare är en oisolerad DC-DC-omvandlare som ökar en lägre inspänning till en högre utspänning.Det fungerar genom att lagra energi i en induktor och sedan släppa ut den energin för att höja utspänningen över ingångsnivån.Kretsen inkluderar normalt en induktor, omkopplare, diod och kondensator, som bildar en standarduppbyggnad av omvandlare.När energin rör sig genom induktorns laddnings- och urladdningsvägar byggs utgången upp och stabiliseras för belastningen.Detta gör boost-omvandlaren till ett allmänt använt alternativ i strömförsörjningsdesign när en högre DC-spänning krävs från en lägre källa.Dess oisolerade konfiguration håller kretsen kompakt och elektriskt kontinuerlig från ingång till utgång.För många elektroniska system ger boost-omvandlaren ett enkelt sätt att uppnå effektiv spänningsstegring utan isoleringskomponenter.
3. Buck-Boost Converter (steg upp/ner)

Figur 11. Buck-Boost-omvandlarens kretsdiagram
En buck-boost-omvandlare är en oisolerad DC-DC-omvandlare som antingen kan minska eller öka utspänningen beroende på kretskrav.Den kombinerar omkopplingsverkan med induktorbaserad energiöverföring för att tillhandahålla flexibel spänningsreglering från en enda topologi.Denna omvandlare är användbar när ingångsspänningen kan vara över eller under den erforderliga utgångsnivån under drift.Dess kretsstruktur inkluderar en omkopplare, diod, induktor och kondensator anordnade att stödja både nedstegs- och stegomvandling.I vissa konfigurationer kan utgångens polaritet inverteras, medan i andra kretsen är konstruerad för reglerad icke-inverterande utgång.Topologin som visas av denna typ av krets framhäver dess förmåga att anpassa spänningsnivåer utan att använda en transformator.På grund av denna flexibilitet är buck-boost-omvandlaren en viktig icke-isolerad omvandlartyp i modern kraftelektronik.
• Ger elektrisk separation mellan ingång och utgång.
• Förbättrar användar- och utrustningssäkerhet.
• Hjälper till att minska brusöverföringen mellan kretsens sidor.
• Stöder högspänningsomvandling säkrare.
• Tillåter olika markreferenser på varje sida.
• Erbjuder stark designflexibilitet i kraftsystem.
• Användbar för strömförsörjningskonstruktioner med flera utgångar.
• Hjälper till att skydda känsliga nedströmskretsar.
• Ger hög konverteringseffektivitet i många utföranden.
• Använder färre komponenter och enklare layouter.
• Minskar den totala kretsens storlek och vikt.
• Sänker tillverknings- och designkostnader.
• Stöder kompakt strömförsörjningsintegration.
• Svarar bra i lågspänningssystem.
• Förenklar jordning och design på kortnivå.
• Passar lätt elektroniska enheter med begränsad utrymme.
1. Industriella styrsystem
Isolerade kraftomvandlare används ofta i industriella styrsystem som PLC:er, motordrivningar och fabriksautomationsutrustning.Dessa system hanterar ofta olika spänningsdomäner, så elektrisk separation behövs mellan styr- och kraftsektioner.Oisolerade omvandlare används även inuti lågspänningsunderkretsar där direkt reglering är tillräcklig.Deras betydelse i industriell utrustning ligger i att leverera stabil kraft till övervaknings-, logik- och drivkomponenter.
2. Telekommunikationsutrustning
Telekomsystem använder både isolerade och icke-isolerade omvandlare i routrar, basstationer, switchar och kommunikationsmoduler.Isolerade omvandlare används vanligtvis i sektioner som kräver säkerhetsseparering och bruskontroll mellan effektsteg.Icke-isolerade omvandlare placeras ofta nära processorer och kommunikationschips för lokal spänningsreglering.Dessa omvandlare är viktiga eftersom tillförlitlig kraftleverans direkt påverkar signalbehandling och nätverksupptid.
3. Konsumentelektronik
Enheter som TV-apparater, bärbara datorer, spelsystem och smarta hemprodukter förlitar sig på strömomvandlare för att leverera de nödvändiga interna spänningarna.Isolerade omvandlare används ofta i AC-DC adaptersteg eller strömförsörjning som måste separera användarsidan från nätsidan.Icke-isolerade omvandlare används vanligtvis inuti enheten för effektiv spänningsomvandling ombord.Deras betydelse kommer från att möjliggöra kompakt, stabil och korrekt reglerad kraft över många elektroniska funktioner.
4. Bilelektronik
Moderna fordon använder kraftomvandlare i infotainmentsystem, belysningsmoduler, batterihanteringssystem, sensorer och kontrollenheter.Isolerade omvandlare är viktiga i högspänningssektioner av elfordon där olika elektriska domäner måste förbli åtskilda.Icke-isolerade omvandlare används i stor utsträckning för att stega spänningen upp eller ner inom vanliga lågspänningskretsar för fordon.Dessa omvandlare behövs eftersom bilelektronik kräver pålitlig kraft under föränderliga driftsförhållanden.
5. Medicinsk utrustning
Medicinsk utrustning som patientmonitorer, bildsystem, diagnostiska verktyg och bärbara sjukvårdsprodukter är beroende av exakt och stabil energiomvandling.Isolerade omvandlare är särskilt viktiga i medicinsk utrustning eftersom elektrisk separation ofta krävs mellan den patientanslutna sidan och strömkällan.Icke-isolerade omvandlare kan fortfarande användas i interna lågspänningssektioner där direktkonvertering är lämplig.Deras roll är viktig eftersom medicinska system måste upprätthålla konsekvent kraft för känsliga elektroniska funktioner.
6. System för förnybar energi
Solenergisystem, energilagringsenheter och relaterade styrenheter använder kraftomvandlare för att hantera spänningsomvandling mellan källor, batterier och belastningar.Isolerade omvandlare används där elektrisk separation behövs mellan olika systemsteg eller gränssnitt.Icke-isolerade omvandlare används ofta i DC-regleringsvägar för laddning, övervakning eller lokal strömkonditionering.Dessa omvandlare är viktiga eftersom förnybara energisystem måste hantera förändrade inmatningsförhållanden samtidigt som användbar uteffekt bibehålls.
7. Dator- och databehandlingsutrustning
Servrar, inbyggda kort, datalagringsenheter och nätverkshårdvara använder flera kraftskenor för processorer, minne och supportkretsar.Icke-isolerade omvandlare är vanliga i dessa system eftersom de effektivt reglerar kortnivåspänningar från mellanliggande DC-bussar.Isolerade omvandlare kan också förekomma i huvudströmförsörjningssektioner eller kommunikationsgränssnitt som kräver separation.Deras betydelse ligger i att stödja stabil drift av digitala system med olika spänningskrav.
8. Flyg- och försvarselektronik
Flygplanselektronik, satellitundersystem och försvarshårdvara använder ofta specialiserade effektomvandlingssteg för att matcha strikta systemkrav.Isolerade omvandlare väljs ofta där säkerhetsseparation, bruskontroll eller oberoende jordning är nödvändig.Icke-isolerade omvandlare används också i tätt integrerade lågspänningsmoduler där utrymme och vikt krävs.Dessa omvandlare är viktiga eftersom uppdragsfokuserad elektronik kräver pålitlig kraft i komplexa driftsmiljöer.
|
Aspekt |
Isolerad makt
Omvandlare |
Icke-isolerad
Power Converter |
|
Isolering
spänningsklass |
Typiskt 500 V
till 5 kV isoleringsbarriär |
0 V (nr
isoleringsbarriär) |
|
Elektrisk väg |
Energi
överförs utan ledande bana |
Kontinuerlig
ledande väg från ingång till utgång |
|
Markpotential
skillnad |
Klarar stora
jordskillnader (>100 V) |
Begränsad till samma
jordpotential (≈0 V skillnad) |
|
Säkerhet
efterlevnad |
Möter
förstärkta/grundläggande isoleringsstandarder (IEC/UL) |
Inte lämplig för
standarder för säkerhetsisolering |
|
Transformator
närvaro |
Använder transformator
eller isolerat kopplingselement |
Ingen transformator
används |
|
Byter
frekvensområde |
Typiskt 20 kHz
till 500 kHz |
Typiskt 100
kHz till 2 MHz |
|
Effektivitetsområde |
~70 % till 90 %
beroende på topologi |
~85 % till 98 %
beroende på design |
|
Effekttäthet |
Lägre pga
magnetiska komponenter |
Högre pga
kompakt design |
|
Antal komponenter |
Högre (10–30+
typiska komponenter) |
Lägre (5–15
typiska komponenter) |
|
Fysisk storlek |
Större pga
transformator och avstånd |
Mindre,
Integrering på PCB-nivå möjlig |
|
Vikt |
Tyngre pga
magnetisk kärna |
Lättare med
minimal magnetik |
|
EMI prestanda |
Bättre isolering
minskar ledt buller |
Mer benägna att
genomförd bullerkoppling |
|
Spänning
omvandlingsförhållande |
Bred och
flexibel (t.ex. 400V till 5V) |
Begränsad
omvandlingsområde (t.ex. 12V till 5V) |
|
Integration
nivå |
Används ofta som
separata kraftmoduler |
Lätt
integreras i IC-baserade regulatorer |
1. Kontrollera om elektrisk isolering krävs
Börja med att avgöra om ingång och utgång måste vara elektriskt separerade för säkerhets- eller systemskydd.Detta är ofta den första och viktigaste valpunkten i kraftomvandlardesign.Om systemet måste förhindra direkt elektrisk kontakt mellan källa och last, är en isolerad omvandlare vanligtvis det bättre valet.Om ingen sådan separation krävs kan det räcka med en oisolerad omvandlare.Detta steg hjälper till att begränsa beslutet baserat på de mest grundläggande systemkraven.
2. Identifiera ingångs- och utgångsspänningsförhållandet
Titta sedan på de tillgängliga spänningsnivåerna vid källan och den spänning som belastningen behöver.Vissa system behöver bara enkel nedtrappning eller stegvis omvandling inom samma elektriska jord, vilket ofta passar oisolerade konstruktioner bra.Andra system involverar större spänningsskillnader eller separerade effektdomäner som kan gynna isolerade lösningar.Spänningsförhållandet påverkar också val av topologi och systemlayout.Ett tydligt spänningsmål gör omvandlarvalet mer praktiskt och exakt.
3. Utvärdera säkerhets- och regulatoriska krav
Granska om produkten måste uppfylla säkerhetsstandarder relaterade till användarskydd, isolering eller separation av utrustning.I många reglerade system, särskilt där farliga spänningar är inblandade, kan isolering krävas av designregler eller certifieringsbehov.Icke-isolerade omvandlare är i allmänhet mer lämpliga i lågspänningssystem där dessa krav inte gäller.Detta steg är särskilt viktigt i produkter avsedda för offentliga, industriella eller känsliga miljöer.Säkerhetsöverensstämmelse bör alltid övervägas tidigt i designprocessen.
4. Tänk på utrymmes-, vikt- och layoutgränser
Fysisk storlek kan starkt påverka det bästa omvandlarvalet, särskilt i kompakta elektroniska produkter.Icke-isolerade omvandlare föredras ofta där designen måste förbli liten, lätt och lätt att integrera på ett kretskort.Isolerade omvandlare kan behöva mer utrymme eftersom de vanligtvis innehåller ytterligare magnetiska och isoleringsrelaterade komponenter.Tillgänglig brädarea och kapslingsstorlek bör därför ses över innan ett slutgiltigt beslut fattas.Detta steg säkerställer att den valda omvandlaren passar produktdesignen realistiskt.
5. Ställ in ett kostnadsmål för effektsteget
Budget är en annan nyckelfaktor när man väljer mellan isolerade och icke-isolerade kraftomvandlare.Icke-isolerade konstruktioner kostar vanligtvis mindre eftersom de använder färre delar och enklare strukturer.Isolerade omvandlare kan öka material- och designkostnaden på grund av extra isoleringskomponenter och mer komplex implementering.Rätt val beror på om applikationen prioriterar låg kostnad eller extra elektrisk separation.Detta steg hjälper till att balansera tekniska behov med produktprissättningsmål.
6. Matcha omvandlaren till slutapplikationen
Det slutliga beslutet bör återspegla den verkliga operativa miljön och systemets syfte.En omvandlare som används i industriell, medicinsk eller högspänningsutrustning kan behöva isoleras på grund av applikationens designkrav.En omvandlare som används för inbyggd DC-reglering i kompakt elektronik kan ha större nytta av ett icke-isolerat tillvägagångssätt.Att titta på hela applikationskontexten hjälper till att undvika att välja baserat på endast en faktor.Detta steg kopplar omvandlartypen till praktisk systemanvändning.
7. Granska långsiktig designflexibilitet
Det är också användbart att tänka på framtida uppgraderingar, systemexpansion eller designåteranvändning.En isolerad omvandlare kan erbjuda mer flexibilitet när separata jordningar, flera utgångar eller större systemändringar förväntas senare.En icke-isolerad omvandlare kan vara det bättre valet när designen är fixerad och optimerad för kompakt prestanda.Planering för framtida behov kan minska omkonstruktionsarbetet och förbättra systemets skalbarhet.Detta sista steg hjälper till att säkerställa att omvandlaren förblir lämplig efter den första versionen av produkten.
Den största skillnaden mellan isolerade och icke-isolerade omvandlare är om ingången och utgången är elektriskt separerade.Isolerade omvandlare ger bättre säkerhet och skydd, medan icke-isolerade omvandlare är enklare, mindre och effektivare.Varje typ har olika design som passar specifika spännings- och systembehov.Att välja rätt beror på säkerhet, spänningsnivåer, storlek, kostnad och hur systemet kommer att användas.
Skicka en förfrågan, vi svarar omedelbart.
Transformatorer överför energi genom magnetfält samtidigt som de håller ingång och utgång elektriskt åtskilda.De tillåter även spänningsskalning och stöder flera utnivåer.
Ja, isolerade omvandlare kan stödja flera utgångar med hjälp av ytterligare transformatorlindningar.Detta gör dem användbara i komplexa strömförsörjningssystem.
Nej, icke-isolerade omvandlare fungerar vanligtvis med DC-ingång.AC måste först omvandlas till DC innan du använder icke-isolerade topologier.
Icke-isolerade omvandlare är vanligtvis bättre eftersom de är kompakta, effektiva och idealiska för lågspänningssystem som batterier.
Ja, många system använder båda.Ett isolerat steg hanterar säkerhet och huvudomvandling, medan icke-isolerade steg reglerar spänningen lokalt i kretsen.
på 2026/04/8
på 2026/04/7
på 8000/04/17 147712
på 2000/04/17 111688
på 1600/04/17 111315
på 0400/04/17 83585
på 1970/01/1 79235
på 1970/01/1 66754
på 1970/01/1 62929
på 1970/01/1 62803
på 1970/01/1 54024
på 1970/01/1 51954