
De L7812CV är en tre terminal positiv spänningsregulator utformad för att ge stabil kraft i elektroniska kretsar.Det hjälper till att säkerställa smidig spänningsreglering direkt på kretskortet och hantera potentiella distributionsproblem som kan uppstå vid reglering av kraft från en enda punkt.Denna komponent har interna skyddsmekanismer som nuvarande begränsande och termisk avstängning, vilket bidrar till dess hållbarhet och pålitliga drift under olika förhållanden.Den kan leverera mer än 1 amp utström, förutsatt att tillräcklig värmeavledning är på plats.Medan L7812CV främst används för fast spänningsreglering, kan den också kombineras med ytterligare komponenter för att möjliggöra justerbar spänning och strömutgångar, vilket ger den flexibilitet i olika applikationer.




Utgångsström upp till 1,5 a
Utgångsspänningar på 5;6;8;8.5;9;12;15;18;24 v
Termisk överbelastningsskydd
Kortslutningsskydd
Utgångsövergång SOA -skydd
2 % utgångsspänningsolerans (en version)
Garanterad i utökat temperaturintervall (en version)
L7812CV från STMicroelectronics innehåller dess tekniska specifikationer, funktioner och parametrar, samt en jämförelse med andra komponenter som har liknande egenskaper som L7812CV.
| Typ | Parameter |
| Livscykelstatus | Aktiv (senast uppdaterad: 7 månader sedan) |
| Fabriksledning | 24 veckor |
| Kontaktplätning | Tenn |
| Montera | Genom hålet |
| Monteringstyp | Genom hålet |
| Förpackning / fodral | TO-220-3 |
| Antal stift | 3 |
| Vikt | 2.299997G |
| Driftstemperatur | 0 ° C ~ 125 ° C |
| Förpackning | Rör |
| Tolerans | 5% |
| JESD-609 kod | e3 |
| Delstatus | Aktiv |
| Fuktkänslighetsnivå (MSL) | 1 (obegränsad) |
| Antal avslutningar | 3 |
| Terminalposition | ENDA |
| Antal funktioner | 1 |
| Basdelnummer | L7812 |
| Räkning | 3 |
| Spänning - ingång (max) | 35V |
| Utspänning | 12v |
| Utgångstyp | Fast |
| Max utgångsström | 1.5A |
| Utgångskonfiguration | Positiv |
| Lugn ström | 8 mA |
| Utgångsspänning 1 | 12v |
| Antal tillsynsmyndigheter | 1 |
| Min ingångsspänning | 14V |
| Skyddsfunktioner | Över temperatur, kortslutning |
| Spänningsavfall (max) | 2v @ 1a typ |
| PSRR | 55dB (120Hz) |
| Bortfallspänning | 2v |
| Bortfallspänning1-nom | 2v |
| Minutspänning | 12v |
| Strömförsörjningsförhållanden (PSRR) | 55dB |
| Nominell utgångsspänning | 12v |
| Höjd | 9,15 mm |
| Längd | 10.4 mm |
| Bredd | 4,6 mm |
| Nå SVHC | Ingen SVHC |
| Strålning härdning | Inga |
| ROHS -status | ROHS3 -kompatibel |
| Blyfri | Blyfri |





| Artikelnummer | Beskrivning | Tillverkare |
| MC7815ACTG | Linjär spänningsregulator, 1A, 5 till 24V, positiv vout: 15.0V;TJ: 0 ° C till +125 ° C, TO-220, enkelmätare, 3-lead, 50-rör | På halvledare |
| BA178M15CP | Fast positiv standardregulator, 15V bipolär, MSFM3, TO-220, 3-stift | Rohm halvledare |
| MC7812AECTBU | 12V Fixed Positive Regulator, PSFM3, ROHS Compliant, TO-220, 3 Pin | Rochester Electronics LLC |
| P1406-15-883b | Fast positiv standardregulator, 15V MSFM3, TO-257, 3-stift | TT elektronikmotstånd |
| Om7812aih | Fast positiv standardregulator, 12V bipolär, MSFM3, TO-257A, 3-stift | Infineon Technologies Ag |
| UPC7815AHF | Fast positiv standardregulator, 15V bipolär, MSFM3, isolerad, plast, TO-220, SIP-3 | NEC Electronics America Inc |
| UPC7812AHF-AZ | UPC7812AHF-AZ | Renesas Electronics Corporation |
| P7815AG-883B | 15V Fast Positive Regulator, MSFM3, TO-257A, 3 Pin | |
| P7815AG-BS2S | Fast positiv standardregulator, 15V MSFM3, TO-257A, 3-stift | TT elektronikmotstånd |
| SHD5158B | Fast positiv standardregulator, 15V, SHD-5B, 3-stift | Sensitronhalvledare |
Konstant +12V utgångsregulator till kraftmikrokontroller och sensorer i de flesta av projekten
Justerbar utgångsregulator
Aktuell begränsare för vissa applikationer
Reglerad dubbelförsörjning
Utgångspolaritet-reverseringsskyddskrets
Fast produktionsregulator


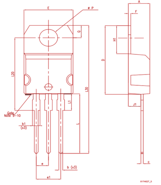
| Dämpa. | Min.(mm) |
| En | 4.4 |
| b | 0,61 |
| b1 | 1.14 |
| c | 0,48 |
| D | 15.25 |
| E | 10 |
| e | 2.4 |
| e1 | 4.95 |
| F | 0,51 |
| H1 | 6.2 |
| J1 | 2.4 |
| L | 13 |
| L1 | 3.5 |
| L20 | - |
| L30 | - |
| ØP | 3.75 |
| Q | 2.65 |

Stmicroelectronics är en global ledare inom halvledarindustrin, känd för att producera ett brett utbud av elektroniska komponenter och lösningar.De samlar expertis inom kiselteknik och systemdesign, tillsammans med avancerade tillverkningsfunktioner, vilket gör att de kan leverera innovativa produkter som uppfyller behoven hos modern elektronik.Deras arbetsområden över många applikationer, inklusive mikroelektronik, och de är erkända för sin förmåga att anpassa sig till det snabbt föränderliga tekniska landskapet.Genom strategiska samarbeten och en stark immateriell fastighetsportfölj fortsätter Stmicroelectronics att forma elektronikens framtid, vilket hjälper enheter att bli mer effektiva, anslutna och användarvänliga.Deras produkter spelar en central roll för att möjliggöra konvergens av teknik, vilket gör det lättare för olika system att arbeta tillsammans i vardagliga applikationer.
L7812CV är en tre-terminal positiv spänningsregulator.Det hjälper till att tillhandahålla stabil spänningsreglering direkt på kretskortet, vilket eliminerar utmaningarna med att hantera spänning från en enda punkt.Det innehåller inbyggda funktioner som aktuell begränsning och termisk avstängning, vilket gör det mycket hållbart och kan hantera olika förhållanden.
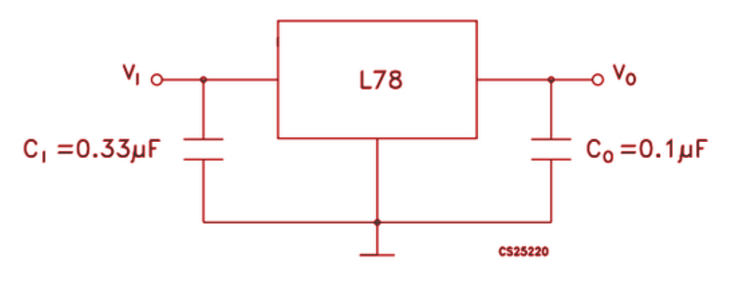
En fast spänningsregulator kräver nästan inga externa komponenter, bortsett från eventuellt några förbikopplingskondensatorer, för att fungera.Å andra sidan behöver en justerbar spänningsregulator några externa komponenter för korrekt funktion.Med den justerbara typen kan du ha ett bredare utbud av spänningar och nuvarande alternativ, vilket erbjuder mer flexibilitet för olika behov.
Både L78S12CV och L7812CV har liknande prestanda när det gäller utgångsspänning kontra övergångstemperatur.Drifttemperaturområdet är emellertid något annorlunda: L7812CV fungerar mellan 0 ° C och 125 ° C, medan L78S12CV kan gå upp till 150 ° C.Trots detta har båda chips samma termiska motstånd, vilket innebär att L78S12CV inte nödvändigtvis körs svalare under samma belastning, men det kan hantera högre temperaturer om det behövs.
Nikromtråd skapar en resistiv belastning.Troligtvis har din tråd en mycket låg motstånd, eventuellt under 100 ohm eller till och med 1 ohm.När motståndet är så lågt kan det dra hög ström genom regulatorn.Om du matar 17V i regulatorn och får 12V ut, sprids 5V -skillnaden som värme.För varje strömförstärkare resulterar den 5V -droppen i 5 watt värme.Eftersom nikromtråd kan dra mycket ström, släpper din regulator troligen mycket värme.
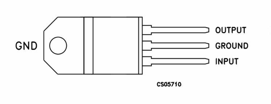
Om du använder paketet TO-220 är det enklaste sättet att identifiera stiften att titta på sidan med märkningen och peka stiften nedåt.Från vänster till höger är stift 1 ingången, stift 2 är marken och stift 3 är utgången.Se till att du tillhandahåller en DC -ingång eftersom om du vänder inmatningen och utgången kan chipet brinna ut.Se också till att ingångsspänningen inte är för hög för att chipet ska hantera.
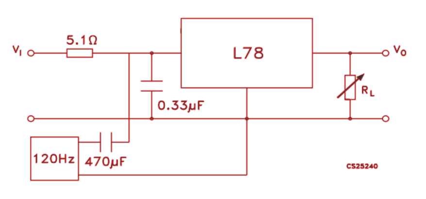
L7812CV är en fast spänningsregulator som ger en stabil 12V -utgång.Den kan hantera upp till 1a ström, och ingångsspänningen kan variera från 14V till 35V.
Skicka en förfrågan, vi svarar omedelbart.
på 2024/10/16
på 2024/10/16
på 8000/04/18 147757
på 2000/04/18 111936
på 1600/04/18 111349
på 0400/04/18 83721
på 1970/01/1 79508
på 1970/01/1 66913
på 1970/01/1 63048
på 1970/01/1 63012
på 1970/01/1 54081
på 1970/01/1 52129