
De LC4384C-75ftn256c är en högpresterande komplex programmerbar logikenhet (CPLD) från Lattice Semiconductor, som tillhör ISPMACH 4000C-familjen.Det är utformat för att tillgodose applikationer som kräver flexibla digitala logiklösningar med ett strikt låg effekt.Enheten har 384 makroceller och 192 ingångs-/utgångsstift, som ger betydande mångsidighet för olika designbehov.Dess programmering och operationella kärnspänning sträcker sig från 1,65V till 1,95V, vilket säkerställer effektiv krafthantering.Viktiga prestandametriker för LC4384C-75ftN256C inkluderar en förökningsfördröjning på 7,5 ns och en driftsfrekvens som kan nå upp till 168 MHz.Denna kombination av hastighet och lyhördhet gör den idealisk för höghastighetsapplikationer.Enheten stöder flera I/O-standarder såsom 3.3V, 2.5V och 1.8V LVCMO, med 5V-toleranta ingångar för att rymma ett brett spektrum av signalnivåer.Varje macrocell förbättras med individuella kontroller för klocka, återställning, förinställning och klocka, vilket möjliggör exakt hantering av logiska operationer.
Om du vill lägga till pålitliga, effektiva och högpresterande logikenheter till dina produkter är LC4384C-75ftN256C ett utmärkt val.Och om du funderar på att göra en bulkorder kommer du att kunna dra full nytta av vad denna avancerade teknik har att erbjuda för dina applikationer.

LC4384C-75ftN256C Symbol

LC4384C-75ftn256c fotavtryck

LC4384C-75ftN256C 3D-modell
• Hög prestanda: LC4384C-75ftN256C fungerar med en imponerande maximal frekvens upp till 178,57 MHz, i kombination med en låg förökningsfördröjning på 7,5 ns.Detta säkerställer snabba databehandlingsfunktioner och snabba responstider för digitala miljöer med hög hastighet.
• Programmerbarhet i systemet (ISP): Den här enheten stöder programmering i systemet genom ett IEEE 1532-kompatibelt gränssnitt.Den här funktionen möjliggör enkla firmware -uppdateringar direkt på kretsen utan behov av borttagning av enheter, förenkla underhåll och uppgraderingar.
• Förbättrade makroceller: Utrustad med 384 makroceller, var och en som kan oberoende klockning, återställning, förinställning och klocka möjliggör kontroll.Detta arrangemang erbjuder omfattande flexibilitet och precision vid hantering av komplexa logikoperationer för anpassade digitala logikdesign.
• Mångsidig I/O -stöd: CPLD har 192 ingångs-/utgångsstift som är kompatibla med flera spänningsstandarder, inklusive 3,3V, 2,5V och 1.8V LVCMO.Det stöder också 5V-toleranta ingångar, vilket förbättrar kompatibiliteten med äldre äldre system och olika digitala ekosystem.
• Låg effektförbrukning: Den är utformad för att fungera effektivt inom ett kärnspänningsområde från 1,65V till 1,95V, vilket gör det till ett utmärkt val för applikationer där effekteffektivitet krävs.Denna låga effektförbrukning hjälper till att minimera termisk utgång och förbättra systemets tillförlitlighet.

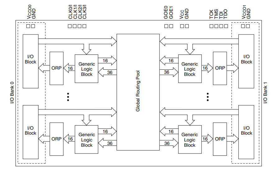
De LC4384C-75ftn256c blockdiagram Visar den interna strukturen för en programmerbar logikanordning.Det är organiserat runt en central global routingpool (GRP) som ansluter alla delar av enheten, vilket säkerställer snabb och flexibel kommunikation mellan komponenter.På varje sida av diagrammet finns I/O -banker (I/O Bank 0 och I/O Bank 1), som hanterar inmatnings- och utgångssignaler till och från enheten.Dessa banker är anslutna till utgångsrutningspooler (ORP), som hanterar flödet av data mellan I/O -blocken och de generiska logikblocken (GLB).De generiska logikblocken (GLB) är de viktigaste bearbetningsenheterna som utför logikoperationer.De är kopplade till ORP: erna för inmatning och utgång och anslutna till GRP för kommunikation med andra GLB: er, vilket gör att komplexa logikfunktioner kan skapas.Överst visar diagrammet klocka och kontrollingångar för hantering av tidpunkt och enhetsdrift, inklusive flera klocksignaler och JTAG -ingångar för programmering och testning.Diagrammet illustrerar hur enheten är utformad för flexibel logikimplementering med höghastighetsanslutningar och effektiv signalrutning.
|
Typ |
Parameter |
|
Tillverkare |
Gitter Semiconductor Corporation |
|
Serie |
ISPMACH® 4000C |
|
Förpackning |
Bricka |
|
Delstatus |
Föråldrad |
|
Programmerbar typ |
I systemprogrammerbar |
|
Fördröjningstid TPD (1) Max |
7,5 ns |
|
Spänningsförsörjning - intern |
1,65V ~ 1,95V |
|
Antal logikelement/block |
24 |
|
Antal makroceller |
384 |
|
Antal I/O |
192 |
|
Driftstemperatur |
0 ° C ~ 90 ° C (TJ) |
|
Monteringstyp |
Ytfäste |
|
Förpackning / fodral |
256-lbga |
|
Leverantörspaket |
256-ftbga (17x17) |
|
Basproduktnummer |
LC4384 |

De Generic Logic Block (GLB) av LC4384C-75ftn256c Processer logikoperationer med hjälp av en flexibel och effektiv design.Den tar emot 36 ingångar från Global Routing Pool (GRP), som kombineras med hjälp av en och array för att formulärera 83 produktvillkor.Dessa produkttermer är grundläggande logikkombinationer som hanteras av en logikallokator.Logic Allocator distribuerar dessa produkttermer till 16 makroceller, som är de viktigaste bearbetningsenheterna.Dessa makroceller utför logikfunktioner, inklusive kombinations- och sekventiella operationer.De synkroniseras av en klockgenerator med fyra klocksignaler (CLK0 till CLK3), vilket möjliggör exakt tidskontroll.Varje macrocell kan skicka sin utgång tillbaka till GRP eller till utgångsrutningspoolen (ORP) för ytterligare bearbetning.De stöder feedback för att implementera komplexa tillståndsmaskiner och sekventiella kretsar.GLB: s design är mycket flexibel, vilket möjliggör komplexa logikfunktioner med effektiv routing och tidskontroll, lämplig för avancerade digitala mönster.

De Makrocell av LC4384C-75ftn256c är utformad för flexibel och effektiv logikbehandling.Den tar emot ingångar från logikallokatorn och kan initialisera med olika metoder, inklusive delad PT-initialisering och power-up-initialisering, vilket säkerställer ett känt starttillstånd.Macrocell stöder flera klockkällor som blockklockor (CLK0 till CLK3), PT -klocka och delad PT -klocka, med en klockmultiplexer som väljer lämplig källa för exakt tidskontroll.I kärnan fungerar en d/t/L-flip-flop i olika lägen, d (data), t (växel) eller l (spärr) och har en klocka aktiverad (ce) ingång för villkorad klockning.Utgångar från macrocellen kan dirigeras till utgångsrutningspoolen (ORP) för externa anslutningar eller den globala routingpoolen (GRP) för intern feedback, vilket möjliggör komplexa logikfunktioner och effektiv signalruttning.Ett fördröjningselement säkerställer korrekt tidpunkt och signalinriktning, vilket gör makrocellen mycket anpassningsbar för avancerade digitala mönster.
Digital Logic Applications
Denna CPLD utmärker sig i hantering av anpassade logikfunktioner, såsom tillståndsmaskiner och limlogik, vilket ger en flexibel lösning för att skapa skräddarsydda digitala gränssnitt och vägar.Dess förmåga att hantera komplexa logiska kretsar gör det effektivt till ett primärt val att effektivisera hårdvarufunktioner.
Microcontroller och System-on-Chip (SOC) design
LC4384C-75ftN256C förbättrar mikrokontrollersystem genom att erbjuda ytterligare logik för att stödja ökad funktionalitet.Det kan fungera som en komponent i SOC -konstruktioner, där integration av flera enheter på ett enda chip behövs och därmed hjälpa till att minska de totala systemkostnaderna och kraftförbrukningen.
Inbäddade system
Med sin programmerbarhet i systemet och I/O/O/O-funktionen är den här enheten perfekt lämpad för inbäddade system.Det möjliggör uppdateringar och systemjusteringar utan behov utan behov av omfattande drifter, vilket gör det idealiskt för applikationer som kräver hög tillförlitlighet och anpassningsförmåga.
Industrikontrollsystem
I industriella miljöer bidrar LC4384C-75ftN256C till automatisering och processkontroll.Dess robusta design säkerställer tillförlitlig drift under utmanande förhållanden, vilket gör den till en värdefull komponent för att hantera komplexa industriella processer och maskiner.
Fordonselektronik
Enhetens låga kraftförbrukning och höghastighetsdatahanteringsfunktioner gör det till ett utmärkt val för bilelektronik.Det används i applikationer som sträcker sig från fordonskontrollenheter till avancerade infotainmentsystem, vilket hjälper till att förbättra både prestanda och säkerhetsfunktioner i moderna fordon.
Video- och bildbehandling
Tack vare dess förmåga att bearbeta höghastighetssignaler effektivt används också LC4384C-75ftN256C i video- och bildbehandlingsuppgifter.Det stöder aktiviteter som videokalning, filtrering och omvandling av format för multimediaapplikationer och enheter.
Icke-flyktig konfiguration
Denna CPLD drar nytta av internt icke-flyktigt minne, som underlättar omedelbar funktionalitet vid uppstart utan beroende av externa konfigurationskällor.Denna inneboende förmåga förenklar inte bara den övergripande designprocessen genom att eliminera behovet av ytterligare icke-flyktiga minneskomponenter utan också ökar systemets tillförlitlighet genom att minska potentiella felpunkter.
Deterministisk tidpunkt
Enheten erbjuder konsekventa och förutsägbara förseningar av förökning, en fördel för applikationer som kräver exakt tidskontroll.Denna deterministiska tidpunkt säkerställer att alla logikoperationer synkroniseras exakt, vilket gör LC4384C-75ftN256C idealisk för att hantera tidskänsliga uppgifter i digitala kretsar.
Förenklad designprocess
Till skillnad från FPGA: er, som kan kräva komplex programmering och konfiguration, har LC4384C-75ftN256C en mer enkel designmetod.Dess centraliserade logikarkitektur underlättar enklare implementering av kontrolllogik- och tillståndsmaskiner, minskar utvecklingstiden och förenklar inlärningskurvan.
Krafteffektivitet
LC4384C-75ftn256C är utformad för låg effektförbrukning och fungerar effektivt inom ett kärnspänningsområde till 1,65V till 1,95V.Denna effekteffektivitet gör det lämpligt för batteridrivna eller kraftkänsliga applikationer, vilket hjälper till att utöka enhetens livslängd och minska energikostnaderna.
Robusta I/O -kapacitet
Med 192 programmerbara I/O-stift som stöder flera spänningsstandarder erbjuder LC4384C-75ftN256C omfattande gränssnittsflexibilitet.Denna kapacitet gör det möjligt att enkelt integrera med en mängd digitala och analoga komponenter, vilket förbättrar dess användbarhet på flera plattformar och tekniker.
Höghastighetsprestanda
Möjligheten att arbeta vid frekvenser upp till 178,57 MHz möjliggör LC4384C-75ftN256C för att hantera höghastighetsdatabehandling och genomströmningskrav.Detta gör det till ett utmärkt val för applikationer som involverar snabb datamanipulation och realtidsbehandlingskrav.
Förpackningsdimensioner för LC4384C-75ftN256C:
|
Parameter |
Dimension (mm) |
|
Kroppsstorlek |
17 x 17 |
|
Bollplan |
0,8 |
|
Bollräkning |
256 |
Lattice Semiconductor Corporation, baserat i Hillsboro, Oregon, är tillverkaren av LC4384C-75ftN256C, en framträdande FPGA-komponent (fältprogrammerbar grinduppsättning) känd för sin konfigurerbarhet och mångsidighet i olika applikationer.Lattice Semiconductor, som grundades 1983, har snitit en nisch i halvledarindustrin genom att specialisera sig i lågmakt, småformar och anpassningsbara lösningar som tillgodoser ett brett spektrum av marknadsbehov, från elektronik till industriella tillämpningar.LC4384C-75ftN256C, en del av deras omfattande produktuppställning, exemplifierar deras engagemang för att tillhandahålla avancerade programmerbara logikenheter som stöder komplexa digitala system med fokus på innovation och effektivitet.
LC4384C-75ftN256C visar upp Lattice Semiconductors engagemang för innovativ och effektiv teknik inom halvledarområdet.Den här enheten är utrustad för detaljerade designuppgifter med sina flexibla input/utgångsalternativ och avancerade interna strukturer.Det är perfekt för användning inom olika områden som industrisystem, bilelektronik och videobearbetning, eftersom den bearbetar data snabbt och kan enkelt anpassas till olika behov.Den här guiden belyser enhetens förmåga att hantera komplexa digitala uppgifter smidigt och förbättra den övergripande systemfunktionen, vilket visar att det är ett viktigt verktyg i programmerbara logikenheter.
Skicka en förfrågan, vi svarar omedelbart.
LC4384C-75ftN256C erbjuder en kombination av höghastighetsprestanda, låg effektförbrukning och omfattande I/O-kapacitet.Det är idealiskt för komplexa digitala uppgifter inom branscher som bil-, industriell kontroll och multimediabehandling, vilket gör det till ett mångsidigt val för ett brett utbud av applikationer.
Ja, enheten stöder flera I/O-standarder inklusive 5V-toleranta ingångar, vilket gör den kompatibel med både moderna och äldre digitala system.Denna flexibilitet säkerställer sömlös integration utan behov av omfattande systemöversyn.
Enheten kan arbeta vid frekvenser upp till 178,57 MHz med en låg fördröjning av förökning, vilket möjliggör snabb datamanipulation och genomströmning som är bra för bearbetning och höghastighets digitala miljöer.
Med programmerbarhet i systemet kan du uppdatera firmware direkt på kretsen utan att ta bort enheten, förenkla underhåll och uppgraderingar.Den här funktionen är bäst för att minska systemets driftstopp och underlätta snabba anpassningar till utvecklande tekniska behov.
LC4384C-75ftn256C fungerar inom ett kärnspänningsområde till 1,65V till 1,95V och är fördelaktigt för batteridrivna eller kraftkänsliga applikationer.Detta hjälper till att utöka enhetens livslängd och minska energikostnaderna.
på 2025/02/21
på 2025/02/21
på 8000/04/18 147765
på 2000/04/18 111989
på 1600/04/18 111351
på 0400/04/18 83751
på 1970/01/1 79546
på 1970/01/1 66949
på 1970/01/1 63094
på 1970/01/1 63028
på 1970/01/1 54092
på 1970/01/1 52174