




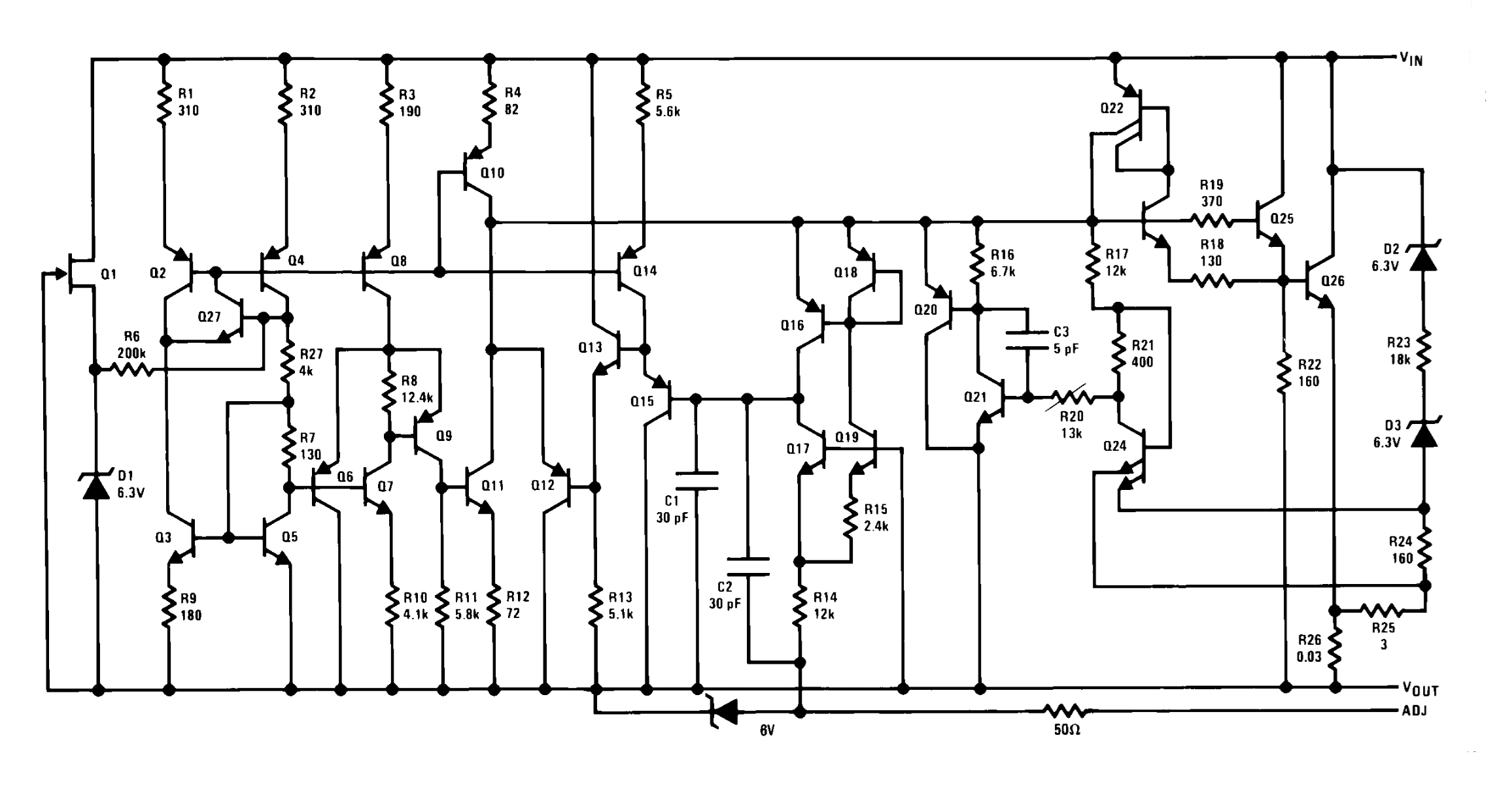
De Lm338k Navigerar ett brett spänningsspektrum från 1,2 V till 32 V, som kan hanteras strömmar som överträffar 5 A. Dess anpassningsförmåga avslöjas genom enkel användning av två motstånd för utgångsjustering, vilket underlättar dess införlivande i olika system.
Industriella system drar nytta av dess design och blandar effektiviteten i likhet med avancerade kraftförsörjningar.Telekommunikationssystem tycker att det är lämpligt på grund av dess mångsidighet.Inhemsk elektronik uppskattar dess sömlösa integration.
I krafthanteringsfält kan du ofta integrera LM338K i deras system.Dess stabilitet och enkel användning gör det till ett föredraget val för dem som söker pålitliga kraftlösningar.Dess robusta design konfronterar fluktuerande belastningar med nåd, vilket gör det exceptionellt användbart.
|
Typ |
Parameter |
|
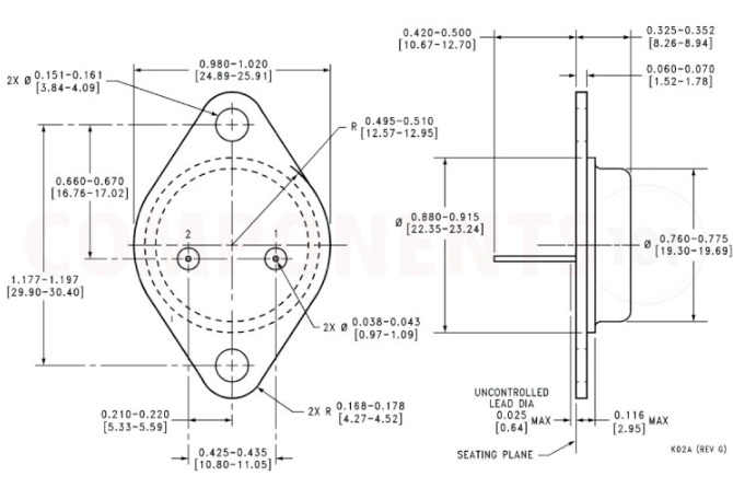
Montera |
Genom hålet |
|
Monteringstyp |
Genom hålet |
|
Förpackning / fodral |
TO-204AA, TO-3 |
|
Antal stift |
2 |
|
Vikt |
6.40101g |
|
Driftstemperatur |
0 ° C ~ 125 ° C |
|
Förpackning |
Rör |
|
Tolerans |
5% |
|
JESD-609 kod |
e3 |
|
Delstatus |
Föråldrad |
|
Fuktkänslighetsnivå (MSL) |
1 (obegränsad) |
|
Antal avslutningar |
2 |
|
ECCN -kod |
Örat99 |
|
Terminal |
Tenn (sn) |
|
Kraftbetyg |
50w |
|
Terminalposition |
BOTTEN |
|
Terminalform |
Stift/knäpp |
|
Antal funktioner |
1 |
|
Basdelnummer |
Lm338 |
|
Räkning |
2 |
|
Antal utgångar |
1 |
|
Spänning - ingång (max) |
35V |
|
Utspänning |
32V |
|
Utgångstyp |
Justerbar |
|
Max utgångsström |
5A |
|
Utgångskonfiguration |
Positiv |
|
Max utgångsspänning |
32V |
|
Antal tillsynsmyndigheter |
1 |
|
Min ingångsspänning |
4.2V |
|
Skyddsfunktioner |
Över ström, över temperaturen |
|
PSRR |
75dB ~ 60dB (120Hz) |
|
Referensspänning |
1.29V |
|
Bortfallspänning |
3v |
|
Bortfallspänning1-nom |
3v |
|
Minutspänning |
1.2V |
|
Strömförsörjningsförhållanden (PSRR) |
75dB |
|
Min nuvarande gräns |
7a |
|
Lastreglering-max (%) |
1% |
|
Höjd |
8,7 mm |
|
Längd |
39,5 mm |
|
Bredd |
26,2 mm |
|
Nå SVHC |
Ingen SVHC |
|
Strålning härdning |
Inga |
|
ROHS -status |
ROHS3 -kompatibel |
|
Blyfri |
Blyfri |
|
Särdrag |
Beskrivning |
|
Toppström |
Garanterad 7 a |
|
Framström |
Garanterad 5 a |
|
Justerbar utgångsspänning |
Ner till 1,2 V |
|
Radreglering |
Vanligtvis 0,005 %/V |
|
Belastningsreglering |
Vanligtvis 0,1 % |
|
Termisk reglering |
Garanterat |
|
Nuvarande gräns |
Konstant med temperatur |
|
Pakettyp |
Standard 3-ledande transistorpaket |

LM338K tjänar i att skapa justerbara strömförsörjningar, leverera exakt konstant ström och effektivt laddar batterier.Dess breda tillämpning härrör från dess robusta byggnad och mångsidiga spänningsreglering.
LM338K är chef för att skapa mångsidiga strömförsörjningssystem.Dess förmåga att hantera högspänning och ström förbättrar stabiliteten samtidigt som buller minimeras, vilket ökar elektroniska systemprestanda.Vanligtvis används i labb och workshops, dessa system drar nytta av tillförlitligheten i utrustningen.Du kan värdera de exakta spänningsjusteringarna, vilket återspeglar enhetens precision och tillförlitlighet.
I sammanhang som LED -belysning och motorisk kontroll är reglering av konstantström aktiv.LM338K ger stabil ström, skyddande känsliga komponenter och förbättrar systemeffektiviteten.Tillförlitlig nuvarande reglering hjälper till att säkerställa långsiktig stabilitet, vilket förhindrar fluktuationer som kan leda till systemfel.
Batteriladdningssystem utnyttjar LM338K: s justerbara kapacitet för exakt laddningscykelkontroll.Detta optimerar batteriladdningseffektivitet och säkerhet och förbättrar batterilivslängden.Avancerade system integrerar funktioner för att upptäcka tillståndsförändringar i laddning, vilket förbättrar effektiviteten och batterihälsa avsevärt.
LM338K: s hållbara design- och spänningsregleringsanpassningsbarhet gör den lämplig för olika applikationer.Det fungerar bra under olika miljöförhållanden, en värderad egenskap i branscher som kräver robusthet.Dess flexibilitet har lett till utbredd användning inom fält som kräver hög prestanda och pålitlighet, du kan ofta citera dessa funktioner som skäl till urval i olika projekt.

|
Delar |
Beskrivning |
Tillverkare |
|
Lm138aksteel |
1.2 V-32V Justerbar positiv regulator, MBFM2, metall
Kan, till-3, 2 stift |
Texas instrument |
|
LM138K/883 |
IC VREG 1.2 V-32 V Justerbar positiv regulator, MBFM2,
Metallburk, TO-3, 2-stift, justerbar positiv enkel utgångsstandardregulator |
National Semiconductor Corporation |
|
LM338K stål/nopb |
1.2 V-32V Justerbar positiv regulator, MBFM2, grön,
Metallburk, till-3, 2 stift |
Texas instrument |
|
Lm138k mil/nopb |
1.2 V-32V Justerbar positiv regulator, MBFM2, ROHS
Kompatibel, metallburk, TO-3, 3-stift |
Texas instrument |
|
M38510/11706SYA |
Ic vreg justerbar positiv regulator, justerbar
Positiv standardregulator för enstaka utgång |
Linjär teknik |
|
Ft138ak |
Justerbar positiv standardregulator, 1.2V min, 32V
Max, MBFM2, Metal Can, TO-3, 2 Pin |
Force Technologies Ltd |
|
Ft338k |
Justerbar positiv standardregulator, 1.2V min, 32V
Max, MBFM2, Metal Can, TO-3, 2 Pin |
Force Technologies Ltd |
|
LT338AK |
IC VREG 1.2 V-32 V Justerbar positiv regulator, MBFM2,
Metallburk, TO-3, 3-stift, justerbar positiv enkel utgångsstandardregulator |
Linjär teknik |
|
SG138AK/883B |
Regulator, 1 utgång, bipolär |
Microsemi Corporation |
|
LM338MWC |
1.2 V-32V Justerbar positiv regulator, UUC, skiva |
Texas instrument |

Stmicroelectronics sammanflätar sin kärndesignfilosofi med hållbarhet i halvledarlösningar, vävande miljöförvaltning med produktsäkerhet och effektivitet, vilket reflekterar över värderingar och ambitioner mot en hållbar framtid.
Dominant till Stmicroelectronics innovationer är strävan efter eko-medveten teknik för att minimera miljöskador.Genom att betona energieffektivitet är komponenter utformade till lägre strömförbrukning över olika applikationer.Branscher som bil- och konsumentelektronik drar nytta av att se en minskning av kolavtryck.Denna trend speglar en bredare branschmigration mot gröna lösningar och kräver pågående anpassning och uppfinningsrikedom.
LM338K trivs i temperaturer från 0 ° C till 125 ° C.Denna flexibilitet tillgodoser en mängd användningsområden, från vardagliga konsumentagadgar till stränga industriella sammanhang.Att upprätthålla konsekvent enhetstemperatur är nyckeln, vilket formar både dess prestanda och livslängd och erbjuder därmed tillräckliga möjligheter.
LM338K är en motståndskraftig tre-terminal positiv spänningsregulator, som levererar över 5 A mellan 1,2 V och 32 V. Med bara två motstånd förenklar det spänningshantering medan man speglar effektiviteten hos avancerade kraftsystem.Denna enkelhet tilltalar de som prioriterar tillförlitlig produktion, särskilt i rymd- och budgetkänsliga miljöer.
LM338K är innesluten i Steel TO-3-transistorpaketet och är byggt för styrka och effektiv värmehantering.Denna förpackning föredras för högeffektuppgifter på grund av dess överlägsna termiska reglering, vilket säkerställer stabilitet och långvarig tillförlitlighet.Val av korrekt förpackning används för att förbättra säkerheten och prestandan för alla elektroniska komponenter.
Skicka en förfrågan, vi svarar omedelbart.
på 2024/10/22
på 2024/10/22
på 8000/04/18 147757
på 2000/04/18 111936
på 1600/04/18 111349
på 0400/04/18 83721
på 1970/01/1 79508
på 1970/01/1 66913
på 1970/01/1 63048
på 1970/01/1 63012
på 1970/01/1 54081
på 1970/01/1 52129