
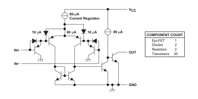
De Lm339n är en mångsidig fyrhjulingsspännings komparator, idealisk för både enstaka och dubbla försörjningsoperationer, och anpassar sig enkelt över en bred spänningsskillnad från 2V till 36V.Detta säkerställs genom att bibehålla VCC på en nivå 1,5V över ingångens vanlig läge.Dess förmåga att hantera strömförbrukning effektivt över olika matningsspänningar förbättrar dess överklagande.Dessutom möjliggör utgångar med öppen kollektor trådbundna och anslutningar, vilket utvidgar sitt utbud av potentiella applikationer avsevärt.
Designspecificitet gör LM339N unikt anpassningsbar för enstaka och dubbla leveransapplikationer, vilket ger flexibilitet i olika inställningar.I regleringssystem där stabilitet och precision är djupt värderade, såsom industriell automatisering eller telekommunikation, tjänar spännings komparatorer som LM339N en viktig funktion.Dessa domäner drar nytta av komponentens förmåga att hantera betydande spänningsförändringar utan att förlora stabilitet.I scenarier som prioriterar systemstabilitet säkerställer LM339N: s stabila strömförbrukning oöverträffad prestanda mitt i spänningsfluktuationer.

|
Pin No. |
Stiftnamn |
Beskrivning |
|
1 |
Ut |
Utgångsstiftet för komparatorn 1 |
|
2 |
2out |
Utgångsstiftet av komparatorn 2 |
|
3 |
Vcc |
Leveransstift |
|
4 |
2in- |
Negativ ingångsstift av komparatorn 2 |
|
5 |
2in+ |
Positiv ingångsstift av komparatorn 2 |
|
6 |
1in- |
Negativ ingångsstift för komparatorn 1 |
|
7 |
1in+ |
Positiv ingångsstift för komparatorn 1 |
|
8 |
3in- |
Negativ ingångsstift av komparatorn 3 |
|
9 |
3in+ |
Positiv ingångsstift av komparatorn 3 |
|
10 |
4in- |
Negativ ingångsstift av komparatorn 4 |
|
11 |
4in+ |
Positiv ingångsstift av komparatorn 4 |
|
12 |
Gard |
Jord |
|
13 |
4out |
Utgångsstiftet av komparatorn 4 |
|
14 |
3out |
Utgångsstiftet av komparatorn 3 |

LM339N -symbol

Lm339n fotavtryck

LM339N CAD -modell
• Bred strömförsörjningsområde: Stöder 2V - 36V (enkelförsörjning) och 1V - 18V (dubbelförsörjning), vilket gör det anpassningsbart till olika kretskonstruktioner.
• Högprecision: Har en låg typisk offsetspänning på 2MV, idealisk för applikationer med hög noggrannhet som känsliga mätsystem.
• Låg effektförbrukning: Fungerar med en leverantörsström på bara 1,1 mA, lämplig för batteridrivna och energieffektiva enheter.
• Minimal förspänning Aktuell fel: Ingångsförspänningsström på 25NA och kompenserarström på ± 5NA minskar felet i precisionskretsar.
• Hög ingångsspänningshantering: Hanterar gemensamma lägen och differentiella ingångsspänningar upp till matningsspänningen, vilket säkerställer stabilitet mot ingångsfluktuationer.
• Logikkretskompatibilitet: Fungerar med TTL, DTL, ECL, MOS och CMO, förenkla integrationen över digitala system och minska behovet av extra komponenter.
|
Typ |
Parameter |
|
Statisk ström per kanal max.(ma) |
0,5 |
|
Utgångsström min.(ma) |
6 |
|
Svarstid (låg till hög) (µs) |
0,3 |
|
Minsta driftsspänning (v) |
2 |
|
Maximal driftsspänning (v) |
30 |
|
Common-Mode Ingångsspänningsområde (VICR) Min.(V) |
- |
|
Common-Mode Ingångsspänningsområde (VICR) Max.(V) |
3.5 |
|
Fullskalig |
Inga |
|
Antal kanaler |
4
|
|
Paket/temperatur (° C) |
PDIP-14 /0 ~ 70 |

• LM239N
• LM2901N
LM339N är en hörnsten i industriella automatiserings- och kontrollsystem.Dess primära roll är att jämföra spänningsnivåer med precision och utlösande åtgärder baserade på fördefinierade trösklar.I tillverkningsprocesser kan till exempel LM339N övervaka sensorutgångar och bestämma om vissa förhållanden, såsom temperatur, tryck eller vätskenivåer, ligger inom säkra driftsgränser.När en avvikelse upptäcks initierar IC korrigerande åtgärder som att aktivera larm, stoppa maskiner eller justera kontrollparametrar.Dess höga ingångsimpedans och förmåga att arbeta vid låga spänningar gör den mycket anpassningsbar till olika industriella miljöer, från storskaliga fabriker till kompakta kontrollpaneler.Genom att säkerställa stabil drift även under hårda förhållanden som extrema temperaturer eller elektriskt brus, stöder LM339N effektivitet, säkerhet och tillförlitlighet i operationer.
I bilapplikationer fungerar LM339N som en viktig komponent för övervakning och kontroll av flera system som är bra för både prestanda och säkerhet.Till exempel, i motorhanteringssystem, hjälper det till att övervaka sensordata, såsom syrenivåer, motortemperatur och gasposition, vilket säkerställer att motorn fungerar effektivt och inom säkra gränser.Det är också bra för belysningssystem, styrning av strålkastare, inre belysning och indikatorsignaler.LM339N spelar en roll i säkerhetsmekanismer som airbag-distributionssystem och anti-lock-bromssystem (ABS), där exakt spänningsjämförelser för att upptäcka potentiella problem eller aktivera livräddande svar dess robusta design och tillförlitlighet gör det till ett pålitligt val för bilutformningSystem som måste uthärda strängarna i konstant rörelse, vibrationer och fluktuerande temperaturer.
Moderna fordon förlitar sig på infotainmentsystem och digitala instrumentpaneler för att leverera en sömlös och användarvänlig körupplevelse.LM339N är avgörande i dessa system, vilket förbättrar noggrannheten och lyhördheten för databehandling inom infotainment -enheter och instrumentkluster.I multimediasystem hjälper det att hantera ingångar från olika källor, till exempel pekskärmar, röstkommandon och ljud-/videosignaler, vilket säkerställer smidiga övergångar och tillförlitlig drift.I instrumentpanelskluster bidrar det till den exakta visualiseringen av information som hastighet, bränslenivåer, motorstatus och navigationsdata.Genom att aktivera spänningsjämförelser och logiska operationer säkerställer LM339N att dessa system fungerar utan fördröjningar eller fel, vilket förbättrar både förarens bekvämlighet och fordonsprestanda.
Kroppskontrollmoduler är centrala för att hantera olika elektriska och elektroniska funktioner inom ett fordon, såsom kraftfönster, centrala låsning, sittjusteringar och inre/yttre belysning.LM339N är djupt integrerad i dessa moduler och fungerar som en komparator som utvärderar insignaler från switchar, sensorer eller styrenheter.Till exempel, när en drivrutin trycker på knappen för att rulla ner ett fönster, jämför LM339N insignalen med förinställda förhållanden och bestämmer lämpligt svar såsom att aktivera motorn för att sänka fönstret.Dess förmåga att arbeta effektivt med låg effekt och hantera flera ingångar samtidigt gör den idealisk för dessa applikationer.Dessutom bidrar dess roll för att säkerställa säker och effektiv kraftfördelning över BCM till att minska sannolikheten för systemfel och därmed förbättra den totala fordonets tillförlitlighet.
Kraftförsörjning är ryggraden i alla elektroniska system, och deras stabilitet är viktigt för att säkerställa korrekt funktion av komponenter.LM339N utmärker sig vid övervakning av strömförsörjningsledningar och jämför ingångsspänningsnivåerna med fördefinierade säkra intervall.Om spänningen sjunker under eller stiger över dessa gränser, kan IC utlösa ett svar, såsom att stänga av känsliga komponenter för att förhindra skador, signalera en varning eller aktivera säkerhetskopieringssystem.Denna kapacitet är viktig i applikationer som oavbruten strömförsörjning (UPS), batteriladdare och förnybara energisystem, där spänningsreglering för att upprätthålla stabilitet och skydda utrustning.Dess låga effektförbrukning och bredspänningsområdet gör LM339N till en kostnadseffektiv och effektiv lösning för kraftövervakningsuppgifter.
Oscillatorer används för att generera periodiska signaler som fungerar som tidsreferenser i elektroniska enheter.LM339N används vanligtvis vid utformning av exakta oscillatorkretsar på grund av dess förmåga att jämföra spänningsnivåer med exceptionell noggrannhet.Till exempel kan det konfigureras för att producera fyrkantiga vågsignaler för användning i digitala klockor, signalgeneratorer eller frekvensmoduleringssystem.Dess mångsidighet gör det också möjligt att fungera i timerkretsar, där exakta intervall behövs för att kontrollera processer som fördröjningsreläer, pulsbreddmodulering (PWM) eller sekventiella operationer i digitala system.LM339N: s höghastighetsdrift och låg offsetspänning bidrar till stabiliteten och noggrannheten hos dessa oscillatorer.
Att upptäcka toppvärdet för en signal är en funktion i många mät- och signalbehandlingsapplikationer.LM339N kan effektivt identifiera den maximala amplituden för en fluktuerande signal genom att jämföra ingångsnivåer och hålla toppvärdet för ytterligare analys.Denna funktion är användbar i system som ljudsignalbehandling, där den hjälper till att identifiera den högsta delen av en ljudvågform för volymnormalisering eller förebyggande av distorsion.På liknande sätt underlättar IC i test- och mätutrustning exakta avläsningar genom att isolera toppvärden från bullriga eller snabbt förändrade signaler.Dess förmåga att fungera effektivt i både analoga och digitala system förbättrar dess användbarhet i ett brett spektrum av toppdetekteringsscenarier.
Många elektroniska system består av komponenter som arbetar vid olika spänningsnivåer, vilket gör spänningsöversättning för att säkerställa kompatibilitet och konsekvent prestanda.LM339N förenklar denna process genom att jämföra logiknivåer och översätta signaler mellan kretssektioner med olika spänningskrav.Till exempel, i ett blandat-signalsystem där vissa komponenter arbetar vid 3,3V och andra vid 5V, säkerställer LM339N att signaler konverteras exakt utan distorsion eller förlust av information.Denna kapacitet används i system som mikrokontroller, där kringutrustning och sensorer kan arbeta vid olika spänningsnivåer.Genom att tillhandahålla sömlös logiknivåöversättning möjliggör LM339N smidig kommunikation mellan komponenter och hjälper till att upprätthålla den totala systemstabiliteten.





Texas Instruments (TI) är ett ledande halvledarföretag med över 30 000 anställda som verkar i 35 länder.Sedan uppfinnandet av den första funktionella integrerade kretsen 1958 har TI fokuserat på att utforma och tillverka analog och inbäddade bearbetningspartier för branscher som bil, telekommunikation och elektronik.Tis globala framgång drivs av sin skickliga arbetskraft, känd som Tiers, som samarbetar för att lösa komplexa utmaningar och leverera pålitliga, banbrytande produkter.Deras arbete hjälper branscher att möta utvecklande teknikkrav medan de formar innovationer som påverkar det dagliga livet.I mer än sex decennier har TI förblivit i framkant av framsteg av halvledar.Dess fokus på innovation och effektivitet möjliggör skapandet av högpresterande produkter som driver gränserna för kiselbaserad teknik.Genom innovation och samarbete fortsätter TI att påverka branscher och förbättra hur människor interagerar med teknik över hela världen.
Materialuppsättning 30/Mar/2017.pdf
Mult Dev Datablad 11/Dec/2018.pdf
Skicka en förfrågan, vi svarar omedelbart.
LM339N finner betydande användning i kretsar som kräver exakt övervakning av spänningsnivå, eftersom den kan innehålla flera komparatorer i ett enda paket.Denna funktion, i kombination med dess effektivitet i kraftanvändning, gör den lämplig för enheter som förlitar sig på batterier.Ett illustrativt användningsfall är i nollkorsande detektorer, där exakt signaljämförelse för att upprätthålla stabilitet och sömlös drift av system.Denna noggrannhet är inte bara ett tekniskt krav utan förbättrar den totala systemprestanda.
Funktionellt utvärderar LM339N spänningsnivåer vid sina ingångsstift och beslutar att mata ut ett överlägset eller underlägset tillstånd i enlighet därmed.Denna process liknar hur initiala detekteringsmekanismer i teknikområden uppfattar subtila variationer, vilket möjliggör snabba reaktioner.Dess arkitektur är kompatibel med delade leveransverksamheter, vilket underlättar integration i en mängd olika kretsuppsättningar, vilket erbjuder anpassningsbarhet över en rad spänningsmiljöer och därmed breddar dess tillämpbarhet.
LM339N och LM339 skiljer sig främst genom deras spänningsoperativa intervall och förpackningsdesign.Dessa variationer påverkar deras anpassning till särskilda projektbehov, såsom begränsat utrymme eller varierande termiska prestandaförhållanden.Att välja en lämplig paketkonfiguration kan förbättra den slutliga produktens livslängd och effektivitet och förvandla designbeslut till påverkande tekniska resultat.
En komparator utför en utvärdering av sina ingångar och utfärdar en binär signal baserad på deras relativa storlekar.Detta är parallellt med beslutsprocesser där binära resultat driver efterföljande åtgärder.Den binära utgången är en tidpunkt för digitala kretsar, formar efterföljande operationer och säkerställer sammanhängande och synkroniserad systemfunktionalitet.Det fungerar som en hörnsten i det sömlösa flödet av en digital design, vilket förstärker det ordnade exekveringen av uppgifter.
på 2024/12/5
på 2024/12/5
på 8000/04/18 147758
på 2000/04/18 111949
på 1600/04/18 111349
på 0400/04/18 83722
på 1970/01/1 79508
på 1970/01/1 66920
på 1970/01/1 63076
på 1970/01/1 63012
på 1970/01/1 54081
på 1970/01/1 52145