
De LM393N är tillverkad som en flexibel dubbel oberoende lågspännings komparator, lämplig för scenarier som drar nytta av enstaka leveranser över ett brett spänningsområde.Dess konstruktion rymmer användningsanvändning och erbjuder en mångsidig lösning för olika elektriska konfigurationer.Dess ingångsspänningsområde för ingångsläge sträcker sig särskilt för att inkludera marknivån, även inom en enstaka miljö, som illustrerar dess förmåga att anpassa sig till krävande kraftsituationer.
Inom sin strukturella design stöder LM393N många applikationer.Dessa sträcker sig från batteridrivna enheter till mer komplicerade system där stabilitet önskas under förändring av effektförhållanden.I faktiska sammanhang kan du ofta uppleva en känsla av förtroende med komponenter som dessa och förlita sig på dem för att skydda tillförlitligheten i inbäddade system mitt i instabila kraftförsörjning.
LM393 -serien inkluderar Lm393dr, LM393M, LM393D, Lm331noch Lm393mx Varianter, var och en tjänar distinkta funktionaliteter.Dessa modeller tillgodoser specifika behov, förbättrar designeffektiviteten och anpassningen till projektspecifika krav.Att välja rätt variant kan ha en anmärkningsvärd inverkan på integrationsprocessen och den elektroniska konfigurationens totala prestanda.




|
Särdrag |
Specifikation |
|
Leveransspänning |
+2 V till +36 V (enkelförsörjning) eller ± 1 V till ± 18 V (Dual
förse) |
|
Leverantör |
0,45 mA oberoende av matningsspänning (1 mW/komparator vid
+5 V) |
|
Inmatningspänningsström |
20 na (typisk) |
|
Inmatningskostnadsström |
± 3 NA (typisk) |
|
Ingångsutdelningsspänning |
± 1 mV (typisk) |
|
Inmatning av vanlig spänningsområde |
Inkluderar mark |
|
Utgångsmättningsspänning |
80 mV (typisk, isink = 4 mA) |
|
Differentiell ingångsspänningsområde |
Lika med matningsspänningen |
|
Utgångskompatibilitet |
TTL, DTL, ECL, MOS, CMOS -kompatibel |
|
Typ |
Parameter |
|
Monteringstyp |
Genom hålet |
|
Förpackning / fodral |
8-dip (0,300, 7,62 mm) |
|
Ytfäste |
INGA |
|
Antal element |
2 |
|
Driftstemperatur |
0 ° C ~ 70 ° C |
|
Förpackning |
Rör |
|
JESD-609 kod |
e3 |
|
Delstatus |
Föråldrad |
|
Fuktkänslighetsnivå (MSL) |
1 (obegränsad) |
|
Antal avslutningar |
8 |
|
ECCN -kod |
Örat99 |
|
Typ |
Allmänt syfte |
|
Terminal |
Matt tenn (sn) - glödgad |
|
Terminalposition |
DUBBEL |
|
Toppens reflowtemperatur (CEL) |
Inte specificerad |
|
Antal funktioner |
2 |
|
Leveransspänning |
5V |
|
Time@Peak Reflow Temperatur-Max (er) |
Inte specificerad |
|
Basdelnummer |
LM393 |
|
Räkning |
8 |
|
JESD-30-kod |
R-pdip-t8 |
|
Kvalifikationsstatus |
Inte kvalificerad |
|
Utgångstyp |
CMOS, DTL, ECL, MOS, Open-Collector, TTL |
|
Strömförsörjning |
5V |
|
Resterid |
1300 ns |
|
Spänning - Tillförsel, singel/dual (±) |
2V ~ 36V ± 1V ~ 18V |
|
Genomsnittlig förspänning nuvarande max (IIB) |
0,4μA |
|
Leveransspänningsgränsen |
36V |
|
Aktuell - lugn (max) |
2,5 mA |
|
Spänning - ingångsförskjutning (max) |
5mv @ 30V |
|
Aktuell - ingångsförskjutning (max) |
0,25μA @ 5V |
|
Aktuell - utgång (typ) |
18MA @ 5V |
|
Höjd sittande (max) |
5,33 mm |
|
ROHS -status |
ROHS3 -kompatibel |

LM393N-komparatorn sticker ut som en komplex och effektiv komponent som används över olika praktiska områden, speciellt utmärkta i miljöer som kännetecknas av kraven från batteridrivna och industriella system.
LM393N: s strategi för energiförbrukning och noggrannhet riktar sig vackert till batteridrivna enheter.I världen av bärbar elektronik kan det att uppnå en känslig harmoni mellan energieffektivitet och prestanda djupt påverka din tillfredsställelse och enhetsöverklagande.LM393N utmärker sig genom att tillhandahålla exakta spänningsjämförelser med minimal energinavlopp och därigenom förlänga batterilängd.Du kan ofta utnyttja dess kapacitet för att designa kretsar som vaksamt övervakar batteristatus, uppmanar snabba laddningar och skyddar mot överdriven utarmning.Denna nyckelroll understödjer enhetens stadiga tillförlitlighet under långvariga användningsperioder.
Inom det industriella landskapet uppskattas LM393N för sin robusthet och konsekventa prestanda, som används för att upprätthålla verksamheten mitt i krävande förhållanden.Dess integration i automatiserade system hjälper till med signalbehandling och förbättrar beslutsfunktioner.I temperaturkontrollsystem jämför till exempel LM393N skickligt temperaturavläsningar för att ställa in riktmärken, vilket utlöser kontrollprocesser för att upprätthålla önskade miljöförhållanden.Dess förmåga att utföra konsekvent över olika miljöförhållanden säkerställer stabilitet och driftseffektivitet i automatiserade ramverk.De faktiska applikationerna betonar betydelsen av pålitliga komponenter som LM393N för att stödja industrisystemets kontinuitet.


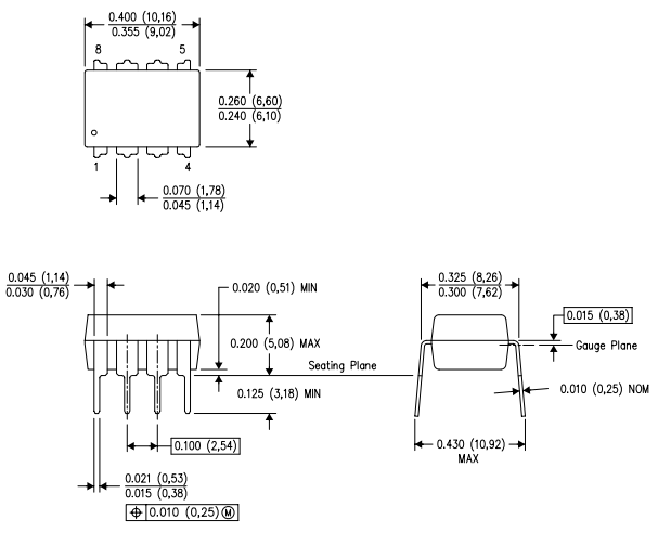
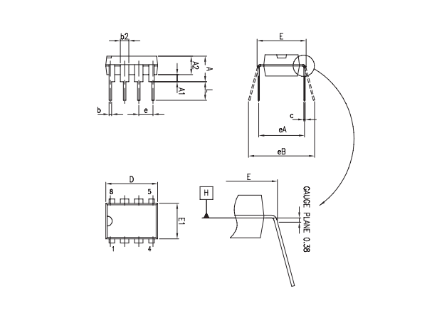
Mekanisk data


Stmicroelectronics sticker ut i världen av halvledare genom att banbrytande ett mångfaldigt utbud av sofistikerade lösningar skräddarsydda för olika mikroelektronikapplikationer.Företaget utmärker sig inom Silicon Technologies, och dess omfattande tillverkningsfärdigheter gör det till en ledande inom system-på-chip-innovation, en domän som sammanflätas med moderna tekniska framsteg.Utifrån ett omfattande arkiv av immateriell egendom främjar Stmicroelectronics strategiska partnerskap, vilket förbättrar dess fotavtryck på marknaden.
Stmicroelectronics djupt sittande kunskap om kiselteknologier fungerar som kärnan i dess design och tillverkningsförmåga.Denna grund stöder utvecklingen av högeffektiva chips och möter skickligt de utmanande parametrarna för olika applikationer.Kompetensen inom kisel möjliggör skapandet av konsumentelektronik som erbjuder tillförlitlighet och energieffektivitet, vilket uppmuntrar antagandet av samtida apparater som förvandlar dagliga upplevelser.
LM193, A LM293, A-LM393, A.PDF
Skicka en förfrågan, vi svarar omedelbart.
LM393N och LM393P uppvisar konsekvent prestanda mellan applikationer.Huvudskillnaden ligger i deras förpackning: LM393N är innesluten i ett dubbelt in-line plastformat, medan LM393P finns i ett enda paket i linjen.Förpackningsbeslutet kan påverka rumsliga och designhänsyn och påverka applikationsval.
Utöver förpackningen är deras skillnader minimala eftersom båda kräver ett DIP-8-paket.Urval hänger ofta på specifika tillämpningsbehov, där förpackningar blir en anmärkningsvärd determinant.
LM393N fungerar som en dubbelspänning komparator.När (-) ingången är vid 2,5V förblir utgången låg om (+) ingången är under 2,5V men över 2 mV.Den förblir låg när (+) ingången är mer än 2 mV lägre än (-) ingången.Om (+) ingången överskrider (-) med mer än 2 mV går utgången hög.Denna mekanism används ofta i scenarier som kräver exakt spänningsjämförelse, vilket återspeglar den exakta karaktären av elektronisk design.
LM393N -marknaden har nyligen upprätthållit stabila priser, böjd av gott om lager och pågående transaktioner.Leverantörer tillhandahåller konsekventa citat som signalerar en robust marknadsnärvaro.Att förstå dessa trender hjälper till att skapa effektiva upphandlingsstrategier.
LM193, LM293 och LM2903 står som livskraftiga ersättare för LM393N.De fungerar som dubbelspänning komparator ICS och kan integreras utan anmärkningsvärda förändringar i systemdesignen.Dessa alternativ erbjuder designflexibilitet samtidigt som de upprätthåller prestandastandarder, vilket återspeglar en förståelse för de exakta kraven på komponentval.
på 2024/11/8
på 2024/11/8
på 8000/04/18 147757
på 2000/04/18 111934
på 1600/04/18 111349
på 0400/04/18 83719
på 1970/01/1 79508
på 1970/01/1 66898
på 1970/01/1 63010
på 1970/01/1 63007
på 1970/01/1 54081
på 1970/01/1 52118