
De LT1085 är en pålitlig, justerbar linjär spänningsregulator med låg bortfall designad för effektiv prestanda med en utgångsström kapacitet på 3A.Dess justerbara utgångsspänning sträcker sig över ett brett ingångsområde, från 2,55V upp till 30V, vilket möjliggör flexibilitet över olika applikationer.Med mångsidigheten av tre paketalternativ-till 220, DD och 3-ledande plast till 220-är LT1085 väl lämpad för olika installationsbehov.Denna regulators design kombinerar användarvänlig justerbarhet med hög prestanda, vilket gör det till ett populärt val för att leverera stabila spänningsutgångar i krävande miljöer.

| Pin No. | Stiftnamn | Beskrivning |
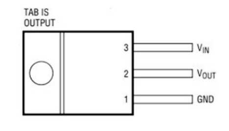
| 1 | Adj/gnd | Justerbar stift för justering av utgångsversionen.Mark för version av fast typ |
| 2 | PRODUKTION | Utgångsspänning |
| 3 | INPUT | Ingångsspänning |

Tekniska specifikationer, attribut, parametrar och jämförbara delar för Analog Devices, Inc. LT1085IT.
| Typ | Parameter |
| Förpackning / fodral | T |
| Antal stift | 3 |
| Förpackning | Bulk |
| Max driftstemperatur | 150 ° C |
| Min driftstemperatur | -40 ° C |
| Antal utgångar | 1 |
| Polaritet | Positiv |
| Driftsström | 5mA |
| Maktförsläpp | 30w |
| Aktuell utgång | 3A |
| Max utgångsspänning | 28,5V |
| Spänningsutgång | 28,5V |
| Antal tillsynsmyndigheter | 1 |
| Min ingångsspänning | 2.55V |
| Max ingångsspänning | 30V |
| Bortfallspänning | 1.3V |
| Minutspänning | 1.25V |
| Strömförsörjningsförhållanden (PSRR) | 75dB |
| Min nuvarande gräns | 3.2A |
| Strålning härdning | Inga |
| ROHS -status | ROHS -kompatibel |
| Blyfri | Innehåller bly |

LT1085-spänningsregulatorn har en enkel tre-terminal design, vilket möjliggör enkla anslutningar för ingång, utgång och justering.Denna installation säkerställer en stabil anslutning och gör installation och konfiguration snabb och användarvänlig.
Med justerbara versioner tillgängliga har du flexibiliteten att ställa ut utgångsspänningen till specifika behov.Genom att helt enkelt ändra motståndet som är anslutet till ADJ-stiftet kan du finjustera utgångsspänningen och anpassa den till ett antal applikationer och spänningskrav.
LT1085 -regulatorn erbjuder en imponerande utgångsström på 3A.Denna kapacitet gör den lämplig för applikationer som kräver en stadig strömförsörjning, vilket ger dina projekt den pålitliga prestanda de behöver utan att kompromissa med stabiliteten.
En av de framstående funktionerna i LT1085 är dess förmåga att arbeta med en bortfallspänning så låg som 1V.Detta möjliggör effektiv spänningsreglering, även när ingångsspänningen är nära utgångsspänningen, vilket gör den lämplig för applikationer där effekteffektivitet är en prioritering.
Denna regulator ger en garanterad bortfallspänning över olika nuvarande nivåer.Denna konsistens säkerställer att den ger tillförlitlig prestanda, oavsett de olika nuvarande kraven, vilket ger dig sinnesfrid i applikationer som upplever förändringar i belastning.
LT1085 erbjuder en linjereglering på 0,015%, vilket upprätthåller en stabil utgång trots förändringar i ingångsspänningen.Denna funktion hjälper till att skydda dina kretsar från fluktuationer och håller utgången konsekvent, vilket är värdefullt i känsliga applikationer.
Med en lastreglering på 0,1%hanterar denna regulator förändringar i utgångsbelastningen effektivt.Detta innebär att även med olika belastningar kan LT1085 upprätthålla stabil spänningsutgång, vilket stödjer dina kretsar pålitligt under olika driftsförhållanden.
Varje LT1085 genomgår ett komplett funktionstest för termisk gräns, vilket säkerställer att det kan hantera värmeavledningen effektivt.Denna uppmärksamhet på termiska gränser förbättrar regulatorns hållbarhet, vilket ger dig förtroende för dess långsiktiga tillförlitlighet och prestanda.
Finns i flera utgångsspänningsalternativ som 3.3V, 3.6V, 5V och 12V, LT1085 anpassar sig till olika effektbehov, vilket gör det lämpligt för ett brett utbud av applikationer.
• AZ1084
• LT1084
• NX1117
• AP2112K
• AMS1117
• MIC5225
• LT1086
LT1085 -spänningsregulatorn är enkel att ställa in och behöver bara några externa komponenter.Om du till exempel arbetar med en justerbar modell kan du finjustera den reglerade utgångsspänningen genom att ändra motståndsvärdet kopplat till ADJ-stiftet.Detta gör det anpassningsbart för många inställningar, vilket ger flexibilitet för att matcha specifika spänningskrav.Med en stiftlayout som liknar AZ1084 kan övergången till LT1085 vara sömlös för dem som är bekanta med liknande regulatorer.När LT1085 har ställts in tillhandahåller LT1085 stabil och effektiv spänningsreglering med minimal krångel, vilket gör det till en go-to för både nya och rutinerade användare som letar efter tillförlitlig prestanda.

| Artikelnummer | LT1085IT | LT1086CT-3.6#PBF | LT1086IT-5#PBF | LT1086IT#36PBF |
| Tillverkare | Analog Devices, Inc. | Linjär teknik / analoga enheter | Analog Devices, Inc. | Linjär teknik / analoga enheter |
| Förpackning / fodral | T | TO-220-3 | TO-220-3 bildade leads | T |
| Antal stift | 3 | 3 | 3 | 3 |
| Antal utgångar | 1 | 1 | - | 1 |
| Min ingångsspänning | 2,55 V | 2,55 V | 2,55 V | 2,55 V |
| Max ingångsspänning | 30 v | 25 v | - | 25 v |
| Minutspänning | 1,25 v | 1,25 v | - | 1,25 v |
| Max utgångsspänning | 28,5 v | - | 23,5 v | - |
| Bortfallspänning | 1,3 v | 1,3 v | 1,3 v | 1,3 v |
| Visa jämför | LT1085IT vs LT1086CT-3.6#PBF | LT1085IT vs LT1086IT-5#PBF | LT1085IT vs LT1086IT#36PBF |

Analoga enheter är en global ledare inom design, tillverkning och försäljning av högpresterande integrerade kretsar, specialiserad på analog, blandad signal och digital signalbehandling.Sedan grundandet 1965 har analoga enheter konsekvent fokuserat på signalbehandlingsutmaningar inom elektronisk utrustning.Genom att betjäna över 100 000 kunder över hela världen spelar Analog Devices-teknik en viktig roll för att fånga verkliga händelser-som temperatur, tryck, ljud, ljus, hastighet och rörelse-och omvandlar dem till elektriska signaler som driver en rad elektroniska enheter.
LT1085 är en positiv justerbar linjär spänningsregulator med låg bortfall som är utformad för att leverera en utgångsström på 3A med högre effektivitet än många liknande enheter.Den har ett ingångsspänningsområde från 2,55V till 30V och erbjuder justerbara utgångsspänningsalternativ.
Ja, både LT1117 och LT1085 är låg dropout, tre terminala regulatorer med funktioner som liknar de 78 serien tre terminala regulatorer, vilket ger stabil och effektiv spänningsreglering.
AZ1084 delar samma PIN -konfiguration som LT1085, vilket gör det till ett enkelt alternativ om PIN -kompatibilitet krävs.
LT1085 är enkelt att använda eftersom det bara kräver några externa komponenter, vilket gör installationen och konfigurationen enkel.
Skicka en förfrågan, vi svarar omedelbart.
på 2024/10/29
på 2024/10/29
på 8000/04/17 147713
på 2000/04/17 111722
på 1600/04/17 111322
på 0400/04/17 83606
på 1970/01/1 79257
på 1970/01/1 66775
på 1970/01/1 62946
på 1970/01/1 62820
på 1970/01/1 54028
på 1970/01/1 51987