
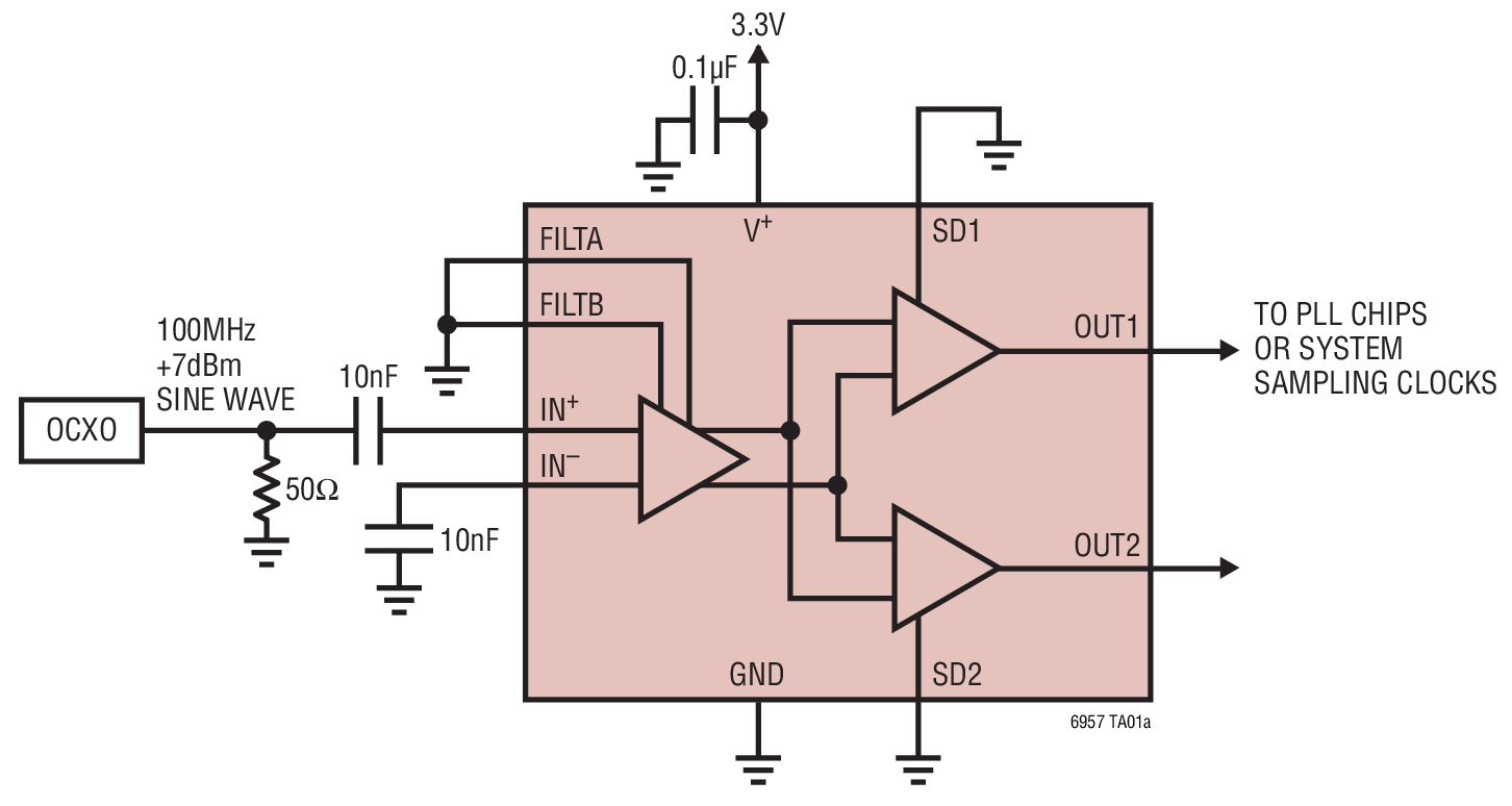
De LTC6957HMS-3#TRPBF, utvecklad av Linear Technology/Analog Devices, fungerar som en sofistikerad Fanout -klockbuffert.Driften sträcker sig effektivt upp till 300 MHz, och rymmer ingångstyper som CML, CMOS, LVD och LVPECL.Med en matningsspänning som tillgodoses mellan 3,15V och 3,45V, anpassar den sig bra till en mängd olika applikationer.Många uppskattar dess förmåga att hantera olika inmatningsformat.Denna anpassningsförmåga underlättar integrationen i olika system, vilket sparar behovet av omfattande omdesign och främjar sömlös kompatibilitet med befintliga tekniska miljöer.
Att arbeta upp till 300 MHz anpassar IC med högfrekventa applikationer.Detta gör det lämpligt för avancerade kommunikationssystem, där exakt tidpunkt och synkronisering ökar systemets tillförlitlighet och förbättrar prestanda vid praktisk användning.Med ett leveransområde på 3,15V till 3,45V upprätthåller IC -funktionaliteten över olika förhållanden, utlånar stabilitet och potentiellt förlänga enhetens livslängd.Denna flexibilitet kan ge applikationer att trivas i dynamiska inställningar.
Att integrera denna IC i ett system kräver insikt i dess elektriska egenskaper och interaktioner med befintliga komponenter.Att slå en balans mellan designbegränsningar och prestandamål behövs ofta, och att välja en klockbuffert som LTC6957HMS-3#TRPBF kan förenkla dessa utmaningar.LTC6957HMS-3#TRPBF förkroppsligar en harmoni av flexibilitet, frekvenskapacitet och spänningskompatibilitet.Dess tankeväckande designhänsyn tillgodoser olika användningsfall, vilket gör det till en värderad komponent i högpresterande elektroniska mönster.Genom att integrera denna IC kan operationerna strömlinjeformas, vilket möjligen sänker kostnaderna genom minskad systemkomplexitet.
LTC6957HMS -3#TRPBF är byggd för att motstå temperaturer från -40 ° C till 125 ° C, och tillmötesgående projekt som testar gränserna för temperaturhållighet.Dess motståndskraft säkerställer stadiga prestanda i både industriella och bilinställningar, resonerar med dem som navigerar i krävande miljöer där temperaturfluktuationer är en ständig utmaning.
Den här enheten erbjuder utgångar i en CMOS-installation, värderad för sina energibesparande fördelar och minimal störning.1: 2 -ingången till utgångsförhållandet, i kombination med differentiell ingång/utgång, ökar signalintegritet och brusmotstånd.Dessa aspekter används när högfrekventa applikationer kräver oklanderlig signalens tydlighet, drivna av behov för att förhindra systemstörningar.
LTC6957HMS-3#TRPBF är innesluten i ett 12-SSOP-paket ger en elegant lösning för mönster med begränsat utrymme, sömlöst integrering i mindre brädor utan att kompromissa med kapaciteten.Dess anslutning till ROHS3-standarder understryker ett engagemang för miljövänliga metoder, vilket speglar en växande branschförskjutning mot hållbarhet.
Arbetar med en 3,3V-tillförsel, enheten överensstämmer med samtida lågspänningsnormer, underlättar energieffektivitet och sömlös integration med nuvarande system.Detta spänningsval återspeglar moderna trender för att optimera kraftförbrukningen samtidigt som hög prestanda upprätthålls.
Att integrera LTC6957HMS-3#TRPBF i mönster kan ge betydande fördelar, särskilt när det gäller att prioritera effektivitet och pålitlighet under rigorösa förhållanden.Synergin mellan dess kompakta byggnad, banbrytande signalfunktioner och miljö mindfulness presenterar denna enhet som en flexibel tillgång i dagens elektroniska designlandskap.
LTC6957HMS-3#TRPBF spelar en roll i klockdistribution för kommunikationssystem, nätverksutrustning och industriella automatiseringsinställningar.Dessa scenarier kräver exakt tidpunkt för att underlätta effektiv dataöverföring och bearbetning.I praktiska miljöer kan det att uppnå högprecisionsklockfördelning förbättra systemets tillförlitlighet och totala prestanda.
Denna komponent används också i medicintekniska produkter, fordonselektronik och flyg- och försvarssystem.Inom det medicinska området hjälper exakta timingavbildning och diagnostiska verktyg, vilket resulterar i exakta mätningar och bättre patientresultat.Automotive Electronics drar nytta av pålitlig klockdistribution, som stöder avancerade system för moderna fordon, vilket påverkar både säkerhet och innovation.Flyg- och försvarssektorer beror på exakt tidpunkt för operationer där även mindre fel kan vara viktiga.
LTC6957HMS-3#TRPBF integreras med mikrokontroller, FPGA: er och ASIC: er som uppfyller höghastighetsklockfördelningsbehov.Dess inkludering i dessa system underlättar snabb databehandling och förbättrar synkroniseringen.Sömlös integration i komplexa system påverkar direkt systemeffektivitet och funktionalitet.

I höghastighetsdataförvärvssystem förbättrar referensdesignen effektivitet och noggrannhet, vilket säkerställer integriteten för data och minimerar latens.Dessa mönster har avancerade signalbehandlingsalgoritmer för större genomströmning och förbättrad upplösning.Genom att omfamna adaptiva filtreringstekniker minskar systemen effektivt brus, vilket höjer prestanda.
Att uppnå exakt klocksynkronisering i trådlösa kommunikationsnätverk förlitar sig på referensdesign.Denna synkronisering möjliggör smidig dataöverföring, förmildrande paketförlust och jitter.Att använda faslåsta slingor (PLL) och liknande synkroniseringsmetoder möjliggör stabil anslutning i även de mest krävande miljöerna.Implementeringar av urbana nätverk avslöjar att noggrant hantera tidsfördröjningsvariabler ökar överföringseffektiviteten.
I radarsystem stöder PLL -applikationer inom referenskonstruktioner korrekt frekvenssyntes och modulering.Dessa konstruktioner förbättrar måldetektering och spårning genom sammanhängande signalbehandling.Fältoperation Insikter betonar optimering av slingfilterparametrar för att uppnå snabba låstider och bevara systemstabilitet för snabba svar och applikationer med hög tillförlitlighet.
|
Typ |
Parameter |
|
Fabriksledning |
16 veckor |
|
Förpackning / fodral |
12-TSOP (0,118, 3,00 mm bredd) |
|
Frekvens (max) |
300MHz |
|
Förpackning |
Tape & Reel (TR) |
|
JESD-609 kod |
e3 |
|
Fuktkänslighetsnivå (MSL) |
1 (obegränsad) |
|
ECCN -kod |
Örat99 |
|
Terminal |
Matt tenn (Sn) |
|
Terminalposition |
DUBBEL |
|
Toppens reflowtemperatur (Celsius) |
260 |
|
Leveransspänning |
3.3V |
|
Temp@toppreflow temperatur-max (er) |
30 |
|
Produktion |
Cmos |
|
Antal kretsar |
1 |
|
Förhållande - ingång/utgång |
1:02 |
|
Längd |
4.039mm |
|
ROHS -status |
ROHS -kompatibel |
|
Monteringstyp |
Ytfäste |
|
Yta |
Ja |
|
Driftstemperatur |
-40 ° C -125 ° C |
|
Publicerad |
2013 |
|
Delstatus |
Aktiv |
|
Antal avslutningar |
12 |
|
Fanout -buffert (distribution) |
Ja |
|
Spänning - försörjning |
1.5V-3.45V |
|
Terminalform |
Gullvinge |
|
Antal funktioner |
1 |
|
Terminalhöjd |
0,65 mm |
|
Basdelnummer |
LTC6957 |
|
Räkning
|
12 |
|
Input |
CML, CMOS, LVDS, LVPECL |
|
Differential - ingång/utgång |
Ja/Nej |
|
Bredd |
3mm |
• LTC6957HMS-2#TRPBF: Klockbuffert med ett 1: 1-ingång-till-utgångsförhållande.
• LTC6957HMS-4#TRPBF: Klockbuffert med ett 1: 4-ingång-till-utgångsförhållande.
• LTC6957HMS-5#TRPBF: Klockbuffert designad med ett 1: 5-ingång-till-utgångsförhållande.
Den omfattande analysen av LTC6957HMS-3#TRPBF som tillhandahålls i den här artikeln erbjuder ett djupt dyk i sina kapaciteter, specifikationer och omfattande applikationer i olika hög demandindustrier.Från robust klockafördelning i kommunikationssystem till exakta tidskrav inom flyg- och försvar, exemplifierar denna klockbuffert flexibilitet och effektivitet.Utforskningen av dess referensdesign och alternativa delar belyser inte bara komponentens anpassningsförmåga till att utveckla tekniska behov utan säkerställer också att du har nödvändig information för att fatta välgrundade beslut när du integrerar denna IC i komplexa system.När tekniken fortskrider sticker LTC6957HMS-3#TRPBF ut som en kärnkomponent för att förbättra systemprestanda och tillförlitlighet, vilket visar dess värde i både nuvarande och framtida elektroniska designlandskap.
Mult Dev Mark CHG 4/FEB/2020.PDF
Den här enheten hanterar frekvenser upp till 300 MHz, vilket gör den mångsidig för applikationer som kommunikationssystem och signalbehandling.Hantering av höga frekvenser betyder en robust design, användning i exakta miljöer.I praktiken betyder detta konsekvent, tillförlitlig prestanda, särskilt under hög efterfrågan.
Ja, det stöder LVPECL -ingångar, bland andra signaltyper.Att stödja LVPECL gynnar höghastighetsdataöverföring, förbättring av brusmarginal och signalintegritet.Denna kompatibilitet är fördelaktig i komplexa system som hjälper till i felminskning.Sådana funktioner är praktiska för att minska driftstopp och säkerställa smidiga operationer i olika scenarier.
Enheten har en 3,3V-leverans och har låg effektförbrukning och tilltalande i energikänsliga sammanhang.Denna effektivitet sänker driftskostnaderna och minskar värmen, förlänger livslängden och tillförlitligheten.I scenarier där krafteffektivitet påverkar budgeten främjar denna egenskap hållbar praxis över tid.
Skicka en förfrågan, vi svarar omedelbart.
på 2024/10/28
på 2024/10/28
på 8000/04/18 147757
på 2000/04/18 111936
på 1600/04/18 111349
på 0400/04/18 83721
på 1970/01/1 79508
på 1970/01/1 66913
på 1970/01/1 63048
på 1970/01/1 63012
på 1970/01/1 54081
på 1970/01/1 52129