
Den EPM7128SQI100-10 är en programmerbar logikenhet utformad för att hantera anpassade digitala styr- och gränssnittsuppgifter inom elektroniska system.Den innehåller 128 logiska element som gör att flera logiska funktioner kan kombineras till en enda komponent, vilket hjälper till att förenkla kretslayouter och minska antalet delar.Enheten stöder snabb logisk respons som är lämplig för tidsstyrning, signaldirigering och beslutsbaserade operationer.Dess 100-stifts ytmonteringspaket möjliggör integration i kompakta kortdesigner samtidigt som den bibehåller stabil elektrisk prestanda.Vanliga användningsområden inkluderar limlogik, tillståndskontroll, adressavkodning och gränssnittsanpassning i industriella och inbyggda applikationer.Letar du efter EPM7128SQI100-10?Kontakta oss för att kontrollera aktuellt lager, ledtid och pris.

Stiftarrangemang visas för 84-stifts PLCC-paketet, med signalnamn och stiftnummer fördelade jämnt runt enhetens alla fyra sidor.User I O-stift upptar de flesta positioner och är varvas med dedikerade kraft-, jord- och kontrollstift för att stödja stabil drift.VCC- och GND-stift placeras med jämna mellanrum för att ge konsekvent kraftfördelning över paketet.Dedikerade stift för global klocka, utgångsaktivering och JTAG-funktioner är tydligt märkta för att skilja dem från allmänna I O. Diagrammet återspeglar en standardiserad layout som stöder förutsägbar signaldirigering, förenklad kortdesign och kompatibilitet över relaterade enheter i MAX 7000-serien.
EPM7128SQI100-10 stöder logisk programmering direkt när den är monterad på kretskortet.Detta tillåter logiska uppdateringar under utveckling eller efter distribution utan att ta bort enheten.Det hjälper till att minska stilleståndstiden och förenklar revisioner när systemets beteende behöver justeras.
Enheten tillhandahåller 128 makroceller som gör att flera logiska funktioner kan implementeras inom en enda komponent.Denna kapacitet stöder kontrolllogik, avkodningsuppgifter och gränssnittshantering samtidigt som behovet av ytterligare diskreta logiska enheter minskar.
Åtta interna logiska arrayblock organiserar logikresurserna på ett förutsägbart sätt.Denna struktur stöder stabil signaldirigering och konsekvent logikbeteende över olika driftsförhållanden.
Med cirka 2500 användbara logiska grindar kan enheten stödja tillståndsmaskiner, tidsstyrning och anpassade digitala funktioner.Denna integrationsnivå hjälper till att förenkla kortlayouter och sänker det totala antalet komponenter.
Enheten stöder upp till 84 användarkonfigurerbara in- och utgångsstift.Denna flexibilitet gör att den kan samverka med ett brett utbud av externa signaler, bussar och kringutrustning i inbyggda system.
En maximal utbredningsfördröjning på 10 ns gör att enheten kan reagera snabbt på ingångsändringar.Detta gör den lämplig för applikationer som kräver förutsägbar timing och responsiv digital kontroll.
Enheten är utformad för att fungera tillförlitligt över ett industriellt temperaturområde.Detta möjliggör stabil prestanda i miljöer där temperaturvariationer förväntas, såsom styrsystem och industriell elektronik.
| Produktattribut | Attributvärde |
| Tillverkare | Intel |
| Spänningsförsörjning - intern | 4,5V ~ 5,5V |
| Leverantörsenhetspaket | 100-PQFP (20x14) |
| Serie | MAX® 7000S |
| Programmerbar typ | I System Programmerbar |
| Paket/fodral | 100-BQFP |
| Paket | Bricka |
| Driftstemperatur | -40°C ~ 85°C (TA) |
| Antal makroceller | 128 |
| Antal logiska element/block | 8 |
| Antal I/O | 84 |
| Antal grindar | 2500 |
| Monteringstyp | Ytmontering |
| Fördröjningstid tpd(1) Max | 10 ns |
| Basproduktnummer | EPM7128 |

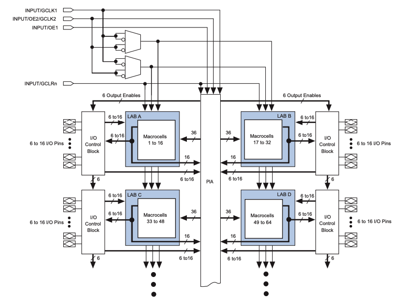
Intern arkitektur är arrangerad kring flera logiska arrayblock, som vart och ett innehåller en definierad grupp av makroceller som används för att implementera kombinations- och registrerade logiska funktioner.Dessa logikmatrisblock är sammankopplade genom en central programmerbar sammankopplingsmatris som möjliggör signaldirigering mellan block med förutsägbart timingbeteende.Dedikerade I O-kontrollblock omger logikmatrisblocken och hanterar ingångsbuffring, utgångsdrivning, tretillståndskontroll och återkopplingsvägar mellan externa stift och intern logik.Globala resurser, inklusive klockingångar, utgångsaktiveringssignaler och en global klarsignal, fördelas över enheten för att stödja synkron drift och koordinerad styrning av utgångar.Denna struktur återspeglar organisationen som används av EPM7128SQI100-10, som integrerar flera logiska arrayblock och makroceller för att stödja programmerbar logik med medeldensitet med deterministisk signaldirigering och centraliserade styrvägar.

Logik inom en enda makrocell är organiserad kring en produkttermvalsmatris som tar emot insignaler från den programmerbara sammankopplingsmatrisen och lokala logiska expanderare.Flera produkttermer kombineras för att bilda summan av produktlogik, som kan driva antingen en kombinationsutgång eller ett programmerbart register.Registret inkluderar klockaktiverings-, raderings-, förinställda och bypass-vägar, vilket möjliggör flexibelt val mellan registrerad och oregistrerad operation.Global klocka och globala klarsignaler dirigeras direkt in i makrocellen för att stödja synkron kontroll över enheten.Utdata skickas till I O-kontrollblocket eller matas tillbaka till sammankopplingsmatrisen, vilket möjliggör återanvändning av logiska resultat och effektiv signaldistribution inom EPM7128SQI100-10.

Testkonfigurationen definierar de elektriska förhållandena som används för AC-tidmätningar genom att specificera resistiva belastningar, kapacitiv belastning och signalvägar mellan enheten och testsystemet.Enhetens utgång är ansluten till VCC via ett pull-up-motstånd och till jord via ett definierat belastningsnätverk som modellerar utgångens drivbeteende under omkoppling.En kondensator representerar total belastningskapacitans, inklusive fixtureffekter, medan testsystemanslutningen övervakar signalövergångar.Ingångens stig- och falltider är begränsade till mindre än 3 ns för att säkerställa konsekventa mätförhållanden.Inställningen återspeglar hur matningstransienter och jordström kan påverka observerad AC-prestanda och etablerar standardiserade villkor för tidskarakterisering av EPM7128SQI100-10.
EPM7128SQI100-10 används ofta i industriella kontrollmiljöer för att hantera sekvensering, förreglingslogik och signalkoordinering.Den hjälper till att hantera ingångsförhållanden från sensorer och omkopplare samtidigt som den genererar stabila styrsignaler för ställdon och styrmoduler.Dess programmerbara struktur gör att kontrollbeteendet kan anpassas när systemkraven förändras.
I telekommunikationsutrustning stöder enheten kontrollvägar som hanterar timing, signaldirigering och gränssnittskoordinering.Det används ofta för att organisera styrsignaler mellan bearbetningsenheter och kommunikationsgränssnitt, vilket hjälper till att upprätthålla ett ordnat dataflöde inom växlings- och överföringshårdvara.
Enheten används som limlogik i nätverkshårdvara för att ansluta processorer, minnesenheter och kringutrustning.Den stöder adressavkodning, bussarbitrering och signaljustering, vilket gör att olika digitala block kan arbeta tillsammans i kompakta nätverkssystem.
Inom inbyggda system tillhandahåller EPM7128SQI100-10 gränssnittslogik mellan styrenheter och externa enheter.Det används för adressavkodning, styrsignalgenerering och grundläggande protokollhantering, vilket hjälper till att förenkla systemdesign och minska antalet diskreta logikkomponenter.
Enheten är väl lämpad för äldre datorplattformar och instrumenteringssystem som kräver stabil logikbyte.Den kan konsolidera äldre diskreta logiska funktioner till en enda programmerbar enhet samtidigt som kompatibiliteten med befintliga signalnivåer och timingbeteende bevaras.
EPM7128SQI100-10 används för att implementera protokollbryggning och tillståndsmaskiner som hanterar strukturerade digitala processer.Den stöder definierade tillståndsövergångar och kontrollsekvensering, vilket gör den lämplig för att koordinera kommunikations- och kontrolluppgifter över olika systemblock.
• Stöder i systemlogikuppdateringar utan att ta bort enheten från kortet
• Tillhandahåller 128 makroceller som är lämpliga för medelstor kontroll och gränssnittslogik
• Erbjuder förutsägbar timing med en maximal utbredningsfördröjning på 10 ns
• Fungerar över ett industriellt temperaturområde för stabil fältprestanda
• Inkluderar ett stort antal användarkonfigurerbara in- och utgångsstift för flexibelt gränssnitt
• Drivs med 5 V-matning vilket begränsar kompatibiliteten med lägre spänningssystem
• Logikkapaciteten är lägre jämfört med nyare programmerbara logiska enheter
• Strömförbrukningen är högre än moderna programmerbara lågeffektsalternativ
• Förpackningsstorleken kanske inte passar mycket kompakt eller utrymmesbegränsad design
| Artikelnummer | Tillverkare | Nyckelfunktioner | Använd fall/anteckningar |
| EPM7128SQI100-10N | Intel | 128 makroceller med programmerbarhet i systemet, 5 V internt matningsområde och snabb 10 ns maximal utbredningsfördröjning i ett ytmonterat paket. | Används i digital limlogik, kontrolllogik och gränssnittstillämpningar som kräver tillförlitlig timing och måttlig logikdensitet. |
| EPM7128SQI160-10 | Intel | Samma 128 makrocellsarkitektur med 10 ns hastighetsgrad, erbjuds i ett större paket med pin-count för utökad routingflexibilitet. | Väl lämpad för design som behöver extra I/O-åtkomst eller kompatibilitet med befintliga kortlayouter. |
| EPM7128SQI160-10N | Intel | 128 makroceller, in-system programmerbar CPLD med stabil 5 V drift och utökat temperaturstöd. | Lämplig för industriella och inbyggda system som kräver pålitlig logisk kontroll över bredare temperaturintervall. |
Intel är ett globalt teknikföretag känt för att utveckla ett brett utbud av digitala datorer och programmerbara logiska lösningar.Företaget har en lång historia av att utveckla halvledardesign för datorer, kommunikation och inbyggda system.Dess programmerbara logikportfölj stöder systemkontroll, signalhantering och gränssnittslogik över industri-, nätverks- och inbyggda applikationer.Intel fokuserar på att tillhandahålla skalbara logiska plattformar som balanserar prestanda, stabilitet och långsiktigt plattformsstöd.Dess produkter används i stor utsträckning i både etablerade systemarkitekturer och utvecklande digitala konstruktioner, vilket återspeglar en stark närvaro i det bredare elektroniska ekosystemet.
EPM7128SQI100-10 samlar logikstyrning, timing och gränssnittshantering i en enda programmerbar enhet.Du får en tydlig struktur med logiska arrayblock och makroceller som gör beteendet förutsägbart.Dess stiftlayout och I/O-flexibilitet hjälper till att förenkla kortets routing.Snabba svarstider stödjer stabil digital kontroll i många system.Enheten fungerar även bra när du behöver uppdatera logik utan hårdvaruförändringar.Sammantaget erbjuder det ett praktiskt sätt att hantera medelstor digital logik på ett ställe.
Skicka en förfrågan, vi svarar omedelbart.
Det är en CPLD som kan programmeras för att utföra anpassade digitala logiska funktioner som kontroll, avkodning och signaldirigering.
Enheten innehåller 128 makroceller, vilket gör att flera logiska funktioner kan kombineras i ett chip.
Ja, den stöder programmering i systemet, så att du kan uppdatera logiken medan enheten är monterad på kortet.
Den kommer i ett 100-stifts ytmonteringspaket som passar bra in i kompakta PCB-designer.
Det används ofta för styrlogik, limlogik, tillståndsmaskiner och gränssnittshantering i inbyggda och industriella system.
på 2026/01/6
på 2026/01/6
på 8000/04/18 147779
på 2000/04/18 112039
på 1600/04/18 111352
på 0400/04/18 83797
på 1970/01/1 79604
på 1970/01/1 66981
på 1970/01/1 63113
på 1970/01/1 63048
på 1970/01/1 54097
på 1970/01/1 52198