



DePCA9615 Tjänar som en integrerad buffert för SMBUS/I2C-BUS-kommunikation, vilket avsevärt förbättrar dataöverföring inom elektriskt bullriga miljöer.Genom att använda ett differentiellt fysiskt skikt (DI2C) som upprätthåller transparens till protokollskiktet, minskar det skickligt datakorruption.Denna kapacitet säkerställer tillförlitlig kommunikation mellan olika applikationer, inklusive industriell automatisering, bilsystem och komplexa sammankopplade enheter.
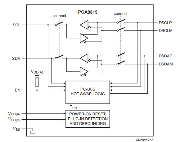
PCA9615 är utrustad med två enskilda differentiella drivarkanaler skräddarsydda för SCL-linjen.Utöka intervallet och hastigheten för SMBUS/I2C -signaler.Bevarar signalintegritet.Genom att konvertera enskilda signaler till differentiella signaler minskar PCA9615 effektivt elektromagnetisk interferens (EMI) och övergång, som är utbredda i miljöer med höga brus.
Differential signalering i PCA9615 erbjuder en mängd fördelar och ger överlägset brusavstötning jämfört med enskilda signaler.Huvudsakligen gynnsam i industriella och fordonsinställningar där elektriskt brus hotar dataintegritet.Stöder längre kabellängder och högre datahastigheter.Aktiverar mer flexibla systemkonstruktioner.I faktiska applikationer integreras PCA9615 sömlöst i system som kräver robust kommunikation över utökade avstånd.Differential signalering säkerställer tillförlitlig sensordataöverföring mellan komponenter såsom motorstyrenheten och olika sensorer spridda i hela fordonet.PCA9615 upprätthåller tydlig kommunikation mellan flera styrenheter och fältenheter belägna över ett stort tillverkningsgolv.

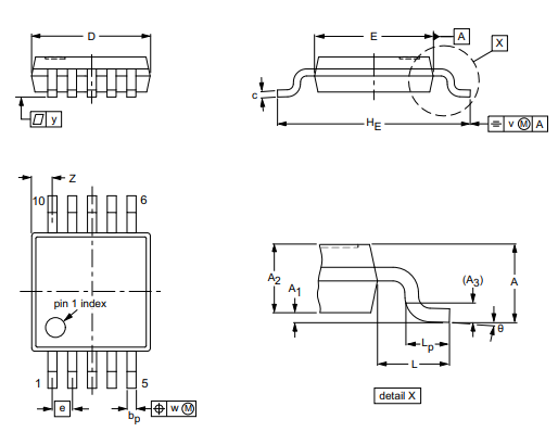
Här är tabellformatet med tekniska specifikationer, attribut och parametrar för NXP USA Inc. PCA9615DPJ tillsammans med delar med liknande specifikationer.
|
Typ |
Parameter |
|
Fabrik
Ledtid |
7
Veckor |
|
Montering
Typ |
Yta
Montera |
|
Paket
/ Fall |
10-tfsop,
10-msop (0,118, 3,00 mm bredd) |
|
Yta
Montera |
Ja |
|
Drifts-
Temperatur |
-40 ° C
~ 85 ° C |
|
Förpackning |
Tejpa
& Rulle (TR) |
|
Publicerad |
2010 |
|
Del
Status |
Aktiv |
|
Fukt
Känslighetsnivå (MSL) |
1
(Obegränsat) |
|
Antal
av uppsägningar |
10 |
|
Typ |
Buffert,
Omstörsa |
|
Ansökningar |
I2c |
|
Spänning
- leverans |
2.3V
~ 5.5V |
|
Terminal
Placera |
Dubbel |
|
Terminal
Form |
Mås
Vinge |
|
Topp
REFLOW TEMPERATION (CEL) |
Inte
Specificerad |
|
Antal
av funktioner |
1 |
|
Förse
Spänning |
3.3V |
|
Terminal
Tonhöjd |
0,5 mm |
|
Time@Peak
Reflow temperatur-max (er) |
Inte
Specificerad |
|
Bas
Artikelnummer |
PCA9615 |
|
Produktion |
Tvåtråd
Buss |
|
Stift
Räkna |
10 |
|
Jesd-30
Koda |
S-PDSO-G10 |
|
Antal
av kanaler |
2 |
|
Nuvarande
- leverans |
16μA |
|
Input |
Tvåtråd
Buss |
|
Data
Hastighet (max) |
400 kHz |
|
Förse
Spänning1-nom |
5V |
|
Kapacitans
- ingång |
7pf |
|
Längd |
3mm |
|
Höjd
Sittande (max) |
1,1 mm |
|
Bredd |
3mm |
|
Rohs
Status |
ROHS3
Kompatibel |
PCA9615: s design inkluderar en robust hot-swap-kapacitet, som gör att moduler kan anslutas och kopplas bort utan att orsaka dataflödesavbrott.Denna funktion är särskilt fördelaktig i komplexa system där drifttid och tillförlitlighet är dominerande, till exempel i telekommunikation och datacentra.Genom att aktivera sömlös modulersättning och expansion säkerställer den heta swap-funktionen konsekvent systemprestanda och minimal driftstopp, som serverar det ständigt närvarande behovet av stabilitet och effektivitet i sådana krävande miljöer.
• EN -signalingång: EN (Enable) signalinmatning spelar en avgörande roll för att hantera hot-swap-proceduren.När en ny modul är ansluten säkerställer EN -signalen förfarandet utförs på ett ordnat sätt.Denna mekanism förhindrar kommunikationsfel som kan uppstå om moduler tillsattes eller tas bort godtyckligt.I många praktiska tillämpningar upprätthåller exakt signalhantering dataintegritet, vilket är särskilt värdefullt i miljöer där dataförlust är oacceptabelt och insatserna är höga.
Den interna bussens ledmekanism förbättrar ytterligare den hot-swap-funktionaliteten genom att säkerställa att anslutningar görs endast när bussen är inaktiv.Denna funktion hjälper till att undvika potentiella datakollisioner och korruption, vilket skyddar noggrannheten i den överförda informationen.Bussledningsdetektering fungerar transparent och arbetar bakom kulisserna för att ge en stabil kommunikationsmiljö även under dynamiska förhållanden.
• Systemskydd: Samspelet mellan dessa komponenter inom PCA9615 visar hur modern teknik integrerar flera lager av skyddsåtgärder för att säkerställa både operativ effektivitet och datasäkerhet.Den harmoniska samordningen mellan EN-signalinmatningen och detekteringen av bussens tomgång utgör grunden för tillförlitliga varmbyte i farliga system.Dessa element bidrar kollektivt till ett motståndskraftigt och pålitligt system och tillgodoser de exakta behoven i miljöer med höga insatser med precision och vård.
PCA9615 presenterar mångsidiga lösningar på en mängd tekniska hinder och hanterar skillnaderna i specifika applikationer.Dessa inkluderar övervakning av fjärrsensorer i bullriga miljöer, hantering av kraftförsörjning som är benägna till hög störning, koppling av I2C -bussar över olika utrustningstyper och kontrollerar komplexa industrisystem som belysning, uppvärmning och kylning.
I miljöer med brus kan sensordata pålitlighet försämras.PCA9615 stöder stadig kommunikation mellan fjärrsensorer och dominerande bearbetningsenheter.Användningsfall som industriell automatisering och miljöövervakningsstationer illustrerar dess fördelar intensivt.Att upprätthålla dataintegritet blir mindre av ett spel, liknande metoder i telekommunikationsinfrastrukturer där signal trohet över långa avstånd används.Du kan utnyttja differentiella signaleringstekniker, liknande PCA9615, för att effektivt lindra brusrelaterade problem.
En utmanande dominans är att hantera kraftförsörjning under höga inblandningsförhållanden.PCA9615 vårdar signalintegritet trots elektromagnetiskt brus, ett ofta dilemma i kraftförsörjningen med variabla belastningar.Faktiska applikationer kopplar ofta PCA9615 med skärmning och jordningstaktik, vilket ytterligare minskar störningar.Detta påminner om flyg- och rymdproduktionspraxis, där system är utformade för att utföra pålitligt bland anmärkningsvärt elektroniskt brus.
Komplex systemintegration kräver ofta anslutning av I2C -bussar mellan varierad utrustning.PCA9615 jämnar ut denna anslutning genom att utvidga kommunikationsområdet och säkerställa immunitet till markpotentialskillnader.Till exempel, i fordonskontexter, överbryggar kommunikationen över flera elektroniska kontrollenheter (ECU) med PCA9615 oroar relaterade till markförskjutningar och signalintegritet.Denna aspekt visar dess praktiska när det gäller att harmonisera olika elektroniska komponenter.
Inom industriella miljöer innebär kontrollsystem, såsom belysning, uppvärmning och kylning, exakthet och pålitlighet.PCA9615: s förmåga att upprätthålla stabil kommunikation under olika förhållanden ökar dess lockelse.Smart bygghantering återspeglar vikten av konsekvent, tillförlitlig dataöverföring för att säkerställa energieffektivitet och operativ effektivitet.Här illustrerar PCA9615 sin roll i att orkestrera sömlös kontroll.
Långdistans I2C-kommunikation och system med flera strömförsörjningar introducerar unika utmaningar, främst på grund av anmärkningsvärda markförskjutningar.PCA9615 räknar med dessa problem genom att använda differentiell signalering, skydda dataintegritet över utökade avstånd.Denna strategi är jämförbar med praxis inom datacenterhantering, där att bevara signalkvaliteten över långa kabelsträckor är användbar för nätverks tillförlitlighet.Tekniken förstärker anslutningen och säkerställer robust kommunikation i krävande miljöer.



NXP Semiconductors N.V., en framträdande kraft i Secure Connectivity Solutions anpassade för inbäddade applikationer, har konsekvent drivit innovation i olika sektorer inklusive fordons-, industri-, mobil- och kommunikationsinfrastrukturmarknader.Deras odödliga ambition är att skapa smartare, säkrare och bättre anslutna lösningar.
NXP: s framsteg inom fordonssektorn sticker ut betydligt.Deras sofistikerade mikrokontroller och processorer har ökat fordonssäkerhet, förbättrade infotainmentsystem och avancerade autonoma körfunktioner.Integration av dessa tekniker på hög nivå berikar körupplevelsen samtidigt som man säkerställer fordons säkerhet och effektivitet.Ledande biltillverkare som integrerar sina lösningar belyser drivkraften för att möta moderna transportkrav.
I de industriella och IoT -dominanserna har NXP: s lösningar inlett stora förändringar i fabriksautomation, smart mätning och sensornätverk.Deras produkter syftar till att optimera prestanda och tillförlitlighet, dynamik i industriella miljöer med hög stress.Den kontinuerliga förfining och implementering av deras IoT -lösningar främjar sammankopplade ekosystem som främjar smidig datautbyte, effektiv resurshantering och överlägsen operativ kontroll.
NXP: s närvaro på mobilmarknaden förbättrar avsevärt integritet, säkerställer betalningsmekanismer och underlättar kontaktlösa interaktioner.De utnyttjar nära fältkommunikation (NFC) -teknologi och revolutionerar interaktioner mellan konsumentenheter och levererar snabbare och säkrare transaktioner.Pågående innovationer inom denna sfär fokuserar på att stärka datasäkerheten samtidigt som användarens bekvämlighet ökar mitt i ett växande digitalt landskap.
Inom kommunikationsinfrastruktur krävs NXP: s högpresterande RF-lösningar och processorer för att främja nätverksfunktioner.Dessa bidrag möjliggör utveckling av effektivare och pålitliga kommunikationssystem, huvudsakligen för global anslutningsutvidgning.Genom att förbättra nätverkseffektivitet och skalbarhet understödjer NXP den infrastruktur som krävs för att främja moderna kommunikationstekniker som 5G.
PCA9615 tjänar till att inaktivera bussbufferten, vilket visar sig vara instrumentellt i felfynd, power-up-sekvensering och segmentisolering i stora bussystem.Genom att hjälpa till att hitta felsökning och segmentisolering förbättrar det rekonfiguration och gör det möjligt för specifika sektioner att vara inaktiva när det inte ständigt krävs.I inställningar där driftseffektiviteten har företräde underlättar PCA9615 den strategiska hanteringen av systemresurser.Tillfälligt inaktivera oanvända bussegment optimerar det övergripande systemets prestanda.I komplexa industriella miljöer där kontinuerlig drift och minimal driftstopp krävs, blir PCA9615 roll nödvändig för storskaliga tillverkningsanläggningar, isolering av bussegment för underhåll utan att stoppa hela systemet ökar produktiviteten och minskar riskerna.Dynamisk rekonfiguration av busssegment skapar en mer anpassningsbar och elastisk infrastruktur.När det gäller power-up-sekvensering säkerställer PCA9615 kontrollerad aktivering av olika bussystemdelar.Detta tillvägagångssätt främjar stabilitet och förhindrar potentiell överbelastning av start i högdensitetsdatamiljöer, såsom datacenter, det säkerställer synkroniserad komponentaktivering, undviker flaskhalsar och säkerställer smidig initialisering.
Skicka en förfrågan, vi svarar omedelbart.
på 2024/10/14
på 2024/10/14
på 8000/04/18 147757
på 2000/04/18 111931
på 1600/04/18 111349
på 0400/04/18 83719
på 1970/01/1 79508
på 1970/01/1 66883
på 1970/01/1 63010
på 1970/01/1 62977
på 1970/01/1 54081
på 1970/01/1 52108