
Figur 1. RC Coupled Amplifier Trainer Module
En RC-kopplad förstärkare är en typ av förstärkare där flera förstärkningssteg är anslutna med hjälp av resistor-kondensatornätverk.Varje steg ökar signalnivån, medan RC-nätverket överför signalen från ett steg till nästa utan att störa deras driftsförhållanden.Denna konfiguration används vanligtvis när en svag insignal måste förstärkas gradvis för att nå en användbar nivå.
Den primära rollen för RC-koppling är att tillåta växelströmsdelen (AC) av en signal att passera mellan stegen samtidigt som den blockerar likström (DC).Kopplingskondensatorn tillhandahåller en väg för AC-signalen men förhindrar att DC-spänningen flödar in i nästa steg, vilket gör att varje steg kan bibehålla en stabil förspänning oberoende av varandra.
Genom att isolera DC-nivåer hjälper RC-kopplingen till att förhindra förändringar i driftspunkter som kan leda till distorsion eller instabilt beteende.Varje steg förblir korrekt partiskt, vilket stöder konsekvent spänningsförstärkning med enkla, ekonomiska komponenter.
En RC-kopplad förstärkarkrets är typiskt anordnad med användning av två eller flera förstärkarsteg kopplade i serie, där varje steg arbetar i en gemensam-sändarkonfiguration.Varje steg förstärker signalen det tar emot, medan kopplingskondensatorer bildar resistor-kondensatorlänkarna som överför signalen mellan stegen utan att påverka deras driftsförhållanden.

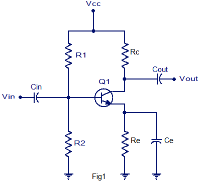
Figur 2. Enstegs RC-kopplad förstärkarkrets
I en enstegs RC-kopplad förstärkare tillförs insignalen till transistorns bas genom en ingångskondensator, såsom visas i kretsen.Denna kondensator låter den växlande signalen komma in i förstärkaren samtidigt som den blockerar likström, vilket hjälper till att hålla transistorns arbetspunkt stabil.Förspänningsmotstånden ställer in den erforderliga basspänningen, vilket säkerställer korrekt drift av transistorn under förstärkning.
När signalen väl når transistorn förstärks den och visas vid kollektorn.Den förstärkta utsignalen tas sedan genom en utgångskondensator, som skickar signalen till nästa krets eller last utan att låta likström flyta utåt.Även om endast ett förstärkningssteg finns, visar detta arrangemang tydligt hur RC-koppling fungerar och används ofta i applikationer där blygsam signalförstärkning är tillräcklig.

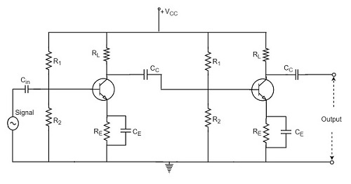
Figur 3. Tvåstegs RC-kopplad förstärkarkrets
I en tvåstegs RC-kopplad förstärkare överförs signalen som förstärks av det första steget till det andra steget genom en kopplingskondensator placerad mellan kollektorn på den första transistorn och basen på den andra transistorn, såsom visas i kretsen.Denna kondensator tillåter endast den alternerande delen av signalen att passera framåt samtidigt som den blockerar likström, så att driftsförhållandena för varje steg förblir oberoende.
Det andra steget använder samma gemensamma emitterarrangemang som det första steget och förstärker ytterligare den inkommande signalen.Förspänningsmotstånd i varje steg fastställer den korrekta arbetspunkten för transistorerna, medan emittermotstånd och bypass-kondensatorer stödjer stabil drift och effektiv förstärkning.Den slutliga utsignalen tas från kollektorn på det andra steget genom en utgångskondensator, som levererar den förstärkta signalen utan att passera likström.
Detta tvåstegsarrangemang ökar den totala spänningsförstärkningen jämfört med en enstegskrets.Ytterligare steg kan anslutas på samma sätt när större förstärkning krävs, medan motstånds- och kondensatornätverket fortsätter att styra signalen smidigt från ingång till utgång och bibehåller en stabil prestanda över alla steg.

Figur 4. Signalflöde i RC-kopplade förstärkarsteg
En RC-kopplad förstärkare består av flera förstärkarsteg arrangerade i en liknande struktur, där varje steg bidrar till att öka signalnivån.Signalen tillförs det första steget, förstärks, överförs genom kopplingsnätverket och förstärks sedan ytterligare av nästa steg.Detta arrangemang gör att signalen går smidigt genom kretsen samtidigt som det bibehåller konsekvent beteende över stegen.
Kopplingskondensatorn är placerad mellan kollektorn för ett steg och basen för nästa steg, och bildar den elektriska länken mellan dem.Den tillåter den alternerande delen av den förstärkta signalen att passera framåt samtidigt som den blockerar likström.Genom att förhindra likström från att flyta mellan stegen säkerställer kopplingskondensatorn att driftförhållandena för ett steg inte stör villkoren för nästa.
Förspänningsmotstånd är anslutna till basen av varje transistor och ger en stabil basspänning som krävs för korrekt drift.Dessa motstånd håller varje transistor inom sitt avsedda driftsområde, vilket stöder konsekvent och kontrollerad förstärkning.De liknande motståndsarrangemangen över stegen hjälper till att upprätthålla enhetlig prestanda i hela kretsen.
Vid emittern för varje transistor arbetar emittermotståndet och bypasskondensatorn tillsammans.Emittermotståndet förbättrar stabiliteten genom att minska känsligheten för temperaturförändringar och variationer i transistorbeteende.Bypass-kondensatorn, parallellkopplad, ger en väg med låg resistans för växelsignalen, vilket gör att steget kan uppnå högre spänningsförstärkning samtidigt som stabila likströmsförhållanden bevaras.

Figur 5. Frekvens och fasrespons för RC-kopplad förstärkare
I en RC-kopplad förstärkare passerar signalen genom kretsen ett steg i taget, där varje steg ökar signalnivån innan den skickas vidare.Insignalen tillförs basen av den första transistorn, där förstärkning sker och den förstärkta signalen uppträder vid kollektorn.Från kollektorn överförs signalen genom en kopplingskondensator till nästa steg.Denna metod gör att signalen går smidigt genom successiva steg samtidigt som driftsförhållandena för varje steg bibehålls elektriskt oberoende, vilket stöder stabil och förutsägbar drift.
Varje förstärkningssteg i en RC-kopplad förstärkare använder typiskt en gemensam-emitter-konfiguration.I detta arrangemang inverteras utsignalen från kollektorn i förhållande till ingången som appliceras vid basen.Denna inversion introducerar en fasförskjutning på 180 grader i varje steg.När signalen rör sig genom flera steg, lägger varje steg till ytterligare en fasvändning.När det totala antalet steg är jämnt avbryts fasomkastningarna och den slutliga utgången förblir i fas med ingången.När antalet steg är udda återstår en fasomkastning, vilket gör att utgången förskjuts med 180 grader.
Frekvenssvaret beskriver hur förstärkarens spänningsförstärkning varierar med signalens frekvens.Vid låga frekvenser reduceras förstärkningen eftersom kondensatorerna i kretsen begränsar långsamma signalvariationer, vilket försvagar signalöverföringen mellan stegen.När frekvensen ökar till mellanfrekvensområdet når förstärkaren stabila driftsförhållanden och ger nästan konstant förstärkning.Denna region representerar det normala arbetsområdet för den RC-kopplade förstärkaren.Vid högre frekvenser minskar förstärkningen igen när belastningseffekter mellan steg och intern kapacitans blir mer märkbara, vilket begränsar förstärkarens förmåga att reagera på snabba signalförändringar.
Spänningsförstärkningen hos en RC-kopplad förstärkare uppnås genom att kaskadkoppla flera förstärkningssteg, där varje steg bidrar till den totala förstärkningen.Under idealiska förhållanden är den totala spänningsförstärkningen lika med produkten av förstärkningarna för de enskilda stegen.I praktiska kretsar är dock den faktiska förstärkningen något lägre på grund av belastningseffekter, där varje steg drar ström från föregående steg.Denna interaktion minskar effektiv förstärkning och sätter praktiska gränser för hur mycket spänningsförstärkning som kan uppnås med RC-koppling.
| Fördelar | Begränsningar |
| Enkel kretsdesign | Dålig lågfrekvent respons |
| Lågkostnadskomponenter | Förstärkningsfall vid mycket höga frekvenser |
| Kompakt och lätt | Begränsad effektvinst |
| Bra spänningsförstärkning | Ej lämplig för effektförstärkning |
| Stabil drift för små signaler | Impedansmatchningen är dålig |
| Bred mellanfrekvensbandbredd | Känslig för buller och komponenters åldrande |
| Lätt att designa och montera | Kondensatorvärden påverkar prestandan |
| Lämplig för ljud- och signalsteg | Prestanda påverkas av temperaturvariationer |
| Ingen transformator krävs | Utgångsimpedans relativt hög |

Figur 6. Installation av RC Coupled Amplifier Applications
RC-kopplade förstärkare används ofta i elektroniska system där små signaler måste förstärkas tydligt och tillförlitligt.En av deras vanligaste applikationer är ljudförförstärkare, där svaga ljudsignaler från mikrofoner, sensorer eller ljudkällor förstärks innan de skickas till senare stadier.I dessa system ger RC-koppling stabil spänningsförstärkning och bevarar signalkvaliteten över ljudfrekvensområdet.
I kommunikationskretsar används RC-kopplade förstärkare för att förstärka lågnivåsignaler före bearbetning eller sändning.De är väl lämpade för denna roll eftersom de erbjuder konsekvent förstärkning över ett brett mellanfrekvensområde och enkelt kan integreras i flerstegsdesigner utan komplexa komponenter.Detta gör dem praktiska för användning i trådbunden kommunikationsutrustning och signalkonditioneringskretsar.
RC-kopplade förstärkare är också vanligt förekommande i radio- och tv-mottagare, där de fungerar som förstärkningssteg för små signaler.I dessa mottagare kräver svaga signaler som tas upp av antenner initial förstärkning innan detektering och vidare bearbetning.RC-koppling gör att flera förstärkningssteg kan anslutas samtidigt som stabil drift bibehålls och interferens mellan stegen minimeras.
Sammantaget är RC-kopplade förstärkare lämpliga för dessa applikationer eftersom de är enkla, kostnadseffektiva och ger tillförlitlig spänningsförstärkning för små signaler.Deras förmåga att upprätthålla stabil förspänning mellan stegen samtidigt som de hanterar ett brett spektrum av frekvenser gör dem till ett praktiskt val i många vanliga elektroniska system.
RC-kopplade förstärkare erbjuder ett praktiskt sätt att förstärka små signaler med enkla och prisvärda komponenter.Genom att förstå hur kretsen är uppbyggd, hur signaler flödar genom varje steg, och hur frekvens och förstärkning beter sig, kan du bättre bedöma var denna typ av förstärkare passar dina behov.Deras stabila funktion och breda mellanfrekvensprestanda gör dem användbara i många vanliga elektroniska system där tydlig spänningsförstärkning är viktig.
Skicka en förfrågan, vi svarar omedelbart.
En RC-kopplad förstärkare används för att öka svaga signaler medan hålla varje förstärkningssteg elektriskt oberoende och stabilt.
Kondensatorer tillåter alternerande signaler att passera mellan stegen medan blockerar likström, vilket hjälper till att upprätthålla korrekt drift villkor.
Vid låga frekvenser motverkar kondensatorer långsamma signalförändringar, vilket minskar effektiv signalöverföring och minskar förstärkningen.
De är främst lämpade för spänningsförstärkning av små signaler och är inte idealiska för att leverera hög effekt till belastningar.
Du hittar dem ofta i ljudförförstärkare, kommunikation kretsar och småsignalsteg för radio- och tv-mottagare.
på 2025/12/22
på 2025/12/22
på 8000/04/18 147757
på 2000/04/18 111934
på 1600/04/18 111349
på 0400/04/18 83719
på 1970/01/1 79508
på 1970/01/1 66898
på 1970/01/1 63010
på 1970/01/1 63006
på 1970/01/1 54081
på 1970/01/1 52118