
De TB6600 Stepper Motor Driver-modul är en enhet som kännetecknas av dess motståndskraft och anpassningsförmåga för att kontrollera 2-fas stegmotorer.Den ansluter sömlöst till ett brett utbud av mikrokontroller, mestadels Arduino, vilket främjar skapandet av exakta 5V digitala pulsutgångar.Dessa utgångar är dynamiska för att upprätthålla den känsliga balansen mellan motorisk kontroll.Det är ett mångsidigt val för olika motordrivna projekt att fungera inom ett spänningsområde på 9-42V DC och stödja en toppström på 4 ampere.Denna anpassningsförmåga gör att du effektivt kan hantera motorisk positionering och hastighet, vilket är mycket fördelaktigt i applikationer som syftar till att minimera kodningskomplexiteten.Modulens högfrekventa optokopplare-isolering förbättrar dess tillförlitlighet avsevärt genom att minska störningsrisker och säkerställa en stadig drift.
Harmonin med många mikrokontroller gör TB6600 -föraren till ett passande val för projekt som kräver intrikat motorstyrning.Den integreras smidigt med plattformar som Arduino, vilket återspeglar dess förmåga att möta olika förväntningar.Att använda denna drivrutin i CNC -maskiner eller 3D -skrivare möjliggör till exempel exakt och kontrollerad rörelse, vilket illustrerar dess användbarhet inom olika områden.
Denna modul sticker ut tack vare sitt stöd för både 2-fas och 4-fas stammotorer samt hybridkonfigurationer.Den bipolära H-Bridge-designen är integrerad i att effektivt hantera spänning och ström, vilket säkerställer att föraren levererar toppprestanda över sina applikationer.I miljöer där precision och tillförlitlighet prioriteras, såsom automatiserade produktionslinjer och robotik, är dessa funktioner mycket värderade.
|
Särdrag |
Beskrivning |
|
Drivartyp |
Bipolär H-bron DC-förare |
|
Utgångsströmalternativ |
8 typer (0,5A till 3,5A), valbara upp till 4 ampere |
|
Underavdelningslägen |
Dela upp till 32, valbara i 6 lägen |
|
Mikrostegalternativ |
8 slag (1, 2/a, 2/b, 4, 8, 16, 32) |
|
Insignalisolering |
Höghastighetsfotoelektrisk separering |
|
Gränssnitt |
Full Standard Single Pulse -gränssnitt |
|
Offline hållfunktion |
Ja |
|
Miljöanvändning |
Halvskruvad kropp för hårda miljöer |
|
Kraftlåsfunktion |
Halvautomatisk, energibesparande |
|
Specifikation |
Information |
|
Driftspänning |
9-40V DC |
|
Framström |
0,7A-4.0A (valbar i 8 steg via DIP-switchar) |
|
Ingångspulsfrekvens |
Upp till 20 kHz |
|
Insignalnivåer |
5V signalnivåer |
|
Puls per revolution |
200-6400 |
|
Logisk signalström |
8A-15A |
|
Motorkompatibilitet |
Lämplig för 2-fas och 4-fas stegmotorer |
|
Skyddsfunktioner |
Överströms, överhettad skydd |
|
Inmatningsisolering |
Optiskt isolerad |
|
Isoleringsmotstånd |
500 megohms |
|
Stödt läge |
Pul/gran -läge |
|
Kosta |
Låg kostnad |
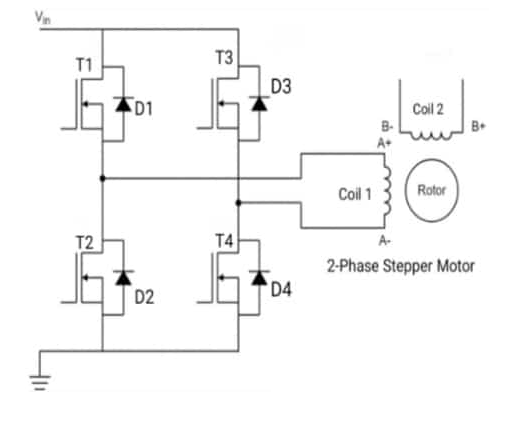
TB6600 Stepper Motor Driver-modulen är en allvarlig komponent utformad för att styra både 2-fas och 4-fas stegmotorer, med en Bi-polär H-bridkonfiguration för effektiv drift.Denna konfiguration använder MOSFET -transistorer för att säkerställa hög prestanda när det gäller aktuell hantering och termisk stabilitet.Modulen fungerar genom att interagera med två primära styrstift: Stegstiftet, som utlöser motor som går med varje puls, och riktningsstiftet, som bestämmer motorns rotationsriktning baserat på den applicerad spänning.Tillsammans möjliggör dessa ingångar exakt kontroll över motorns stegsekvens och rotationsriktning.

Kretsdiagrammet belyser fyra viktiga transistorer, T1, T2, T3 och T4, arrangerade i en H-brostruktur.Dessa MOSFET: er är ryggraden i modulens operation, vilket möjliggör det dubbelriktade strömflödet som behövs för att driva stegmotorn.Dessutom inkluderar diagrammet flyback -dioder (D1, D2, D3 och D4), som är nyckeln för att skydda kretsen från spänningsspikar orsakade av den induktiva belastningen på motorn.Dessa dioder förhindrar överström och skador på känsliga komponenter under drift.A+, A-, B+och B-terminalerna används för att ansluta motorn, vilket säkerställer korrekt och kontrollerad rörelse av motoraxeln.
TB6600-föraren fungerar genom den samordnade verkan av MOSFET-transistorerna i H-bron.Till exempel:
• Medsols rotation inträffar när transistorer T1 och T4 aktiveras, vilket leder strömflödet från A+ till A-.
• Rotation moturs sker när T2 och T3 är engagerade och vänder strömflödet från A- till A+.
Denna växlande aktivering av transistorer säkerställer smidig dubbelriktad rörelse.För att uppnå optimal vridmoment och effektiv drift är exakt tidpunkt och spänningsreglering väsentliga.
TB6600 stöder fyra distinkta driftslägen, var och en utformad för att balansera vridmoment, precision och stegstorlek, beroende på applikationskraven:
• Vågläge: I det här läget är bara en spole aktiverad åt gången.Aktivering av en enda spole roterar motorn med 90 grader i en riktning medan den strömmen roterar den i motsatt riktning.Genom att växla mellan spolar uppnår motoren kontinuerlig drift.Detta läge är enkelt men ger mindre vridmoment jämfört med andra lägen.
• Fullstegsläge: Båda spolarna aktiveras samtidigt i detta läge och genererar ett starkare magnetfält.Detta resulterar i ökat vridmoment, vilket gör det idealiskt för applikationer som kräver mer kraft och stabilitet.
• Halvstegsläge: En kombination av vågläge och fullstegsläge, detta läge växlar mellan att aktivera en enda spole och båda spolarna.Det minskar effektivt stegstorleken till 45 grader, vilket ger en balans mellan precision och vridmoment.Vridmomentet kan emellertid variera beroende på om en eller båda spolarna är energiska under ett visst steg.
• Microstep -läge : Det mest exakta av alla lägen, mikrostep -läge minskar stegstorleken ytterligare genom att noggrant modulera strömmen genom motorfaserna.Detta uppnås med avancerade kretsar för att skapa smidiga och gradvisa övergångar mellan steg.Detta läge är idealiskt för applikationer som kräver hög precision och konsekvent vridmoment, såsom CNC -maskiner eller robotik.
Effektiv kontroll av stegmotorer kräver en kombination av tillförlitlig hårdvara och noggrant programmerad programvara.TB6600 Steg Motor Driver sticker ut som ett utmärkt verktyg för att använda 2-fas stegmotorer.Det stöder flera operativa lägen, såsom våg, fullsteg, halvsteg och mikro-steg.Dess inbyggda skyddsfunktioner-inklusive skyddsåtgärder mot lågspänning, överström och överhettning-gör det ett fast val för projekt som kräver precision och hållbarhet.
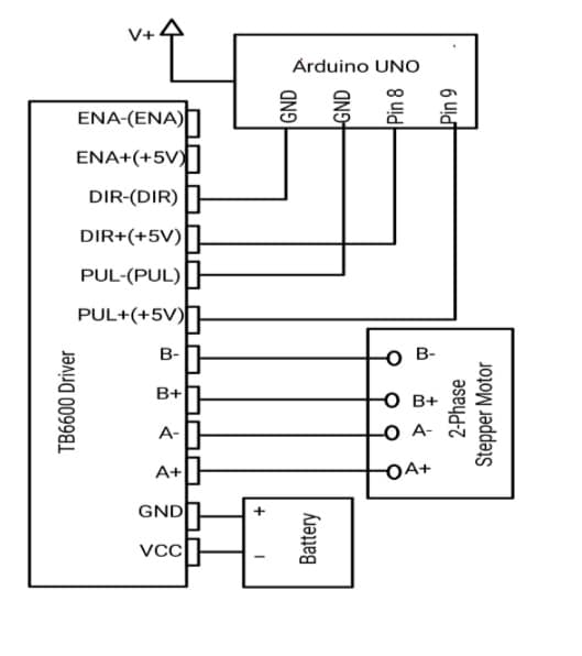
För att ställa in TB6600 med en Arduino UNO, samla följande komponenter:
• Arduino Uno R3
• TB6600 Steg Motor Driver (4A version)
• Stegmotor (med ett rekommenderat betyg på 1,65A)
• Tillförlitlig strömförsörjning (t.ex. ett batteri eller reglerad likströmskälla)
• Jumpertrådar
• Arduino IDE installerad på din dator
Följ dessa detaljerade instruktioner för att integrera TB6600 med Arduino
Anslut riktning och pulssignaler
• Länk DIR+ och PUL+ terminalerna på TB6600 till Arduino Pins 8 respektive 9.Dessa stift skickar riktning och pulssignaler.
• Fäst rikt- och pulterminalerna på marken (GND) på Arduino.
• Anslut motorn till TB6600: Fäst stegmotorns ledningar på TB6600 -terminalerna.
• A+ och A- för en spole av motorn.
• B+ och B- för den andra spolen.
• Ström TB6600 -drivrutinen: Anslut VCC- och GND -stiften på TB6600 till din strömförsörjning.Se till att spänningen matchar din motor och förarens krav för att undvika skador.

Justera mikrostepupplösning
TB6600 låter dig finjustera stegmotorns rörelseprecision med SW1- och SW2-switcharna.Justera dessa switchar enligt följande:
• ¼ Stegupplösning: Ställ in SW1 och SW2.
• ⅛ Stegupplösning: Ställ in SW1 och SW2 på.
• 1/32 Stegupplösning: Ställ in både SW1 och SW2.
• Fullstegsläge: Ställ in både SW1 och SW2.
Sanningstabell
|
SW2 |
Mikrostepupplösning |
|
AV |
1/32 steg |
|
PÅ |
1/8 steg |
|
AV |
1/4 steg |
|
PÅ |
Hela steget |
Växeljusteringar gör att du kan optimera balansen mellan precision och hastighet baserat på projektets behov.
För att säkerställa att din motor fungerar inom säkra strömgränser har TB6600 ytterligare switchar (SW4 och SW6) för att justera strömflödet.Dessa inställningar är användbara för:
• Förhindra överbelastningsskador.
• Håll konsekvent motorisk prestanda.
• Kontrollera alltid att motorströmmen förblir under förarens maximum 4A för att skydda båda komponenterna.
• Kontrollmotorns riktning: Om du vill att motorn ska rotera moturs, ändra tillståndet för DIR+ PIN -stiftet i din Arduino -kod.
• Testning och felsökning: När du har slutfört installationen laddar du upp en grundläggande stegmotorstyrskiss för att verifiera lednings- och förarfunktionaliteten.
• Undvik överhettning: Se till att korrekt ventilation för TB6600-drivrutinen, särskilt i högströmmapplikationer.
TB6600 -modulen spelar en aktiv roll i många sektorer där noggrann motorstyrning används.Dess anpassningsförmåga lyser igenom i olika implementeringar som belyser dess unika kapacitet:
Inom telekommunikation är det obligatoriskt att uppnå optimal antennjustering för kvalitetssignalmottagning och överföring.TB6600 underlättar precisionsrörelsen och förbättrar därmed effektiviteten hos kommunikationssystem.
Inom automatisering och robotik uppnås exakt stegmotorhantering genom TB6600, så att du kan förfina rörelseprecision och stärka systemets tillförlitlighet.
För CNC -maskiner för numerisk kontroll (CNC) förbättrar TB6600 intrikata skär- och fräsningsprocesser, vilket gör att du kan upprätthålla höga nivåer av noggrannhet och repeterbar precision i deras arbete.
Vid tillsatsstillverkning, särskilt 3D -utskrift, erbjuder TB6600 detaljerad motorstyrning, vilket stödjer en exakt positionering av tryckhuvuden som krävs för att skapa komplexa former och former.
Modulen är värdefull för komplicerade motorstyrningsuppgifter inom komplexa automatiseringssystem, förbättrar effektiviteten och möjliggör förfinad hantering.
TB6600 utmärker sig i scenarier som kräver exakt hastighet och rotationskontroll, mestadels för att optimera prestanda i ständigt föränderliga miljöer.
Modulen stöder tillförlitlig drift av kameror och bankomater genom att säkerställa smidiga, exakta motoriska rörelser, som förlänger enheternas operativa livslängd.
För graveringsverktyg och maskiner ger TB6600 den exakta kontrollen som krävs för att utföra fint detaljerade mönster, en farlig faktor i branscher där precision och detaljer är dominerande.
Skicka en förfrågan, vi svarar omedelbart.
TB6600 stegmotordrivrutin arbetar med en strömförsörjningsspänning mellan 8V och 45V.
TB6600 använder pulsbreddmodulering (PWM) för att justera motorhastigheten.Du kan ändra hastigheten genom att modifiera PWM -frekvensen.
Ja, TB6600 kan hantera upp till 4,5A, vilket gör det kompatibelt med stegmotorer som är rankade upp till denna ström.
För att vända motorriktningen, växla ingångssignsekvensen på styrstiften (t.ex. in1-in2-in3-in4 för framåt, in4-in3-in2-in1 för omvänd).
TB6600 är gjord för 4-tråds stegmotorer.Om din motor har mer än fyra ledningar behöver du en annan förare.
TB6600 fungerar bra med NEMA17 -motorer men är i allmänhet olämplig för NEMA23 -motorer på grund av deras högre nuvarande krav.
på 2024/12/12
på 2024/12/12
på 8000/04/18 147757
på 2000/04/18 111934
på 1600/04/18 111349
på 0400/04/18 83719
på 1970/01/1 79508
på 1970/01/1 66898
på 1970/01/1 63010
på 1970/01/1 63007
på 1970/01/1 54081
på 1970/01/1 52119