
De TCMT4100 Ingeniously integrerar ett optiskt logiskt system som skickligt kombinerar en fototransistor med en gallium arsenid infraröd-emitterande diod i ett elegant 4-stiftspaket.Denna tankeväckande design ger en säker åtskillnad mellan input och produktion, i linje med strikta säkerhetsstandarder som finns i olika industrisektorer.Denna komponent ansluter mer än bara;Det bildar en ryggrad som upprätthåller både energieffektivitet och förbättrad signalkvalitet.
I fält där lugn av säkerhet och pålitlighet formar den operativa etos, gör TCMT4100: s robusta design stor inverkan.Det inneboende avståndet mellan fototransistorn och den ir-emitterande dioden upprättar en sköld för att undvika besvärliga signalinterferenser och upprätthålla dataintegritet.Detta tillvägagångssätt har visat sig vara ovärderligt i branscher som bil- och flyg- och rymd, där säkerhetsnormer och operativa sårbarheter inte är förhandlingsbara.
Drivet av sina utbredda applikationer kommer utformningen av TCMT4100 till liv, särskilt i kontrollsystem som övervakar och riktar mekaniska och elektriska funktioner.Observationer från faktiska distributioner belyser komponentens stadiga prestanda i högtemperaturförhållanden och dess uthållighet mot elektromagnetisk intrång.
Medan TCMT4100: s syfte förblir ganska tydlig, avslöjar dess sofistikerade applikationer sin skicklighet för att utvecklas mitt i nya tekniska behov.Dess betydelse berikas i olika miljöer, såsom system som kräver precision där subtila signalförskjutningar måste fångas exakt och bedömas.Denna anpassningsförmåga betyder en bredare utveckling mot mångsidiga komponenter utformade för att konfrontera intrikata utmaningar.
TCMT4100 OptoCoupler skiljer sig med en blandning av förfinade funktioner och fungerar som en oundgänglig enhet i olika inställningar.Innehållet i ett kompakt, lågprofilt halv tonhoppspaket förespråkar det effektiv användning av rymden, som catering till moderna elektroniska mönster som försöker förbättra kapaciteten inom begränsade dimensioner.Av särskilt intresse är dess imponerande AC -isolering, validerad med en testspänning på 3750 VRM, skyddande elektrisk integritet och säkerhet i intrikata system.
Denna optokopplare är konstruerad för att minska kopplingskapacitansen ner till cirka 0,3 pf, och utmärker sig i högfrekventa scenarier för att bevara signalrenheten och minska komponentstörningen.Dess nuvarande överföringsgrad (CTR), som sträcker sig över 50% till 600%, presenterar en flexibel lösning på olika kretskrav, vilket erbjuder distinkta fördelar mellan olika operativa spektrum.
TCMT4100: s prestanda är särskilt motståndskraftig över ett brett temperaturintervall och bibehåller tillförlitligheten under fluktuerande termiska förhållanden.Dess blygsamma temperaturkoefficient för CTR säkerställer stabila strömöverföringshastigheter mitt i temperaturförändringar, vilket förkroppsligar pålitlighet, särskilt i sektorer som bil- och industriell elektronik där termiska variationer är ofta.



TCMT4100 OptoCoupler finner sin väg in i en mängd industriella applikationer, vilket utvecklar sina funktioner från konventionell kommunikationsutrustning som banbrytande industriella framsteg.Den här enheten spelar en roll för att uppnå sömlös dataöverföring i miljöer där precision och automatisering är djupt förankrade.I tillverkningsanläggningar upprätthåller den till exempel signalintegritet och isolering, vilket direkt påverkar processkontinuiteten och anslutningen till säkerhetsprotokoll.På samma sätt ser flyg- och rymdsektorn öka belöningen på grund av dess antagande, tillgodoser den ökande efterfrågan på kommunikationssystem som är både robusta och säkra.När precision och pålitlighet tar centrum, blir denna teknik ofta en lösning.
I dagens dynamiska landskap av personliga prylar förbättrar TCMT4100 enhetens prestanda och hållbarhet och därmed förbättrar konsumenternas tillfredsställelse.Produkter som persondatorer och anteckningsböcker använder optokopplaren för att effektivt hantera elektriskt brus, vilket resulterar i stabil enhet.Det höjer intrikat den dagliga interaktionen genom att minska sannolikheten för enhetsfel på grund av elektromagnetisk störning.När sömlös digital interaktion blir mer inbäddad i moderna livsstilar påverkar tillförlitligheten för elektroniska apparater direkt engagemang och tillfredsställelsesnivåer.
Inom medicinsk elektronik är TCMT4100 instrumental för att främja utrustning som kräver exakt och pålitlig datakommunikation under rigorösa säkerhetsförhållanden.Enheter som patientmonitorer och diagnostisk utrustning drar nytta av dess överlägsna brusisoleringsfunktioner, vilket säkerställer ett konsekvent och korrekt dataflöde.Detta skapar en miljö där sjukvårdsexperter kan bero på tekniska verktyg utan risken att kompromissa med patientdataintegritet eller säkerhetsstandarder.
Tillsatsen av TCMT4100 i konsumentelektronik ger effektivitet i krafthantering och minimerar därmed driftstopp.Detta stöder konsumenternas önskan om prylar som balanserar hög prestanda med energibesparing, vilket återspeglar en samhällsskift mot miljömedveten teknik utan att förlora kvaliteten.När förväntningarna lutar sig ytterligare mot intelligenta och hållbara lösningar blir påverkan av denna teknik mer anmärkningsvärt.
|
Typ |
Parameter |
|
Kontaktplätning |
Tenn |
|
Monteringstyp |
Ytfäste |
|
Antal stift |
16 |
|
Spänning i samlaremitterande |
70V |
|
Antal element |
4 |
|
Förpackning |
Cut Tape (CT) |
|
Delstatus |
Aktiv |
|
ECCN -kod |
Örat99 |
|
Spännings - klassad DC |
1.25V |
|
Spänning - isolering |
3750VRMS |
|
Utgångstyp |
Transistor |
|
Maktförsläpp |
250 mw |
|
Framåtström |
60 mA |
|
Montera |
Ytfäste |
|
Förpackning / fodral |
16-SOIC (0,173, 4,40 mm bredd) |
|
Vikt |
477.009076mg |
|
Nuvarande överföringsförhållande-min |
50% @ 5mA |
|
Driftstemperatur |
-40 ° C ~ 100 ° C |
|
Publicerad |
2009 |
|
Fuktkänslighetsnivå (MSL) |
1 (obegränsad) |
|
Tilläggsfunktion |
UL -godkänd, VDE -godkänd |
|
Max Power Dispipation |
250 mw |
|
Utspänning |
70V |
|
Antal kanaler |
4 |
|
Ingångstyp |
Likström |
|
Max utgångsspänning |
70V |
|
Utgångsström per kanal |
50 mA |
|
Hösttid (typ) |
4,7 μs |
|
Max Collector Current |
50 mA |
|
Omvänd nedbrytningsspänning |
6V |
|
Inmatningsström |
50 mA |
|
Slå på / stänga av tiden (typ) |
6μs, 5μs |
|
Omvänd spänning (DC) |
6V |
|
Höjd |
1,9 mm |
|
Bredd |
4,4 mm |
|
Strålning härdning |
Inga |
|
Blyfri |
Blyfri |
|
Stigningstid |
3μs |
|
Collector Emitter Spoltage (VCEO) |
70V |
|
Stigning / hösttid (typ) |
3μs / 4,7 μs |
|
Max ingångsström |
60 mA |
|
Nuvarande överföringsgrad (MAX) |
600% @ 5mA |
|
VCE -mättnad (max) |
300 mV |
|
Dark Current-Max |
100na |
|
Längd |
10.4 mm |
|
Nå SVHC |
Okänd |
|
ROHS -status |
ROHS3 -kompatibel |
|
Artikelnummer |
Tillverkare |
Förpackning / fodral |
Antal stift |
Antal kanaler |
Spänning - isolering |
Nuvarande överföringsgrad (MAX) |
Nuvarande överföringsgrad (min) |
Max utgångsspänning |
Utspänning |
|
TCMT4100T0 |
Vishay Semiconductor Opto Division |
16-SOIC (0,173, 4,40 mm bredd) |
16 |
4 |
3750VRMS |
600% @ 1mA |
- |
35 v |
35 v |
|
TCMT4600 |
Vishay Semiconductor Opto Division |
16-SOIC (0,173, 4,40 mm bredd) |
16 |
4 |
3750VRMS |
300% @ 5mA |
80% @ 5ma |
70 V |
70 V |
|
TCMT4106
|
Vishay Semiconductor Opto Division |
16-SOIC (0,173, 4,40 mm bredd) |
16 |
4 |
3750VRMS |
300% @ 5mA |
100% @ 5mA |
70 V |
- |
|
TCMD4000 |
Vishay Semiconductor Opto Division |
16-SOIC (0,173, 4,40 mm bredd) |
16 |
4 |
3750VRMS |
600% @ 5mA |
50% @ 5mA |
70 V |
- |

Vishay InterTechnology, Inc. verkar i framkant inom halvledar- och passiva elektroniska komponenter.Deras verksamhet sträcker sig över hela världen och etablerar dem som en hörnsten i sektorn för elektroniska applikationer.Vishays räckvidd sträcker sig långt utöver regionala gränser, med en närvaro som berör flera kontinenter.Vishays påverkan på branschen är djup på grund av deras engagemang för att tillgodose nya tekniska behov.Vishay InterTechnology: s roll i elektronik, i kraftapplikationer, är varierad och långtgående.Deras pågående innovation och engagemang för kvalitet förstärker deras ledarstatus och levererar lösningar som uppfyller både tekniska specifikationer och praktiska behov.
Cylindriska batterilhållare.pdf
Cylindriska batterilhållare.pdf
OMV-795-2014-REV-0 03/MAR/2014.PDF
OMV-795-2014-REV-0 03/MAR/2014.PDF
Skicka en förfrågan, vi svarar omedelbart.
TCMT4100 är en mycket avancerad fototransistor utgångsoptokopplare, skickligt sammanslagning av en fototransistor med en gallium arsenid infraröd-emitterande diod.Den sofistikerade anpassningen av dessa komponenter är noggrant utformad för att leverera överlägsen säkerhet och funktionalitet i en rad applikationer.Denna konfiguration behandlar pressande problem i säkerhetskänsliga enheter, särskilt där elektrisk isolering är av stor betydelse.
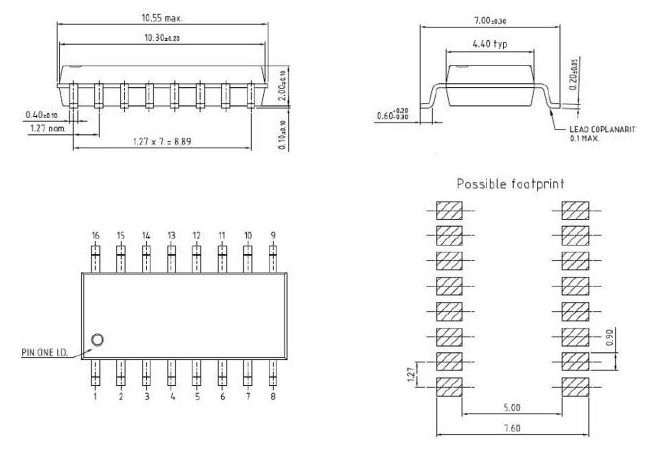
Denna enhet har ett omfattande 16-stifts arrangemang.En sådan installation ger förstärkta anslutningsmöjligheter, vilket förenklar processen för systemet vid inbäddning av optokopplaren i intrikata kretsar.Dessa stifts praktiska, grundade i kretsdesign, visar sin flexibilitet i gränssnittet med olika brädor och system.Denna anpassningsförmåga stöder ett expansivt utbud av applikationer, från elektronik till industriella inställningar, vilket understryker den tankeväckande hänsyn till stiftdesign i tekniska ansträngningar.
Ja, TCMT4100 presterar konsekvent inom ett temperaturintervall från -40 ° C till 100 ° C.Detta omfattande temperaturområde säkerställer att komponenten behåller sin prestationseffektivitet under extrema miljöförhållanden.Sektorer som fordon och flyg- och rymd, som kräver utrustningens motståndskraft, fokuserar ofta på komponenter med sådana attribut på grund av ofta exponering för fluktuerande temperaturer.Denna operativa funktion betonar fördelen med att välja komponenter som kan upprätthålla tillförlitlighet över olika förhållanden, vilket förbättrar systemets livslängd.
TCMT4100: s fysiska dimensioner specificeras som längd: 10,4 mm, bredd: 4,4 mm, höjd: 9 mm.Dessa detaljerade mätningar förenklar dess integration i kompakta kretslayouter, aspekt när rymdbegränsningar är en primär övervägande.Många möter regelbundet hinder i monteringskomponenter på tätt ockuperade brädor, vilket gör förståelsen och tillämpningen av exakta dimensionella specifikationer inom konstruktionsbegränsningar för att uppnå önskade resultat.
TCMT4100 produceras av Vishay InterTechnology, en utmärkt enhet inom den amerikanska elektronikproduktionssektorn.Vishay InterTechnology är känd för att leverera pålitliga och banbrytande komponenter och påverkar utvecklingen av elektroniska systemkonstruktioner.Företagets expansiva portfölj och omfattande tillverkning belyser värdet av att välja ansedda tillverkare när de skaffar komponenter för hög efterfrågan.
på 2024/11/4
på 2024/11/4
på 8000/04/19 147780
på 2000/04/19 112050
på 1600/04/19 111352
på 0400/04/19 83806
på 1970/01/1 79608
på 1970/01/1 66991
på 1970/01/1 63113
på 1970/01/1 63050
på 1970/01/1 54097
på 1970/01/1 52199