



Som en utmärkt medlem av MEGAAVR® 0-serien sticker ATMEGA4809 ut genom att integrera en AVR®-processor med en hårdvarumultiplikator som kan fungera vid frekvenser upp till 20 MHz.Denna mikrokontroller finns i olika konfigurationer, med upp till 48 kb flashminne, 6 kb SRAM och 256 byte av EEPROM inom 28- till 48-stiftspaket.Dess design centrerar på en flexibel, lågeffektarkitektur som integrerar sofistikerade funktioner som evenemangssystem, sömnvandring, exakta analoga funktionaliteter och toppmoderna kringutrustning, vilket återspeglar Microchips senaste innovationer.
• AVR -processor och hårdvarumultiplikator: Utrustad med en AVR® -processor kompletterad med en hårdvarumultiplikator, levererar ATMEGA4809 anmärkningsvärd beräkningseffektivitet och prestanda.Denna duo kör med hastigheter upp till 20 MHz och förbättrar exekveringshastigheten för komplexa matematiska operationer.Sådana funktioner gör mikrokontrollern väl lämpad för applikationer som kräver hög precision och snabb bearbetning.Designen tilltalar dem som strävar efter att skapa en balans mellan kraftförbrukning och prestanda och erbjuder en harmonisk passform för olika tekniska behov.
•Minneskonfigurationer: Med sina flexibla minnesalternativ ger ATMEGA4809 konfigurationer på upp till 48 kb flashminne, 6 kb SRAM och 256 byte eeprom.Denna anpassningsförmåga tillgodoser ett brett utbud av tillämpningsbehov, från enkla uppgifter som kräver minimalt minne till mer komplexa applikationer som behöver betydande lagring.Verkliga scenarier visar att en balanserad minnesuppsättning kan förbättra systemets prestanda och lyhördhet avsevärt.
• Evenemangssystem: Händelsesystemet för ATMEGA4809 tillåter direkt perifer till perifer kommunikation, vilket eliminerar behovet av CPU-intervention.Denna funktion sänker kraftförbrukningen och ökar effektiviteten genom att låta uppgifter slutföras med minimala CPU-väckningar.Genom att minska CPU -belastningen förlänger den batteriets livslängd i bärbara enheter och förbättrar den totala systemeffektiviteten.Denna designfilosofi betonar en blandning av prestanda och energibesparing och resonerar med applikationer som prioriterar lågenergianvändning.
• Sömnvandringsteknik: Sovvandringsteknik gör det möjligt för kringutrustning att fungera oberoende medan CPU förblir i ett lågkrafts sömnläge.Denna kapacitet säkerställer att stora uppgifter utförs med minimal kraftdragning, vilket optimerar enhetens livslängd och driftseffektivitet.Erfarenheter från olika implementeringar belyser vikten av sådana kraftbesparande tekniker i applikationer där energieffektiviteten är primär.
ATMEGA4809 har exakt analog funktionalitet, med analoga till digitala omvandlare (ADC), digital-till-analogkonverterare (DAC) och komparatorer.Dessa analoga kringutrustning ger korrekt analog signalbehandling, som används i applikationer som involverar sensordatainsamling, ljudsignalbehandling och andra scenarier där exakta analoga mätningar krävs.Praktiska användningar visar ofta att upprätthållande av hög analog noggrannhet är grundläggande för att uppnå pålitlig och konsekvent systemprestanda.
ATMEGA4809 är utrustad med avancerade kringutrustning och stöder ett brett utbud av applikationer.Dessa kringutrustning utvidgar mikrokontrollens kapacitet med gränssnitt för kommunikationsprotokoll, timers och pulsbreddmodulering (PWM).En sådan omfattande perifer uppsättning gör det möjligt för ATMEGA4809 att anpassa sig till olika och komplexa mönster och främja innovativa lösningar genom dess flexibilitet och utbyggbarhet.
Här är den tekniska specifikationstabellen för Microchip -tekniken ATMEGA4809-AFR.
|
Typ |
Parameter |
|
Fabrik
Ledtid |
13
Veckor |
|
Montering
Typ |
Yta
Montera |
|
Paket
/ Fall |
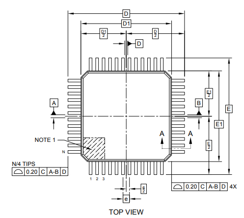
48-TQFP
Exponerad |
|
Yta
Montera |
JA |
|
Data
Omvandlare |
A/d
16x10b |
|
Antal
av i/os |
41 |
|
Rom
(ord) |
24 576 |
|
Drifts-
Temperatur |
-40 ° C
till 125 ° C TA |
|
Förpackning |
Tejpa
& Rulle (TR) |
|
Serie |
megaavr®
0 |
|
Del
Status |
Aktiv |
|
Fukt
Känslighetsnivå (MSL) |
3
(168 timmar) |
|
Antal
av uppsägningar |
48 |
|
Hts
Koda |
8542.31.00.01 |
|
Terminal
Placera |
Fyrhjuling |
|
Terminal
Form |
Gullwing |
|
Förse
Spänning |
3v |
|
Terminal
Tonhöjd |
0,5 mm |
|
Bas
Artikelnummer |
ATMEGA4809 |
|
Jesd-30
Koda |
S-PQFP-G48 |
|
Förse
Spännings-max (VSUP) |
5.5V |
|
Förse
Spänningsmin (VSUP) |
1.8V |
|
Oscillator
Typ |
Inre |
|
Hastighet |
20MHz |
|
Ram
Storlek |
6k x
8 |
|
Spänning
- leverans (VCC/VDD) |
1.8V
till 5,5V |
|
UPS/UCS/PERIPERAL
ICS -typ |
Mikrokontroller,
Ris |
|
Kärna
Processor |
Avr |
|
Kringutrustning |
Utbrunt
Detektera/återställas, por, pwm, wdt |
|
Klocka
Frekvens |
20MHz |
|
Programmera
Minnetyp |
FLASH |
|
Kärna
Storlek |
8-bitars |
|
Programmera
Minnesstorlek |
48 kB
(48K x 8) |
|
Anslutning |
I2c,
Spi, uart/uart |
|
Bit
Storlek |
16 |
|
Har
Adc |
JA |
|
DMA
Kanal |
INGA |
|
Pwm
Kanal |
INGA |
|
Dac
Kanal |
INGA |
|
Eeprom
Storlek |
256
x 8 |
|
På chip
Program ROM -bredd |
16 |
|
Gräns
Avsöka |
INGA |
|
Formatera |
Fastpunkt |
|
Integrerad
Cache |
INGA |
|
Ram
(ord) |
512 |
|
Antal
av serie I/OS |
4 |
|
Antal
av timers |
5 |
|
Antal
av externa avbrott |
41 |
|
På chip
Data RAM -bredd |
16 |
|
Längd |
7mm |
|
Höjd
Sittande (max) |
1,2 mm |
|
Bredd |
7mm |
|
Rohs
Status |
ROHS3
Kompatibel |

ATMEGA4809 har en högpresterande hårdvarumultiplikator som påskyndar aritmetiska operationer oerhört.Detta är mestadels fördelaktigt för applikationer som involverar intensiv matematisk bearbetning och därigenom förbättrar beräkningseffektiviteten.Exempel inkluderar kryptografi, signalbehandling och faktisk dataanalys, där hårdvarumultiplikatorn kan minska behandlingstiden avsevärt och optimera systemprestanda.
Mikrokontrollern stöder tre sömnlägen.
• Idle -läge: behåller CPU -aktivitet samtidigt som du minskar kraften till kringutrustning, idealisk för scenarier som kräver snabba responstider.
• Standby -läge: konserverar mer energi genom att stoppa CPU och upprätthålla användbara operativa tillstånd, passa för applikationer med periodisk aktivitet.
• Power Down-läge: Erbjuder maximala strömbesparingar genom att stoppa alla aktiviteter, lämpliga för batteridrivna enheter med sporadisk användning.
Ett anmärkningsvärt attribut är händelsesystemet, vilket gör det möjligt för kringutrustning att interagera direkt utan CPU -engagemang.Detta minskar latens och stärker övergripande systemresponsivitet genom att ladda bort perifer samordning.En sådan mekanism är ovärderlig i faktiska kontrollsystem där tidpunkten och precisionen är aktiva.Händelsesystemets arkitektur, liknande direkta minnesåtkomsttekniker, minimerar CPU -flaskhalsar, vilket förbättrar effektiviteten.
Den integrerade vakthundstimern stärker systemets tillförlitlighet genom att övervaka och återhämta sig från operativa hicka.WDT fungerar som en misslyckad mekanism, återställer mikrokontrollern vid upptäckt av icke-responsivitet och därmed avvärjer systemet kraschar.Detta skikt av tillförlitlighet används mest i industriella kontrollsystem och konsumentelektronik, vilket säkerställer förbättrad säkerhet och stabilitet.
För säker start och pålitlig drift inkluderar ATMEGA4809.
• Power-On-återställning (POR): Initierar mikrokontrollern vid strömåterställning, vilket säkerställer ett konsekvent starttillstånd.
• Brown-Out Detection (BOD): Skyddar mot spänningsfluktuationer som kan äventyra enhetens stabilitet och återställa systemet automatiskt när spänningen sjunker under en inställd tröskel.
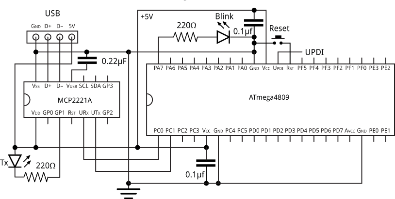
Single Pin Unified Program Debug Interface (UPDI) underlättar utvecklings- och felsökningsprocesser avsevärt.Detta gränssnitt minskar de fysiska och procedurkomplexiteterna som vanligtvis är förknippade med mikrokontrollerprogrammering och felsökning, vilket förbättrar utvecklarens produktivitet.UPDI: s enkelhet är mestadels fördelaktig i iterativa utvecklingscykler, där snabb testning och felsökning är stora för snabbt projektets slutförande.
I huvudsak tillhandahåller ATMEGA4809: s attribut en mångsidig och effektiv plattform som är lämplig för ett brett utbud av applikationer, inklusive konsumentelektronik och industriell automatisering.Genom att integrera avancerad krafthantering, snabba beräkningsfunktioner och robusta tillförlitlighetsfunktioner ger det en formidabel grund för att utveckla högpresterande, pålitliga system.

Båda den ATMEGA4809 och Atmega328 leverera jämförbara prestanda.ATMEGA328, som vanligtvis finns i Arduino -korten, sticker ut i krafteffektivitet.Denna mikrokontroller integrerar Atmels picopower -teknik, vilket möjliggör lägre strömförbrukning utan att offra prestanda.
ATMEGA4809 undersöker arkitekturerna närmare och ger vissa förbättringar över ATMEGA328.ATMEGA4809 erbjuder ett flexibelt perifert konfigurationssystem.Denna flexibilitet ger bättre övergripande systemprestanda.Systemet är mer anpassningsbart, särskilt i applikationer som involverar flera sensorer eller kringutrustning.
När det gäller programmering och utveckling är bakåtkompatibiliteten för ATMEGA4809 med ATMEGA328 fördelaktigt.Denna kompatibilitet förenklar migrationsprocessen för befintliga projekt som ursprungligen utformades för ATMEGA328.Avancerade felsökningsverktyg som stöds av ATMEGA4809 kan vara mycket fördelaktigt i komplexa projekt, vilket möjliggör identifiering och upplösning för tidig fråga.
Strömförbrukningsskillnaderna blir mest tydliga i faktiska applikationer.För batteridrivna enheter kan ATMEGA328: s picopower-kapacitet förlänga operativa perioder mellan laddningar.ATMEGA4809: s avancerade kraftbesparande funktioner kan optimera energianvändningen ytterligare, särskilt fördelaktigt i ultra-låga kraftapplikationer.
Med tanke på framtidssäkerhet gör ATMEGA4809: s många förbättrade funktionaliteter det till ett mer mångsidigt alternativ.Dess bredare stöd för kringutrustning och förbättrad minneshantering är aktiva för komplexa, utvecklande applikationer.Dessa funktioner ger en robust grund för framtida innovationer och utvidgningar, vilket gör den idealisk för att planera uppgraderingar.


Microchip Technology Inc., baserat i Chandler, Arizona, utmärker sig för att erbjuda ett brett utbud av mikrokontroller och analoga halvledare.Detta företag är känt för att minska utvecklingsriskerna, minska systemkostnaderna och påskynda tid till marknad.Genom deras högkvalitativa stöd och pålitliga produkter har Microchip fast etablerat sitt ledarskap i branschen.
ATMEGA4809 sticker ut bland Microchips erbjudanden på grund av dess avancerade kapacitet och anpassningsbar arkitektur, vilket gör den lämplig för olika applikationer som kräver robusta och effektiva lösningar.Denna mikrokontroller stöder ett brett utbud av funktionaliteter, vilket gör att den enkelt integreras i olika system.
ATMEGA4809 är en sofistikerad mikrokontroller som använder 8-bitars AVR®-processorn.Denna avancerade hårdvara kommer med en integrerad multiplikator och fungerar med hastigheter upp till 20 MHz.Det erbjuder en betydande 48 kb flashminne, 6 kb SRAM, och inkluderar 256 byte av EEPROM, alla snyggt inrymda i ett 48-stiftspaket.Med sin robusta design tillgodoser den en mängd intrikata applikationer och kommandon.
Microchip Technology ATMEGA4809 8-bitars mikrokontroller planeras för att optimera mycket lyhörda kommando- och kontrollapplikationer.Det förbättrar funktionaliteten hos faktiska styrsystem.Dess mångsidiga natur gör det möjligt att användas i omfattande mikroprocessorbaserade arkitekturer eller som oberoende processorer inom kommando-och-kontrollramar.Att använda denna mikrokontroller kan höja prestandan för olika projekt.
ATMEGA4809 hanterar de ökande kraven för hastighet och effektivitet i faktiska system.Multiplikatorn och den höga driftsfrekvensen (upp till 20 MHz) möjliggör snabb bearbetning och snabb responstider.Dessa fördelar applikationer som kräver omedelbar feedback och exakt kontroll, såsom robotik och automatiseringssystem.Genom att integrera ATMEGA4809 kan du tillgodose de krävande behoven hos faktiska applikationer.
Faktum är att ATMEGA4809 är utrustad med många perifera funktioner som förstärker dess användbarhet.Dessa inkluderar flera kommunikationsgränssnitt som UART, SPI och I2C, som underlättar sömlös integration med andra digitala enheter.Dessutom har det robusta analoga funktioner, inklusive ADC och DAC, vilket gör det mycket lämpligt för sensorgränssnitt och analog signalbehandling.Dessa funktioner kombineras för att göra ATMEGA4809 till ett mångsidigt verktyg för ett brett utbud av digitala och analoga uppgifter.
Jämfört med andra mikrokontroller i sin klass sticker ATMEGA4809 ut på grund av dess balanserade kombination av minneskapacitet, bearbetningshastighet och perifera integrationer.Dess 8-bitars arkitektur, kompletterad med effektiva krafthanteringsfunktioner, gör det till ett optimalt val för applikationer där strömförbrukning är en allvarlig faktor.Denna balans säkerställer att den ger tillförlitlig prestanda utan att kompromissa med effektiviteten.
ATMEGA4809 fungerar som en utmärkt plattform för utbildningsändamål.Dess enkla arkitektur och omfattande dokumentation gör den lämplig för lärande och experiment.Genom att engagera sig i denna mikrokontroller kan du få värdefull insikt i inbäddade systemutveckling, kommando och kontrolllogik samt faktisk systemdesign.ATMEGA4809 skapar en praktisk miljö för dig att utforska och förnya sig.
Skicka en förfrågan, vi svarar omedelbart.
på 2024/10/11
på 2024/10/11
på 8000/04/18 147764
på 2000/04/18 111989
på 1600/04/18 111351
på 0400/04/18 83751
på 1970/01/1 79546
på 1970/01/1 66949
på 1970/01/1 63094
på 1970/01/1 63028
på 1970/01/1 54092
på 1970/01/1 52172