
De LM340T5, en 3-terminal positiv spänningsregulator, är utformad som en enda sammanhängande enhet som betonar robusthet och pålitlighet.Dessa omfattar intern strömbegränsande, termisk avstängning och kompensation av säker area, vilket säkerställer att regulatorn tål stressande operativa scenarier.Även om den kan leverera över 1,0A ström, är denna kapacitet beroende av skickliga värmespridningsstrategier.Även om den främst är avsedd för att upprätthålla fast spänning, tillåter den modifieringar med hjälp av hjälpkomponenter för att justera spänning och strömutgångar.
LM340T5 visar motståndskraft genom olika inbyggda skyddsåtgärder.Det skyddar kretsen mot överströmsbetingelser och förhindrar aktivt skador på grund av överhettning.Den upprätthåller prestationsintegritet inom utsedda driftsparametrar.Dessa integrerade funktioner effektivt effektiviserar designprocesser, vilket minimerar potentiella fel och driftstopp, vilket visar sig vara ovärderliga i krävande branschscenarier.
Inom operativa applikationer tjänar LM340T5 ett brett spektrum av elektroniska kretsar som kännetecknas av flera faktorer.Kretsens förmåga att upprätthålla stabil spänning är en kärnaspekt av dess användbarhet över olika enheter.Att uppnå optimal prestanda är starkt beroende av effektiv värmehantering genom tekniker som kylflänsar och kylsystem som används för att maximera regulatorns effektivitet under aktiva operationer.Trots sin inneboende design för fasta utgångar erbjuder LM340T5 mångsidighet genom anpassning genom att integrera komponenter som variabla motstånd, kan du skräddarsy spänning och nuvarande utgångar till specifika behov.
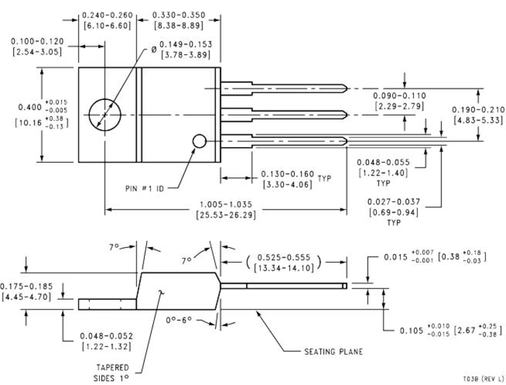
LM340T5-spänningsregulatorn, innesluten i det allmänt använda till-220-paketet, noteras för sina exceptionella termiska attribut och enkel installation.Dessa egenskaper gör det till ett föredraget val i maktregleringssituationer.Paketets design främjar effektiv värmeavledning, en värderad funktion i många applikationer.
|
Pin No. |
Stiftnamn |
Fungera |
|
1 |
Input |
Tar emot den oreglerade ingångsspänningen, som kan variera
från 7V till 35V.Denna stift är vanligtvis ansluten till strömförsörjningen. |
|
2 |
Jord |
Fungerar som den vanliga referenspunkten för ingången och
utgångsspänningar.Det ska vara anslutet till systemmarken. |
|
3 |
Produktion |
Levererar den reglerade 5V -utgångsspänningen.Den är ansluten
till belastningen som kräver stabil spänningsförsörjning. |
LM340T5 -funktioner
|
Särdrag |
Beskrivning |
|
Internt termiskt överbelastningsskydd |
Förhindrar överhettning genom att stänga av regulatorn. |
|
Kortslutningsströmbegränsning |
Skyddar regulatorn och anslutna enheter från skador
på grund av överströmsförhållanden. |
|
Output Transistor Safe Area Protection |
Säkerställer tillförlitlig drift under alla förhållanden. |
|
Högeffektfördörningsförmåga |
Hanterar höga effektnivåer effektivt. |
|
Fast utgångsspänning |
Ger en stabil 5V -utgång med minimal extern
komponenter. |
LM340T5 -specifikationer
|
Specifikation |
Information |
|
Utgångsspänningsprecision |
± 2% vid TJ = 25˚C, ± 4% över olika temperaturer |
|
Radreglering |
0,01% av vout per volt ∆vin under en 1A -belastning |
|
Belastningsreglering
|
0,3% av vout per ampere |
|
Termisk överbelastningsskydd |
Inbyggt |
|
Kortslutningsströmbegränsning |
Integrerad |
|
Säkert områdeskydd för utgångstransistor |
Ingick |
|
P+ produktförbättringstestning |
Avslutad |
LM340T5 -spänningsregulatorn erbjuder en stabil 5V -utgång och används i stor utsträckning i olika elektroniska kretsar.Trots dess tillförlitlighet finns det tillfällen då LM340T5 kan vara otillgänglig, vilket ger behovet av en lämplig ersättning.I sådana scenarier erbjuder flera analoga komponenter jämförbar funktionalitet.
• 7805
• L7805CV
• LM7805
LM340T5 -spänningsregulatorn spelar en viktig roll för att aktivera enheter som mikrokontroller och sensorer genom att tillhandahålla en stabil +5V -utgång.Den exakta kontrollen över spänningsnivåerna stöder den sömlösa funktionen hos digitala prylar, där noggrannhet i strömförsörjningen ofta är kopplad till optimal prestanda.Denna noggranna spänningsreglering hjälper till i utvecklingen av kompakt elektronik, rådande inom både konsumentteknik och bilteknik, vilket skapar ett landskap där tillförlitligt energiflöde används allt mer.
LM340T5: s framstående funktion ligger i dess justerbara utgångsfunktioner, vilket ger den flexibiliteten att gå utöver enbart spänningsreglering.Denna anpassningsförmåga innebär att regulatorn kan finjusteras för att uppfylla en mängd elektriska roller, tillmötesgående utrustning med olika spänningsbehov enkelt.Det kan skickligt hantera strömförsörjningsverksamhet över olika områden, såsom telekommunikation och industrimaskiner, och därmed främja både effektivitet och anpassningsförmåga.
LM340T5 linjär spänningsregulator spelar en viktig roll för att upprätthålla stabila spänningsnivåer och effektivt avgå högre spänningar.Den fungerar smidigt upp till 1A -ström med ett urval av fasta spänningsalternativ, vilket gör det till ett tillförlitligt val i olika scenarier som kräver konsekvent kraftleverans.Ändå, hantering av värmen som genereras i operationer, såsom att konvertera en 12V -ingång till en 5V -utgång vid 1A, utgör en anmärkningsvärd utmaning.Att implementera effektiva termiska hanteringsmetoder blir dominerande, eftersom överdriven värme kan hindra prestanda och minska livslängden för elektroniska komponenter.
LM340T5 lyser när det gäller att tillhandahålla exakt spänningskontroll, mestadels i miljöer som kräver en pålitlig strömförsörjning.Dess fasta spänningsvarianter erbjuder dig bekvämligheten med konsistens, vilket eliminerar behovet av konstant övervakning eller justering.Du kan ofta välja den här regulatorn för applikationer där spänningsstabilitet är en allvarlig faktor och därmed öka den totala systemets pålitlighet genom att välja lämpligt alternativt utgångsalternativ.
Vid drift av LM340T5 är det en anmärkningsvärd övervägande.Att beräkna rätt kylfläns eller strategiskt placera regulatorn på en PCB kan effektivt mildra termisk ackumulering.Således kännetecknar en balans mellan termisk effektivitet och optimal användning av rymdfasen.Dessutom förbättrar metoder som applicering av termisk pasta eller kuddar värmeöverföring, vilket förlänger enhetens driftslängd.
Integrationen av externa komponenter med LM340T5 ger dig möjlighet att skräddarsy prestanda efter specifika applikationsbehov.Till exempel kan tillägg av kondensatorer minska spänningsruskan och främja en stabilare utgång.På samma sätt kan det att införliva dioder skydda mot omvänd polaritet och skydda hela kretsen från potentiell skada.

LM340T5 är inrymt i den mångsidiga till-220-kapslingen, ofta uppskattad i scenarier där hantering av värme är ett stort övervägande.Denna kapsling ger flera fördelar på grund av dess designegenskaper.

• TO-3 Metal Can Package
• TO-263 ytmonteringspaket
• TO-220 kraftpaket
• 3-Lead SOT-223-paketet
|
Parameter |
LM340T5 |
7805 |
|
Utspänning |
Fast 5V |
Fast 5V |
|
Ingångsspänning |
7V till 35V |
Liknande, med små variationer i tolerans |
|
Utgångsströmförmåga |
Upp till 1,5A |
Upp till 1,5A |
|
Pakettyp |
Till-220 |
Till-220 |
|
Nyckelvariationer |
Standardspecifikationer med pålitlig prestanda |
Små variationer i bortfallspänning och termisk
prestanda |
|
Prestanda och funktionalitet |
Erbjuder stabil 5V -utgång med liknande prestanda som 7805 |
Liknande prestanda med tillverkarspecifik
skillnader |
|
Applikationslämplighet |
Strömförsörjningsdesign, konsumentelektronik, industriell
automatisering, kommunikationssystem |
Strömförsörjningsdesign, konsumentelektronik, industriell
automatisering, kommunikationssystem |
|
Designhänsyn |
Val kan bero på specifika designkrav och
tillverkarens preferens |
Val kan bero på specifika designkrav och
tillverkarens preferens |
LM340T5 -spänningsregulatorn understryker vikten av stabil kraftleverans i elektroniska system.Dess förmåga att tillhandahålla konsekvent 5V -utgång, i kombination med termiska och överströmsskydd, gör det till ett tillförlitligt val för applikationer som kräver pålitlig prestanda.Från konsumentelektronik till industriella maskiner visar LM340T5 anpassningsförmåga mellan olika scenarier, vilket säkerställer både effektivitet och hållbarhet.Genom att integrera bästa praxis i termisk hantering och komponentintegration kan du fullt ut utnyttja deras kapacitet för att utforma robusta, effektiva system som överensstämmer med moderna krav på hållbarhet och tillförlitlighet.
Skicka en förfrågan, vi svarar omedelbart.
LM340T5 rymmer vanligtvis upp till 35 volt som sin maximala ingångsspänning.Denna kapacitet låter den fungera effektivt över ett spektrum av förhållanden.Genom att hålla ingångsspänningen inom detta intervall kan man förbättra både stabilitet och enhetens livslängd.
LM340T5 sticker ut för sin pålitliga belastning och linjereglering.Även om det kanske inte matchar kompaktheten och energieffektiviteten hos nyare modeller, gör dess överkomliga priser i kombination med robust konstruktion det till ett gynnsamt alternativ.Du som prioriterar enkelhet och hållbarhet i stabila miljöer tycker ofta att dess tillförlitlighet är tilltalande.
I själva verket är LM340T5 mångsidig nog för batteridrivna prylar.Uppmärksam hantering av dess bortfallspänning och lugn ström är stor eftersom dessa faktorer kan påverka batterilivslängden i hög grad.Denna hantering bestämmer också den minsta ingångsspänningen som behövs för att upprätthålla effektiv drift.
Typiska indikatorer för potentiella LM340T5 -felaktigheter omfattar oerhört spänningsutgång, överhettningsproblem, en fullständig brist på utgångsspänning och instabilitet eller brus.Proaktiv observation och rutininspektion kan hjälpa till att identifiera dessa tecken tidigt och därigenom förhindra svårare problem och systemuppdelningar.
För att maximera prestandan för LM340T5 rekommenderas att integrera kylflänsar för skicklig termisk reglering.Justering av både ingångs- och utgångskondensatorer med specificerade krav förbättrar stabiliteten.Att upprätthålla korrekt ingångsspänning och anta en brusreducerande PCB-layout föreslås också.Regelbunden övervakning och underhåll bidrar till att förhindra oförutsedda komplikationer och säkerställa en hållbar tillförlitlighet i praktiska tillämpningar.
på 2024/11/27
på 2024/11/26
på 8000/04/18 147758
på 2000/04/18 111960
på 1600/04/18 111349
på 0400/04/18 83726
på 1970/01/1 79511
på 1970/01/1 66930
på 1970/01/1 63078
på 1970/01/1 63019
på 1970/01/1 54086
på 1970/01/1 52157