
De XC3S200-4TQG144I är en del av AMD Xilinx's Spartan-3 FPGA-familj, skräddarsydd för kostnadskänsliga applikationer som kräver hög prestanda.Denna modell har 200 000 systemgrindar och använder 4 320 logikceller, vilket möjliggör robusta bearbetningsfunktioner i en kompakt formfaktor.Enheten har betydande interna resurser, inklusive 480 konfigurerbara logikblock (CLB), 216 kbits av block RAM för datalagring och 12 dedikerade 18x18 multiplikatorer för förbättrade aritmetiska operationer.Det stöder upp till 97 användar I/O -stift, vilket möjliggör mångsidiga anslutningsalternativ.Klockhantering hanteras effektivt av fyra digitala klockhanterare (DCM), vilket underlättar exakt tidpunkt och kontroll inom höghastighets digitala miljöer.XC3S200-4TQG144I fungerar på en 1,2V -kärnspänning, med ett tillåtet intervall på 1,14V till 1,26V, och den är utformad för att utföra pålitligt i industriella inställningar med ett temperaturintervall av -40 ° C till +100 ° C.Den maximala möjliga klockfrekvensen för denna FPGA är upp till 630 MHz, vilket säkerställer snabb databehandling och lyhördhet i applikationer.
Om du driver ett företag och behöver ett stadigt utbud av pålitlig, högpresterande FPGA, är XC3S200-4TQG144I ett smart val.Att placera din bulkorder hos oss ökar systemets prestanda, och vi är här för att stödja dig varje steg på vägen.

XC3S200-4TQG144I Symbol

Xc3s200-4tqg144i fotavtryck

XC3S200-4TQG144I 3D-modell
• Logikkapacitet: XC3S200-4TQG144I erbjuder en betydande logikkapacitet med 200 000 systemgrindar och 4 320 logikceller.Detta gör att du kan implementera komplexa digitala kretsar och system i ett enda chip, vilket gör det idealiskt för en mängd olika applikationer som kräver beräkningskraft och flexibilitet.
• Konfigurerbara logikblock (CLB): Denna FPGA är utrustad med 480 konfigurerbara logikblock, som är den huvudsakliga logikresursen för att implementera användardefinierade logikfunktioner.Varje CLB kan programmeras för att utföra ett brett utbud av logiska operationer, vilket ger den flexibilitet som krävs för att optimera prestanda och resursutnyttjande.
• Minnesresurser: Det inkluderar 216 kbits block RAM och upp till 520 kbits distribuerat RAM.Detta minne på chip är viktigt för applikationer som kräver snabb och effektiv datalagring och återhämtning, vilket stöder allt från buffring och datakakning till komplexa tillståndsmaskiner.
• Dedikerade multiplikatorer: Med 12 dedikerade 18x18-multiplikatorer utmärker sig XC3S200-4TQG144I i applikationer som kräver intensiva matematiska beräkningar såsom digital signalbehandling, videobehandling och styrsystem.
• Digital Clock Managers (DCMS): FPGA innehåller fyra digitala klockhanterare som ger avancerade klockfunktioner.DCM: er förbättrar flexibiliteten och noggrannheten i klockhantering, vilket möjliggör frekvenssyntes, fasförskjutning och jitterreduktion, som behövs för höghastighets digital kommunikation och exakta timingapplikationer.
• I/O -kapacitet : Med 97 användar I/O-stift stöder FPGA en mängd enskilda och differentiella I/O-standarder, inklusive LVD: er och RSD.Denna omfattande I/O -kapacitet möjliggör enkel integration med ett brett utbud av kringutrustning och system, vilket säkerställer mångsidighet i distributionen i olika hårdvarumiljöer.
• Driftsförhållanden: Designad för att utföra pålitligt i industriella miljöer, XC3S200-4TQG144I fungerar inom ett temperaturintervall av –40 ° C till +100 ° C.Denna robusta temperaturtolerans gör den lämplig för utplacering under hårda driftsförhållanden.
• Strömförsörjning: Den fungerar på en kärnspänning på 1,2V, med ett tillåtet intervall från 1,14V till 1,26V.Denna lågkraftsoperation är bra för applikationer som är känsliga för strömförbrukning, vilket hjälper till att minska de totala energikraven för systemet.
• Efterlevnad: XC3S200-4TQG144I uppfyller ROH: er och når standarder, vilket säkerställer efterlevnad av nuvarande miljö- och säkerhetsregler.Denna efterlevnad stöder företag för att upprätthålla hållbar och ansvarsfull tillverkningspraxis.

Pinout-diagrammet för XC3S200-4TQG144I FPGA från Xilinx Spartan-3-familjen visar den fysiska stiftkonfigurationen och signaluppdragen för 144-stationstunna Quad Flat Pack (TQFP) -paketet.Diagrammet läggs ut i ett fyrkantigt format som representerar toppvyen på chipet, med stiftnummer märkta runt omkretsen.Varje sida motsvarar en specifik bank (bank 0 till bank 7), vilka grupper I/O -stift med delade spänningsreferenser.
Varje färgad låda representerar en signaltyp eller spänningsfunktion såsom I/O -signaler, strömförsörjningsstift (VCCINT, VCCO), mark (GND), konfigurationsstift (som init_b eller gjort) och specialfunktionsstift (såsom klockingångar eller JTAG).IO_L-namnkonventionen identifierar Differential I/O-par (som IO_LXXN_PXXX eller IO_LXXP_PXXX), användbar i höghastighetsgränssnitt.Vissa stift är reserverade för konfiguration, programmering eller dedikerade klockfunktioner, som är viktiga för enhetsinställning och drift.

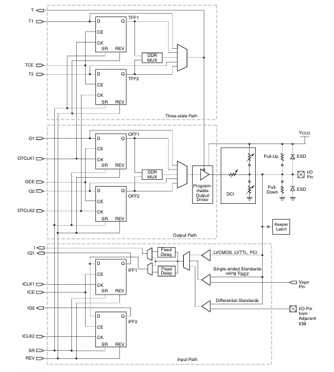
Blockdiagrammet för XC3S200-4TQG144I, en spartan-3 FPGA från AMD (tidigare Xilinx), illustrerar den inre arkitekturen för ett I/O-block (IOB), med detaljer om hur signaler flödar mellan FPGA-tyget och de yttre stinnarna.Detta diagram representerar de programmerbara logiken och konfigurerbara vägarna som styr inmatning, utgång och tristatbeteende för varje I/O -stift.
Överst, hanterar trestatsvägen utmatning aktivera signaler.Flip-flops (TFF1, TFF2) tar emot styrsignaler (T1, T2) och tidskontrollsignaler (TCE, TCK) för att avgöra om utgångsdrivrutinerna är aktiva eller i högimpedansstillstånd.En multiplexer väljer mellan olika källor baserat på programmerbar konfiguration.
I mitten inkluderar utgångsvägen vippor (Off1, Off2) som lagrar utgångsdatasignaler (O1, O2) synkroniserade med utgångsklockor (OTCLK1, OTCLK2).En multiplexer och valfri DDR (dubbel datahastighet) logik gör att data kan drivas på både stigande och fallande klockkanter.Utgångsdrivrutinen ansluter till olika logik för DCI (digitalt kontrollerad impedans) och stöder pull-up/pull-down-motstånd, ESD-skydd och keeper spärrar för att upprätthålla linjestillstånd när de är otroliga.
Längst ner visar ingångsvägen hur ingångssignaler (IQ1, IQ2) spärras i flip-flops (IFF1, IFF2) med hjälp av ingångsklockor (iclk1, iclk2).Valfria förseningar är programmerbara för att finjustera timing.Ingångar stöder flera I/O -standarder inklusive LVCMOS, LVTTL och differentiella signaler med VREF och angränsande stift.
|
Typ |
Parameter |
|
Tillverkare |
Amd |
|
Serie |
Spartan®-3 |
|
Förpackning |
Bricka |
|
Delstatus |
Föråldrad |
|
Antal laboratorier/clbs |
480 |
|
Antal logikelement/celler |
4320 |
|
Totala RAM -bitar |
221184 |
|
Antal I/O |
97 |
|
Antal grindar |
200000 |
|
Spänning - försörjning |
1.14V ~ 1.26V |
|
Monteringstyp |
Ytfäste |
|
Driftstemperatur |
-40 ° C ~ 100 ° C (TJ) |
|
Förpackning / fodral |
144-LQFP |
|
Leverantörspaket |
144-TQFP (20x20) |
|
Basproduktnummer |
Xc3s200 |
Digital signalbehandling (DSP)
XC3S200-4TQG144I utmärker sig i DSP-applikationer på grund av dess dedikerade multiplikatorer och betydande block-RAM.Detta gör det idealiskt för uppgifter som kräver intensiva matematiska beräkningar som ljud- och videobehandling, där den kan hantera operationer som filtrering, modulering och komprimering effektivt.
Inbäddade system
Denna FPGA stöder mjuka kärnprocessorer som mikroblaze och picoblaze, som möjliggör utveckling av komplexa inbäddade system.Det används i anpassade styrsystem, smarta enheter och användargränssnitt där skräddarsydd funktionalitet är viktigt.
Industriautomation
Med sina robusta I/O-kapaciteter och förmågan att arbeta pålitligt i extrema temperaturer är XC3S200-4TQG144I perfekt lämpad för industriell automatisering.Den hanterar motorstyrning, sensorgränssnitt och övervakningssystem, vilket hjälper till att optimera och automatisera komplexa industriella processer.
Fordonselektronik
I bilelektronik möjliggör FPGA funktionaliteter som sträcker sig från infotainmentsystem till komplexa instrumentpaneler och avancerade förarassistanssystem (ADAS).Dess höga tillförlitlighet och anpassningsförmåga gör det till ett val för biltillverkare.
Kommunikationssystem
XC3S200-4TQG144I är en viktig roll i kommunikationsinfrastruktur, såsom routrar, switchar och trådlösa basstationer.Dess höghastighetsbehandlingsfunktioner säkerställer effektiv datahantering och kommunikation över nätverk.
Utbildnings- och prototypplattformar
På grund av dess kostnadseffektivitet och mångsidighet används FPGA allmänt i utbildningsmiljöer för att undervisa digital design och FPGA-teknik.Det gynnas också i prototyper för att testa och utveckla nya digitala och elektroniska koncept.
Medicinsk utrustning
FPGA: s kapacitet för bearbetning och förmåga att hantera komplexa algoritmer gör det lämpligt för medicintekniska produkter, särskilt vid avbildning och diagnostisk utrustning som krävde precision och hastighet.
1. Upprätta hårdvaruanslutningar: Börja med att ansluta JTAG -programmeringskabeln (t.ex. Digilent JTAG3 eller Xilinx -plattformskabel) till din PC och till JTAG -rubriken på FPGA -kortet.Se till att kortet är påslagen och kabeln är ordentligt säkrad för att möjliggöra tillförlitlig kommunikation.
2. Starta Impact Tool: Öppna Xilinx ISE Project Navigator på din dator.I rutan "Processer", navigera till och dubbelklicka på "Konfigurera målenhet (Impact)" för att börja ställa in enhetsprogrammeringen.
3. Initiera jTAG -kedjan: När påverkan är öppen ställer du in den i "Boundary Scan" -läget.Högerklicka i arbetsområdet och välj "Initialisera kedjan."Verktyget kommer automatiskt att upptäcka och lista alla enheter som är anslutna via JTAG -kedjan, som inkluderar FPGA och eventuella anslutna prom -chips.
4. Tilldela konfigurationsfiler: För FPGA högerklickar du på sin ikon i Impact Workspace och välj "Tilldela ny konfigurationsfil."Bläddra till din tidigare sammanställda .bit -fil och välj den.Om du också programmerar en prom, tilldela motsvarande .mcs -fil till PROM -enheten på samma sätt.
5. Ställ in startalternativ: Högerklicka på "Generera programmeringsfil" i "Processes" -fönstret och välj sedan "Egenskaper."På fliken "Startup Options", se till att "FPGA-startklockan" är inställd på "JTAG-klockan" för att synkronisera FPGA: s startklocka med JTAG-programmeringsklockan.Klicka på "OK" för att spara dessa inställningar.
6. Programmera enheterna: För att programmera FPGA högerklicka på sin ikon i Impact och välj "Program."I programmeringsdialogen kan du välja att avmarkera "verifiera" för att påskynda processen.Klicka på "OK" för att starta programmering.Om programmering av en prom, utför en liknande åtgärd men se till att "radera före programmering" och "verifiera" -alternativ väljs för grundlighet.
7. Verifiera konfiguration : När programmeringen är klar, kontrollera att FPGA: s konfiguration lyckades genom att observera statusen för "gjort" som leddes på FPGA -kortet.Den bör belysa, vilket indikerar att enheten har programmerats korrekt.Dessutom kan du använda Impact's Verification Tools för att ytterligare bekräfta att programmeringen var framgångsrik.
Kostnadseffektivitet
XC3S200-4TQG144I är utformad för att vara mycket prisvärd samtidigt som den erbjuder robust prestanda, vilket gör det idealiskt för projekt som kräver budgetbegränsningar.Denna FPGA kombinerar funktionalitet och kostnadseffektivitet, vilket ger en konkurrensfördel på marknader med hög volym.
Tillräckliga logikresurser
Denna FPGA är utrustad med 4 320 logikceller och 480 konfigurerbara logikblock (CLBS) och kan hantera komplexa digitala mönster och erbjuder en mångsidig lösning för medelstora applikationer.Dess resurser är tillräckliga för ett brett utbud av användningsområden, från elektronik till industriell automatisering, utan behov av dyrare, avancerade alternativ.
Mångsidiga I/O -alternativ
Med 97 användare I/O-stift stöder XC3S200-4TQG144I många enstaka I//O/O-standarder, vilket gör det extremt anpassningsbart för olika integrationskrav.Denna flexibilitet är bra för system som gränssnitt med en rad perifera enheter.
Industriellt temperaturområde
FPGA fungerar pålitligt över ett brett temperaturintervall av –40 ° C till +100 ° C, vilket gör den lämplig för användning i hårda miljöer.Denna funktion är värdefull för applikationer i bil- och industriella miljöer där driftsförhållandena kan vara extrema.
Mogen verktygskedjestöd
Familjen Spartan-3, inklusive XC3S200-4TQG144I, stöds av Xilinx's ISE Design Suite, som ger robusta verktyg för FPGA-programmering och designoptimering.Dessutom finns det omfattande dokumentation och ett stödjande samhälle, som kan påskynda utvecklingstiden och minska designutmaningar.
• Pakettyp: TQFP-144 (även kallad LQFP-144)
• Kroppsstorlek: 20 mm × 20 mm
• Sittande höjd (max): 1,6 mm
• Terminalhöjd: 0,5 mm
• Paketstil: Flatpack, låg profil, fin tonhöjd
• Terminalform: Gull Wing
XC3S200-4TQG144I är tillverkad av Amd, en globalt erkänd ledare inom högpresterande dator- och halvledarteknologi.Efter förvärvet av Xilinx har AMD utvidgat sin portfölj till att omfatta ett brett utbud av programmerbara logikenheter, till exempel spartan-3-familjen som denna FPGA tillhör.AMD fortsätter att stödja XC3S200-4TQG144I under sitt enhetliga varumärke, vilket säkerställer tillförlitlighet, långsiktig tillgänglighet och tillgång till mogna utvecklingsverktyg som ISE Design Suite.Denna integration återspeglar AMD: s engagemang för att leverera skalbara och effektiva programmerbara lösningar för både arv och moderna elektroniska system.
XC3S200-4TQG144I är ett smart och prisvärt val för många elektronikprojekt.Det fungerar bra i tuffa miljöer, erbjuder flexibla anslutningar och stöder snabb databehandling.Oavsett om du arbetar med industrimaskiner, bilelektronik, signalbehandling eller studentprojekt ger detta chip dig vad du behöver utan att kosta för mycket.Med starkt stöd från AMD och lättanvända designverktyg är det ett bra alternativ för alla.
Skicka en förfrågan, vi svarar omedelbart.
Ja, det stöder integrationen av mjuka kärnprocessorer som mikroblaze, vilket gör att de bädda in anpassade bearbetningslogik i FPGA för komplexa kontroll- och signalbehandlingsuppgifter.
Ja, XC3S200-4TQG144I stöds fullt ut av Xilinx ISE-designsviten, vilket tillåter sömlöst projektuppsättning, simulering, syntes och hårdvaruprogrammering.
Ja.XC3S200-4TQG144I stöder flera differentiella I/O-standarder, inklusive LVD-skivor, vilket gör den lämplig för höghastighets, lågbrusdataöverföring.
De viktigaste skillnaderna ligger i pakettyp, hastighetsklass och PIN -räkning."-4tqg144i" är en lägre hastighetsindustriell version med ett 144-stifts TQFP-paket, medan "-5pq208c" har en högre hastighetsgrad och ett större 208-stifts PQFP-paket.
I de flesta applikationer är standard PCB -layout och naturlig konvektion tillräcklig.För höghastighets- eller hög-I/O-användning i heta miljöer rekommenderas emellertid ett litet kylfläns eller luftflöde för att upprätthålla termisk stabilitet.
på 2025/04/22
på 2025/04/22
på 8000/04/18 147757
på 2000/04/18 111937
på 1600/04/18 111349
på 0400/04/18 83721
på 1970/01/1 79508
på 1970/01/1 66913
på 1970/01/1 63052
på 1970/01/1 63012
på 1970/01/1 54081
på 1970/01/1 52130