
Bild 1. Emittertransistorkrets
De vanlig emitter Förstärkare är en av de mest populära transistorkretsarna du stöter på.Det används i många elektroniska enheter eftersom det erbjuder bra vinst och är ganska enkelt att sätta ihop.Den goda nyheten är - du behöver inte vara en expert för att designa en.Med bara några tydliga steg och lite förståelse kan du designa en pålitlig och effektiv krets som fungerar bra för många applikationer.
Det som gör denna förstärkare design som är lättillgänglig är hur enkel matematiken är.Du kommer inte att bli överväldigad av komplexa formler.Några enkla beräkningar som använder Ohms lag och grundläggande transistoregenskaper kan vägleda dig till rätt motstånd och kondensatorvärden.När du väl har tagit tag i processen blir plockningsdelar mycket lättare, särskilt eftersom du ofta kan välja standardmotståndsvärden utan att kasta av kretsen.
Det finns också mycket flexibilitet med den här typen av förstärkare.Du kan börja med en mycket enkel version - en grundläggande logikbuffert eller utgångsförare- Använd bara en transistor, ett motstånd vid ingången och ett vid samlaren.Även i denna grundläggande form kan kretsen vara användbar, särskilt när du behöver konvertera en signal från hög till låg eller vice versa.Detta beror på att kretsen inverterar signalen: När ingången går högt sjunker utgången lågt.
Om du vill ta saker ett steg längre kan du lägga till några extra delar.Dessa inkluderar kondensatorer för att hantera AC -signaler och motstånd för att hjälpa till att ställa in rätt driftspunkt för transistorn.En emitter förbikoppling kondensator kan också läggas till för att förbättra förstärkningen för AC -signaler.Dessa tillägg gör inte kretsen mycket mer komplicerad, men de ger dig bättre kontroll över hur förstärkaren presterar.Med bara lite övning och finjustering kan du designa en version som fungerar bra för dina specifika behov.
Den här typen av vanlig emitterkrets är förmodligen en av enklaste transistorkretsar du kan bygga.Det används ofta som ett enkelt logikbuffert eller signal inverterare, och det är en bra utgångspunkt om du bara kommer in i transistorbaserad elektronik.Installationen är minimal - du behöver bara en transistoren motstånd ansluten till ingången (transistorns bas) och en annan motstånd anslutet vid samlaren.Även med bara dessa få delar gör kretsen något ganska användbart.
De ingångsmotstånd Hjälper genom att kontrollera mängden ström som rinner in i transistorns bas.Detta förhindrar för mycket ström från att skada transistorn eller påverka andra delar av din krets.Under tiden samlarmotstånd spelar en annan roll.Det är där utgångsspänning utvecklas.När transistorn slås på flödar strömmen genom den och samlarspänningen sjunker, vilket skapar en låg signal vid utgången.
Hur kretsen fungerar är enkel men smart.När Ingångssignalen är hög—Let säger från en logisk grind eller mikrokontroller - den skjuter en liten ström in i transistorns bas.Denna lilla basström tillåter en Större ström till flöde Från samlaren till emitteren, slå på transistorn "på."När det händer sjunker spänningen vid samlaren nära noll, och du får en lågproduktion.Med andra ord, en hög input ger dig en lågproduktion, som kallas inversion eller fasomvändning.Det här är en nyckelfunktion av den vanliga emitterförstärkaren.

Bild 2. Grundläggande gemensamma emittertransistorförstärkare för logikanvändning
Den här typen av krets är mycket praktiskt när du vill Kör en låg signalanordning eller behöver skiftnivåer mellan olika delar av ett digitalt system.Till exempel kan det användas vid Kontrollera en LED eller agera som en enkel Gränssnitt mellan logik ICS.Dess Snabb att bygga, lätt att förståoch tar inte mycket plats eller driva.Så om du utformar en logiknivåkrets och behöver en pålitlig omkopplingssteg, denna vanliga emitteruppsättning är en smart och enkelt alternativ.
Att bygga en vanlig emitterlogikförstärkare är lätt när du delar upp den i enkla steg.Denna del av guiden hjälper dig att välja rätt delar och ta reda på deras värden så att din krets fungerar som den ska.Varje steg fokuserar på en del av installationen, vilket gör det enkelt att följa med.
Börja med att välja en transistor som passar ditt projekt.Tänk på hur mycket ström din krets kommer att använda och hur snabbt transistorn behöver för att slå på och av.För logikkretsar är snabbomkoppling viktigt, så en växlingstransistor är vanligtvis det bästa valet.Se till att den kan hantera spänningen mellan samlaren och emitter.Kontrollera också dess nuvarande förstärkning (visas som ß eller HFE).Detta säger hur mycket basström som behövs för att styra transistorn.En högre vinst innebär att du behöver mindre basström, men det är alltid säkrare att planera för en lägre vinst för fall.
Collector -motståndet ställer in utspänningen när transistorn är på eller av.För att ta reda på dess värde måste du först veta hur mycket ström din last behöver.Sedan med Ohms lag (r = v / i) kan du beräkna motståndsvärdet.Om du till exempel har en 5V strömförsörjning och vill ha 5 mA ström behöver du ett 1KΩ -motstånd (5V ÷ 0,005A).Det är bra att runda det till närmaste standardmotståndsvärde.
För att helt slå på transistorn behöver den tillräckligt med ström vid basen.Dela upp samlarströmmen med förstärkningen (ß) för att hitta basströmmen.Använd sedan spänningsskillnaden mellan din ingång och basemitterspänningen (vanligtvis cirka 0,6V för kiseltransistorer) för att hitta motståndsvärdet.Till exempel, om din ingång är 5V och du vill ha 0,25 mA vid basen, bör motståndet vara (5V - 0,6V) ÷ 0,00025A = 17,6 kΩ.Du kan runda det till ett närliggande standardvärde som 18kΩ.
Innan du slutar, gå tillbaka och kontrollera alla dina nummer.Se till att transistorn kan hantera strömmen och spänningen.Kontrollera att utgångsspänningen sjunker tillräckligt lågt när den är på och att din ingångskälla kan ge den nödvändiga basströmmen.Bekräfta också att dina motstånd är standardvärden och kan hantera kraften utan att värma upp för mycket.Om något verkar av, justera det och omberäkna.En snabb kontroll nu kan spara mycket tid senare.
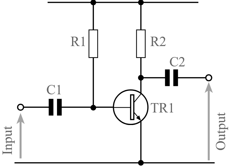
Denna version av den vanliga emitterförstärkaren innehåller en kondensator, vilket gör det mer lämpligt att arbeta med AC -signaler som ljud eller andra byte av spänningsingångar.Kondensatorn placeras vid ingången till Blockera alla likströmspänningar som kan komma från föregående steg, vilket bara tillåter AC -del av signalen att passera igenom.Denna inställning hjälper när du vill förstärka signaler som varierar med tiden, utan att påverka DC -förspänning av transistorn.
Men denna design använder bara ett enda motstånd för att förspänna basen av transistorn.Även om det håller saker enkelt, betyder det också transistorns driftspunkteller DC -förspänning, är inte särskilt stabil.Det beror på att förspänningen beror starkt på transistorn nuvarande vinst (β), som kan variera mycket från en transistor till en annan - även inom samma typ.Som ett resultat kanske förstärkaren inte alltid fungerar på samma sätt om transistor byts ut eller om temperaturförändringar, eftersom båda kan påverka p.
Ändå kan denna krets vara användbar när du inte behöver perfekt stabilitet och bara vill ha en Snabb, enkel AC -förstärkare.Dess En bra utgångspunkt för att lära sig hur AC -koppling fungerar och hur transistorer uppför sig i en förstärkare.När du först har förstått grunderna här kommer du att vara bättre beredd att bygga mer stabila och flexibla versioner genom att lägga till fler motstånd och andra komponenter senare.

Figur 3. AC-kopplad gemensam emitterförstärkare med ett basmotstånd
Att sätta ihop en grundläggande AC-kopplad förstärkare är en enkel process när du följer några tydliga steg.Denna typ av förstärkare används ofta för signaler som ändras över tid, som ljud.Följande steg hjälper dig att välja rätt delar och kontrollera att allt fungerar som förväntat.
Börja med att välja en transistor som matchar din krets behov.Tänk på hur mycket spänning den kommer att hantera mellan samlaren och emitter, hur mycket kraft den kan behöva hantera, och vilket frekvensområde det ska fungera i. För allmänna förstärkare fungerar en grundläggande NPN-transistor som 2N3904 ofta bra, men du kan välja andra baserat på ditt specifika projekt.
Samlarmotståndet hjälper till att ställa in utgångsspänningen.En bra utgångspunkt är att ställa in samlaren på ungefär hälften av matningsspänningen.Detta ger ditt signalrum att svänga både upp och ner.Använd Ohms lag (r = v / i) för att hitta värdet.Bestäm bara hur mycket ström du vill flyta genom motståndet och dela spänningen över den med den strömmen.
För att få transistorn att fungera korrekt måste du mata rätt mängd ström i basen.Dela först samlarströmmen med transistorens förstärkning (ß) för att hitta basströmmen.Använd sedan matningsspänningen och det faktum att basen vanligtvis kommer att sitta ungefär 0,6 V över marken för att hitta basmotståndet.Ohms lag är praktiskt här igen.
Kondensatorer används för att blockera DC och passera AC -signaler.För att välja rätt storlek, titta på den lägsta frekvens som din signal kommer att använda och den ingångs- eller utgångsmotstånd som den kommer att gå igenom.Använd formeln xc = 1 / (2πfc) för att se till att kondensatorns reaktans matchar impedansen vid den frekvensen.Detta håller din signal stark utan att skära av den låga änden.
När du har valt alla delar, ta ett ögonblick för att dubbelkontrollera allt.Titta över dina motståndsvärden, nuvarande nivåer och kondensatorval.Se till att transistorn arbetar i rätt intervall och signalvägen är klar.Små tweaks i detta skede kan göra att din förstärkare fungerar mycket bättre när den är byggd.
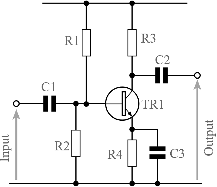
När du vill ha en mer pålitlig och förstärkande förstärkare, den här versionen av den vanliga emitterkretsen är vägen att gå.Genom att lägga till några extra komponenter - som mer motstånd och kondensatorer—Du gör kretsen mer stabil och förbättra sin vinst, särskilt för AC -signaler.Dessa tillagda delar hjälper förstärkaren konsekvent, även om transistorens egenskaper förändras något eller temperaturen skiftar.
En av de viktigaste förbättringarna i denna design är användningen av en spänningsdelare gjord med två motstånd mot förspänna basen.Detta gör basspänning mycket mer förutsägbar, vilket innebär att transistorn stannar i sin korrekta driftsregion på ett tillförlitligt sätt.Kretsen inkluderar också en emittermotstånd som sätter emitterspänningen och hjälper till med stabilitet.Detta motstånd gör transistorn mindre känslig för förändringar i nuvarande vinst (ß), Vilket är viktigt om du strävar efter konsekvent prestanda.
Till Öka AC -förstärkningenen Kondensator läggs till över emittermotståndet.Detta gå förbi kondensator tillåter AC -signaler att "hoppa över" motståndet, ökar den totala vinsten av kretsen för dessa signaler samtidigt som DC -förspänningen håller stabil.Resultatet är en krets som inte bara är mer pålitlig men ger dig också en starkare, renare utsignal.
Den här versionen är särskilt användbar när du bygger något mer permanent eller när din förstärkare behöver Anslut till andra steg utan att förlora signalkvaliteten.Det kan se lite mer komplex ut än den grundläggande versionen, men gynnar det ger prestanda och tillförlitlighet Gör det till ett bra steg framåt när du är bekväm med de enklare mönster.

Bild 4. Förbättrad gemensam emitterförstärkare med fler komponenter
Denna version av förstärkaren innehåller fler komponenter, vilket ger dig bättre prestanda, särskilt när det gäller förstärkning och DC -stabilitet.Följande steg bryter ner processen att välja värden och utforma din krets tydligt och enkelt.
Välj en transistor baserad på vad din krets behöver när det gäller spänning, ström och signaltyp.En allmänna NPN-transistor fungerar bra för många fall, men se till att den kan hantera din matningsspänning och ström utan problem.
Bestäm hur mycket ström din krets behöver för att matas in i nästa steg.Välj sedan en kollektorspänning som är ungefär hälften av matningsspänningen - det ger ditt signalrum att gå upp och ner.Använd Ohms lag (r = v / i) för att räkna ut rätt motståndsvärde.
För bättre stabilitet, ställ in emitterspänningen på cirka 1V eller cirka 10% av din matningsspänning.Eftersom emitterström är nästan densamma som kollektorström kan du beräkna emittermotståndet genom att dela emitterspänningen med strömmen.
För att hitta basströmmen, dela upp samlarströmmen med transistorns förstärkning (ß eller HFE).Om förstärkningen varierar är det säkrare att använda den nedre änden av intervallet för att se till att transistorn fortfarande slås på ordentligt.
Basspänningen är emitterspänningen plus bas-emitter-korsningsspänningen.För kiseltransistorer är detta cirka 0,6V.Så om emitteren är på 1V, bör basen vara cirka 1,6V.
Använd två motstånd i en spänningsdelare (R1 och R2) för att få rätt spänning vid basen.En bra regel är att göra att strömmen flyter genom dem ungefär tio gånger basströmmen.Detta hjälper till att hålla basspänningen stabil.Välj motståndsvärden baserat på den spänning som behövs och din matningsspänning.
För att förbättra AC -förstärkningen, tillsätt en kondensator över emittermotståndet.Detta gör att AC -signaler kan kringgå motståndet och öka förstärkningen.Välj en kondensator med en reaktans lika med emittermotståndet vid din krets lägsta frekvens.
Inmatningskondensatorn ska ha en reaktans som matchar ingångsmotståndet vid den lägsta frekvensen för din signal.Detta hindrar lågfrekventa signaler från att blockeras.Du kan uppskatta ingångsmotståndet som transistorns förstärkningstid emittermotståndets värde.
Denna kondensator överför den förstärkta signalen till nästa steg medan du blockerar DC.Välj ett värde som matchar belastningens motstånd (nästa del av kretsen) vid den lägsta frekvensen du arbetar med.
När din design är klar, ta ett ögonblick för att gå tillbaka och kontrollera allt.Se till att transistorn fortfarande kan hantera strömmen och spänningen, dina motståndsvärden är vettiga och alla dina kondensatorval stöder rätt frekvenser.En snabb recension hjälper till att undvika problem senare.
När du bygger en gemensam emitterförstärkare hjälper det att veta hur den hanterar olika signal frekvenser.Vissa signaler passerar lätt, medan andra kan bli svagare beroende på de delar du använder - särskilt kondensatorer och motstånd.
Utbudet av frekvenser som din förstärkare kan hantera väl kallas dess bandbredd.På mycket låg frekvenser, kondensatorerna kan fungera som block eftersom deras motstånd (kallad reaktans) går upp.På högfrekvenser, de tillåter signaler att passera lättare.Det är därför det är viktigt att välja kondensatorvärden baserat på lägsta frekvens Din krets måste arbeta med.Till exempel om din signal går ner till 20 Hz, dina kondensatorer bör vara tillräckligt stora för att släppa det utan för mycket förlust.
Kondensatorn över emittermotståndet - känd som förbikopplingskondensator—Sa gör också en stor skillnad.Det hjälper Öka förstärkarens förstärkning för AC -signaler.Om denna kondensator är för liten kan din krets Förlora förstärkningen vid lägre frekvenser.Men med rätt värde ökar det prestanda utan att påverka din DC -installation.
Att förstå detta hjälper dig att välja delar som gör din förstärkare arbeta bättre För de signaler du använder, oavsett om det är för ljud, sensorer eller andra växelströmskällor.När du har tagit tag i det blir det mycket enklare att justera din design för olika frekvensområden.
Efter att ha satt ihop din förstärkarkrets är det en bra idé att Kontrollera att allt är Arbetar som förväntat.Du behöver inte komplicerade verktyg - ett enkelt multimeter räcker ofta för att komma igång och en oscilloskop är till hjälp om du vill titta på signalen mer detaljerat.
Börja med att använda multimetern för att kontrollera leveransspänning och bekräfta att den når kretsen.Mät sedan spänningen vid samlare, bas, och sändas av transistorn.I de flesta fall Samlaren ska vara någonstans runt hälften av matningsspänningen, medan emitteren kommer att vara lite över marken.De bas bör handla 0,6 volt högre än emitteren Om du använder en kiseltransistor.Dessa avläsningar hjälper dig att veta om transistor är partisk ordentligt och redo att förstärka.
Om du har en signalgenerator och en oscilloskop, du kan testa hur förstärkaren hanterar en liten växelströmssignal.Anslut en lågfrekvens sinusvåg Till ingången och kontrollera utgången på räckvidden.Du borde se en större version av insignalen, vänd upp och ner.Om utgången ser ut för svag eller förvrängd, dubbelkontrollera ditt motstånd eller kondensatorvärden.
Även utan omfattning kan du försöka använda en ljudsignal- som från en telefon eller musikspelare - och ansluta en liten högtalare till utgången genom en kondensator.Om du hör ljudet betyder det att förstärkaren fungerar.
Testning hjälper till att se till att din krets gör vad den ska, och den ger dig också en Bättre känsla för hur det beter sig.Det är ett enkelt men användbart steg som gör ditt projekt mer pålitlig.
När du spenderar mer tid på att arbeta med transistorkretsar, särskilt vanligt emitterförstärkare, plocka högertransistor blir enklare och mer naturlig.Till att börja med kan det känns som om det finns för många alternativ, men med tiden får du en bättre känsla av vad som fungerar bäst för olika typer av kretsar.Du börjar känna igen mönster - som vilka transistorer som är bra för generalförstärkare och vilka som är mer lämpade för växlande.
För förstärkarkretsar, du vill vanligtvis ha en transistor som erbjuder en anständig vinst, hanterar din leveransspänning bekvämt och presterar bra vid frekvens du arbetar med.Du behöver inte alltid något avancerat-många Vanliga, prisvärda transistorer fungera helt bra för grundläggande ljud- eller signalförstärkare.
Å andra sidan, om du bygger en krets där transistorn fungerar mer som en on-off-switch—Such som kontrollerar en LED, motor eller relä—Det är bättre att välja en byte transistor.Dessa är utformade för Slå på och av snabbt och handtag skarpa förändringar i strömmen utan fördröjning.Även om en transistor har en höghastighetsbetyg eller a Snabb responstid (Som en hög FT) betyder det inte alltid att det kommer att fungera bra i en omkopplingskrets. Växlingstransistorer är gjorda för att hantera snabba övergångar och plötsliga laster mer effektivt.
Så som en allmän regel, försök att matcha transistorn till jobbet det måste göra.Med övning hittar du några go-to-alternativ Det fungerar i de flesta av dina kretsar.Om det är för förstärka en signal eller agerar som en digital switch, med Rätt typ av transistor hjälper dina kretsar att springa mer pålitligt och utföra precis som du förväntar dig.
Nu när du har utforskat hur en vanlig emitterförstärkare fungerar och hur du bygger ett steg för steg bör du känna dig mer säker på att sätta ihop din egen krets.Oavsett om du arbetar med enkla logiksignaler eller förstärker AC -ingångar som ljud, är denna typ av krets ett fast val.Kom bara ihåg att ta dig tid med beräkningarna och dubbelkontrollera dina komponentvärden.Med lite övning tycker du att det är lättare att skapa förstärkare som fungerar bra för vilket projekt du arbetar med.
Skicka en förfrågan, vi svarar omedelbart.
En vanlig emitterförstärkare tar en liten insignal och gör den större.Det används ofta för att öka ljud eller andra signaler så att de kan köra en annan steg eller enhet.
Utgången är inverterad på grund av hur transistorn fungerar i denna installation.När ingången går högt slås transistorn på och drar utgången lågt och skapar motsatt signal.
Du behöver inte använda en, men att lägga till en förbikopplingskondensator över emittermotståndet hjälper till att öka AC -förstärkningen.Det låter AC -signaler passera medan du fortfarande håller DC -stabiliteten.
Använd Ohms lag för att beräkna motståndsvärden baserat på din matningsspänning och önskad ström.Standardmotståndsvärden nära ditt resultat fungerar vanligtvis bra.
Du kan använda de flesta allmänna NPN-transistorer, men det är bättre att välja en som matchar din spänning, ström- och hastighetsbehov.För logikomkoppling, använd en transistor gjord för omkoppling.
på 2025/04/1
på 2025/03/31
på 8000/04/18 147757
på 2000/04/18 111936
på 1600/04/18 111349
på 0400/04/18 83721
på 1970/01/1 79508
på 1970/01/1 66911
på 1970/01/1 63048
på 1970/01/1 63012
på 1970/01/1 54081
på 1970/01/1 52127